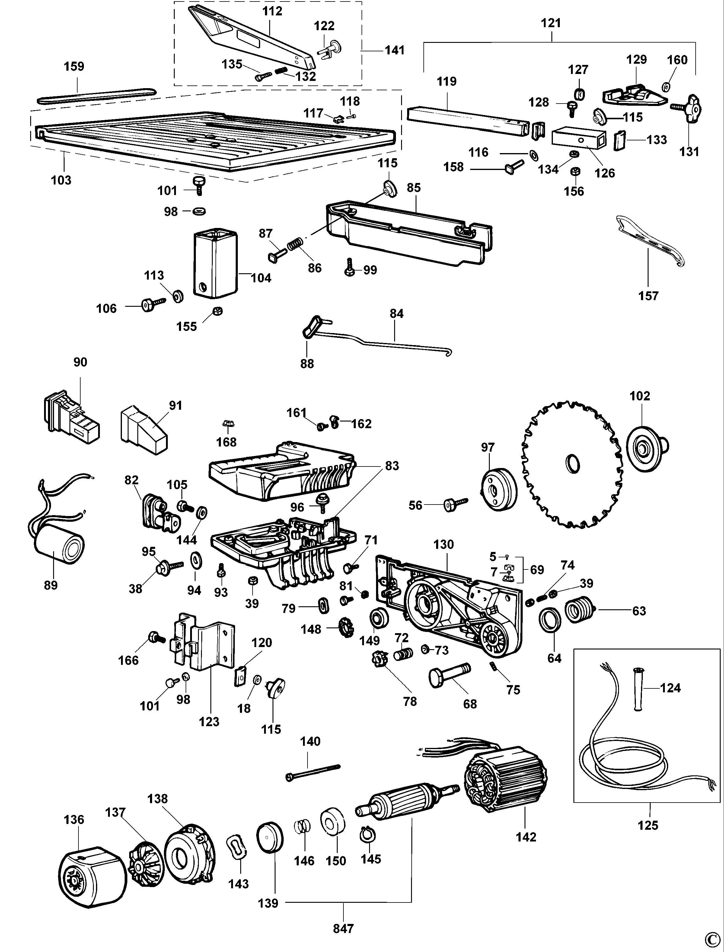
DW710 SEGA MITRE Type 4 | Disegni
Documenti
Si prega di visualizzare il menu a tendina dal momento che alcuni prodotti potrebbero avere più disegni
| Item No. | Product Number | Qty Per | Product Description | INFORMAZIONI | Altre informazioni | Markets | Product Status |
|---|---|---|---|---|---|---|---|
| 1 | 402804-00 | 4 | PIEDE | QS | |||
| 2 | 862002-00 | 1 | LEVA | QS | |||
| 3 | 760427-00 | 1 | CALOTTA | QS | |||
| 4 | 863612-00 | 1 | STAFFA | QS | |||
| 5 | 860094-03 | 2 | VITE | QS | |||
| 6 | 862428-00 | 1 | MANOPOLA | QS | |||
| 7 | 249412-22 | 1 | VITE | QS | |||
| 8 | 863608-06 | 1 | BASE | QS | |||
| 8 | 863608-07 | 1 | BASE | QS | |||
| 9 | 863072-00 | 1 | PERNO | QS | |||
| 10 | 863702-00 | 1 | DISTANZIALE | QS | |||
| 11 | 863686-00 | 1 | INDICE | QS | |||
| 12 | 860093-17 | 1 | VITE | QS | |||
| 13 | 860074-00 | 1 | RONDELLA ELASTICA | QS | |||
| 14 | 860074-02 | 1 | RONDELLA | QS | |||
| 15 | 942895-01 | 1 | MANOPOLA | QS | |||
| 16 | 860074-03 | 1 | RONDELLA | QS | |||
| 17 | 860092-05 | 1 | DADO | QS | |||
| 18 | 860083-02 | 1 | DADO | QS | |||
| 19 | 123255-01 | 1 | MOLLA | QS | |||
| 20 | 863046-00 | 1 | ASS. PERNO | QS | |||
| 21 | 863047-00 | 1 | CALOTTA | QS | |||
| 22 | 860084-03 | 1 | VITE | QS | |||
| 23 | 860073-03 | 1 | WASHER M8 | QS | |||
| 25 | 949751-07 | 1 | SPANNER 10-13MM | QS | |||
| 26 | 939072-00 | 1 | CHIAVE | QS | |||
| 27 | 861918-04 | 1 | PROTEZIONE | QS | |||
| 28 | 862099-01 | 1 | GUIDA | QS | |||
| 29 | 864693-04 | 1 | ASS. PROTEZIONE | QS | |||
| 29 | 864693-04 | 1 | ASS. PROTEZIONE | QS | |||
| 30 | 863039-02 | 1 | HUB | QS | |||
| 31 | 860092-01 | 1 | DADO | QS | |||
| 32 | 863048-00 | 1 | GUAINA ISOLANTE | QS | |||
| 33 | 869232-00 | 1 | TAVOLA ROTANTE | QS | |||
| 34 | 860086-10 | 1 | VITE | QS | |||
| 35 | 949748-01 | 1 | GUAINA ISOLANTE | QS | |||
| 36 | 760219-00 | 1 | VITE | QS | |||
| 37 | 862447-00 | 3 | DISTANZIALE | QS | |||
| 38 | 860085-09 | 1 | SCREW.TEMP | QS | |||
| 39 | 860083-12 | 1 | NUT M6 | QS | |||
| 40 | 330045-49 | 2 | VITE | QS | |||
| 41 | 949722-18 | 1 | MOLLA | QS | |||
| 42 | 868478-00 | 1 | ESTRATTORE POLVERE | QS | |||
| 43 | 865410-00 | 1 | CHIUSURA | QS | |||
| 44 | 939625-00 | 1 | RONDELLA | QS | |||
| 46 | 860084-21 | 1 | VITE | QS | |||
| 47 | 868478-00 | 1 | ESTRATTORE POLVERE | QS | |||
| 48 | 949884-01 | 1 | LEVA | QS | |||
| 49 | 862182-00 | 1 | SUPPORTO | QS | |||
| 50 | 945641-00 | 1 | PIASTRA | QS | |||
| 51 | 861919-01 | 1 | LAMA CON MAN. A SQU. | QS | |||
| 52 | 862075-01 | 1 | DISTANZIALE | QS | |||
| 53 | 860093-00 | 1 | VITE | QS | |||
| 54 | 949886-16 | 1 | VITE | QS | |||
| 55 | 861890-02 | 1 | SOSTEGNOSACCO | QS | |||
| 56 | 949886-21 | 1 | BULLONE | QS | |||
| 57 | 861920-00 | 1 | DISTANZIALE | QS | |||
| 58 | 949761-02 | 1 | SPESSORE | QS | |||
| 59 | 949759-01 | 1 | CONTRODADO | QS | |||
| 60 | 860085-07 | 1 | VITE | QS | |||
| 61 | 720959-00 | 1 | RONDELLA | QS | |||
| 62 | 863606-00 | 1 | MOLLA SINISTRA | QS | |||
| 63 | 863590-00 | 1 | MOLLA DESTRA | QS | |||
| 64 | 863611-00 | 1 | SPESSORE | QS | |||
| 65 | 863602-00 | 1 | VITE | QS | |||
| 66 | 863610-00 | 1 | PIASTRA | QS | |||
| 67 | 863604-00 | 1 | MOLLA | QS | |||
| 68 | 863607-00 | 1 | PERNO | QS | |||
| 69 | 861692-00 | 1 | MORSETTO | QS | |||
| 70 | 863262-00 | 1 | VITE | QS | |||
| 71 | 860094-02 | 1 | VITE | QS | |||
| 72 | 863605-00 | 1 | PERNO | QS | |||
| 73 | 943030-00 | 1 | ANELLO TOROIDALE | QS | |||
| 74 | 860088-10 | 1 | PERNO | QS | |||
| 75 | 949853-04 | 1 | VITE | QS | |||
| 78 | 946469-00 | 1 | MANOPOLA | QS | |||
| 79 | 863026-00 | 1 | GUARNIZIONE | QS | |||
| 80 | 863604-01 | 1 | MOLLA | QS | |||
| 81 | 944650-00 | 1 | RONDELLA ELASTICA | QS | |||
| 82 | 863573-00 | 1 | ENTRATA | QS | |||
| 83 | 862429-05 | 1 | ASS. IMPUGNATURA | QS | |||
| 83 | 862429-04 | 1 | ASS. IMPUGNATURA | QS | |||
| 84 | 863613-01 | 1 | ASTA | QS | |||
| 85 | 402803-02 | 1 | GUARDIA SUPERIORE | QS | |||
| 86 | 868082-00 | 1 | MOLLA | QS | |||
| 87 | 861963-00 | 1 | PERNO DI BLOCCO | QS | |||
| 88 | 861953-00 | 1 | CALOTTA | QS | |||
| 89 | 949772-23 | 1 | CONDENSATORE | QS | |||
| 90 | 861930-00 | 1 | ASS. INTERRUTTORE | QS | |||
| 91 | 861964-00 | 1 | COPERTURA | QS | |||
| 93 | 860084-09 | 1 | VITE | QS | |||
| 94 | 863026-00 | 1 | GUARNIZIONE | QS | |||
| 95 | 860075-00 | 1 | RONDELLA | QS | |||
| 96 | 860085-07 | 1 | VITE | QS | |||
| 97 | 861056-00 | 1 | FLANGIA ESTERNA | QS | |||
| 98 | 720959-00 | 4 | RONDELLA | QS | |||
| 99 | 860094-03 | 3 | VITE | QS | |||
| 100 | 868693-01 | 1 | ETICHETTA | QS | |||
| 101 | 860084-22 | 4 | VITE | QS | |||
| 102 | 861057-01 | 1 | FLANGIA INTERNA | QS | |||
| 103 | 869232-01 | 1 | TAVOLO | QS | |||
| 104 | 402801-00 | 1 | STAFFA | QS | |||
| 105 | 930076-00 | 1 | VITE | QS | |||
| 106 | 949886-16 | 1 | VITE | QS | |||
| 107 | 860098-04 | 1 | WRENCH 6 MM | QS | |||
| 108 | 930574-00 | 1 | HEX KEY 5 MM | QS | |||
| 109 | 863044-02 | 1 | ASS. IMPUGNATURA | QS | |||
| 111 | 330045-49 | 1 | VITE | QS | |||
| 112 | N162669 | 1 | GUARDIA SUPERIORE | QS | |||
| 113 | 949876-06 | 1 | RONDELLA | QS | |||
| 114 | 625450-00 | 2 | ETICHETTA | QS | |||
| 115 | 861464-00 | 1 | MANOPOLA | QS | |||
| 116 | 860073-08 | 1 | RONDELLA | QS | |||
| 117 | 391358-01 | 1 | PORTAUTENSILE | QS | |||
| 118 | 720688-02 | 1 | VITE | 3.9x13 | QS | ||
| 119 | 861978-00 | 1 | GUIDA | QS | |||
| 120 | 861748-00 | 1 | INSERTO DI PLASTICA | QS | |||
| 121 | 861982-00 | 1 | ASS. GUIDA | QS | |||
| 122 | N162670 | 1 | PERNO | QS | |||
| 123 | 402800-00 | 1 | STAFFA | QS | |||
| 124 | 868520-00 | 1 | CORD PROTECTOR | QS | |||
| 125 | 868313-10 | 1 | CAVO CON SPINA | QS | |||
| 126 | 861422-02 | 1 | GUIDA | QS | |||
| 127 | 861453-00 | 1 | DISTANZIALE | QS | |||
| 128 | 949886-11 | 2 | VITE | QS | |||
| 129 | 861421-01 | 1 | SUPPORTO | QS | |||
| 130 | 862180-08 | 1 | BRACCIO DI SOSTEGNO | QS | |||
| 131 | 861452-00 | 1 | MANOPOLA | QS | |||
| 132 | 941622-00 | 1 | MOLLA | QS | |||
| 133 | 861423-00 | 1 | COPERTURA TERMINALE | QS | |||
| 134 | 860073-14 | 2 | RONDELLA | QS | |||
| 135 | 860084-11 | 1 | VITE | QS | |||
| 136 | 860445-00 | 1 | COPERTURA | QS | |||
| 137 | 945841-00 | 1 | VENTOLA | QS | |||
| 138 | 861345-00 | 1 | ASS CORPO | QS | |||
| 139 | 861336-02 | 1 | FRENO | QS | |||
| 140 | 863015-00 | 1 | TIRANTE | QS | |||
| 141 | N164678 | 1 | ASS. PROTEZIONE | QS | |||
| 142 | 868412-04 | 1 | STATOR SA 230V | QS | |||
| 143 | 860080-02 | 1 | ANELLO | QS | |||
| 144 | 863025-00 | 1 | GUAINA DI PROTEZIONE | QS | |||
| 145 | 861349-00 | 1 | ANELLO D'ARRESTO | QS | |||
| 146 | 861338-00 | 1 | MOLLA | QS | |||
| 148 | 860806-00 | 1 | ANELLO | QS | |||
| 149 | 861721-12 | 1 | CUSCINETTO | QS | |||
| 150 | 868768-07 | 1 | CUSCINETTO | QS | |||
| 154 | 861917-01 | 1 | PROTEZIONE | QS | |||
| 155 | 941535-00 | 1 | DADO | QS | |||
| 156 | 860083-13 | 2 | DADO | QS | |||
| 157 | 860610-01 | 1 | ASTA SPINGENTE | QS | |||
| 158 | 931997-00 | 1 | VITE | QS | |||
| 159 | 863576-01 | 1 | SCALA | QS | |||
| 161 | 860094-02 | 1 | VITE | QS | |||
| 162 | 123106-00 | 1 | NASTRO | QS | |||
| 163 | 863599-02 | 1 | DISTANZIALE | QS | |||
| 164 | 864049-00 | 4 | DISTANZIALE | QS | |||
| 165 | 860093-07 | 1 | VITE | QS | |||
| 166 | 949702-17 | 1 | VITE | QS | |||
| 168 | 861257-00 | 1 | CONNETTORE | QS | |||
| 180 | 869204-00 | 1 | GUIDA DESTRA | QS | |||
| 181 | 869120-00 | 1 | GUIDA SINISTRA | QS | |||
| 182 | 869120-02 | 1 | GUIDA SINISTRA | QS | |||
| 183 | 869076-00 | 5 | VITE | QS | |||
| 846 | 861446-00 | 1 | PACCO PEZZI | QS | |||
| 847 | 868411-01 | 1 | ASS. ROTORE | QS |