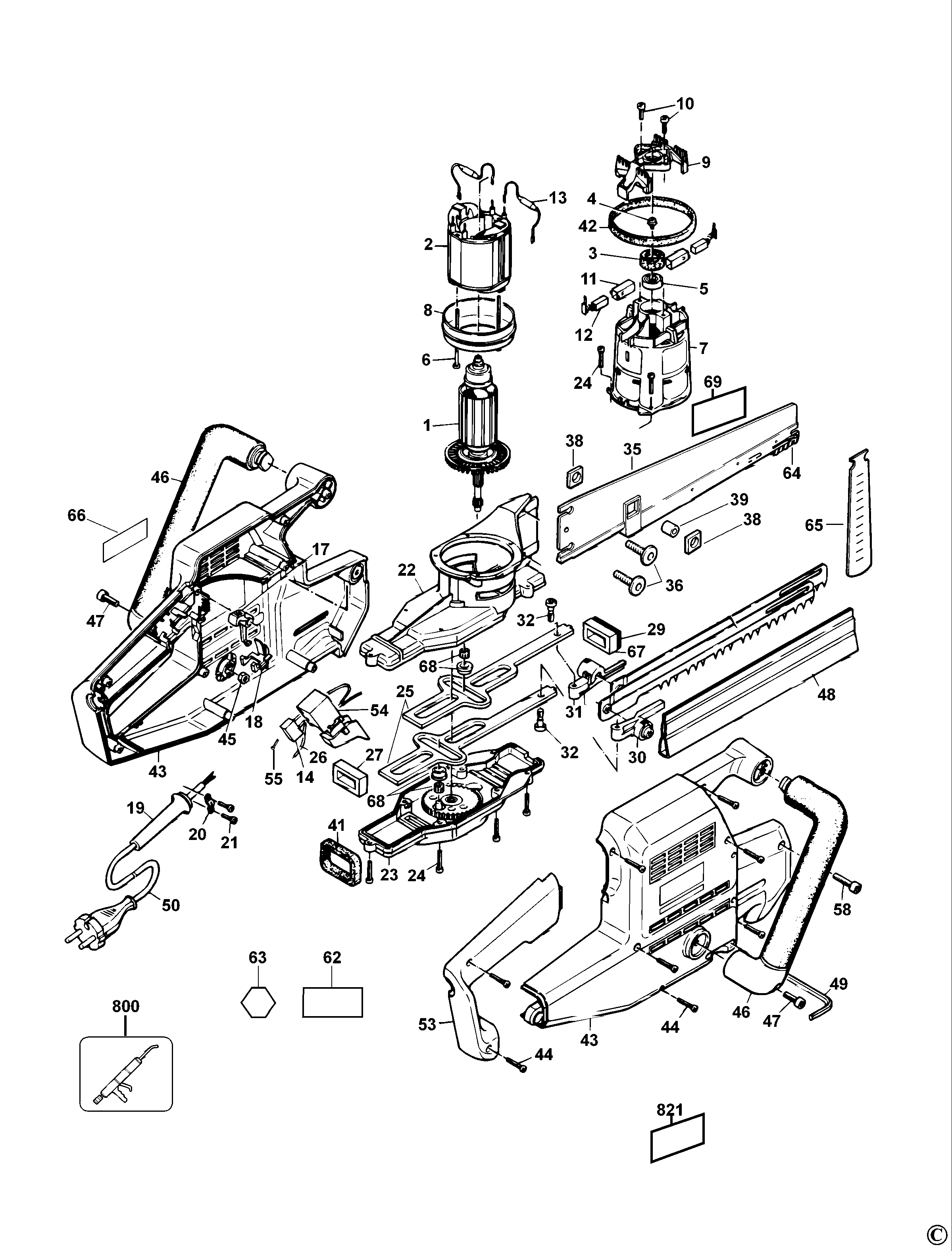
DW392 SEGA UNIVERSALE Type 5 | Disegni
Documenti
Si prega di visualizzare il menu a tendina dal momento che alcuni prodotti potrebbero avere più disegni
| Item No. | Product Number | Qty Per | Product Description | INFORMAZIONI | Altre informazioni | Markets | Product Status |
|---|---|---|---|---|---|---|---|
| 3 | 911897 | 1 | PORTAUTENSILE | CH | |||
| 4 | 322491 | 1 | VITE | CH | |||
| 5 | 330003-19 | 1 | CUSCINETTO | CH | |||
| 6 | 916231 | 2 | VITE | CH | |||
| 7 | 322330 | 1 | CORPO MOTORE | CH | |||
| 8 | 916128 | 1 | BAFFLE FAN | CH | |||
| 9 | 322894 | 1 | PONTE | CH | |||
| 10 | 911300 | 2 | VITE | CH | |||
| 11 | 323861-00 | 2 | PORTASPAZZOLE | CH | |||
| 12 | 322950 | 2 | BRUSH 230V | CH | |||
| 13 | 321354 | 2 | LEAD 70MM | CH | |||
| 14 | 321384 | 1 | CONDENSATORE | CH | |||
| 17 | 322369-00 | 1 | LEVA | CH | |||
| 18 | 323136 | 1 | LEVA | CH | |||
| 19 | 770235 | 1 | MANICOTTO | CH | |||
| 20 | 821070 | 1 | SERRAFILO | CH | |||
| 21 | D911324 | 2 | VITE | CH | |||
| 22 | 324817-00 | 1 | SCATOLA INGRANAGGI | CH | |||
| 23 | 322667 | 1 | SCATOLA INGRANAGGI | CH | |||
| 24 | 810091-00 | 11 | SCREW.SPECIAL | CH | |||
| 25 | 1008559-01 | 1 | KIT RIPARAZIONE | CH | |||
| 26 | 878756 | 2 | LEAD 200MM BLACK | CH | |||
| 27 | 322377 | 1 | CUSCINETTO | CH | |||
| 29 | 325990-00 | 1 | GUARNIZIONE | CH | |||
| 30 | 1007590-00 | 1 | MORSETTO LAMA | ` | CH | ||
| 31 | 1007589-00 | 1 | MORSETTO LAMA | CH | |||
| 32 | 495253-00 | 2 | KIT RIPARAZIONE | CH | |||
| 35 | N022429 | 1 | BARRA | CH | |||
| 36 | 324776-00 | 2 | VITE | CH | |||
| 38 | 322661 | 2 | INSERTO | CH | |||
| 39 | 322662 | 1 | DISTANZIALE | CH | |||
| 41 | 322659 | 1 | INSERTO | CH | |||
| 42 | 322660 | 1 | INSERTO | CH | |||
| 43 | 325602-06 | 1 | ASS. CORPO | CH | |||
| 44 | 330065-08 | 9 | VITE | M4x18 T20 | CH | ||
| 45 | 911018 | 2 | DADO | CH | |||
| 46 | 323142 | 2 | HANDLE | CH | |||
| 47 | 580475-00 | 2 | VITE | CH | |||
| 48 | 322763-02 | 1 | PROTEZIONE | CH | |||
| 49 | 098000-11 | 1 | CHIAVE ESAGONALE | CH | |||
| 50 | 330080-31 | 1 | CAVO CON SPINA | CH | CH | ||
| 53 | 322363-06 | 1 | COPERTURA MANICO | CH | |||
| 54 | 325328-03 | 1 | INTERRUTTORE | CH | |||
| 55 | 911026 | 4 | VITE | CH | |||
| 58 | 322928 | 1 | VITE | CH | |||
| 62 | 323504-00 | 1 | ETICHETTA DI AVVISO | CH | |||
| 63 | 325393-00 | 1 | ETICHETTA DI AVVISO | CH | |||
| 64 | 325824-49 | 1 | KIT RIPARAZIONE | CH | |||
| 65 | 325882-00 | 1 | KIT RASCHIETTO | CH | |||
| 66 | 578742-00 | 1 | ETICHETTA MARCHIO | CH | |||
| 67 | 325881-01 | 1 | CUSCINETTO | CH | |||
| 68 | 1008559-01 | 2 | KIT RIPARAZIONE | CH | |||
| 800 | 870889-02 | 1 | GRASSO | CH |