D28423 SMERIGLIATRICE ANGOLARE Type 2 | Disegni
Documenti
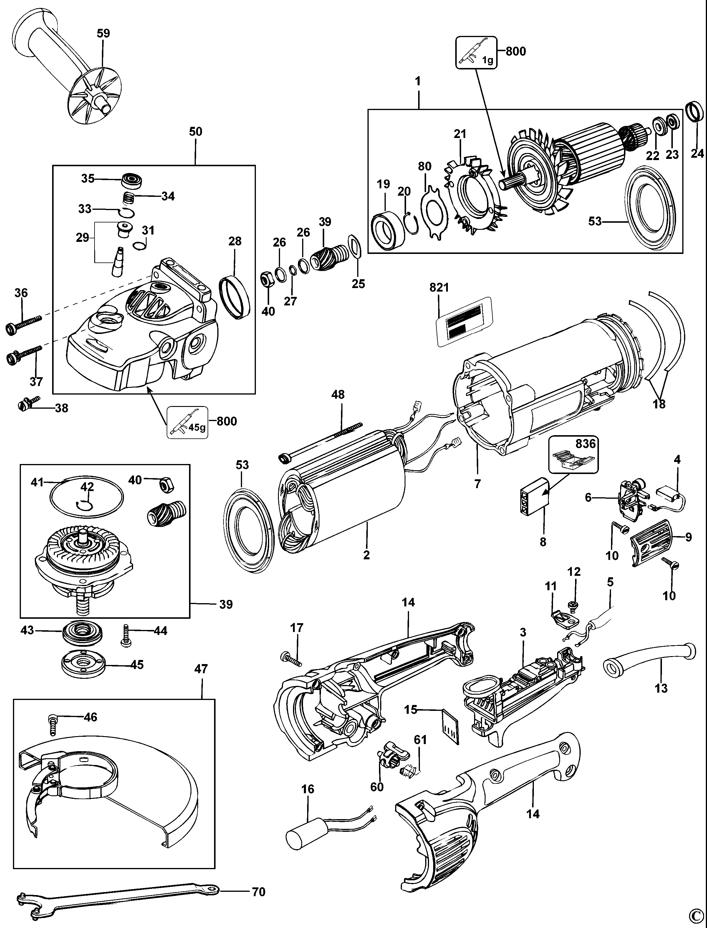
Si prega di visualizzare il menu a tendina dal momento che alcuni prodotti potrebbero avere più disegni
| Item No. | Product Number | Qty Per | Product Description | INFORMAZIONI | Altre informazioni | Markets | Product Status |
|---|---|---|---|---|---|---|---|
| 1 | N022342 | 1 | ARMATURE 230V | 230V | QS | ||
| 2 | 1005544-04 | 1 | FIELD 220V | QS | |||
| 3 | 393438-00 | 1 | ASS. INTERRUTTORE | QS | |||
| 4 | 585041-00 | 1 | BRUSH PAIR 230V | QS | |||
| 5 | 330080-53 | 1 | CAVO | QS | |||
| 6 | 629976-00 | 2 | ASS. PORTASPAZZOLE | QS | |||
| 7 | 603341-01 | 1 | CORPO MOTORE | QS | |||
| 8 | 604389-00 | 1 | CONNETTORE | QS | |||
| 9 | 394387-01 | 2 | GANASCIA | QS | |||
| 10 | 330019-11 | 4 | VITE | M4.55x13 T20 | QS | ||
| 11 | 398217-00 | 1 | SERRAFILO | QS | |||
| 12 | 330019-03 | 1 | VITE | QS | |||
| 13 | 947964-01 | 1 | CORD PROTECTOR | QS | |||
| 14 | 394399-00 | 1 | ASS. IMPUGNATURA | QS | |||
| 15 | 398720-00 | 1 | GUARNIZIONE | QS | |||
| 16 | 397257-01 | 1 | CONDENSATORE | QS | |||
| 17 | 330019-32 | 6 | VITE | QS | |||
| 18 | 398728-00 | 2 | GUARNIZIONE | QS | |||
| 19 | 330003-13 | 1 | CUSCINETTO | QS | |||
| 20 | 398605-00 | 1 | ANELLO DI TENUTA | QS | |||
| 21 | 393222-00 | 1 | DISTANZIALE | QS | |||
| 22 | 393238-00 | 1 | SCHERMO | QS | |||
| 23 | 330003-60 | 1 | CUSCINETTO | QS | |||
| 24 | 609970-00 | 1 | TUBO ISOLANTE | QS | |||
| 25 | 608568-00 | 1 | RONDELLA | QS | |||
| 26 | 607502-00 | 2 | RONDELLA | QS | |||
| 27 | 614045-00 | 1 | RONDELLA ELASTICA | QS | |||
| 28 | 609971-00 | 1 | MANICOTTO | QS | |||
| 29 | 496443-00 | 1 | KIT RIPARAZIONE | QS | |||
| 31 | 050049-00 | 1 | ANELLO | QS | |||
| 33 | 603470-00 | 1 | ANELLO DI TENUTA | QS | |||
| 34 | 395029-00 | 1 | MOLLA | QS | |||
| 35 | 610999-00 | 1 | CALOTTA | QS | |||
| 36 | 330019-26 | 4 | VITE | QS | |||
| 37 | 330045-59 | 1 | VITE | QS | |||
| 38 | 330045-58 | 1 | VITE | QS | |||
| 39 | 583532-00 | 1 | ASS.COP.SCAT.INGR. | M14 THD. | QS | ||
| 40 | 609125-00 | 1 | CONTRODADO | QS | |||
| 41 | 397031-00 | 1 | ANELLO TOROIDALE | QS | |||
| 42 | 034109-00 | 1 | ANELLO DI TENUTA | QS | |||
| 43 | 403150-01 | 1 | FLANGIA INTERNA | QS | |||
| 44 | 330045-15 | 4 | VITE | QS | |||
| 45 | 401678-05 | 1 | FLANGIA ESTERNA | QS | |||
| 46 | 606863-00 | 1 | VITE | QS | |||
| 47 | N036837 | 1 | ASS. PROTEZIONE | QS | |||
| 48 | 330019-34 | 2 | VITE | QS | |||
| 50 | N075439 | 1 | SCATOLA INGRANAGGI | PKG'D N040648 | QS | ||
| 53 | 614542-00 | 1 | LINGUETTA DI GUIDA | QS | |||
| 59 | 613777-00 | 1 | MANICO LATERALE | QS | |||
| 60 | 616318-00 | 1 | CHIAVISTELLO | QS | |||
| 61 | 612862-00 | 1 | MOLLA | QS | |||
| 70 | 938733 | 1 | CHIAVE | QS | |||
| 80 | 613366-00 | 1 | INSERTO | QS | |||
| 800 | 583534-00 | 1 | GRASSO | 50 GRAMS - NYE RHEOLUB 380G1 | QS | ||
| 821 | N019392 | 1 | SCHEDA | QS | |||
| 836 | 559638-99 | 1 | S.T. ESTRATTORE | QS |