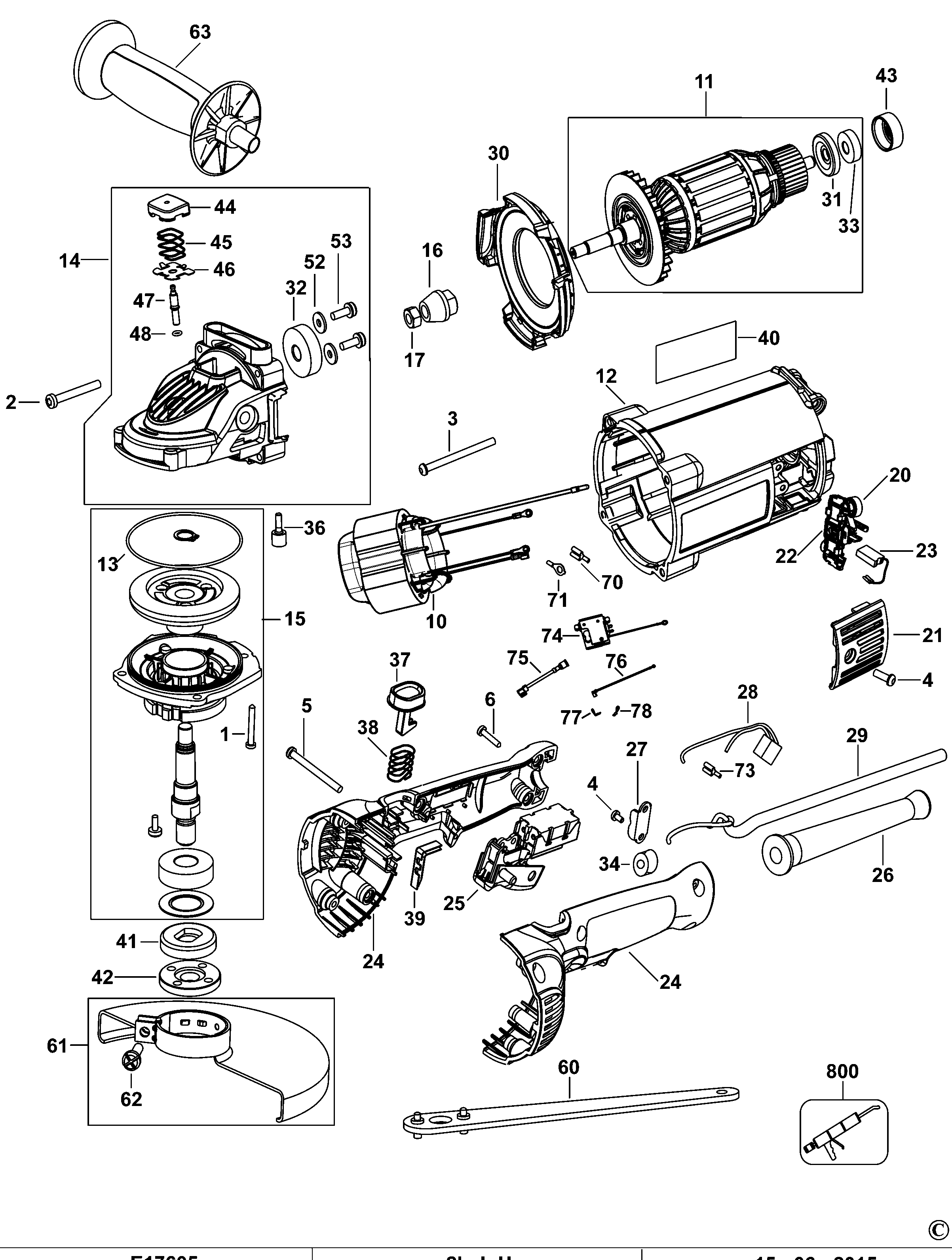
DWE494 SMERIGLIATRICE ANGOLARE Type 1 | Disegni
Documenti
Si prega di visualizzare il menu a tendina dal momento che alcuni prodotti potrebbero avere più disegni
| Item No. | Product Number | Qty Per | Product Description | INFORMAZIONI | Altre informazioni | Markets | Product Status |
|---|---|---|---|---|---|---|---|
| 1 | 330045-14 | 4 | VITE | QS | |||
| 2 | 330019-26 | 4 | VITE | QS | |||
| 3 | 330019-19 | 2 | VITE | QS | |||
| 4 | 330019-11 | 2 | VITE | M4.55x13 T20 | QS | ||
| 5 | 330019-50 | 3 | VITE | M4.55x50 PLASTIC THD FMG | QS | ||
| 6 | 330019-32 | 4 | VITE | QS | |||
| 10 | N442581 | 1 | FIELD SA 230V | QS | |||
| 11 | N467980 | 1 | INDOTTO | QS | |||
| 12 | 393239-01 | 1 | CORPO MOTORE | QS | |||
| 13 | 397031-00 | 1 | ANELLO TOROIDALE | QS | |||
| 14 | N442319 | 1 | SCATOLA INGRANAGGI | PKG'D N427268 | QS | ||
| 15 | N442320 | 1 | ASS.COP.SCAT.INGR. | QS | |||
| 16 | N407625 | 1 | PIGNONE | 6K | QS | ||
| 17 | 330015-03 | 1 | DADO | M8x1.25 | QS | ||
| 20 | 645650-00 | 2 | MOLLA SPAZZOLE | QS | |||
| 21 | 394387-01 | 2 | GANASCIA | QS | |||
| 22 | N410308 | 1 | ASS. PORTASPAZZOLE | QS | |||
| 23 | N404514 | 1 | SPAZZOLE ( X 2 ) | 230V, SET OF 2 | QS | ||
| 24 | 636499-00 | 1 | ASS. IMPUGNATURA | QS | |||
| 25 | N015071 | 1 | ASS. INTERRUTTORE | QS | |||
| 26 | N219433 | 1 | CORD PROTECTOR | QS | |||
| 27 | 604119-00 | 1 | SERRAFILO | QS | |||
| 28 | 632218-00 | 1 | CONDENSATORE | QS | |||
| 29 | N442589 | 1 | CORDSET (EURO) | QS | QS | ||
| 30 | 631350-00 | 1 | LINGUETTA DI GUIDA | QS | |||
| 31 | 393238-00 | 1 | SCHERMO | QS | |||
| 32 | N389509 | 1 | CUSCINETTO | QS | |||
| 33 | N110359 | 1 | CUSCINETTO | QS | |||
| 34 | N419846 | 1 | SOPPRESSORE | QS | |||
| 36 | N033051 | 1 | VITE | QS | |||
| 37 | 636503-00 | 1 | PULSANTE SBLOCCO | QS | |||
| 38 | 636502-00 | 1 | MOLLA | QS | |||
| 39 | N391190 | 1 | COPERTURA | QS | |||
| 40 | N427273 | 1 | SCHEDA | QS | QS | ||
| 41 | 403150-01 | 1 | FLANGIA INTERNA | QS | |||
| 42 | 401678-05 | 1 | FLANGIA ESTERNA | QS | |||
| 43 | 609970-00 | 1 | TUBO ISOLANTE | QS | |||
| 44 | 630553-00 | 1 | CALOTTA | QS | |||
| 45 | 638328-00 | 1 | MOLLA | QS | |||
| 46 | 635908-00 | 1 | ANELLO DI TENUTA | QS | |||
| 47 | 634589-00 | 1 | PERNO | QS | |||
| 48 | 750831 | 1 | ANELLO TOROIDALE | QS | |||
| 52 | 640591-00 | 2 | RONDELLA | QS | |||
| 53 | 330045-67 | 2 | VITE | QS | |||
| 60 | 635261-00 | 1 | CHIAVE | QS | |||
| 61 | N419366 | 1 | ASS. PROTEZIONE | QS | |||
| 62 | N082712 | 1 | VITE | QS | |||
| 63 | 651858-01 | 1 | MANICO LATERALE | QS | |||
| 70 | 612273-00 | 2 | TERMINALE | QS | |||
| 71 | 610057-00 | 2 | TERMINALE | QS | |||
| 73 | 053650-00 | 1 | TERMINALE | QS | |||
| 74 | N422067 | 1 | S/G MODULO CONTROLLO | NO VOLT | QS | ||
| 75 | N442585 | 1 | ASS. CAVETTO | QS | |||
| 76 | N442586 | 1 | ASS. CAVETTO | QS | |||
| 77 | N442587 | 1 | TERMINALE | NO VOLT | QS | ||
| 78 | N442684 | 1 | TERMINALE | QS | |||
| 800 | 583534-00 | 1 | GRASSO | 50 GRAMS - NYE RHEOLUB 380G1 | QS | ||
| 800 | 583534-00 | 1 | GRASSO | 50 GRAMS - NYE RHEOLUB 380G1 | QS |