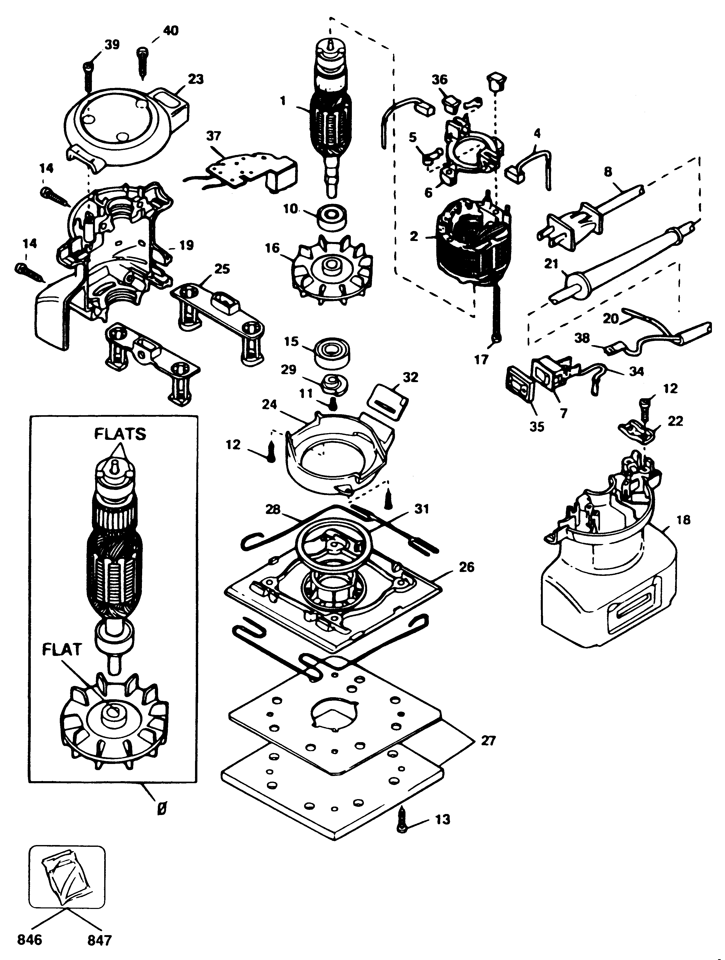
4011 LEVIGATRICE A PALMO Type 1 | Disegni
Documenti
Si prega di visualizzare il menu a tendina dal momento che alcuni prodotti potrebbero avere più disegni
| Item No. | Product Number | Qty Per | Product Description | INFORMAZIONI | Altre informazioni | Markets | Product Status |
|---|---|---|---|---|---|---|---|
| 1 | 144950-03 | 1 | INDOTTO | CH | |||
| 2 | 807254-09 | 1 | FIELD 230V | CH | |||
| 4 | 445861-13 | 2 | BRUSH 230V | CH | |||
| 5 | 445860-00 | 2 | MOLLA SPAZZOLE | CH | |||
| 6 | 449899-05 | 1 | ANELLO | CH | |||
| 7 | 656494-00 | 1 | INTERRUTTORE | CH | |||
| 7 | 656494-00 | 1 | INTERRUTTORE | CH | |||
| 8 | 330080-31 | 1 | CAVO CON SPINA | CH | CH | ||
| 10 | 330003-17 | 1 | CUSCINETTO | CH | |||
| 11 | 98012-10 | 1 | VITE | CH | |||
| 12 | 330019-02 | 4 | VITE | CH | |||
| 13 | 464285-00 | 4 | VITE | CH | |||
| 14 | 330019-13 | 4 | VITE | M4X19 T20 | CH | ||
| 15 | 330003-64 | 1 | CUSCINETTO | CH | |||
| 17 | 330019-08 | 2 | VITE | CH | |||
| 18 | 464279-12 | 1 | ASS. CORPO | CH | |||
| 20 | 825209-00 | 1 | CONNETTORE | CH | |||
| 21 | N542553 | 1 | CORD PROTECTOR | CH | |||
| 21 | N542553 | 1 | CORD PROTECTOR | CH | |||
| 22 | 380414-00 | 1 | SERRAFILO | CH | |||
| 23 | 151670-07 | 1 | CALOTTA | CH | |||
| 24 | 144964-00 | 1 | COPERTURA | CH | |||
| 25 | N542568 | 2 | PIEDE | CH | |||
| 25 | N542568 | 2 | PIEDE | CH | |||
| 26 | N073798 | 1 | BASE | 1/4 SHEET | CH | ||
| 27 | 151284-00SV | 1 | TAMPONE | CH | |||
| 28 | 151288-00 | 2 | MORSETTO | CH | |||
| 29 | 144972-00 | 1 | CONTRAPPESO | CH | |||
| 31 | N100227 | 1 | GUARNIZIONE | CH | |||
| 32 | 144975-01 | 1 | PORTA | CH | |||
| 34 | 144989-00 | 1 | TERMINALE & FILO | BLACK, 20GA | CH | ||
| 35 | 144983-07 | 1 | COPERTURA | CH | |||
| 36 | 144956-00 | 2 | DADO | CH | |||
| 37 | 145283-03 | 1 | MODULO ELETTRONICO | Tyco | CH | ||
| 38 | 445964-00 | 2 | TERMINALE | CH | |||
| 39 | 330019-13 | 2 | VITE | M4X19 T20 | CH | ||
| 40 | 330019-11 | 1 | VITE | M4.55x13 T20 | CH | ||
| 846 | 144954-00 | 1 | PUNZONE | CH | |||
| 847 | 608358-00 | 1 | DUSTBAG | CH |