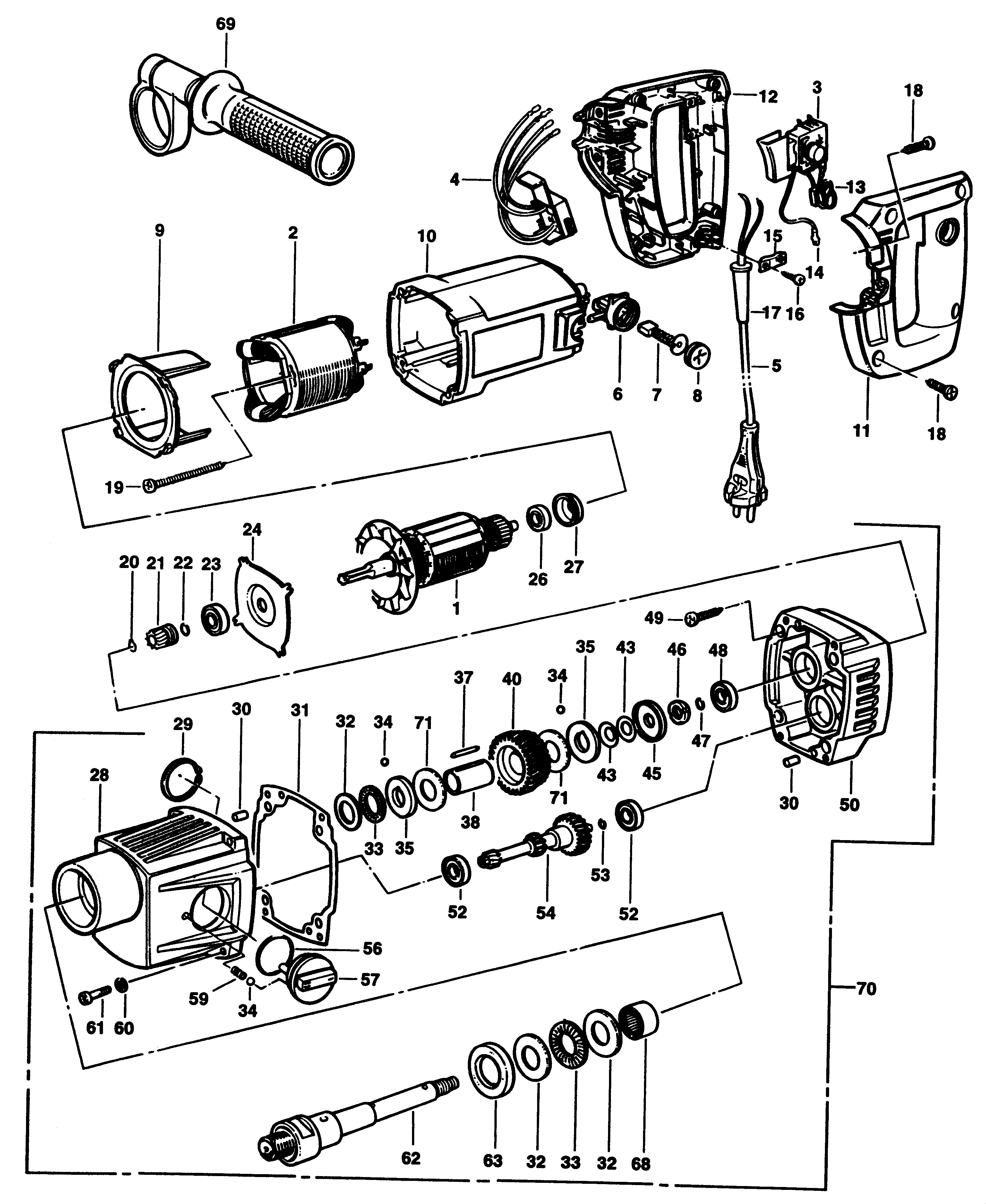
DIAMANT-1-A TRAPANO DIAMANTE Type 1 | Disegni
Documenti
Si prega di visualizzare il menu a tendina dal momento che alcuni prodotti potrebbero avere più disegni
| Item No. | Product Number | Qty Per | Product Description | INFORMAZIONI | Altre informazioni | Markets | Product Status |
|---|---|---|---|---|---|---|---|
| 1 | 248158-00 | 1 | INDOTTO | XJ | |||
| 2 | 587020-00 | 1 | STATORE | XJ | |||
| 3 | 249579-00 | 1 | KIT INTERRUTTORE | XJ | |||
| 4 | 328372-00 | 1 | SERVICE KIT 230V | ELU Grey | XJ | ||
| 5 | 248023-00 | 1 | CAVO CON SPINA | XJ | |||
| 6 | 448083-01 | 2 | BRUSHBOX | XJ | |||
| 7 | 248155-00 | 2 | SPAZZOLE | XJ | |||
| 8 | 448084-01 | 2 | SPAZZOLA CALOTTA | XJ | |||
| 9 | 447786-00 | 1 | BAFFLE FAN | XJ | |||
| 10 | 447799-00 | 1 | CORPO MOTORE | XJ | |||
| 11 | 572000-01 | 1 | ASS. IMPUGNATURA | Yellow | XJ | ||
| 12 | 572000-01 | 1 | ASS. IMPUGNATURA | Yellow | XJ | ||
| 13 | 320842-03 | 1 | CONDENSATORE | XJ | |||
| 14 | 248022-00 | 1 | CAVETTO | XJ | |||
| 15 | 910556 | 1 | SERRAFILO PER CAVO | XJ | |||
| 16 | 949896-12 | 2 | VITE | XJ | |||
| 17 | 403395-00 | 1 | CORD PROTECTOR | XJ | |||
| 18 | 330019-13 | 8 | VITE | M4X19 T20 | XJ | ||
| 19 | 844217-03 | 2 | VITE | XJ | |||
| 20 | 248311-00 | 1 | ANELLO D'ARRESTO | XJ | |||
| 21 | 248035-00 | 1 | PIGNONE | XJ | |||
| 22 | 248036-00 | 1 | ANELLO TOROIDALE | XJ | |||
| 23 | 330003-64 | 1 | CUSCINETTO | XJ | |||
| 24 | 448079-00 | 1 | PIASTRA | XJ | |||
| 26 | 605040-06 | 1 | BEARING,BALL | XJ | |||
| 27 | 445217-02 | 1 | MANICOTTO | XJ | |||
| 28 | 248075-00 | 1 | SCATOLA INGRANAGGI | XJ | |||
| 29 | 278814-00 | 1 | ANELLO D'ARRESTO | XJ | |||
| 30 | 832327 | 2 | PERNO | XJ | |||
| 31 | 248049-00 | 1 | GUARNIZIONE | XJ | |||
| 32 | 278811-00 | 3 | ANELLO | XJ | |||
| 33 | 278810-00 | 2 | CUSCINETTO | XJ | |||
| 34 | 832343 | 3 | SFERA | XJ | |||
| 37 | 278821-00 | 1 | PERNO | XJ | |||
| 38 | 279196-00 | 1 | KIT FRIZIONE | XJ | |||
| 40 | 248057-00 | 1 | ASS. INGRANAGGI | XJ | |||
| 43 | 248058-00 | 4 | RONDELLA | XJ | |||
| 45 | 248060-00 | 1 | SCODELLINO | XJ | |||
| 46 | 248061-00 | 1 | DADO | XJ | |||
| 47 | 278699-00 | 1 | GUARNIZIONE | XJ | |||
| 48 | 050830000 | 1 | BEARING 6001 RSZ | XJ | |||
| 49 | 330019-42 | 4 | VITE | XJ | |||
| 50 | 248065-04 | 1 | SCATOLA INGRANAGGI | XJ | |||
| 52 | 832337 | 2 | CUSCINETTO | XJ | |||
| 53 | 278778-00 | 1 | GUARNIZIONE | XJ | |||
| 54 | 248069-00 | 1 | INGRANAGG. DI RINVIO | XJ | |||
| 56 | 832348 | 1 | ANELLO | XJ | |||
| 57 | 248071-00 | 1 | MANOPOLA | XJ | |||
| 59 | 832344 | 1 | MOLLA | XJ | |||
| 60 | 832364 | 4 | RONDELLA | XJ | |||
| 61 | 248063-00 | 4 | SCREW.TEMP | XJ | |||
| 62 | 248074-02 | 1 | ALBERINO | 5/8"-16 UNF | XJ | ||
| 63 | 278812-00 | 1 | GUARNIZIONE | XJ | |||
| 68 | 278809-00 | 1 | CUSCINETTO | XJ | |||
| 69 | 248190-00 | 1 | ASS. IMPUGN. LATERAL | XJ | |||
| 70 | 248019-06 | 1 | SCATOLA INGRANAGGI | XJ | |||
| 836 | 559505-99 | 1 | PRESA | XJ | |||
| 837 | 559569-99 | 1 | PRESA | XJ |