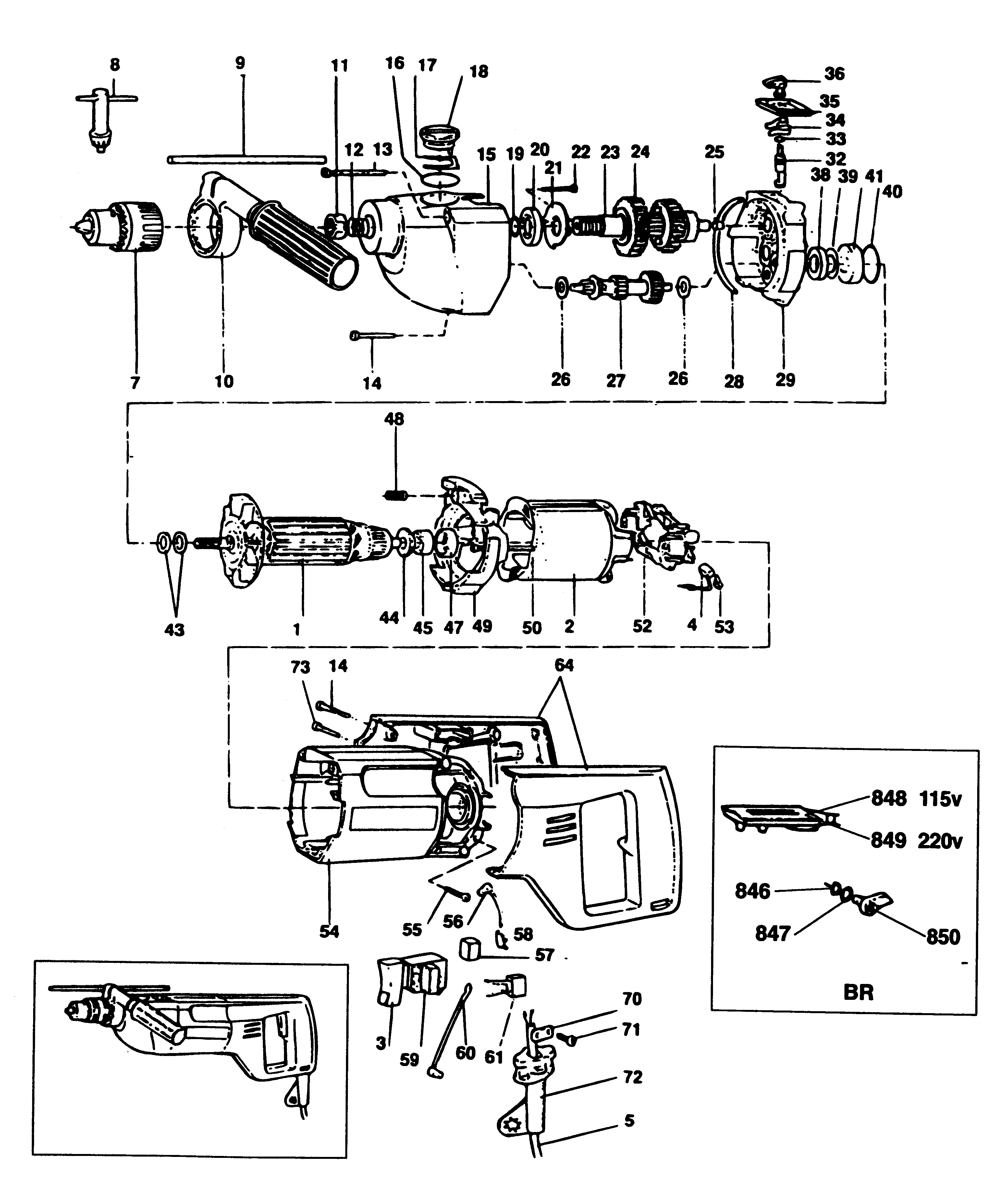
P2621 TRAPANO Type 1 | Disegni
Documenti
Si prega di visualizzare il menu a tendina dal momento che alcuni prodotti potrebbero avere più disegni
| Item No. | Product Number | Qty Per | Product Description | INFORMAZIONI | Altre informazioni | Markets | Product Status |
|---|---|---|---|---|---|---|---|
| 1 | 930434 | 1 | INDOTTO | BR 115V | CH | ||
| 1 | 930434 | 1 | INDOTTO | GB 115V | CH | ||
| 1 | 930434 | 1 | INDOTTO | AE-MX-VE-PA 115V | CH | ||
| 1 | 930154 | 1 | INDOTTO | GB 240V | CH | ||
| 1 | 930154 | 1 | INDOTTO | CH | |||
| 2 | 930436-00 | 1 | FIELD 115V | GB 115V | CH | ||
| 2 | 930436-00 | 1 | FIELD 115V | AE-MX-VE-PA 115V | CH | ||
| 2 | 930442 | 1 | FIELD 115V | BR 115V | CH | ||
| 2 | 930441-00 | 1 | FIELD 240V | GB 240V | CH | ||
| 2 | 868629-02 | 1 | STATORE | CH | |||
| 3 | 933190 | 1 | INTERRUTTORE | BR 115V | CH | ||
| 4 | 930897-00 | 2 | BRUSH 115-120V | BR 115V | CH | ||
| 4 | 930897-00 | 2 | BRUSH 115-120V | GB 115V | CH | ||
| 4 | 930897-00 | 2 | BRUSH 115-120V | AE-MX-VE-PA 115V | CH | ||
| 4 | 930151-00 | 2 | BRUSH 220V | GB 240V | CH | ||
| 4 | 930151-00 | 2 | BRUSH 220V | CH | |||
| 5 | 938109 | 1 | CAVO | AE-MX-VE-PA 115V | CH | ||
| 5 | 330060-03 | 1 | CAVO & SPINA | GB 240V | CH | ||
| 5 | 930217 | 1 | CAVO | CH | |||
| 5 | 949843-07 | 1 | CAVO | BR 115V | CH | ||
| 5 | 330061-04 | 1 | CORDSET (M/PLUG) | GB 115V | CH | ||
| 7 | 930010 | 1 | MANDRINO | BR 115V | CH | ||
| 7 | 330033-24 | 1 | CHUCK 13MM | GB 240V | CH | ||
| 7 | 330033-24 | 1 | CHUCK 13MM | GB 115V | CH | ||
| 7 | 330033-24 | 1 | CHUCK 13MM | AE-MX-VE-PA 115V | CH | ||
| 7 | 330033-24 | 1 | CHUCK 13MM | CH | |||
| 8 | 330034-07 | 1 | CHIAVE MANDRINO | CH | |||
| 9 | 930101 | 1 | ASTA DI PROFONDITA' | CH | |||
| 10 | 930281 | 1 | ASS. IMPUGNATURA | CH | |||
| 11 | 930129 | 1 | CONTRODADO | CH | |||
| 12 | 930096 | 1 | MOLLA | CH | |||
| 13 | 930082-01 | 2 | VITE | CH | |||
| 14 | 931297-00 | 2 | VITE | CH | |||
| 15 | 932802 | 1 | SCATOLA INGRANAGGI | CH | |||
| 16 | 932517 | 1 | GUARNIZIONE | CH | |||
| 17 | 932513 | 1 | MOLLA | CH | |||
| 19 | 930028-00 | 1 | ANELLO TOROIDALE | CH | |||
| 20 | 930037 | 1 | GUAINA DI PROTEZIONE | CH | |||
| 21 | 930107 | 1 | PIASTRA | CH | |||
| 22 | 930083 | 2 | VITE | CH | |||
| 23 | 932758 | 1 | MANDRINO CON ALBERO | CH | |||
| 24 | 932901 | 1 | ASS.MANDR.E ALBERINO | BR 115V | CH | ||
| 25 | 932514 | 1 | RONDELLA DI SPINTA | CH | |||
| 26 | 930102-00 | 2 | RONDELLA | CH | |||
| 27 | 931778 | 1 | ASS. INGR.E PIGNONE | CH | |||
| 28 | 930032 | 1 | GUARNIZIONE | CH | |||
| 29 | 932763 | 1 | ASS.COP.SCAT.INGR. | CH | |||
| 32 | 932586 | 1 | PERNO | CH | |||
| 33 | 932762 | 1 | ANELLO TOROIDALE | CH | |||
| 34 | 932782 | 1 | MOLLA | CH | |||
| 35 | 932504 | 1 | COPERTURA | CH | |||
| 36 | 932505 | 1 | SELETTORE | CH | |||
| 38 | 930033 | 1 | RONDELLA | CH | |||
| 39 | 930104 | 1 | RONDELLA | CH | |||
| 40 | 930039 | 1 | GUARNIZIONE | CH | |||
| 41 | 330003-06 | 1 | CUSCINETTO | CH | |||
| 42 | 930094 | 1 | ANELLO | CH | |||
| 43 | 930105 | 2 | RONDELLA | CH | |||
| 44 | 930051 | 1 | DISTANZIALE | CH | |||
| 45 | 330003-02 | 1 | CUSCINETTO | CH | |||
| 47 | 930275-00 | 1 | MANICOTTO | GB 240V | CH | ||
| 47 | 930275-00 | 1 | MANICOTTO | BR 115V | CH | ||
| 47 | 930275-00 | 1 | MANICOTTO | GB 115V | CH | ||
| 47 | 930275-00 | 1 | MANICOTTO | AE-MX-VE-PA 115V | CH | ||
| 47 | 930275-00 | 1 | MANICOTTO | CH | |||
| 48 | 932757 | 1 | MOLLA | CH | |||
| 49 | 930806 | 1 | LINGUETTA DI GUIDA | CH | |||
| 50 | 930077-00 | 2 | VITE | CH | |||
| 52 | 938856-00 | 1 | ASS.PORTASPAZZOLE | GB 115V | CH | ||
| 52 | 938856-00 | 1 | ASS.PORTASPAZZOLE | AE-MX-VE-PA 115V | CH | ||
| 52 | 930167-00 | 1 | ASS.PORTASPAZZOLE | GB 240V | CH | ||
| 52 | 930167-00 | 1 | ASS.PORTASPAZZOLE | CH | |||
| 52 | 937833 | 1 | ASS.PORTASPAZZOLE | BR 115V | CH | ||
| 53 | 930090-00 | 2 | MOLLA SPAZZOLE | CH | |||
| 55 | 930284-01 | 1 | VITE | CH | |||
| 56 | 930467 | 1 | CAVETTO | CH | |||
| 57 | 930439 | 1 | AMMORTIZATORE | CH | |||
| 58 | 930187 | 1 | CONNETTORE | CH | |||
| 59 | 930026 | 1 | SPUGNA | CH | |||
| 60 | 930468 | 1 | CAVETTO | CH | |||
| 61 | 930030 | 1 | CONDENSATORE | GB 240V | CH | ||
| 61 | 930030 | 1 | CONDENSATORE | CH | |||
| 61 | 949877-02 | 1 | CONDENSATORE | GB 115V | CH | ||
| 61 | 949877-02 | 1 | CONDENSATORE | AE-MX-VE-PA 115V | CH | ||
| 64 | 930215 | 1 | ASS. IMPUGNATURA | CH | |||
| 70 | 930103-00 | 1 | SERRAFILO | CH | |||
| 71 | 930276 | 2 | VITE | CH | |||
| 72 | 938498 | 1 | CORD PROTECTOR | CH | |||
| 73 | 930079-01 | 3 | VITE | CH | |||
| 74 | 933657-00 | 2 | CALOTTA | CH |