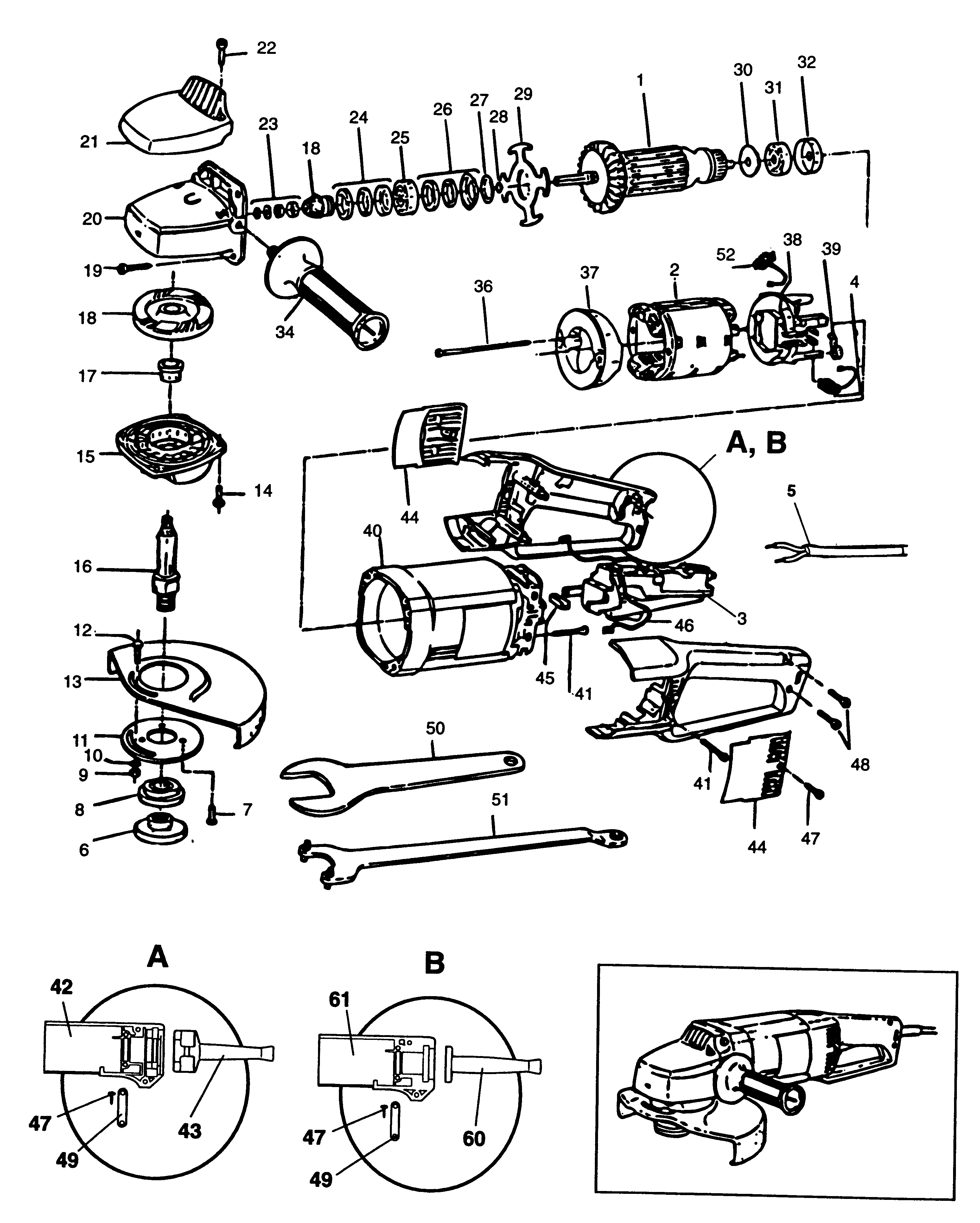
BD2023 SMERIGLIATRICE ANGOLARE Type 1 | Disegni
Documenti
Si prega di visualizzare il menu a tendina dal momento che alcuni prodotti potrebbero avere più disegni

Item No. | Product Number | Qty Per | Product Description | INFORMAZIONI | Altre informazioni | Markets | Product Status |
---|---|---|---|---|---|---|---|
1 | 931629-49 | 1 | ARMATURE 220/240V | CH | |||
2 | 940480-49 | 1 | STATORE | CH | |||
3 | 933369 | 1 | INTERRUTTORE | CH | |||
4 | 933373-00 | 1 | SPAZZOLE | CH | |||
4 | 933373-00 | 1 | SPAZZOLE | CH | |||
5 | 940278 | 1 | CAVO | CH | |||
6 | 931771 | 1 | FLANGIA | CH | |||
7 | 933355 | 3 | VITE | CH | |||
8 | 930927 | 1 | FLANGIA | CH | |||
9 | 860083-03 | 1 | DADO | CH | |||
10 | 930925 | 1 | RONDELLA | CH | |||
11 | 930929 | 1 | FLANGIA | CH | |||
12 | 949892-07 | 1 | VITE | CH | |||
13 | 931942-02 | 1 | GUARD 9" | CH | |||
14 | 949887-01 | 4 | VITE | CH | |||
15 | 933354-01 | 1 | COPERCHIO SCAT.INGR. | CH | |||
16 | 578243-00 | 1 | ALBERINO | CH | |||
17 | 930922 | 1 | DISTANZIALE | CH | |||
18 | 932522 | 1 | ASS. INGR.E PIGNONE | CH | |||
19 | 930930 | 4 | VITE | CH | |||
20 | 401048-00 | 1 | SCATOLA INGRANAGGI | CH | |||
21 | 933363-02 | 1 | COPERTURA | CH | |||
22 | 930240 | 2 | VITE | CH | |||
23 | 937098-49 | 1 | GRAFFA SA | CH | |||
24 | 930909 | 1 | ASS. GIARNIZIONE | CH | |||
25 | 330003-14 | 1 | CUSCINETTO | CH | |||
26 | 931067-00 | 1 | ASS. GIARNIZIONE | CH | |||
27 | 931062 | 1 | DISTANZIALE | CH | |||
28 | 930028-00 | 1 | ANELLO TOROIDALE | CH | |||
29 | 931066-00 | 1 | FLANGIA | CH | |||
30 | N174055 | 1 | DISTANZIALE | CH | |||
31 | 577745-00 | 1 | CUSCINETTO | CH | |||
32 | 938332-00 | 1 | MANICOTTO | CH | |||
34 | 939815 | 1 | ASS. IMPUGN. LATERAL | CH | |||
36 | 931072 | 2 | VITE | CH | |||
37 | 931073-00 | 1 | LINGUETTA DI GUIDA | CH | |||
38 | 935747 | 1 | ASS.PORTASPAZZOLE | CH | |||
39 | 931076-00 | 2 | MOLLA | CH | |||
40 | 948162-02 | 1 | ASS.CORPO MOTORE | CH | |||
41 | 931297-00 | 4 | VITE | CH | |||
42 | 935753-02 | 1 | ASS. IMPUGNATURA | CH | |||
43 | 931113-00 | 1 | CORD PROTECTOR | CH | |||
44 | 933364-02 | 2 | COPERTURA | CH | |||
45 | 930934-00 | 4 | AMMORTIZATORE | CH | |||
46 | 949801-47 | 2 | ASS. CAVETTO | CH | |||
47 | 931469-02 | 4 | VITE | CH | |||
48 | 930276 | 2 | VITE | CH | |||
49 | 931477-00 | 1 | SERRAFILO | CH | |||
51 | 938733 | 1 | CHIAVE | CH | |||
52 | 933373-00 | 1 | SPAZZOLE | CH | |||
52 | 933373-00 | 1 | SPAZZOLE | CH | |||
60 | 947964-01 | 1 | CORD PROTECTOR | CH | |||
61 | 401056-02 | 1 | ASS. IMPUGNATURA | CH |