9032 TRAPANO SENZA CAVO Type 1 | Disegni
Documenti
Si prega di visualizzare il menu a tendina dal momento che alcuni prodotti potrebbero avere più disegni
| Item No. | Product Number | Qty Per | Product Description | INFORMAZIONI | Altre informazioni | Markets | Product Status |
|---|---|---|---|---|---|---|---|
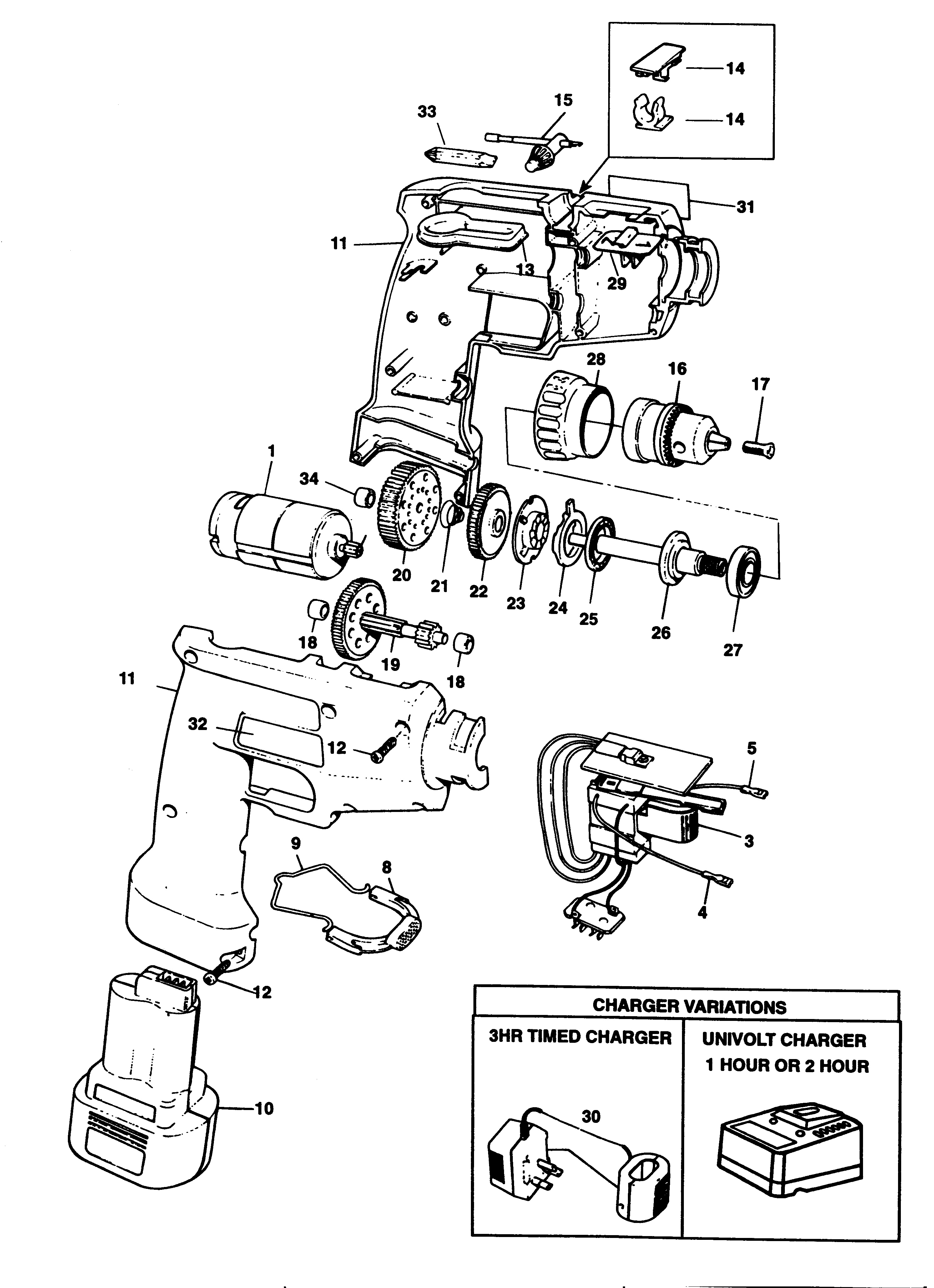
| 1 | 793531-03 | 1 | SG MOTORE | CH | |||
| 3 | 798328-02 | 1 | ASS. INTERRUTTORE | 9032 TYPES 5 - 6 | CH | ||
| 3 | 798328-02 | 1 | ASS. INTERRUTTORE | 9032 TYPES 1 - 4 | CH | ||
| 4 | 839853 | 1 | LEAD SA BLACK | CH | |||
| 5 | 844831 | 1 | LEAD SA RED | CH | |||
| 8 | 144500-00 | 1 | CHIAVISTELLO | CH | |||
| 9 | 144501-00 | 1 | MOLLA | CH | |||
| 11 | 807751 | 1 | CORPO | 9032 TYPES 5 - 6 | CH | ||
| 11 | 807751 | 1 | CORPO | 9032 TYPES 1 - 4 | CH | ||
| 11 | 807751 | 1 | CORPO | 9015 / 9017 | CH | ||
| 11 | 807752 | 1 | CORPO | 9042 TYPES 1 - 4 | CH | ||
| 11 | 807752 | 1 | CORPO | 9042 TYPES 5 - 6 | CH | ||
| 12 | 330013-04 | 8 | VITE | CH | |||
| 13 | 792684 | 1 | ANELLO DI TENUTA | CH | |||
| 14 | 450315-00 | 1 | HOLDER CHUCK KEY | CHUCK S2A | CH | ||
| 14 | 450315-00 | 1 | HOLDER CHUCK KEY | CHUCK NON S2A | CH | ||
| 15 | 330034-00 | 1 | CHUCK KEY 10MM | CHUCK NON S2A | CH | ||
| 15 | 330034-07 | 1 | CHIAVE MANDRINO | CHUCK S2A | CH | ||
| 16 | 330033-15 | 1 | CHUCK 10MM | CHUCK S2A | CH | ||
| 16 | 847430 | 1 | CHUCK 10MM | CHUCK NON S2A | CH | ||
| 16 | 798723-01 | 1 | MANDRINO SENZA CHIA. | CHUCK KEYLESS | CH | ||
| 17 | 805434 | 1 | SCREW.SPECIAL | CH | |||
| 18 | 450311-00 | 2 | CUSCINETTO | CH | |||
| 19 | 832484-03 | 1 | ASS. INGRAN.RINVIO | CH | |||
| 20 | 147699-00 | 1 | INGRANAGGI | CH | |||
| 21 | 792873 | 1 | MOLLA | CH | |||
| 22 | 748204-01 | 1 | ASS. INGRANAGGI | CH | |||
| 23 | 748212 | 1 | DENTE D'ARR. FISSO | CH | |||
| 24 | 832500 | 1 | CAMMA | CH | |||
| 25 | 892261 | 1 | CUSCINETTO | CH | |||
| 26 | 832483-49 | 1 | ALBERO IN USCITA | CH | |||
| 28 | 832499 | 1 | COLLARE | CH | |||
| 29 | 832496 | 1 | SELETTORE | CH | |||
| 30 | 844810-01 | 1 | ASS. CARICABATTERIEA | GB - TYPES 5 - 6 | CH | ||
| 30 | 839747 | 1 | CHARGER SA 9032 | GB - TYPES 1 - 4 | CH | ||
| 30 | 839711 | 1 | ASS. CARICABATTERIEA | CH | |||
| 33 | 297757-02 | 1 | BIT PHILLIPS | GB - TYPES 1 - 4 | CH | ||
| 33 | 297757-02 | 1 | BIT PHILLIPS | GB - TYPES 5 - 6 | CH | ||
| 33 | 297757-02 | 1 | BIT PHILLIPS | GB - TYPES 1 - 4 | CH | ||
| 33 | 297757-02 | 1 | BIT PHILLIPS | GB - TYPES 5 - 6 | CH | ||
| 33 | 297757-02 | 1 | BIT PHILLIPS | CH | |||
| 34 | 147700-00 | 1 | CUSCINETTO | CH |