P4111L SEGA UNIVERSALE Type 1-2 | Disegni
Documenti
Si prega di visualizzare il menu a tendina dal momento che alcuni prodotti potrebbero avere più disegni
| Item No. | Product Number | Qty Per | Product Description | INFORMAZIONI | Altre informazioni | Markets | Product Status |
|---|---|---|---|---|---|---|---|
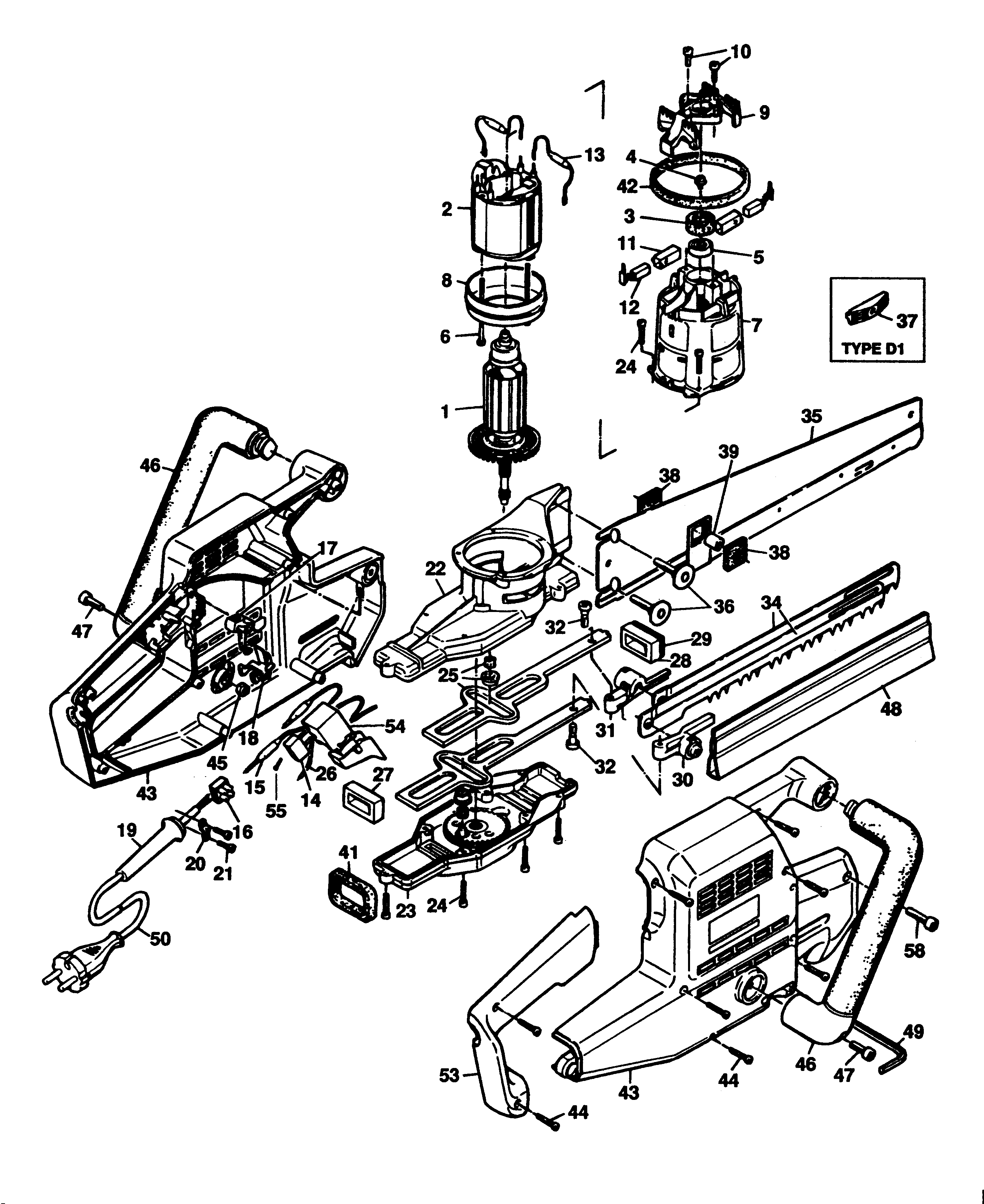
| 1 | 369453-04 | 1 | ARMATURE 230V | P4111G - IT | XJ | ||
| 1 | 369453-04 | 1 | ARMATURE 230V | P4111G - DE | XJ | ||
| 1 | 369453-04 | 1 | ARMATURE 230V | P4111G - AU-NZ | XJ | ||
| 1 | 369453-06 | 1 | ARMATURE 115V | P4111L - GB | XJ | ||
| 2 | 373007-17 | 1 | FIELD 115V | P4111L - GB | XJ | ||
| 2 | 373007-15 | 1 | FIELD 230V | P4111G - IT | XJ | ||
| 2 | 373007-15 | 1 | FIELD 230V | P4111G - DE | XJ | ||
| 2 | 373007-15 | 1 | FIELD 230V | P4111G - AU-NZ | XJ | ||
| 3 | 911897 | 1 | PORTAUTENSILE | XJ | |||
| 4 | 322491 | 1 | VITE | XJ | |||
| 5 | 330003-19 | 1 | CUSCINETTO | XJ | |||
| 6 | 916231 | 2 | VITE | XJ | |||
| 7 | 322330 | 1 | CORPO MOTORE | XJ | |||
| 8 | 916128 | 1 | BAFFLE FAN | XJ | |||
| 9 | 322894 | 1 | PONTE | XJ | |||
| 10 | 894748 | 2 | ANELLO TOROIDALE | XJ | |||
| 11 | 321337 | 2 | PORTASPAZZOLE | XJ | |||
| 12 | 322950 | 2 | BRUSH 230V | P4111G - IT | XJ | ||
| 12 | 322950 | 2 | BRUSH 230V | P4111G - DE | XJ | ||
| 12 | 322950 | 2 | BRUSH 230V | P4111G - AU-NZ | XJ | ||
| 12 | 324055-00 | 2 | BRUSH & HOLDER 115V | P4111L - GB | XJ | ||
| 13 | 917912-07 | 2 | INDUTTANZA | XJ | |||
| 14 | 321384 | 1 | CONDENSATORE | XJ | |||
| 17 | 322369-00 | 1 | LEVA | XJ | |||
| 18 | 323136 | 1 | LEVA | XJ | |||
| 19 | 859013 | 1 | MANICOTTO | XJ | |||
| 20 | 821070 | 1 | SERRAFILO | XJ | |||
| 21 | D911324 | 2 | VITE | XJ | |||
| 22 | 324817-00 | 1 | SCATOLA INGRANAGGI | TYPE 2 | XJ | ||
| 23 | 322667 | 1 | SCATOLA INGRANAGGI | XJ | |||
| 24 | 810091-00 | 11 | SCREW.SPECIAL | POST WEEK 9449 | XJ | ||
| 24 | 320601-02 | 11 | VITE | PRE WEEK 9449 | XJ | ||
| 25 | 1008559-01 | 1 | KIT RIPARAZIONE | XJ | |||
| 26 | 878756 | 2 | LEAD 200MM BLACK | P4111G - IT | XJ | ||
| 26 | 878756 | 2 | LEAD 200MM BLACK | P4111G - DE | XJ | ||
| 26 | 878756 | 2 | LEAD 200MM BLACK | P4111G - AU-NZ | XJ | ||
| 26 | 878756 | 2 | LEAD 200MM BLACK | P4111L - GB | XJ | ||
| 27 | 322377 | 1 | CUSCINETTO | XJ | |||
| 29 | 325990-00 | 1 | GUARNIZIONE | XJ | |||
| 30 | 368469-00 | 1 | ASS. MORSETT.DESTRO | XJ | |||
| 31 | 368470-00 | 1 | ASS. MORSETT.SINISTR | XJ | |||
| 32 | 495253-00 | 2 | KIT RIPARAZIONE | XJ | |||
| 35 | 325334-00 | 1 | BARRA | TYPE 2 | XJ | ||
| 35 | 325334-00 | 1 | BARRA | TYPE 1 | XJ | ||
| 36 | 322928 | 2 | VITE | TYPE 1 | XJ | ||
| 36 | 324776-00 | 2 | VITE | TYPE 2 | XJ | ||
| 37 | 324904-49 | 2 | DISTANZIALE | TYPE 1 | XJ | ||
| 38 | 322661 | 2 | INSERTO | XJ | |||
| 39 | 322662 | 1 | DISTANZIALE | XJ | |||
| 41 | 322659 | 1 | INSERTO | XJ | |||
| 42 | 322660 | 1 | INSERTO | XJ | |||
| 43 | 325602-06 | 1 | ASS. CORPO | TYPE 1 | XJ | ||
| 43 | 325602-06 | 1 | ASS. CORPO | TYPE 2 | XJ | ||
| 43 | 325602-06 | 1 | ASS. CORPO | TYPE 1 | XJ | ||
| 43 | 325602-06 | 1 | ASS. CORPO | TYPE 2 | XJ | ||
| 44 | 911325 | 9 | VITE | XJ | |||
| 45 | 911018 | 2 | DADO | XJ | |||
| 46 | 323142 | 2 | HANDLE | XJ | |||
| 47 | 911281 | 2 | VITE | XJ | |||
| 48 | 259680 | 1 | PROTEZIONE | XJ | |||
| 49 | 098000-11 | 1 | CHIAVE ESAGONALE | XJ | |||
| 50 | N571221 | 1 | CORDSET (EURO) | P4111G - DE | XJ | ||
| 50 | 330080-31 | 1 | CAVO CON SPINA | CH | P4111G - IT | XJ | |
| 50 | 324438-38 | 1 | CAVO CON SPINA | P4111G - AU-NZ | XJ | ||
| 50 | 330061-05 | 1 | CORDSET (M/PLUG) | P4111L - GB | XJ | ||
| 53 | 322363-03 | 1 | COPERTURA | XJ | |||
| 54 | 326568-00 | 1 | INTERRUTTORE | XJ | |||
| 55 | 911026 | 4 | VITE | XJ | |||
| 58 | 322928 | 1 | VITE | XJ |