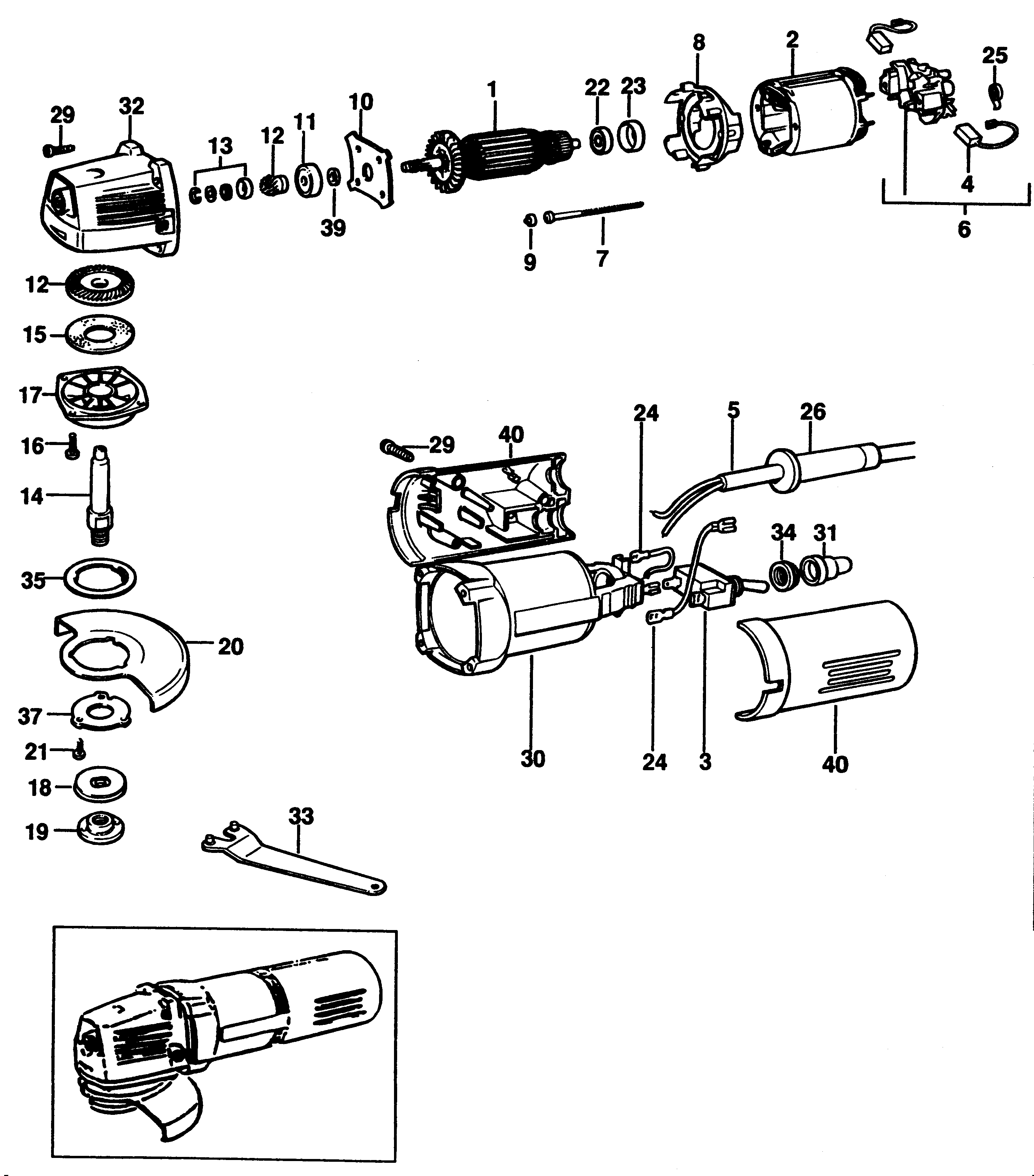
P5404B SMERIGLIATRICE ANGOLARE Type 1 | Disegni
Documenti
Si prega di visualizzare il menu a tendina dal momento che alcuni prodotti potrebbero avere più disegni
| Item No. | Product Number | Qty Per | Product Description | INFORMAZIONI | Altre informazioni | Markets | Product Status |
|---|---|---|---|---|---|---|---|
| 1 | 949846-02 | 1 | INDOTTO | SG-IN 220V | XJ | ||
| 1 | 949846-03 | 1 | ARMATURE 115V | SG 115V | XJ | ||
| 2 | 949847-09 | 1 | FIELD 115V | SG 115V | XJ | ||
| 2 | 949847-08 | 1 | STATORE | SG-IN 220V | XJ | ||
| 4 | 939539-00 | 2 | SPAZZOLA AUTOESPELL. | SG 115V | XJ | ||
| 4 | 939539-01 | 2 | SPAZZOLA AUTOESPELL. | SG-IN 220V | XJ | ||
| 5 | 935074-01 | 1 | CAVO | XJ | |||
| 6 | 938856-00 | 1 | ASS.PORTASPAZZOLE | SG 115V | XJ | ||
| 6 | 930167-00 | 1 | ASS.PORTASPAZZOLE | SG-IN 220V | XJ | ||
| 7 | 930077-00 | 2 | VITE | XJ | |||
| 8 | 946134-00 | 1 | LINGUETTA DI GUIDA | XJ | |||
| 9 | 933657-00 | 2 | CALOTTA | XJ | |||
| 11 | 577745-00 | 1 | CUSCINETTO | XJ | |||
| 12 | 932592 | 1 | INGRANAG. & PIGNONE | XJ | |||
| 13 | 937668 | 1 | ASS. ANELLO ELASTICO | XJ | |||
| 14 | 946412-00 | 1 | ALBERINO | XJ | |||
| 15 | 946418-00 | 1 | FELTRO | XJ | |||
| 16 | 930770-00 | 4 | VITE | XJ | |||
| 17 | 944055 | 1 | ASS.COP.SCAT.INGR. | XJ | |||
| 18 | 659110-00 | 1 | FLANGIA INTERNA | P5404B | XJ | ||
| 18 | 391968-00 | 1 | FLANGIA INTERNA | P5404 A4 | XJ | ||
| 19 | 947467-00 | 1 | FLANGIA ESTERNA | P5404B | XJ | ||
| 19 | 947214-00 | 1 | FLANGIA ESTERNA | P5404 A4 | XJ | ||
| 21 | 930251-00 | 3 | VITE | XJ | |||
| 22 | 330003-34 | 1 | CUSCINETTO | XJ | |||
| 23 | 930029-00 | 1 | HOLDER BEARING | XJ | |||
| 24 | 940521 | 1 | CAVETTO | XJ | |||
| 25 | 930090-00 | 2 | MOLLA SPAZZOLE | XJ | |||
| 26 | 949835-01 | 1 | MANICOTTO | XJ | |||
| 29 | 930079-01 | 7 | VITE | XJ | |||
| 31 | 940522 | 1 | COPERTURA | XJ | |||
| 32 | 946462-00 | 1 | SCATOLA INGRANAGGI | XJ | |||
| 33 | 947830-03 | 1 | CHIAVE SPECIALE | XJ | |||
| 34 | 940520 | 1 | CALOTTA | XJ | |||
| 35 | 938272 | 1 | ANELLO | XJ | |||
| 39 | 930753-00 | 1 | RONDELLA | XJ | |||
| 40 | 946153-00 | 1 | HANDLE | XJ |