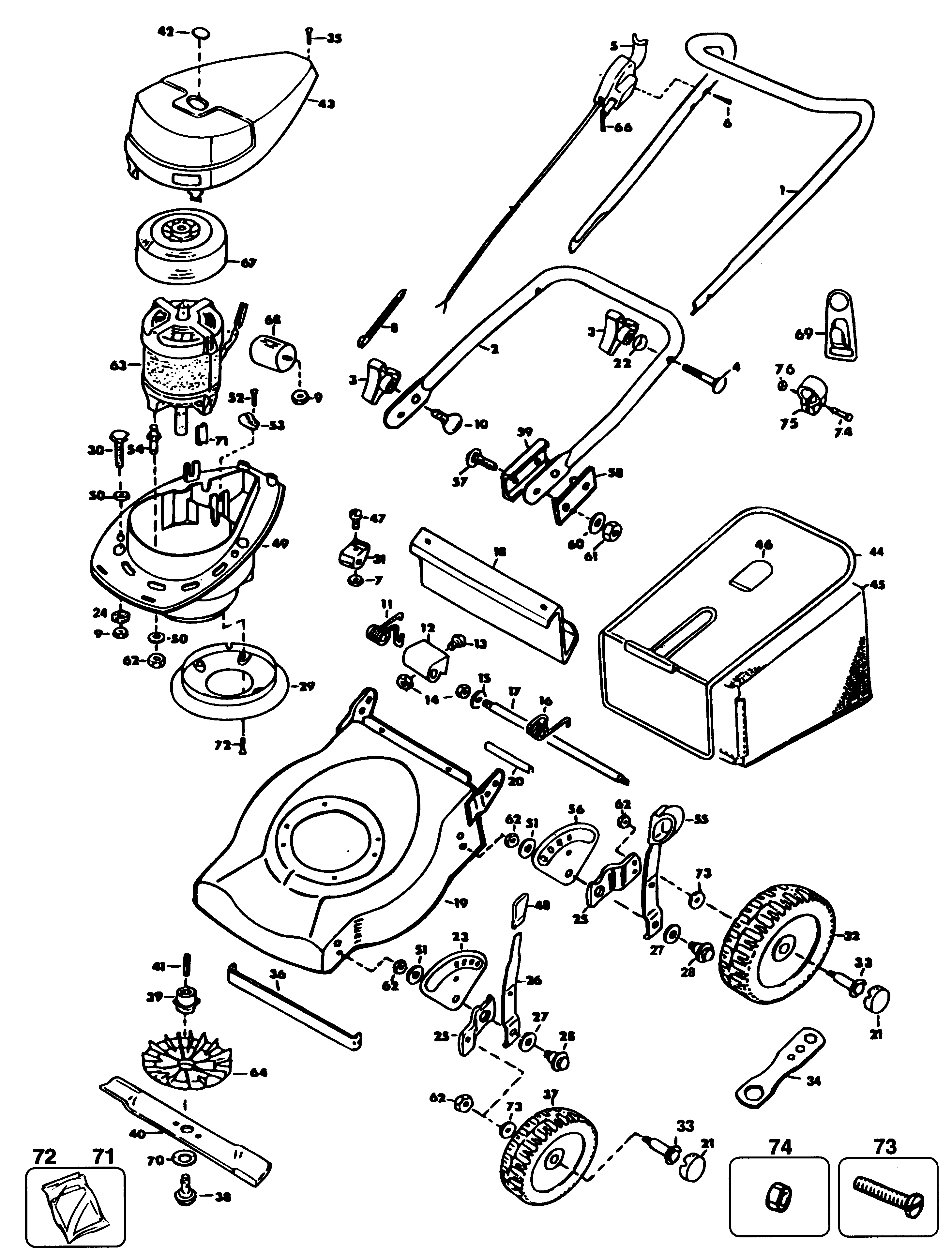
GR530 FALCIATRICE ROTANTE Type 2 | Disegni
Documenti
Si prega di visualizzare il menu a tendina dal momento che alcuni prodotti potrebbero avere più disegni
| Item No. | Product Number | Qty Per | Product Description | INFORMAZIONI | Altre informazioni | Markets | Product Status |
|---|---|---|---|---|---|---|---|
| 2 | 278177-00 | 1 | HANDLE | CH | |||
| 3 | 278194-00 | 2 | LOCK-NUT | CH | |||
| 4 | 155812500 | 2 | VITE | CH | |||
| 5 | 278287-00 | 1 | ASS. INTERRUTTORE | CH | |||
| 7 | 278149-00 | 2 | DADO | CH | |||
| 8 | 278055-00 | 2 | CONNESSIONE | CH | |||
| 9 | 278151-00 | 3 | DADO | CH | |||
| 10 | 278112-00 | 1 | VITE | CH | |||
| 11 | 278053-00 | 1 | MOLLA DESTRA | CH | |||
| 13 | 860085-13 | 1 | VITE | CH | |||
| 14 | 278150-00 | 2 | DADO | CH | |||
| 15 | 278153-00 | 1 | RONDELLA | CH | |||
| 16 | 278052-00 | 1 | MOLLA SINISTRA | CH | |||
| 17 | 278163-00 | 1 | ASSE | CH | |||
| 18 | 278159-00 | 1 | PIANO CERNIER. POST. | CH | |||
| 19 | 278197-00 | 1 | COPERTURA FRESA | CH | |||
| 20 | 278180-00 | 1 | MANICOTTO | CH | |||
| 21 | 278117-00 | 4 | CALOTTA | CH | |||
| 24 | 278148-00 | 5 | RONDELLA | CH | |||
| 26 | 278196-00 | 2 | LEVA | CH | |||
| 28 | 278064-00 | 4 | VITE | CH | |||
| 29 | 278129-00 | 1 | LINGUETTA DI GUIDA | CH | |||
| 30 | 860085-03 | 3 | BULLONE | CH | |||
| 31 | 278069-00 | 2 | GIUNTO | CH | |||
| 32 | 278116-00 | 2 | WHEEL 200 MM | CH | |||
| 33 | 278118-00 | 4 | FUSO RUOTA | CH | |||
| 34 | 278178-00 | 1 | CHIAVE | CH | |||
| 37 | 278114-00 | 2 | RUOTA | CH | |||
| 38 | 278200-00 | 1 | BULLONE A LAMA | CH | |||
| 39 | 278169-00 | 1 | LAMA INCASTELLATURA | CH | |||
| 41 | 278054-00 | 1 | CHIAVE | CH | |||
| 42 | 278094-00 | 1 | COPERTURA | CH | |||
| 43 | 278131-00 | 1 | COPERTURA | CH | |||
| 44 | 278119-00 | 1 | SOSTEGNOSACCO | CH | |||
| 45 | 278066-00 | 1 | SACCO RACCOGLIERBA | CH | |||
| 46 | 278104-00 | 1 | HANDLE | CH | |||
| 47 | 278146-00 | 1 | VITE | CH | |||
| 48 | 278160-00 | 2 | GANASCIA | CH | |||
| 49 | 278132-00 | 1 | INCASTELLATURA | CH | |||
| 50 | 278155-00 | 3 | RONDELLA | CH | |||
| 51 | 278158-00 | 4 | RONDELLA | CH | |||
| 52 | 278130-00 | 1 | VITE | CH | |||
| 53 | 278093-00 | 1 | SERRAFILO PER CAVO | CH | |||
| 54 | 278185-00 | 3 | PRIGIONIERO | CH | |||
| 55 | 278195-00 | 2 | LEVA | CH | |||
| 57 | 860301-01 | 1 | VITE | CH | |||
| 58 | 278109-00 | 1 | ISOLANTE | CH | |||
| 59 | 278110-00 | 1 | PIASTRA | CH | |||
| 60 | 278156-00 | 1 | WASHER M8 | CH | |||
| 61 | 278152-00 | 1 | DADO | CH | |||
| 62 | 278057-00 | 4 | DADO | CH | |||
| 63 | 278288-00 | 1 | SG MOTORE | CH | |||
| 64 | 278088-00 | 1 | VENTOLA | CH | |||
| 67 | 278598-00 | 1 | VENTOLA | CH | |||
| 68 | 278140-00 | 1 | CONDENSATORE | CH | |||
| 69 | 278277-00 | 1 | SERRAFILO PER CAVO | CH | |||
| 70 | 278125-00 | 3 | MOLLA | CH | |||
| 72 | 278056-00 | 4 | VITE | CH | |||
| 73 | 278113-00 | 4 | RONDELLA | CH | |||
| 74 | 941606-00 | 1 | VITE | CH | |||
| 75 | 278265-00 | 1 | REGOLATORE | CH | |||
| 76 | 278311-00 | 1 | DADO | CH |