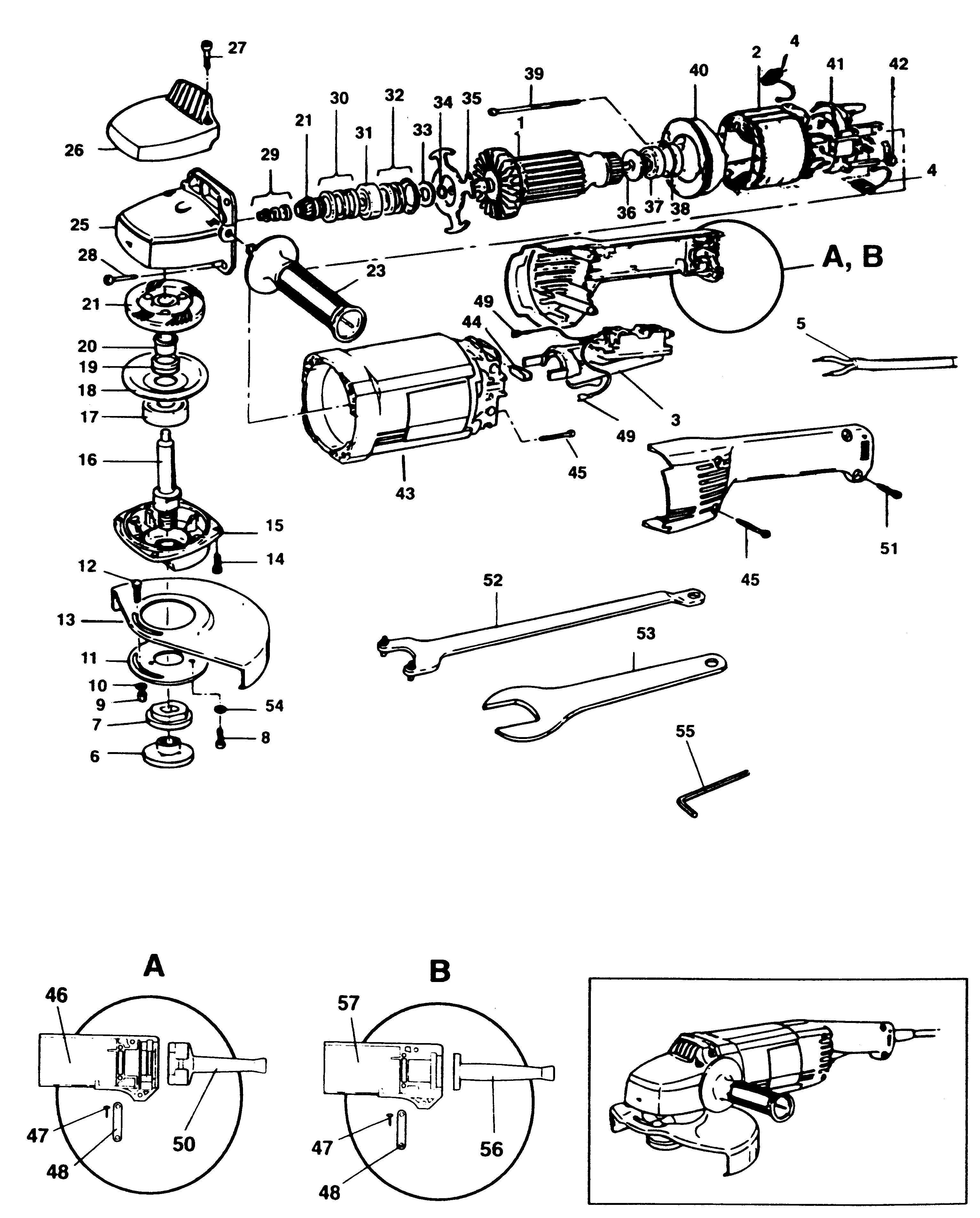
P5923 SMERIGLIATRICE ANGOLARE Type 1 | Disegni
Documenti
Si prega di visualizzare il menu a tendina dal momento che alcuni prodotti potrebbero avere più disegni
| Item No. | Product Number | Qty Per | Product Description | INFORMAZIONI | Altre informazioni | Markets | Product Status |
|---|---|---|---|---|---|---|---|
| 1 | 940607-49 | 1 | INDOTTO | AE-MX-PA-VE 115V | CH | ||
| 1 | 940607-49 | 1 | INDOTTO | GB 115V | CH | ||
| 1 | 930962-49 | 1 | ARMATURE 220/240V | GB 240V | CH | ||
| 1 | 930962-49 | 1 | ARMATURE 220/240V | CH | |||
| 2 | 868531-00 | 1 | FIELD 115V | AE-MX-PA-VE 115V | CH | ||
| 2 | 868531-00 | 1 | FIELD 115V | GB 115V | CH | ||
| 2 | 940483-49 | 1 | FIELD 230V | CH | |||
| 2 | 868531-02 | 1 | FIELD 230V | GB 240V | CH | ||
| 3 | 949825-08 | 1 | INTERRUTTORE | GB 115V | CH | ||
| 3 | 949825-06 | 1 | INTERRUTTORE | AE-MX-PA-VE 115V | CH | ||
| 3 | 949825-05 | 1 | INTERRUT.LOCK-OFF | GB 240V | CH | ||
| 3 | 949825-05 | 1 | INTERRUT.LOCK-OFF | CH | |||
| 4 | 940160-01 | 2 | SPAZZOLA AUTOESPELL. | 230V | CH | ||
| 4 | 940160-00 | 2 | SPAZZOLA AUTOESPELL. | CUT-OFF | AE-MX-PA-VE 115V | CH | |
| 4 | 940160-00 | 2 | SPAZZOLA AUTOESPELL. | CUT-OFF | GB 115V | CH | |
| 5 | 949770-12 | 1 | CAVO & SPINA | GB 240V | CH | ||
| 5 | 931481 | 1 | CAVO | CH | |||
| 5 | 933230 | 1 | CAVO | AE-MX-PA-VE 115V | CH | ||
| 5 | 949770-32 | 1 | CAVO | GB 115V | CH | ||
| 6 | 931771 | 1 | FLANGIA | CH | |||
| 7 | 930927 | 1 | FLANGIA | CH | |||
| 8 | 933058-00 | 3 | VITE | CH | |||
| 9 | 860083-03 | 1 | DADO | CH | |||
| 10 | 930925 | 1 | RONDELLA | CH | |||
| 11 | 930929 | 1 | FLANGIA | CH | |||
| 12 | 949892-07 | 1 | VITE | CH | |||
| 13 | 931942-02 | 1 | GUARD 9" | CH | |||
| 14 | 949887-01 | 4 | VITE | CH | |||
| 15 | 947962-00 | 1 | COPERCHIO SCAT.INGR. | CH | |||
| 16 | 578243-00 | 1 | ALBERINO | CH | |||
| 17 | 930566 | 1 | CUSCINETTO | CH | |||
| 18 | 930924 | 1 | FLANGIA | CH | |||
| 19 | 930923 | 1 | GUARNIZIONE | CH | |||
| 20 | 930922 | 1 | DISTANZIALE | CH | |||
| 21 | 932522 | 1 | ASS. INGR.E PIGNONE | CH | |||
| 23 | 939815 | 1 | ASS. IMPUGN. LATERAL | CH | |||
| 25 | 933352 | 1 | SCATOLA INGRANAGGI | CH | |||
| 26 | 933363-01 | 1 | COPERTURA | CH | |||
| 27 | 930240 | 2 | VITE | CH | |||
| 28 | 930930 | 4 | VITE | CH | |||
| 29 | 937098-49 | 1 | GRAFFA SA | CH | |||
| 30 | 930909 | 1 | ASS. GIARNIZIONE | CH | |||
| 31 | 330003-14 | 1 | CUSCINETTO | CH | |||
| 32 | 931067-00 | 1 | ASS. GIARNIZIONE | CH | |||
| 33 | 931062 | 1 | DISTANZIALE | CH | |||
| 34 | 930028-00 | 1 | ANELLO TOROIDALE | CH | |||
| 35 | 931066-00 | 1 | FLANGIA | CH | |||
| 36 | N174055 | 1 | DISTANZIALE | CH | |||
| 37 | 577745-00 | 1 | CUSCINETTO | CH | |||
| 38 | 938332-00 | 1 | MANICOTTO | CH | |||
| 39 | N412453 | 2 | VITE | CH | |||
| 40 | 931073-00 | 1 | LINGUETTA DI GUIDA | CH | |||
| 41 | 935746 | 1 | ASS.PORTASPAZZOLE | AE-MX-PA-VE 115V | CH | ||
| 41 | 935746 | 1 | ASS.PORTASPAZZOLE | GB 115V | CH | ||
| 41 | 935746 | 1 | ASS.PORTASPAZZOLE | AE-MX-PA-VE 115V | CH | ||
| 41 | 935746 | 1 | ASS.PORTASPAZZOLE | GB 115V | CH | ||
| 41 | D935745 | 1 | ASS.PORTASPAZZOLE | GB 240V | CH | ||
| 41 | D935745 | 1 | ASS.PORTASPAZZOLE | CH | |||
| 42 | 931076-00 | 2 | MOLLA | CH | |||
| 43 | 948134-09 | 1 | ASS.CORPO MOTORE | CH | |||
| 44 | 930934-00 | 4 | AMMORTIZATORE | CH | |||
| 45 | 931297-00 | 4 | VITE | CH | |||
| 47 | 931469-02 | 2 | VITE | CH | |||
| 48 | 931477-00 | 1 | SERRAFILO | CH | |||
| 49 | 949801-47 | 2 | ASS. CAVETTO | GB 240V | CH | ||
| 49 | 949801-47 | 2 | ASS. CAVETTO | AE-MX-PA-VE 115V | CH | ||
| 49 | 949801-47 | 2 | ASS. CAVETTO | GB 115V | CH | ||
| 49 | 949801-47 | 2 | ASS. CAVETTO | CH | |||
| 50 | 930981-00 | 1 | CORD PROTECTOR | GB 240V | CH | ||
| 50 | 930981-00 | 1 | CORD PROTECTOR | AE-MX-PA-VE 115V | CH | ||
| 50 | 931113-00 | 1 | CORD PROTECTOR | CH | |||
| 50 | 937325-00 | 1 | CORD PROTECTOR | GB 115V | CH | ||
| 51 | 930284-01 | 2 | VITE | CH | |||
| 52 | 938733 | 1 | CHIAVE | CH | |||
| 54 | 932369 | 3 | RONDELLA | CH | |||
| 55 | 807043 | 1 | CHIAVE INGLESE | 4mm | CH | ||
| 56 | 947964-00 | 1 | CORD PROTECTOR | GB 115V | CH | ||
| 56 | 947964-01 | 1 | CORD PROTECTOR | GB 240V | CH | ||
| 56 | 947964-01 | 1 | CORD PROTECTOR | AE-MX-PA-VE 115V | CH | ||
| 56 | 947964-01 | 1 | CORD PROTECTOR | CH |