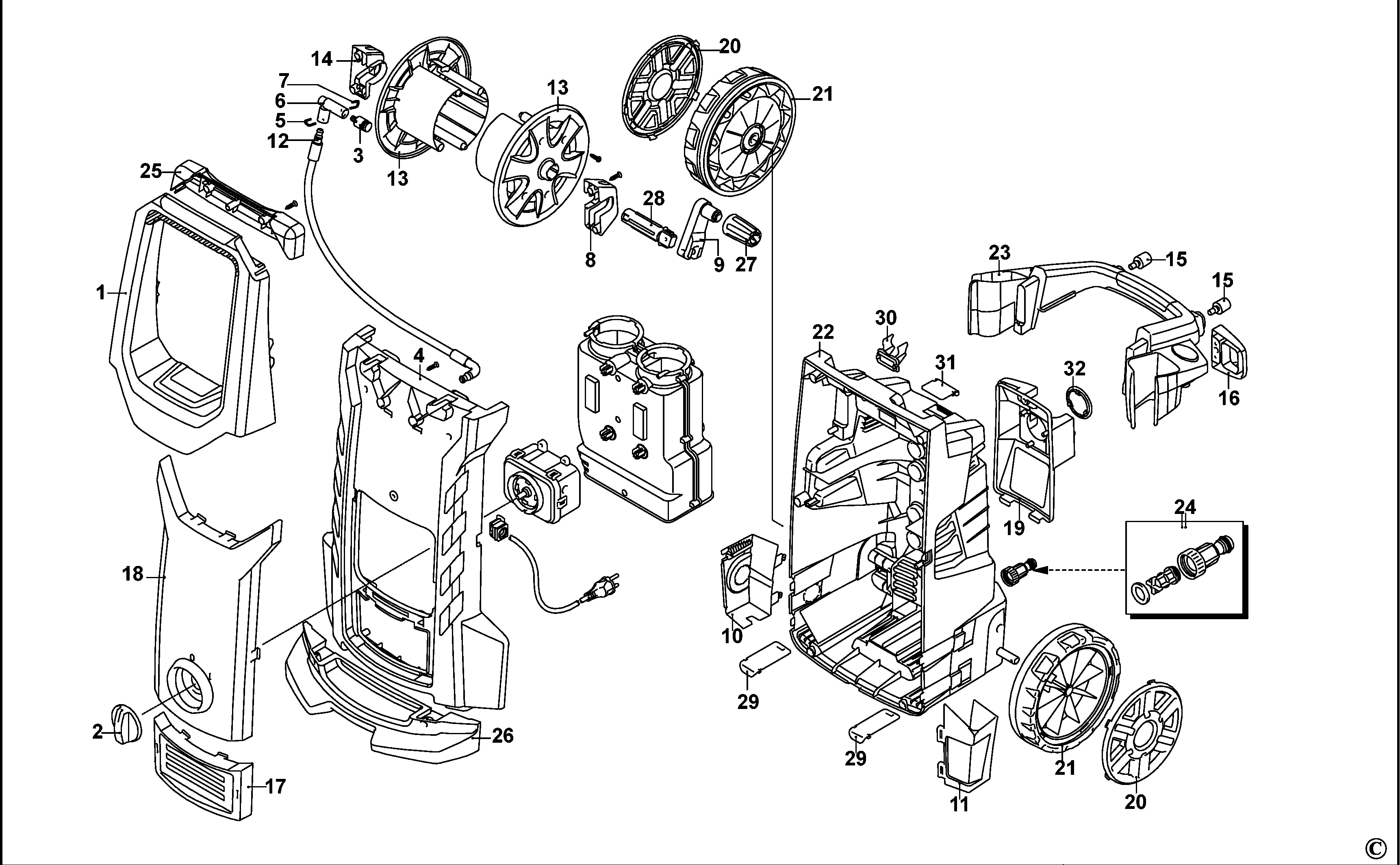
SXPW27DTS-E IDROPULITRICE Type 1 | Disegni
Documenti
Si prega di visualizzare il menu a tendina dal momento che alcuni prodotti potrebbero avere più disegni
| Item No. | Product Number | Qty Per | Product Description | INFORMAZIONI | Altre informazioni | Markets | Product Status |
|---|---|---|---|---|---|---|---|
| 1 | 4381020 | 1 | MANICO SUPERIORE | QS | |||
| 2 | 4381120 | 1 | MANOPOLA | QS | |||
| 3 | 4101030 | 1 | SPINA | QS | |||
| 4 | 4380970 | 1 | COPERTURA | QS | |||
| 5 | 4101520 | 1 | FORCELLA | QS | |||
| 6 | 1004744-84 | 1 | GIUNTO | QS | |||
| 7 | 3081650 | 1 | FORCELLA | QS | |||
| 8 | 4381160 | 1 | STAFFA | QS | |||
| 9 | 4381190 | 1 | LEVA | QS | |||
| 10 | 4381070 | 1 | BRIDA | QS | |||
| 11 | 4381060 | 1 | BRIDA | QS | |||
| 12 | 4581060 | 1 | TUBO FLESSIBILE | QS | |||
| 13 | 4381840 | 2 | PIASTRA | QS | |||
| 14 | 4381170 | 1 | STAFFA | QS | |||
| 15 | 1004712-16 | 2 | PIEDE | QS | |||
| 16 | 4381050 | 1 | HANDLE | QS | |||
| 17 | 4383160 | 1 | PROTEZIONE | QS | |||
| 18 | 4380980 | 1 | PROTEZIONE | QS | |||
| 19 | 4381040 | 1 | COPERTURA | QS | |||
| 20 | 4381110 | 2 | PROTEZIONE | QS | |||
| 21 | 4381100 | 2 | RUOTA | QS | |||
| 22 | 4380960 | 1 | ASS. BASE | QS | |||
| 23 | 4380230 | 1 | BRIDA | QS | |||
| 24 | 1004700-77 | 1 | ASS. ATTACCO | QS | |||
| 25 | 4381030 | 1 | HANDLE | QS | |||
| 26 | 4381230 | 1 | PIEDE | QS | |||
| 27 | 4381180 | 1 | MANOPOLA | QS | |||
| 28 | 4381200 | 1 | PERNO | QS | |||
| 29 | 4383050 | 2 | PROTEZIONE | QS | |||
| 30 | 4383110 | 1 | BRIDA | QS | |||
| 31 | 4383100 | 1 | PROTEZIONE | QS | |||
| 32 | 4383090 | 1 | SPINA | QS | |||
| 33 | 4383070 | 1 | SUPPORTO | QS | |||
| 34 | 4580650 | 1 | CORPO | QS | |||
| 35 | 4580660 | 1 | ANELLO PREMISTOPPA | QS | |||
| 36 | 4580920 | 1 | KIT | QS | |||
| 37 | 4383060 | 1 | SUPPORTO | QS | |||
| 38 | 4580900 | 1 | KIT | QS | |||
| 39 | 4580640 | 1 | CORPO | QS | |||
| 40 | 4380180 | 2 | PROTEZIONE | QS | |||
| 41 | 4383130 | 1 | SUPPORTO | QS | |||
| 42 | 4580870 | 4 | PIEDE | QS | |||
| 43 | 4383080 | 1 | PROTEZIONE | QS | |||
| 44 | 4580840 | 1 | PROTEZIONE | QS | |||
| 45 | 1004512-06 | 1 | KIT SPAZZOLE | QS | |||
| 46 | 4581040 | 1 | ASS. POMPA | QS | |||
| 47 | 4580950 | 1 | SPINA | QS | |||
| 48 | 1004512-11 | 2 | KIT PISTONE E GUARNIZIONI | QS | |||
| 49 | 1004512-12 | 2 | KIT GUARNIZIONI E VALVOLE | QS | |||
| 50 | 4580970 | 1 | ASS. POMPA | QS | |||
| 51 | 4580940 | 1 | KIT | QS | |||
| 52 | 1004512-65 | 1 | KIT SPAZZOLE | QS | |||
| 53 | 4380840 | 1 | COPERTURA | QS | |||
| 54 | 1004712-17 | 1 | ANELLO TOROIDALE | QS | |||
| 55 | 4580050 | 1 | INTERRUTTORE | QS | |||
| 56 | 4580660 | 1 | ANELLO PREMISTOPPA | QS | |||
| 57 | 4580680 | 1 | SCATOLA | QS | |||
| 58 | 1004712-04 | 1 | ANELLO PREMISTOPPA | QS | |||
| 59 | 1004455-07 | 1 | ANELLO PREMISTOPPA | QS | |||
| 60 | 4580930 | 1 | CAVO CON SPINA | QS | |||
| 61 | 4381480 | 1 | ASS. IMPUGNATURA | QS | |||
| 62 | 3083700 | 2 | ANELLO TOROIDALE | QS | |||
| 63 | 4381490 | 1 | EXTENSION | QS | |||
| 64 | 4580980 | 1 | SERBATOIO | QS | |||
| 65 | 3083370 | 4 | ANELLO TOROIDALE | QS | |||
| 66 | 4581090 | 1 | UGELLO | QS | |||
| 67 | 4581011 | 1 | PORTAUTENSILE | QS | |||
| 68 | 4580990 | 2 | UGELLO | QS | |||
| 69 | 3083400 | 2 | ANELLO TOROIDALE | QS | |||
| 70 | 4581030 | 1 | TUBO FLESSIBILE | QS |