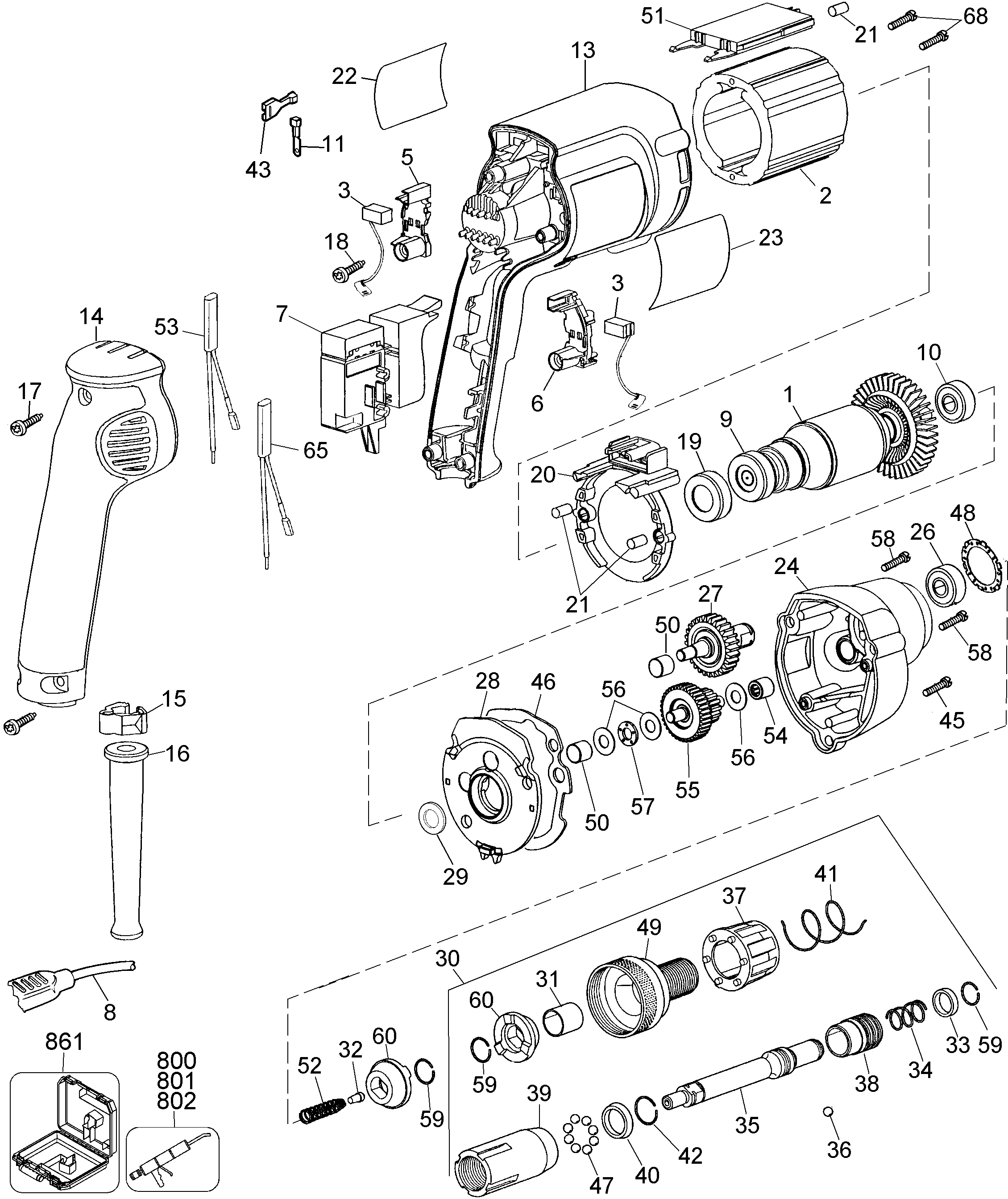
BS45EK CACCIAVITE Type 2 | Disegni
Documenti
Si prega di visualizzare il menu a tendina dal momento che alcuni prodotti potrebbero avere più disegni
 
        
                                        | Item No. | Product Number | Qty Per | Product Description | INFORMAZIONI | Altre informazioni | Markets | Product Status | 
|---|---|---|---|---|---|---|---|
| 1 | 176853-01SV | 1 | INDOTTO CON VENTOLA | CH | |||
| 2 | 176849-01SV | 1 | FIELD 230V | CH | |||
| 3 | 176949-00 | 2 | BRUSH 230V | CH | |||
| 5 | 176801-03 | 1 | PORTASPAZZOLE | CH | |||
| 6 | 176800-03 | 1 | PORTASPAZZOLE | CH | |||
| 7 | 176830-09 | 1 | INTERRUTTORE | CH | |||
| 8 | 330080-40 | 1 | CAVO CON SPINA | CH | |||
| 9 | 330003-04 | 2 | CUSCINETTO | CH | |||
| 11 | 449192-00 | 3 | TERMINALE | CH | |||
| 14 | 176898-02 | 1 | COPERTURA MANICO | CH | |||
| 15 | 176832-00 | 1 | SERRAFILO | CH | |||
| 16 | 330005-01 | 1 | CORD PROTECTOR | CH | |||
| 17 | 330019-13 | 3 | VITE | M4X19 T20 | CH | ||
| 18 | 176951-00 | 2 | VITE | CH | |||
| 19 | 949721-03 | 1 | MANICOTTO | CH | |||
| 20 | 176811-00 | 1 | LINGUETTA DI GUIDA | CH | |||
| 21 | 949638-02 | 3 | ATTENUATORE | CH | |||
| 22 | 152529-00 | 1 | ETICHETTA | CH | |||
| 24 | 176706-00SV | 1 | SCATOLA INGRANAGGI | INCL. 26,48,54 | CH | ||
| 26 | 605040-20 | 1 | CUSCINETTO | 12 x 28 x 8mm | CH | ||
| 27 | 176708-00SV | 1 | ALBERINO & INGRANAG. | CH | |||
| 28 | 388761-00 | 1 | COPERCHIO SCAT.INGR. | CH | |||
| 29 | 023813-00 | 1 | RONDELLA FIBRA | CH | |||
| 30 | 450556-00 | 1 | ASS. PUNTA | INCL. 31,33,34,35,36,37,38,39,40,41,42,47,49,59,60 | CH | ||
| 31 | 176815-01 | 1 | CORPO MOTORE | CH | |||
| 31 | 090626-00 | 1 | BRONZINA | CH | |||
| 32 | 021287-00 | 1 | GUIDA | CH | |||
| 33 | 090866-00 | 1 | RONDELLA | CH | |||
| 34 | 086134-00 | 1 | MOLLA | CH | |||
| 34 | 176834-00 | 1 | LEAD BLUE | CH | |||
| 35 | 450360-00 | 1 | ALBERINO | CH | |||
| 36 | 099047-01 | 1 | SFERA | 1/8 INCH | CH | ||
| 37 | 090639-02 | 1 | COLLARE | CH | |||
| 38 | 387451-00 | 1 | ANELLO DI TENUTA | CH | |||
| 39 | 450555-00 | 1 | ARRESTO | CH | |||
| 40 | 90596-00 | 1 | GUARNIZIONE | CH | |||
| 41 | 087928-00 | 1 | LOCATOR SPRING | CH | |||
| 42 | 21360-00 | 1 | ANELLO DI TENUTA | CH | |||
| 43 | 136086-02 | 1 | TERMINALE | CH | |||
| 45 | 330019-14 | 1 | VITE | CH | |||
| 46 | 176655-00 | 1 | GUARNIZIONE | CH | |||
| 47 | 000903-00 | 8 | SFERA | CH | |||
| 48 | 176689-00 | 1 | ANELLO DI TENUTA | CH | |||
| 49 | 093105-01 | 1 | CORPO | INCL. 31 | CH | ||
| 50 | 093128-00 | 2 | BOCCOLA AD AGHI | CH | |||
| 51 | 176917-00 | 1 | MODULO | CH | |||
| 52 | 86211-00 | 1 | MOLLA | CH | |||
| 53 | 176890-01 | 1 | LEAD RED | CH | |||
| 54 | 330004-00 | 1 | CUSCINETTO | CH | |||
| 55 | 381124-02 | 1 | BOX,KIT | CH | |||
| 55 | 176731-00SV | 1 | ALBERINO & INGRANAG. | CH | |||
| 56 | 176732-00 | 3 | RONDELLA | CH | |||
| 57 | 143079-00 | 1 | REGGISPINTA | CH | |||
| 57 | 388165-00 | 1 | TARGHETTA | CH | |||
| 58 | 330019-16 | 2 | VITE | CH | |||
| 59 | 089210-00 | 2 | ANELLO DI TENUTA | CH | |||
| 60 | 96558-04 | 1 | FRIZIONE | CH | |||
| 65 | 176890-00 | 1 | LEAD WHITE | CH | |||
| 68 | 330019-04 | 2 | VITE | CH | |||
| 800 | 761995-01 | 1 | GRASSO | 180 Grams | CVJ GREASE | CH | |
| 801 | 283484-01 | 1 | GRASSO | 32oz, EXXON CVJ | CH | ||
| 802 | N017298 | 1 | GRASSO | G-2008 Molykote | CH | 
 
                     
                 Elenco Ricambi
Elenco Ricambi
                         Stampabile
Stampabile
                         Visualizza Pagina intera
Visualizza Pagina intera
                         
     
     
     
     
    