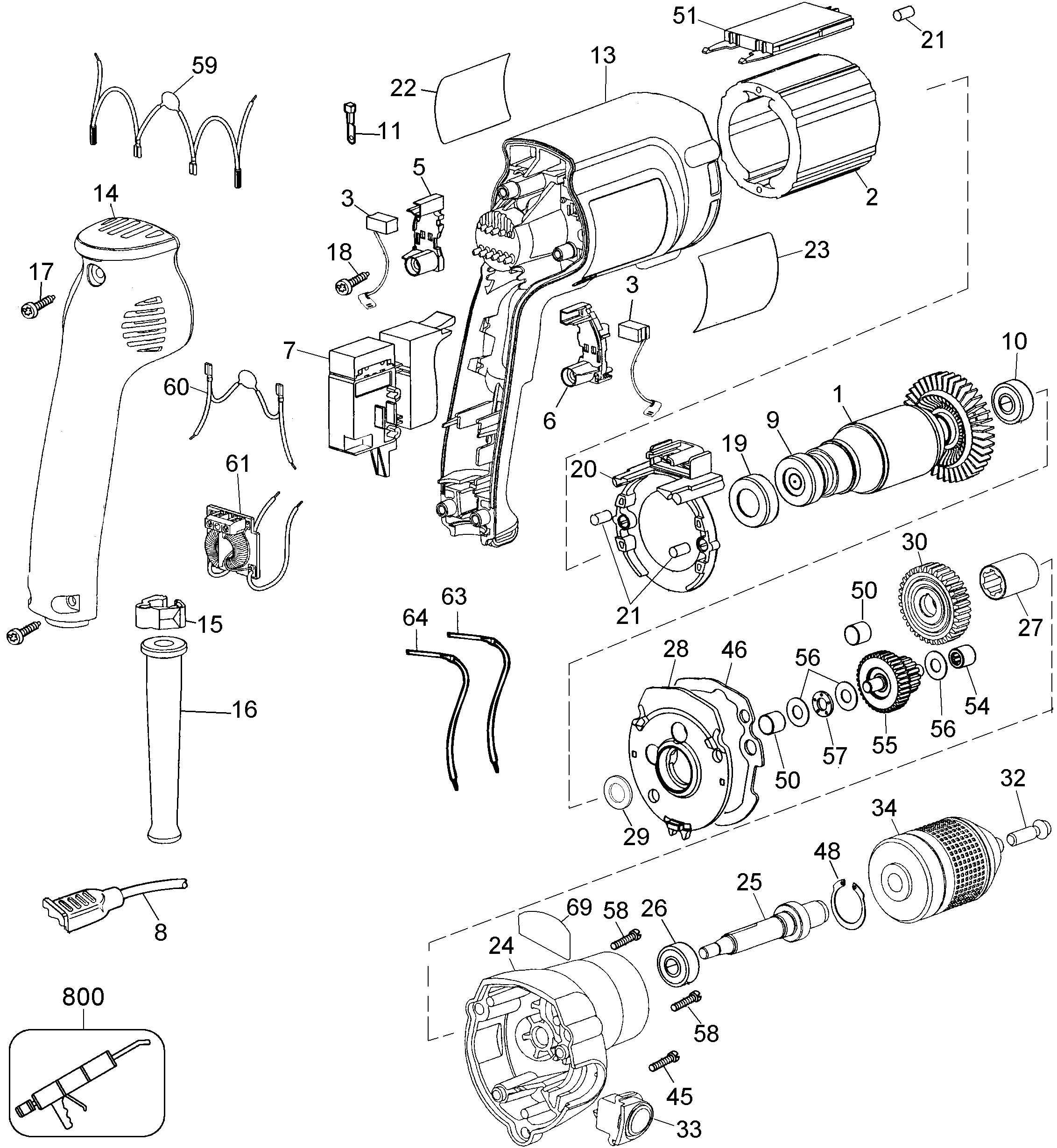
BM14E TRAPANO Type 1 | Disegni
Documenti
Si prega di visualizzare il menu a tendina dal momento che alcuni prodotti potrebbero avere più disegni
        
                                        | Item No. | Product Number | Qty Per | Product Description | INFORMAZIONI | Altre informazioni | Markets | Product Status | 
|---|---|---|---|---|---|---|---|
| 1 | 579598-15 | 1 | ARMATURE 230V | CH | |||
| 2 | 579605-01 | 1 | FIELD 230V | CH | |||
| 3 | 176949-00 | 2 | BRUSH 230V | CH | |||
| 5 | 176801-03 | 1 | PORTASPAZZOLE | CH | |||
| 6 | 176800-03 | 1 | PORTASPAZZOLE | CH | |||
| 7 | 176830-09 | 1 | INTERRUTTORE | CH | |||
| 8 | 330080-40 | 1 | CAVO CON SPINA | CH | |||
| 9 | 330003-04 | 1 | CUSCINETTO | CH | |||
| 10 | 330003-04 | 1 | CUSCINETTO | CH | |||
| 11 | 449192-00 | 2 | TERMINALE | CH | |||
| 13 | 429974-02 | 1 | KIT CONT.STATORE | CH | |||
| 14 | 176900-02 | 1 | COPERTURA MANICO | CH | |||
| 15 | 176832-00 | 1 | SERRAFILO | CH | |||
| 16 | 330005-01 | 1 | CORD PROTECTOR | CH | |||
| 17 | 330019-13 | 3 | VITE | M4X19 T20 | CH | ||
| 18 | 176951-00 | 2 | VITE | CH | |||
| 19 | 389824-00 | 1 | GUAINA | GREY | CH | ||
| 19 | 949721-03 | 1 | MANICOTTO | BLACK | CH | ||
| 20 | 176811-00 | 1 | LINGUETTA DI GUIDA | CH | |||
| 21 | 949638-02 | 3 | ATTENUATORE | CH | |||
| 22 | 152529-00 | 1 | ETICHETTA | CH | |||
| 24 | 176634-03SV | 1 | GEAR CASE | CH | |||
| 25 | 176638-00 | 1 | ALBERINO | CH | |||
| 26 | 605040-20 | 1 | CUSCINETTO | 12 x 28 x 8mm | CH | ||
| 27 | 176691-00 | 1 | DISTANZIALE | CH | |||
| 28 | 388761-00 | 1 | COPERCHIO SCAT.INGR. | CH | |||
| 29 | 023813-00 | 1 | RONDELLA FIBRA | CH | |||
| 30 | 176682-00 | 1 | ASS. INGRANAGGI | CH | |||
| 32 | 605256-01 | 1 | VITE | CH | |||
| 33 | 176641-00 | 1 | BLOCCAGGIO ALBERINO | CH | |||
| 34 | 330075-68 | 1 | MANDRINO SENZA CHIA. | 3/8 CAP 1/2-20 THD | CH | ||
| 42 | 385149-01 | 1 | NP:BM14E-CH T1 | CH | |||
| 45 | 330019-14 | 1 | VITE | CH | |||
| 46 | 176655-00 | 1 | GUARNIZIONE | CH | |||
| 48 | 087692-00 | 1 | ANELLO DI TENUTA | CH | |||
| 50 | 093128-00 | 2 | BOCCOLA AD AGHI | CH | |||
| 51 | 176917-00 | 1 | MODULO | CH | |||
| 54 | 330004-00 | 1 | CUSCINETTO | CH | |||
| 55 | 176731-00SV | 1 | ALBERINO & INGRANAG. | CH | |||
| 56 | 091817-00 | 3 | RONDELLA | CH | |||
| 57 | 091644-00 | 1 | REGGISPINTA | CH | |||
| 58 | 330019-16 | 2 | VITE | CH | |||
| 59 | 384022-00 | 1 | ASS. CONDENSATRORE | CH | |||
| 60 | 384021-00 | 1 | ASS. CONDENSATRORE | CH | |||
| 61 | 383714-00 | 1 | MODULO ELET | CH | |||
| 63 | 176893-00 | 1 | LEAD BLACK | CH | |||
| 64 | 176834-00 | 1 | LEAD BLUE | CH | |||
| 69 | 387232-00 | 1 | ETICHETTA | CH | |||
| 800 | 286436-00 | 1 | GRASSO | NYE RHEOLUBE 380, 500 GRAM JAR | CH |