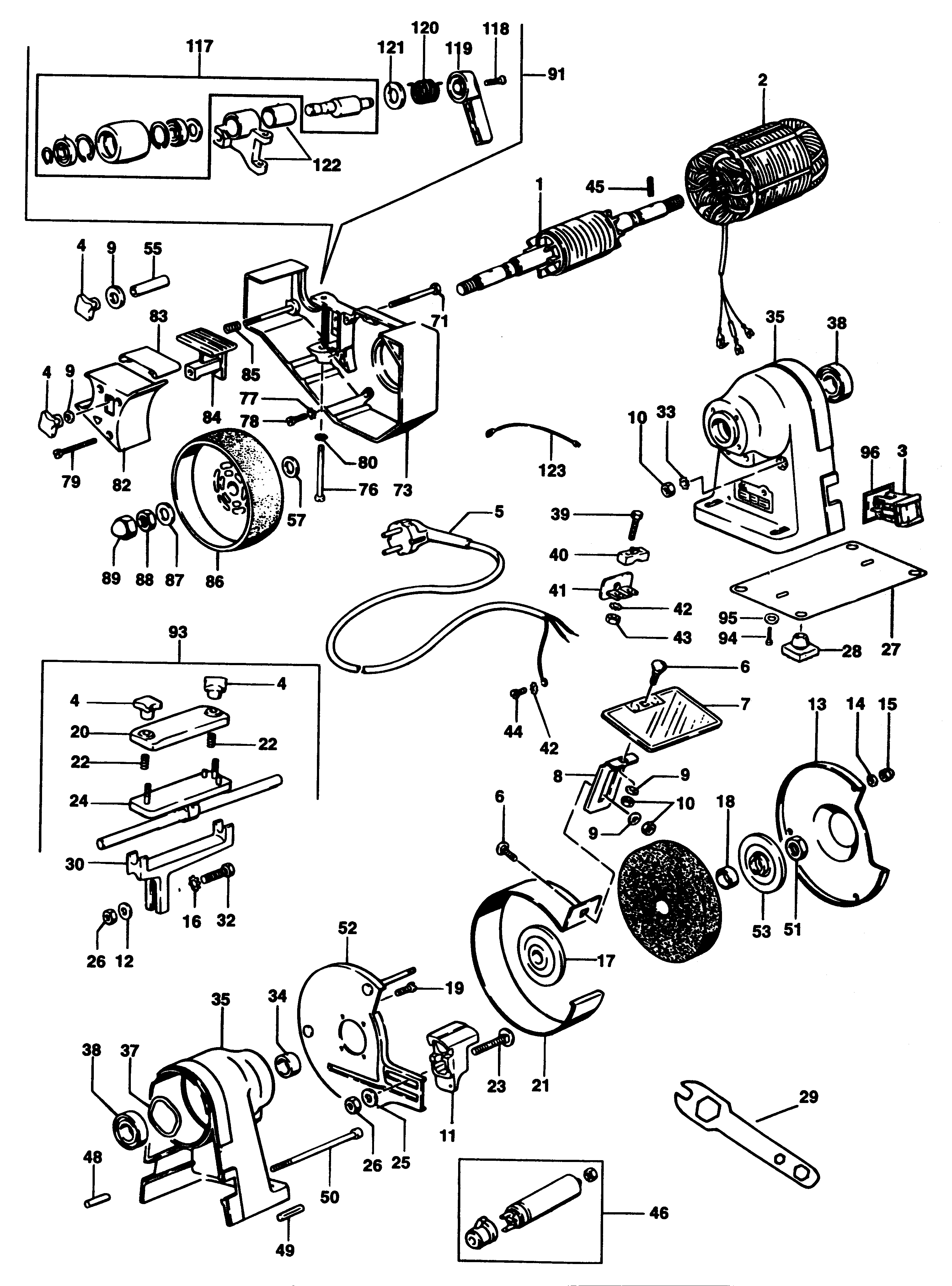
MWA149 SMERIGLIATRICE DA BANCO Type 3 | Disegni
Documenti
Si prega di visualizzare il menu a tendina dal momento che alcuni prodotti potrebbero avere più disegni
| Item No. | Product Number | Qty Per | Product Description | INFORMAZIONI | Altre informazioni | Markets | Product Status |
|---|---|---|---|---|---|---|---|
| 1 | 743412 | 1 | ROTORE | CH | |||
| 2 | 743413 | 1 | STATORE | CH | |||
| 3 | 744115 | 1 | INTERRUTTORE | CH | |||
| 4 | 744324 | 4 | ASS. MANOPOLA | CH | |||
| 5 | 742175-01 | 1 | CAVO CON SPINA | CH | |||
| 6 | 725184 | 2 | VITE | CH | |||
| 7 | 742133 | 1 | VISIERA | CH | |||
| 8 | 744188 | 1 | STAFFA | CH | |||
| 9 | 880391 | 4 | RONDELLA | CH | |||
| 10 | 725125 | 4 | DADO | CH | |||
| 11 | 744183 | 1 | SUPPORTO | CH | |||
| 12 | 742172 | 1 | RONDELLA | CH | |||
| 13 | 744190 | 1 | PROTEZIONE | CH | |||
| 14 | 725269 | 3 | RONDELLA | CH | |||
| 15 | 146823100 | 3 | LOCK-NUT | CH | |||
| 16 | 742046 | 1 | WASHER M8 | CH | |||
| 17 | 742298 | 1 | MORSETTO | CH | |||
| 18 | 742134 | 1 | GUAINA ISOLANTE | CH | |||
| 19 | 725196 | 4 | VITE | CH | |||
| 20 | 744231 | 1 | STRISCIA | CH | |||
| 21 | 744227 | 1 | ANELLO | CH | |||
| 22 | 742243 | 2 | MOLLA | CH | |||
| 23 | 742042 | 1 | VITE | CH | |||
| 24 | 744232 | 1 | SUPPORTO | CH | |||
| 25 | 742172 | 1 | RONDELLA | CH | |||
| 26 | 725187 | 2 | DADO | M8 | CH | ||
| 27 | 742124-01 | 1 | PIASTRA | CH | |||
| 28 | 742126 | 4 | INCASTELLATURA | CH | |||
| 29 | 742511 | 1 | CHIAVE | CH | |||
| 30 | 744230 | 1 | PORTAUTENSILE | CH | |||
| 32 | 860085-19 | 1 | VITE | CH | |||
| 33 | 743415 | 2 | RONDELLA | 6mm | CH | ||
| 34 | 742153 | 1 | GUAINA ISOLANTE | CH | |||
| 35 | 744241-49 | 1 | ASS CORPO | CH | |||
| 37 | 113933000 | 1 | RONDELLA | CH | |||
| 38 | 861721-01 | 2 | CUSCINETTO | CH | |||
| 39 | 742041 | 2 | VITE | CH | |||
| 40 | 742127 | 1 | SERRAFILO PER CAVO | CH | |||
| 41 | 742125 | 1 | SERRAFILO PER CAVO | CH | |||
| 42 | 725163 | 3 | RONDELLA | CH | |||
| 43 | 725698 | 2 | DADO | CH | |||
| 44 | 725183 | 1 | VITE | CH | |||
| 45 | 742053 | 1 | PERNO | CH | |||
| 46 | 743309 | 1 | CONDENSATORE | CH | |||
| 48 | 743311 | 2 | PERNO | CH | |||
| 49 | 742168 | 2 | PERNO | CH | |||
| 50 | 742171 | 2 | VITE | CH | |||
| 51 | 742887 | 1 | DADO | CH | |||
| 52 | 744228 | 1 | COPERTURA DESTRA | CH | |||
| 53 | 742066 | 1 | CONTROFLANGIA | CH | |||
| 55 | 742228 | 1 | DISTANZIALE | CH | |||
| 57 | 743185 | 1 | RONDELLA | CH | |||
| 71 | 742055 | 1 | VITE | CH | |||
| 73 | 744229 | 1 | CORPO | CH | |||
| 76 | 742231 | 1 | VITE | CH | |||
| 77 | 725159 | 4 | RONDELLA | CH | |||
| 78 | 726003 | 4 | VITE | CH | |||
| 79 | 744242 | 3 | VITE | CH | |||
| 80 | 743415 | 1 | RONDELLA | 6mm | CH | ||
| 82 | 744244 | 1 | COPERTURA | CH | |||
| 83 | 742232 | 1 | MOLLA | CH | |||
| 84 | 742227 | 1 | SUPPORTO | CH | |||
| 85 | 760276-00 | 1 | MOLLA | CH | |||
| 86 | 742199 | 1 | PULEGGIA | CH | |||
| 87 | 742054 | 1 | RONDELLA | CH | |||
| 88 | 742140 | 1 | DADO SINISTRO | CH | |||
| 89 | 744243 | 1 | CALOTTA | CH | |||
| 91 | 744371 | 1 | ASS. LEVA | CH | |||
| 93 | 744253 | 1 | KIT MORSETTO | CH | |||
| 94 | 726430 | 2 | VITE | CH | |||
| 95 | 725165 | 2 | RONDELLA | CH | |||
| 117 | 742212 | 1 | KIT RIPARAZIONE | CH | |||
| 118 | 744308 | 1 | VITE | CH | |||
| 119 | 744245 | 1 | LEVA | CH | |||
| 120 | 742222 | 1 | MOLLA | CH | |||
| 121 | 742218 | 1 | RONDELLA | CH | |||
| 122 | 743814 | 1 | ASS. STAFFA | CH | |||
| 123 | 742129 | 1 | CAVETTO | CH |