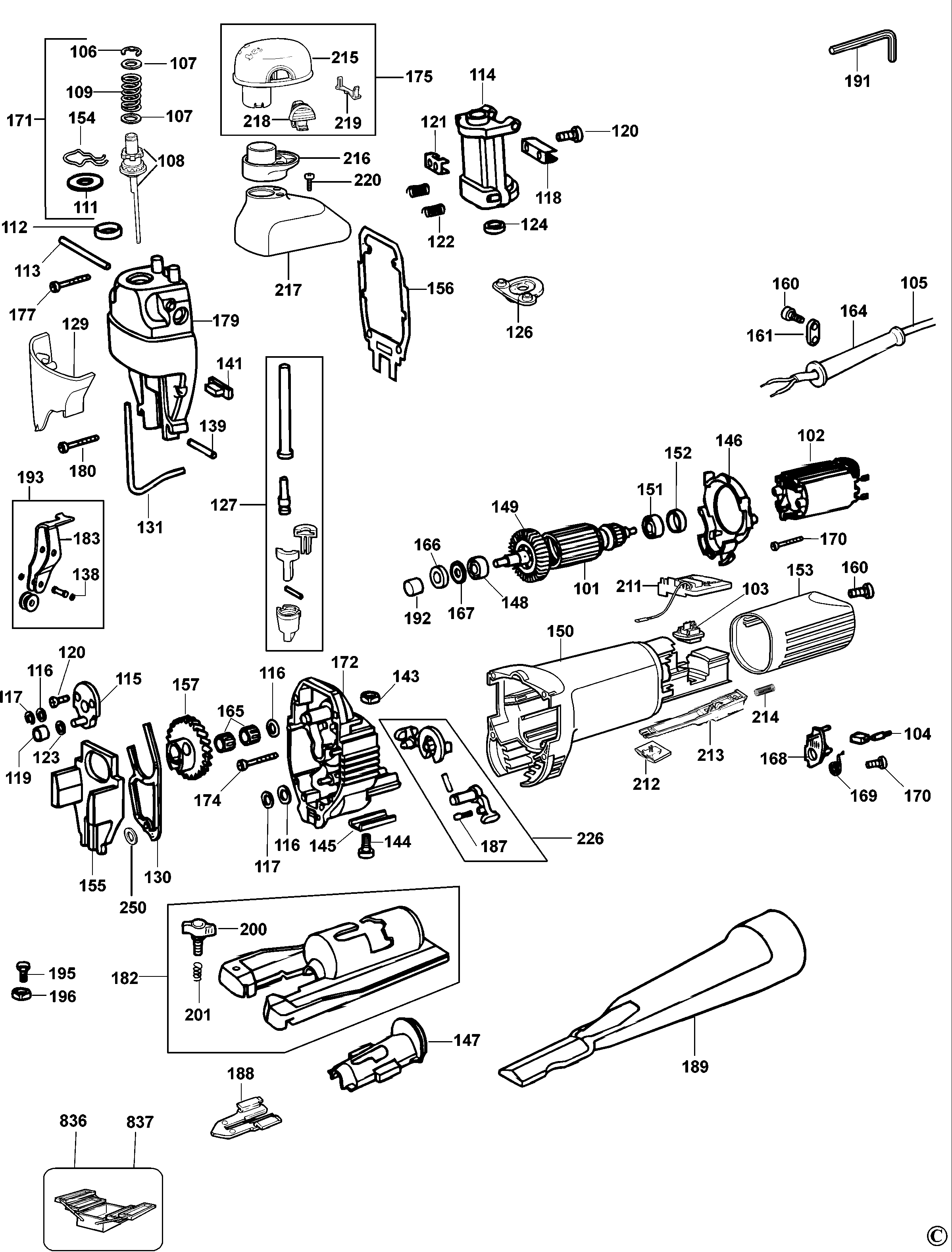
ST73 SEGHETTO ALTERNATIVO Type 1 | Disegni
Documenti
Si prega di visualizzare il menu a tendina dal momento che alcuni prodotti potrebbero avere più disegni
| Item No. | Product Number | Qty Per | Product Description | INFORMAZIONI | Altre informazioni | Markets | Product Status |
|---|---|---|---|---|---|---|---|
| 101 | 402061-02 | 1 | ARMATURE 230V | CH | |||
| 102 | 402051-02 | 1 | FIELD 230V | CH | |||
| 103 | 402434-00 | 1 | ASS. INTERRUTTORE | Tyco | CH | ||
| 104 | 939539-01 | 2 | SPAZZOLA AUTOESPELL. | CH | |||
| 105 | 330120-86 | 1 | CAVO CON SPINA | CH | |||
| 106 | 860322-01 | 1 | ANELLO D'ARRESTO | CH | |||
| 107 | 949876-22 | 2 | WASHER 18,0X14,3 | CH | |||
| 108 | 402960-00 | 1 | ASS. FRIZIONE | CH | |||
| 109 | 402110-00 | 1 | MOLLA | CH | |||
| 111 | 949876-21 | 1 | RONDELLA | CH | |||
| 112 | 402154-00 | 1 | GOMMA | CH | |||
| 113 | 402105-00 | 1 | PERNO | CH | |||
| 114 | 402153-00 | 1 | SUPPORTO | CH | |||
| 115 | 402161-00SV | 1 | ASS.ECCENTRICO | CH | |||
| 116 | 932302-00 | 3 | RONDELLA | CH | |||
| 117 | 949728-04 | 2 | ANELLO D'ARRESTO | CH | |||
| 118 | 402118-00 | 1 | GIOGO | CH | |||
| 119 | 402155-00 | 1 | GUAINA ISOLANTE | CH | |||
| 120 | 720685-00 | 4 | SCREW.TEMP | CH | |||
| 121 | 399146-00 | 1 | MORSETTO | CH | |||
| 122 | 933524-00 | 2 | MOLLA | CH | |||
| 123 | 949876-20 | 1 | RONDELLA | CH | |||
| 124 | 949400-00 | 1 | FELTRO | CH | |||
| 126 | 402177-00 | 1 | ASS. GIARNIZIONE | CH | |||
| 127 | 948603-00SV | 1 | ALBERINO | CH | |||
| 127 | 948603-00SV | 1 | ALBERINO | CH | |||
| 129 | 389599-00 | 1 | SCHERMO | CH | |||
| 130 | 402097-00 | 1 | CAMMA | CH | |||
| 131 | 402116-00 | 2 | PROTEZIONE | CH | |||
| 138 | 949728-03 | 2 | ANELLO D'ARRESTO | CH | |||
| 139 | 330041-29 | 1 | PERNO | CH | |||
| 141 | 402151-00 | 1 | GOMMA | CH | |||
| 143 | 860310-00 | 1 | DADO | CH | |||
| 144 | 390908-00 | 1 | VITE | CH | |||
| 145 | 402652-00 | 1 | PIASTRA | CH | |||
| 146 | 402060-00 | 1 | LINGUETTA DI GUIDA | CH | |||
| 147 | 402176-00 | 1 | ADATTATORE | CH | |||
| 148 | 605040-05 | 1 | CUSCINETTO | CH | |||
| 149 | 402183-00 | 1 | VENTOLA | CH | |||
| 150 | 402429-00 | 1 | CORPO MOTORE | CH | |||
| 151 | 330003-02 | 1 | CUSCINETTO | CH | |||
| 152 | 930029-00 | 1 | HOLDER BEARING | CH | |||
| 153 | 402054-00 | 1 | COPERTURA TERMINALE | CH | |||
| 154 | 402111-00 | 1 | MOLLA | CH | |||
| 155 | 402098-00 | 1 | CONTRAPPESO | CH | |||
| 156 | 402112-00 | 1 | GUARNIZIONE | CH | |||
| 157 | 402092-00 | 1 | INGRANAGGI | CH | |||
| 160 | 330065-08 | 3 | VITE | M4x18 T20 | CH | ||
| 161 | 935616-00 | 1 | SERRAFILO | CH | |||
| 164 | 401088-01 | 1 | CORD PROTECTOR | CH | |||
| 165 | 402091-00 | 2 | CUSCINETTO | CH | |||
| 166 | 949400-03 | 1 | FELTRO | CH | |||
| 167 | 402125-00 | 1 | COPERTURA | CH | |||
| 168 | 949880-05 | 2 | ASS. PORTASPAZZOLE | INCL. SPRING | CH | ||
| 169 | 930090-00 | 2 | MOLLA SPAZZOLE | CH | |||
| 170 | 931469-02 | 2 | VITE | CH | |||
| 171 | 402158-04 | 1 | ASS. FRIZIONE | CH | |||
| 172 | 402127-00 | 1 | SCATOLA INGRANAGGI | CH | |||
| 174 | 930079-01 | 2 | VITE | CH | |||
| 175 | 402962-00 | 2 | ASS. MANOPOLA | CH | |||
| 177 | 949870-08 | 2 | VITE | CH | |||
| 179 | 389870-02 | 1 | COPERCHIO SCAT.INGR. | CH | |||
| 180 | 930082-01 | 2 | VITE | CH | |||
| 182 | 429802-01 | 1 | KIT RIPARAZIONE | CH | |||
| 183 | 388577-00 | 1 | ASS. SUPPORTO | CH | |||
| 187 | 326467-00 | 2 | DENTE DI ARRESTO | CH | |||
| 188 | 402140-00 | 1 | DISP. ANTISCHEGGIA | CH | |||
| 189 | 402138-00 | 1 | TUBO | CH | |||
| 191 | 930574-00 | 1 | HEX KEY 5 MM | CH | |||
| 192 | 402191-00 | 1 | GUAINA ISOLANTE | CH | |||
| 193 | 388577-00 | 1 | ASS. SUPPORTO | CH | |||
| 195 | 930770-00 | 1 | VITE | CH | |||
| 196 | 860083-10 | 1 | DADO | CH | |||
| 200 | 025922908 | 1 | MANOPOLA | CH | |||
| 201 | 868082-00 | 1 | MOLLA | CH | |||
| 211 | 402466-03 | 1 | ASS.MODULO ELET. | CH | |||
| 212 | 402433-00 | 1 | PULSANTE | CH | |||
| 213 | 402432-00 | 1 | LEVA | CH | |||
| 214 | N406641 | 1 | MOLLA DI COMPRESSIONE | CH | |||
| 215 | 402133-00 | 1 | MANOPOLA | CH | |||
| 216 | 402131-00 | 1 | MANOPOLA | CH | |||
| 217 | 402128-00 | 1 | COPERTURA | CH | |||
| 218 | 402659-00 | 2 | PULSANTE | CH | |||
| 219 | 402959-00 | 1 | INSERTO | CH | |||
| 220 | 860094-03 | 2 | VITE | CH | |||
| 226 | 329923-49 | 1 | KIT RIPARAZIONE | CH |