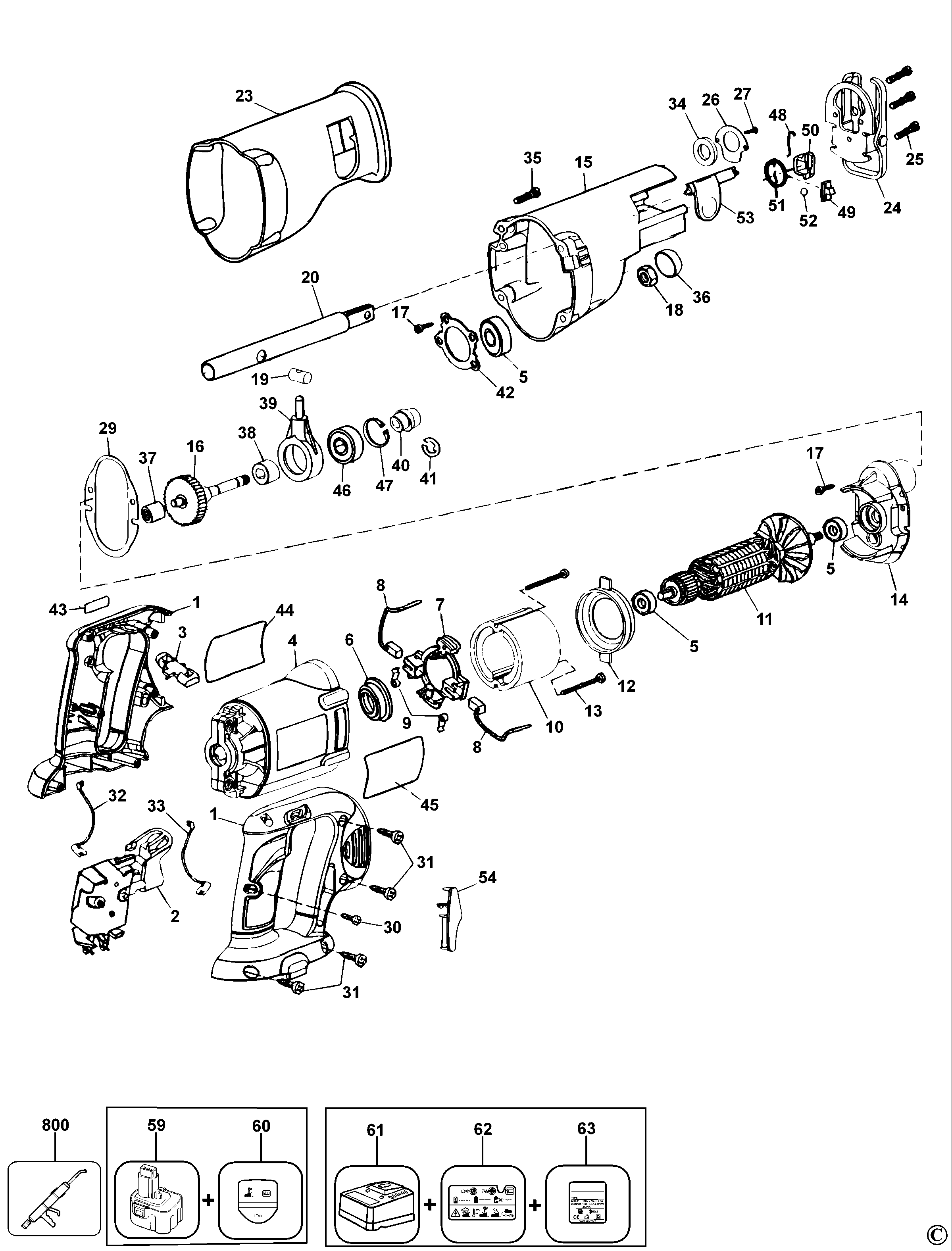
RSA18 SEGA TAGLIO Type 2 | Disegni
Documenti
Si prega di visualizzare il menu a tendina dal momento che alcuni prodotti potrebbero avere più disegni
| Item No. | Product Number | Qty Per | Product Description | INFORMAZIONI | Altre informazioni | Markets | Product Status |
|---|---|---|---|---|---|---|---|
| 1 | 382201-02 | 1 | CORPO | QW | |||
| 2 | 152274-19SV | 1 | INTERRUTTORE | QW | |||
| 3 | 607100-01 | 1 | LEVA | QW | |||
| 4 | 382177-01 | 1 | CORPO MOTORE | QW | |||
| 5 | 605040-06 | 3 | BEARING,BALL | QW | |||
| 6 | 445217-02 | 1 | MANICOTTO | QW | |||
| 7 | 382178-01 | 1 | TELAIO SPAZZOLA | QW | |||
| 8 | 387558-01 | 2 | SPAZZOLA & FILO | QW | |||
| 9 | 445860-00 | 2 | MOLLA SPAZZOLE | QW | |||
| 11 | 429906-01 | 1 | SG MOTORE | QW | |||
| 12 | 392415-00 | 1 | BAFFLE FAN | QW | |||
| 13 | 448269-00 | 2 | VITE | QW | |||
| 14 | 382180-01 | 1 | ASS.COP.SCAT.INGR. | QW | |||
| 15 | 382625-01SV | 1 | SCATOLA INGRANAGGI | QW | |||
| 16 | 383883-00 | 1 | ASS.ALBERO C/INGR. | QW | |||
| 17 | 604609-00 | 6 | VITE | QW | |||
| 18 | 382195-00 | 1 | DADO SINISTRO | QW | |||
| 19 | 382187-00 | 1 | ASSE | QW | |||
| 20 | 623504-01 | 1 | ALBERO IN USCITA | QW | |||
| 23 | 387210-00 | 1 | GUAINA | QW | |||
| 24 | 382191-01 | 1 | ASS. PATTINO | QW | |||
| 25 | 142940-00 | 3 | VITE | QW | |||
| 26 | 387218-00 | 1 | ANELLO DI TENUTA | QW | |||
| 27 | 330045-43 | 1 | VITE | QW | |||
| 29 | 382626-00 | 1 | GUARNIZIONE | QW | |||
| 30 | 682211-00 | 1 | VITE | QW | |||
| 31 | 90611830 | 6 | VITE | QW | |||
| 32 | 382629-00 | 1 | LEAD BLACK | QW | |||
| 33 | 382630-00SV | 1 | LEAD RED | QW | |||
| 34 | 5140006-30 | 1 | ASS. GIARNIZIONE | QW | |||
| 35 | 330019-15 | 4 | VITE | QW | |||
| 36 | 383227-00 | 1 | CALOTTA | QW | |||
| 37 | 093128-00 | 1 | BOCCOLA AD AGHI | QW | |||
| 38 | 647342-00 | 1 | KIT MANUTENZ | INC. DRIVER & BRG | QW | ||
| 39 | 382196-00 | 1 | MENABRIDA | QW | |||
| 40 | 647342-00 | 1 | KIT MANUTENZ | INC. DRIVER & BRG | QW | ||
| 41 | 058836-00 | 1 | ANELLO DI TENUTA | QW | |||
| 42 | 383668-00 | 1 | ANELLO DI TENUTA | QW | |||
| 43 | 385250-01 | 1 | ETICHETTA DI AVVISO | QW | |||
| 44 | 385242-01 | 1 | ETICHETTA MARCHIO | QW | |||
| 45 | 385243-05 | 1 | SCHEDA | QW | |||
| 46 | 605040-25 | 1 | BEARING,BALL | QW | |||
| 47 | 99022-02 | 1 | ANELLO D'ARRESTO | QW | |||
| 48 | 620663-00 | 1 | MORSETTO | QW | |||
| 49 | 383749-01 | 1 | GUIDA DI SCORRIMENTO | QW | |||
| 50 | 604731-00 | 1 | MORSETTO LAMA | QW | |||
| 51 | 623343-00 | 1 | MOLLA | QW | |||
| 52 | 000903-00 | 1 | SFERA | QW | |||
| 53 | 387214-01 | 1 | LEVA | QW | |||
| 54 | 387213-01 | 1 | COPERTURA | QW | |||
| 59 | 582627-00 | 1 | BATTERY 18V - 2.4AH | QW | |||
| 60 | 371133-03 | 1 | ETICHETTA IDENTIFIC. | QW | |||
| 61 | N015878 | 1 | CARICABATTERIA 7.2V - 18V | QW | |||
| 62 | 371053-01 | 1 | ETICHETTA DI AVVISO | QW | |||
| 63 | 371054-03 | 1 | ETICHETTA | QW | |||
| 800 | 870889-02 | 1 | GRASSO | QW |