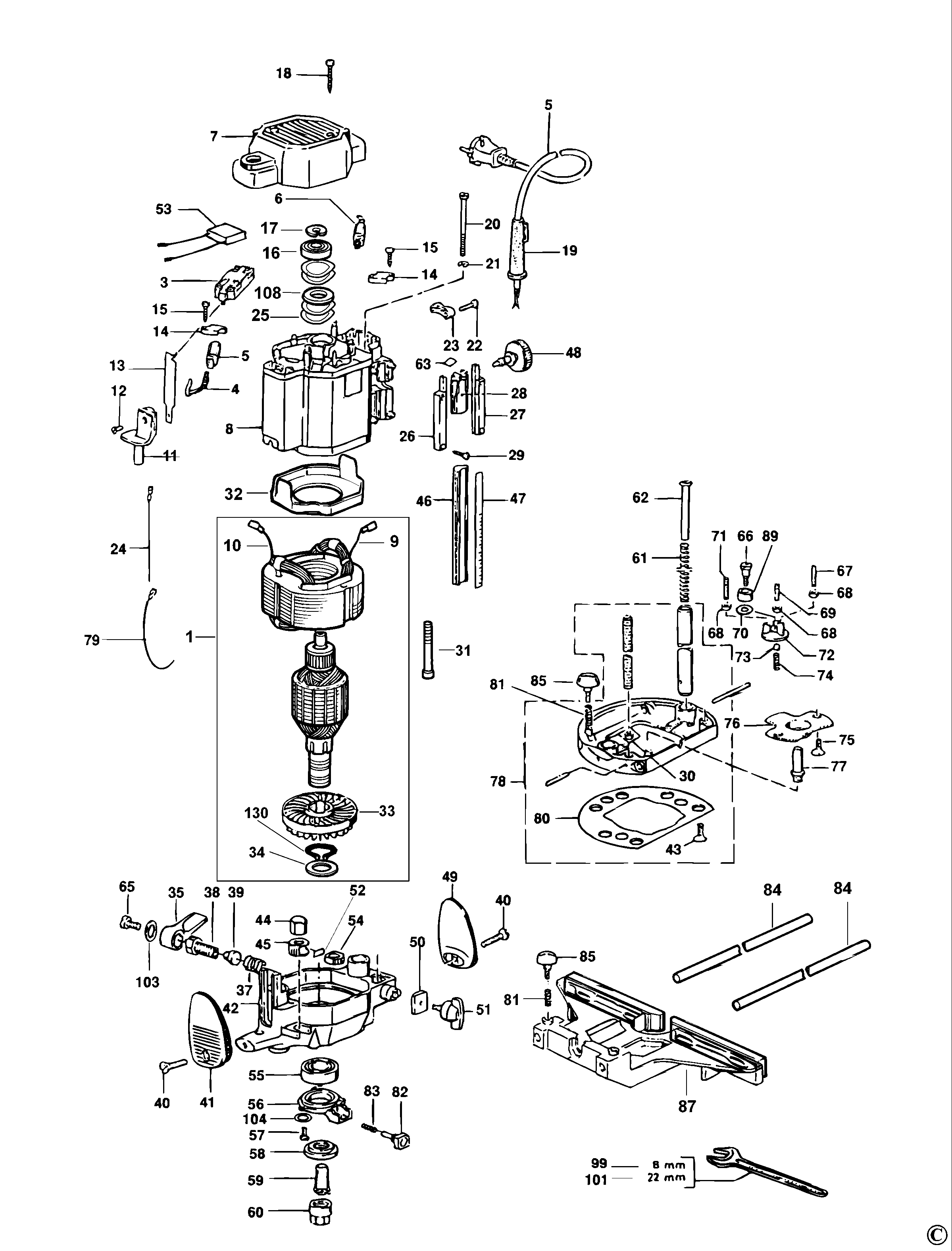
MOF131 ROUTER Type 2 | Disegni
Documenti
Si prega di visualizzare il menu a tendina dal momento che alcuni prodotti potrebbero avere più disegni
        
                                        | Item No. | Product Number | Qty Per | Product Description | INFORMAZIONI | Altre informazioni | Markets | Product Status | 
|---|---|---|---|---|---|---|---|
| 3 | 868128-00 | 1 | INTERRUTTORE | CH | |||
| 4 | 940146-01 | 2 | BRUSH 115V | 115 VOLT | CH | ||
| 4 | 940146-00 | 2 | BRUSH 230V | 220 VOLT | CH | ||
| 4 | 940146-00 | 2 | BRUSH 230V | 240 VOLT | CH | ||
| 5 | 868118-00 | 1 | CAVO | M | CH | ||
| 5 | 177101908 | 1 | CAVO | M | CH | ||
| 5 | 177101907 | 1 | CAVO | M | CH | ||
| 6 | 761202-00 | 2 | BRUSHBOX | CH | |||
| 7 | 249019-01 | 1 | COPERTURA | CH | |||
| 8 | 942934-05 | 1 | CORPO MOTORE | CH | |||
| 9 | 868140-00 | 2 | CAVETTO SPAZZOLA | CH | |||
| 10 | 868129-00 | 1 | LEAD 175MM RED | CH | |||
| 10 | 868129-00 | 1 | LEAD 175MM RED | CH | |||
| 11 | 177120500 | 1 | LEVA | CH | |||
| 12 | 249412-10 | 1 | VITE | CH | |||
| 13 | 868123-00 | 1 | CURSORE | CH | |||
| 14 | 868133-00 | 2 | MORSETTO | CH | |||
| 15 | 860428-04 | 4 | VITE | CH | |||
| 16 | 868768-13 | 1 | CUSCINETTO | CH | |||
| 17 | 860079-03 | 1 | ANELLO D'ARRESTO | CH | |||
| 18 | 949896-11 | 2 | VITE | CH | |||
| 19 | 868520-00 | 1 | CORD PROTECTOR | CH | |||
| 20 | 249424-24 | 4 | VITE | CH | |||
| 21 | 930248-00 | 4 | RONDELLA | CH | |||
| 22 | 860084-04 | 2 | VITE | CH | |||
| 23 | 177162700 | 1 | SERRAFILO PER CAVO | CH | |||
| 24 | 868129-02 | 1 | LEAD 80MM RED | CH | |||
| 25 | 248978-00 | 4 | RONDELLA ELASTICA | CH | |||
| 26 | 248395-05 | 1 | SOSTEGNO SINISTRO | CH | |||
| 27 | 248394-05 | 1 | SOSTEGNO DESTRO | CH | |||
| 28 | 868124-01 | 1 | LENTE | CH | |||
| 29 | 860428-04 | 4 | VITE | CH | |||
| 30 | 761225-02 | 1 | DADO | CH | |||
| 31 | 248935-00 | 2 | VITE | CH | |||
| 32 | 942902-01 | 1 | BAFFLE FAN | CH | |||
| 33 | N041821 | 1 | VENTOLA | CH | |||
| 34 | 868127-02 | 1 | DISTANZIALE | CH | |||
| 35 | 942906-00 | 1 | LEVA | CH | |||
| 37 | 942909-00 | 1 | MOLLA | CH | |||
| 38 | 868204-00 | 1 | VITE | CH | |||
| 39 | 942908-00 | 1 | PERNO | CH | |||
| 40 | 869355-00 | 1 | KIT RIPARAZIONE | CH | |||
| 41 | 869355-00 | 1 | KIT RIPARAZIONE | CH | |||
| 42 | 942898-00 | 1 | CORPO INFERIORE | CH | |||
| 43 | 860205-04 | 6 | VITE | CH | |||
| 44 | 868150-00 | 1 | DADO | CH | |||
| 45 | 942910-00 | 1 | DADO | CH | |||
| 46 | 868139-00 | 1 | CREMAGLIERA | CH | |||
| 47 | 249281-00 | 1 | SCALA | CH | |||
| 48 | 761243-05 | 1 | PIGNONE | CH | |||
| 49 | 869355-00 | 1 | KIT RIPARAZIONE | CH | |||
| 50 | 868119-00 | 1 | PIASTRA | CH | |||
| 51 | 939840-05 | 1 | SCREW WING | CH | |||
| 52 | 942912-00 | 2 | MOLLA | CH | |||
| 53 | 868120-00 | 1 | CONDENSATORE | CH | |||
| 54 | 942911-00 | 1 | PULSANTE | CH | |||
| 55 | 868132-03 | 1 | CUSCINETTO | CH | |||
| 56 | 942900-03 | 1 | MORSETTO | CH | |||
| 57 | 249424-02 | 3 | VITE | CH | |||
| 58 | 942901-00 | 1 | CONTRODADO | CH | |||
| 60 | 942893-01 | 1 | DADO PINZA | CH | |||
| 61 | 868115-00 | 2 | MOLLA | CH | |||
| 62 | 868566-01 | 2 | ASTA | CH | |||
| 63 | 868124-01 | 1 | LENTE | CH | |||
| 66 | 249432-00 | 1 | VITE | CH | |||
| 67 | 942931-02 | 1 | SCREW.TEMP | CH | |||
| 68 | 860083-02 | 3 | DADO | CH | |||
| 69 | 942931-01 | 1 | VITE | CH | |||
| 70 | 860658-01 | 1 | RONDELLA | CH | |||
| 71 | 942931-00 | 1 | VITE | CH | |||
| 72 | 720674-01 | 1 | TORRETTA | CH | |||
| 73 | 720664-00 | 1 | SFERA | CH | |||
| 74 | 868082-00 | 1 | MOLLA | CH | |||
| 75 | 249412-20 | 2 | VITE | CH | |||
| 78 | 329820-49 | 1 | ASS. PIASTRA BASE | CH | |||
| 79 | 941486-00 | 1 | CAVO TIE | CH | |||
| 80 | 940459-00 | 1 | BASE | CH | |||
| 81 | 868082-00 | 4 | MOLLA | CH | |||
| 82 | 942930-00 | 1 | DISPOSITIVO DI FERMO | CH | |||
| 83 | 942904-00 | 1 | MOLLA | CH | |||
| 84 | 868147-01 | 2 | ASTA | 10mm x 360mm | CH | ||
| 85 | 326573-01 | 4 | SCREW WING | CH | |||
| 87 | 948581-00 | 1 | ASS. GUIDA | CH | |||
| 89 | 868092-00 | 1 | RONDELLA | CH | |||
| 99 | 868148-00 | 1 | CHIAVE | CH | |||
| 101 | 868111-00 | 1 | CHIAVE | CH | |||
| 103 | 860073-01 | 1 | RONDELLA | CH | |||
| 104 | 932839-00 | 3 | RONDELLA | CH | |||
| 108 | 868127-01 | 1 | DISTANZIALE | CH | |||
| 130 | 941541-00 | 1 | ANELLO D'ARRESTO | CH |