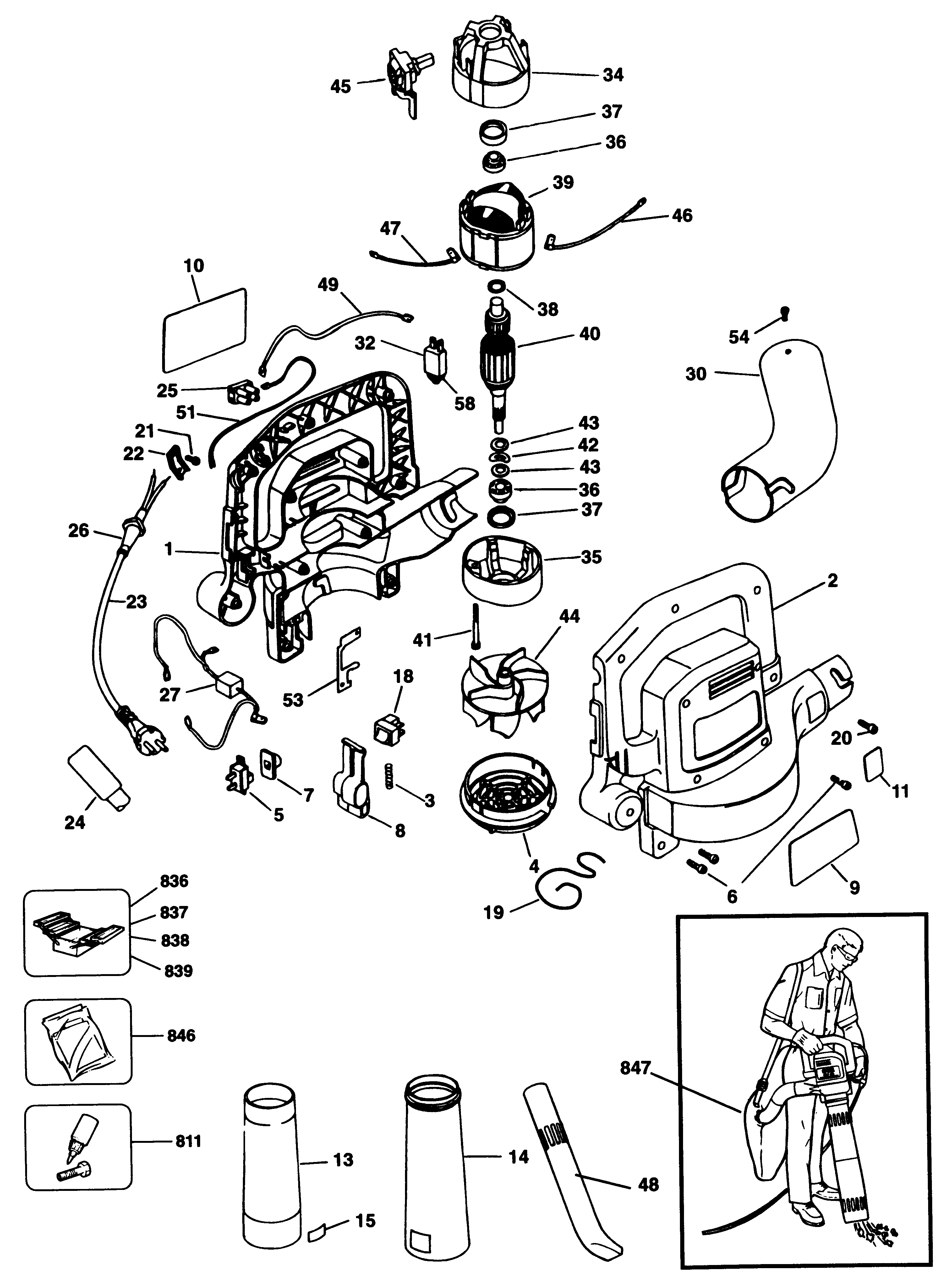
GW150 VENTILATORE VAC Type 3 | Disegni
Documenti
Si prega di visualizzare il menu a tendina dal momento che alcuni prodotti potrebbero avere più disegni
| Item No. | Product Number | Qty Per | Product Description | INFORMAZIONI | Altre informazioni | Markets | Product Status |
|---|---|---|---|---|---|---|---|
| 1 | 287949-00 | 1 | ASS. KIT | TYPE 3 | CH | ||
| 2 | 287949-00 | 1 | ASS. KIT | TYPE 3 | CH | ||
| 3 | 152297-00 | 1 | MOLLA | CH | |||
| 4 | 150723-02 | 1 | CAPPUCCIO DI ENTRATA | CH | |||
| 5 | 150244-01 | 1 | INTERRUTTORE | CH | |||
| 6 | 330019-13 | 11 | VITE | M4X19 T20 | CH | ||
| 7 | 144575-01 | 1 | ATTUATORE | CH | |||
| 8 | 152299-00 | 1 | ATTUATORE | CH | |||
| 10 | 798602-00 | 1 | ETICHETTA IDENTIFIC. | CH | |||
| 11 | 798673-00 | 1 | ETICHETTA | CH | |||
| 13 | 381993-00 | 1 | TUBO | CH | |||
| 18 | 152471-00 | 1 | INTERRUTTORE | CH | |||
| 19 | 151616-01 | 1 | FILO | CH | |||
| 20 | 330019-01 | 2 | VITE | CH | |||
| 21 | 330019-02 | 2 | VITE | CH | |||
| 22 | 450877-00 | 1 | SERRAFILO | CH | |||
| 23 | 330048-25 | 1 | CAVO CON SPINA | CH | |||
| 25 | 320078-00 | 1 | MORSETTIERA | CH | |||
| 27 | 152855-00 | 1 | CAVETTO | CH | |||
| 30 | 149609-00 | 1 | TUBO ADATTATORE | CH | |||
| 32 | 152607-00 | 1 | INTERR. AUTOMATICO | TYPE 4 | CH | ||
| 34 | 147651-01 | 1 | SOSTEGNO PORTANTE | CH | |||
| 35 | 147652-00 | 1 | SOSTEGNO PORTANTE | CH | |||
| 36 | 147188-01 | 2 | CUSCINETTO | CH | |||
| 37 | 147088-00 | 2 | MANICOTTO | CH | |||
| 38 | 87212-00 | 1 | RONDELLA FIBRA | CH | |||
| 39 | 144795-03 | 1 | STATORE | CH | |||
| 40 | 152893-00 | 1 | INDOTTO | CH | |||
| 41 | 330019-19 | 2 | VITE | CH | |||
| 42 | 54831-00 | 1 | RONDELLA | CH | |||
| 43 | 144758-00 | 2 | RONDELLA | CH | |||
| 44 | 464273-02 | 1 | VENTOLA. BILANCIATA | CH | |||
| 45 | 145377-07 | 2 | ASS. PORTASPAZZOLE | CH | |||
| 47 | 148952-00 | 1 | LEAD BLACK | CH | |||
| 48 | 149125-00 | 1 | TUBE.EXHAUST | CH | |||
| 49 | 150292-00 | 1 | ASS. CAVETTO BIANCO | TYPE 3 | CH | ||
| 49 | 152864-00 | 1 | ASS. CAVETTO | TYPE 4 | CH | ||
| 51 | 150655-00 | 1 | LEAD SA BLACK | CH | |||
| 53 | 152280-00 | 1 | GUARNIZIONE | CH | |||
| 54 | 330019-01 | 2 | VITE | CH | |||
| 811 | 284405-00 | 1 | LOCTITE 5145 | CH | |||
| 836 | 559576-99 | 1 | S.T. SUPPORTO | CH | |||
| 837 | 559577-99 | 1 | ATTREZZO DI SERVIZIO | CH | |||
| 838 | 559578-99 | 1 | SET UP CHIODATRICE | CH | |||
| 839 | 559579-99 | 1 | ATTREZZO DI SERVIZIO | CH | |||
| 847 | 610004-01 | 1 | ASS.SACCHETTO | CH |