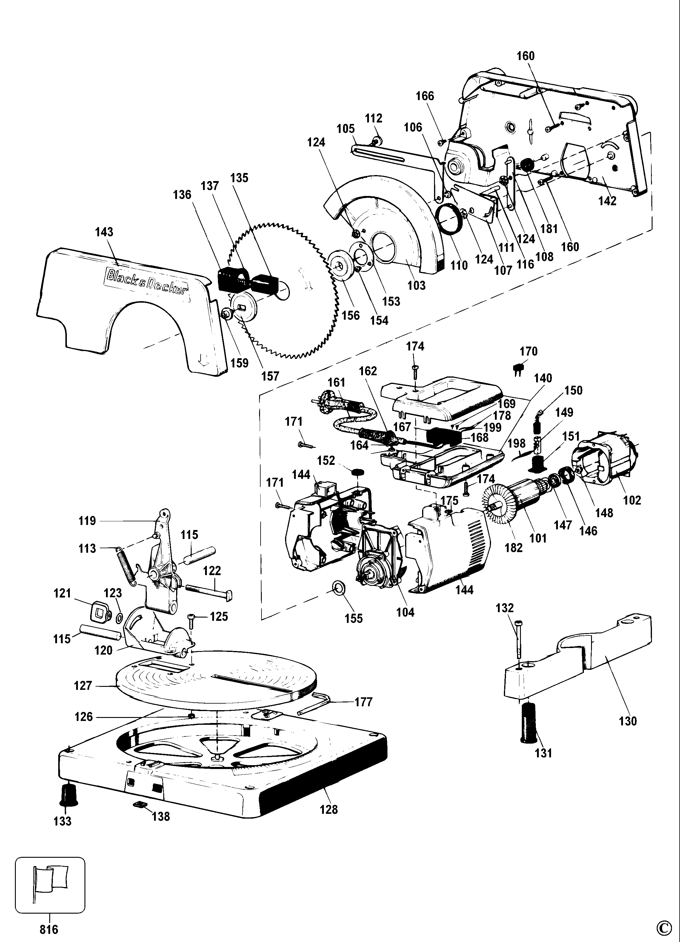
KS805 SEGA MITRE Type 2 | Disegni
Documenti
Si prega di visualizzare il menu a tendina dal momento che alcuni prodotti potrebbero avere più disegni

Item No. | Product Number | Qty Per | Product Description | INFORMAZIONI | Altre informazioni | Markets | Product Status | Guida ai prezzi |
---|---|---|---|---|---|---|---|---|
101 | 376538-04 | 1 | ARMATURE 230V | QS | ![]() |
37.96 EUR | ||
102 | 376537-00 | 1 | ASS. STATORE | QS | ![]() |
11.39 EUR | ||
103 | 879741-01 | 1 | PROTEZIONE | QS | ![]() |
6.05 EUR | ||
104 | 376826 | 1 | SCATOLA INGRANAGGI | QS | ![]() |
16.88 EUR | ||
105 | 911784 | 1 | LEVA | QS | ![]() |
1.54 EUR | ||
106 | 870091 | 1 | RIBATTINO | QS | ![]() |
1.00 EUR | ||
107 | 911794 | 1 | BARRA | QS | ![]() |
1.20 EUR | ||
108 | 911984 | 1 | BARRA | QS | ![]() |
1.74 EUR | ||
110 | 911891 | 1 | ANELLO | QS | ![]() |
1.10 EUR | ||
111 | 911946 | 1 | MOLLA | QS | ![]() |
1.00 EUR | ||
112 | 324776-00 | 1 | VITE | QS | ![]() |
1.20 EUR | ||
113 | 870049 | 2 | MOLLA | QS | ![]() |
2.26 EUR | ||
115 | 376649 | 1 | ASTA | QS | ![]() |
2.00 EUR | ||
116 | 911825 | 1 | ASTA | QS | ![]() |
1.20 EUR | ||
119 | 376645 | 1 | BLOCCO | QS | ![]() |
16.88 EUR | ||
120 | 879743-01 | 1 | STAFFA | QS | ![]() |
7.18 EUR | ||
121 | 796490-00 | 1 | NUT WING | QS | ![]() |
1.00 EUR | ||
122 | 911879 | 1 | VITE | QS | ![]() |
1.54 EUR | ||
123 | 369732 | 1 | RONDELLA | QS | ![]() |
1.00 EUR | ||
124 | 916105 | 3 | ANELLO | QS | ![]() |
1.00 EUR | ||
125 | 911281 | 4 | VITE | QS | 1.10 EUR | |||
126 | 911018 | 4 | DADO | QS | ![]() |
1.00 EUR | ||
127 | 320568-02 | 1 | PIATTO GIREVOLE | QS | ![]() |
22.98 EUR | ||
128 | 873296-49 | 1 | PIASTRA DI BASE | QS | ![]() |
25.24 EUR | ||
130 | 322555 | 1 | GUIDA | QS | ![]() |
11.39 EUR | ||
131 | 322444 | 2 | REGOLATORE | QS | ![]() |
1.33 EUR | ||
132 | 911880 | 2 | VITE | QS | ![]() |
1.10 EUR | ||
133 | 911972 | 4 | PIEDE | QS | ![]() |
1.20 EUR | ||
135 | 322446 | 1 | MANOPOLA | QS | ![]() |
1.44 EUR | ||
136 | 870008 | 1 | CURSORE | QS | ![]() |
1.74 EUR | ||
137 | 871676 | 1 | MOLLA | QS | ![]() |
1.10 EUR | ||
138 | 918405 | 2 | PIASTRA | QS | ![]() |
1.10 EUR | ||
140 | 573270-00 | 1 | ASS. CORPO | QS | ![]() |
6.05 EUR | ||
142 | 325832-05 | 1 | PROTEZIONE | QS | ![]() |
20.52 EUR | ||
143 | 325833-02 | 1 | PROTEZIONE | QS | ![]() |
15.54 EUR | ||
144 | 376540 | 1 | ASS CORPO | QS | ![]() |
8.52 EUR | ||
146 | 870052 | 1 | MANICOTTO | QS | ![]() |
1.10 EUR | ||
147 | 330003-31 | 1 | CUSCINETTO | QS | ![]() |
4.87 EUR | ||
148 | 911276 | 1 | VITE | QS | ![]() |
1.00 EUR | ||
149 | 321337 | 2 | PORTASPAZZOLE | QS | ![]() |
1.10 EUR | ||
150 | 321338 | 2 | BRUSH SA 230V | QS | ![]() |
6.05 EUR | ||
151 | 321328 | 2 | INSERTO | QS | ![]() |
1.20 EUR | ||
152 | 321345 | 2 | SPAZZOLA CALOTTA | QS | ![]() |
1.20 EUR | ||
153 | 914632 | 1 | PIASTRA DI COPERTURA | QS | ||||
154 | 911246 | 3 | VITE | QS | ![]() |
1.00 EUR | ||
155 | 377120 | 1 | RONDELLA | QS | ![]() |
1.00 EUR | ||
156 | 376716 | 1 | FLANGIA INTERNA | QS | ![]() |
2.67 EUR | ||
157 | 376823 | 1 | FLANGIA | QS | ![]() |
1.74 EUR | ||
159 | 874177 | 1 | VITE | QS | ![]() |
1.33 EUR | ||
160 | 372748-02 | 4 | VITE | QS | ![]() |
1.00 EUR | ||
161 | 747032-18 | 1 | CORDSET (EURO) | QS | ![]() |
4.21 EUR | ||
162 | 770235 | 1 | MANICOTTO | QS | ![]() |
1.10 EUR | ||
164 | 910556 | 1 | SERRAFILO PER CAVO | QS | ![]() |
1.00 EUR | ||
166 | 372748-00 | 6 | VITE | M4 x 12 | QS | ![]() |
1.00 EUR | |
167 | 873285 | 1 | CALOTTA | QS | ![]() |
1.20 EUR | ||
168 | 911726-S | 1 | INTERRUTTORE | QS | ![]() |
2.87 EUR | ||
169 | 911026 | 4 | VITE | QS | ![]() |
1.00 EUR | ||
170 | 807285-01 | 1 | CONDENSATORE | QS | ![]() |
1.44 EUR | ||
171 | 330065-08 | 6 | VITE | M4x18 T20 | QS | ![]() |
1.00 EUR | |
174 | 911878 | 2 | VITE | QS | ![]() |
1.10 EUR | ||
175 | 911521 | 2 | DADO | QS | ![]() |
1.00 EUR | ||
177 | 098000-11 | 1 | CHIAVE ESAGONALE | QS | ![]() |
1.33 EUR | ||
178 | 879775 | 1 | FILO | QS | ![]() |
1.10 EUR | ||
181 | 873112-01 | 1 | GOMMA | QS | ![]() |
1.00 EUR | ||
182 | 369362 | 1 | VENTOLA | QS | ||||
198 | 321354 | 2 | LEAD 70MM | QS | ![]() |
1.10 EUR | ||
199 | 878846 | 1 | LEAD 360MM | QS | ![]() |
1.10 EUR | ||
816 | 326880-02 | 1 | ETICHETTA MARCHIO | QS | ![]() |
2.00 EUR |
* I prezzi indicati possono subire variazioni e non sono inclusivi di IVA ed eventuali spese di trasporto. Ci riserviamo la possibilità di variare i prezzi e le condizioni senza preavviso.