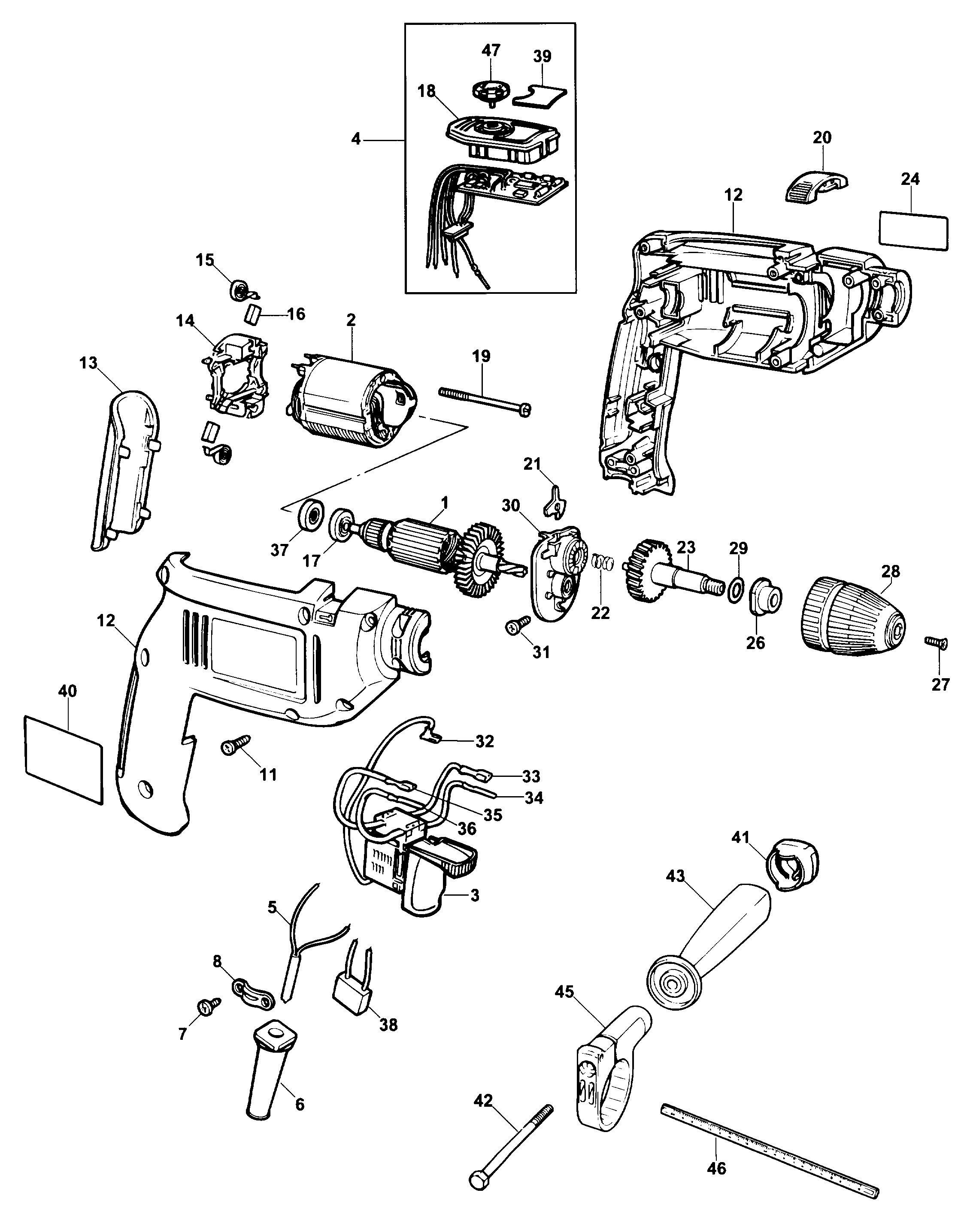
KD1000 TRAPANO Type 1 | Disegni
Documenti
Si prega di visualizzare il menu a tendina dal momento che alcuni prodotti potrebbero avere più disegni

Item No. | Product Number | Qty Per | Product Description | INFORMAZIONI | Altre informazioni | Markets | Product Status | Guida ai prezzi |
---|---|---|---|---|---|---|---|---|
1 | 798863-03 | 1 | INDOTTO | IT | ![]() |
27.91 EUR | ||
2 | 798832-05 | 1 | ASS. STATORE | IT | ![]() |
15.54 EUR | ||
3 | 372688-00 | 1 | INTERRUTTORE | IT | ![]() |
15.54 EUR | ||
4 | 377369-01 | 1 | ASS. MODULO | IT | ![]() |
68.64 EUR | ||
5 | 330080-03 | 1 | CAVO CON SPINA | IT | ![]() |
4.21 EUR | ||
6 | 770235 | 1 | MANICOTTO | IT | ![]() |
1.10 EUR | ||
7 | 370748 | 2 | VITE | IT | ![]() |
1.00 EUR | ||
8 | 821070 | 1 | SERRAFILO | IT | ![]() |
1.00 EUR | ||
11 | 809961 | 9 | VITE | IT | ![]() |
1.00 EUR | ||
12 | 372765 | 1 | CORPO | IT | ![]() |
14.00 EUR | ||
13 | 807000 | 1 | GANASCIA | IT | ![]() |
2.67 EUR | ||
14 | 806486-00 | 1 | BASETTA PORTASPAZ. | IT | ![]() |
8.52 EUR | ||
15 | 808527-00 | 2 | MOLLA SPAZZOLE | IT | ![]() |
3.08 EUR | ||
16 | 806681 | 2 | SPAZZOLE | IT | ![]() |
1.00 EUR | ||
17 | 812970 | 1 | INCASTELLATURA | IT | ![]() |
1.20 EUR | ||
18 | 798850 | 1 | INSERTO | IT | ![]() |
2.26 EUR | ||
19 | 812751 | 2 | SCREW.TEMP | IT | ![]() |
1.10 EUR | ||
20 | 798788 | 1 | SELETTORE | IT | ![]() |
1.33 EUR | ||
21 | 798815 | 1 | PLATE THRUST | IT | ![]() |
1.54 EUR | ||
22 | 821986 | 1 | MOLLA | IT | ![]() |
1.00 EUR | ||
23 | 808675-49 | 1 | ASS.ALBERO C/INGR. | IT | ![]() |
20.52 EUR | ||
24 | 798804-11 | 1 | ETICHETTA MARCHIO | IT | ![]() |
1.20 EUR | ||
26 | 798794 | 1 | BRONZINA | IT | ![]() |
1.44 EUR | ||
27 | 805434 | 1 | SCREW.SPECIAL | IT | ![]() |
1.00 EUR | ||
28 | 586589-00L | 1 | MANDRINO SENZA CHIA. | IT | ![]() |
10.05 EUR | ||
29 | 798795 | 1 | RONDELLA DI SPINTA | IT | ![]() |
1.10 EUR | ||
30 | 372163 | 1 | SCATOLA INGRANAGGI | IT | ![]() |
7.18 EUR | ||
31 | 809961 | 2 | VITE | IT | ![]() |
1.00 EUR | ||
32 | 376881 | 1 | LEAD ORANGE | IT | ![]() |
1.20 EUR | ||
33 | 376879 | 1 | LEAD BLUE | IT | ![]() |
1.10 EUR | ||
34 | 376878 | 1 | LEAD GREY | IT | ![]() |
1.10 EUR | ||
35 | 376880 | 1 | LEAD BROWN | IT | ![]() |
1.20 EUR | ||
36 | 376877 | 1 | LEAD WHITE | IT | ![]() |
1.10 EUR | ||
37 | 798813 | 1 | TRASMETTITORE | IT | ![]() |
4.21 EUR | ||
38 | 807745 | 1 | CONDENSATORE | IT | ![]() |
1.54 EUR | ||
39 | 808285 | 1 | ETICHETTA | IT | ![]() |
1.33 EUR | ||
41 | 372815 | 1 | CALOTTA | IT | ![]() |
1.33 EUR | ||
42 | 813918 | 1 | VITE | IT | ![]() |
1.20 EUR | ||
43 | 372818 | 1 | ASS. IMPUGNATURA | IT | ||||
45 | 808405 | 1 | MORSETTO | IT | ![]() |
1.74 EUR | ||
46 | 372814-00 | 1 | ARRESTO PROFONDITA' | IT | ![]() |
1.33 EUR | ||
47 | 798851-01 | 1 | MANOPOLA | IT | ![]() |
2.87 EUR |
* I prezzi indicati possono subire variazioni e non sono inclusivi di IVA ed eventuali spese di trasporto. Ci riserviamo la possibilità di variare i prezzi e le condizioni senza preavviso.