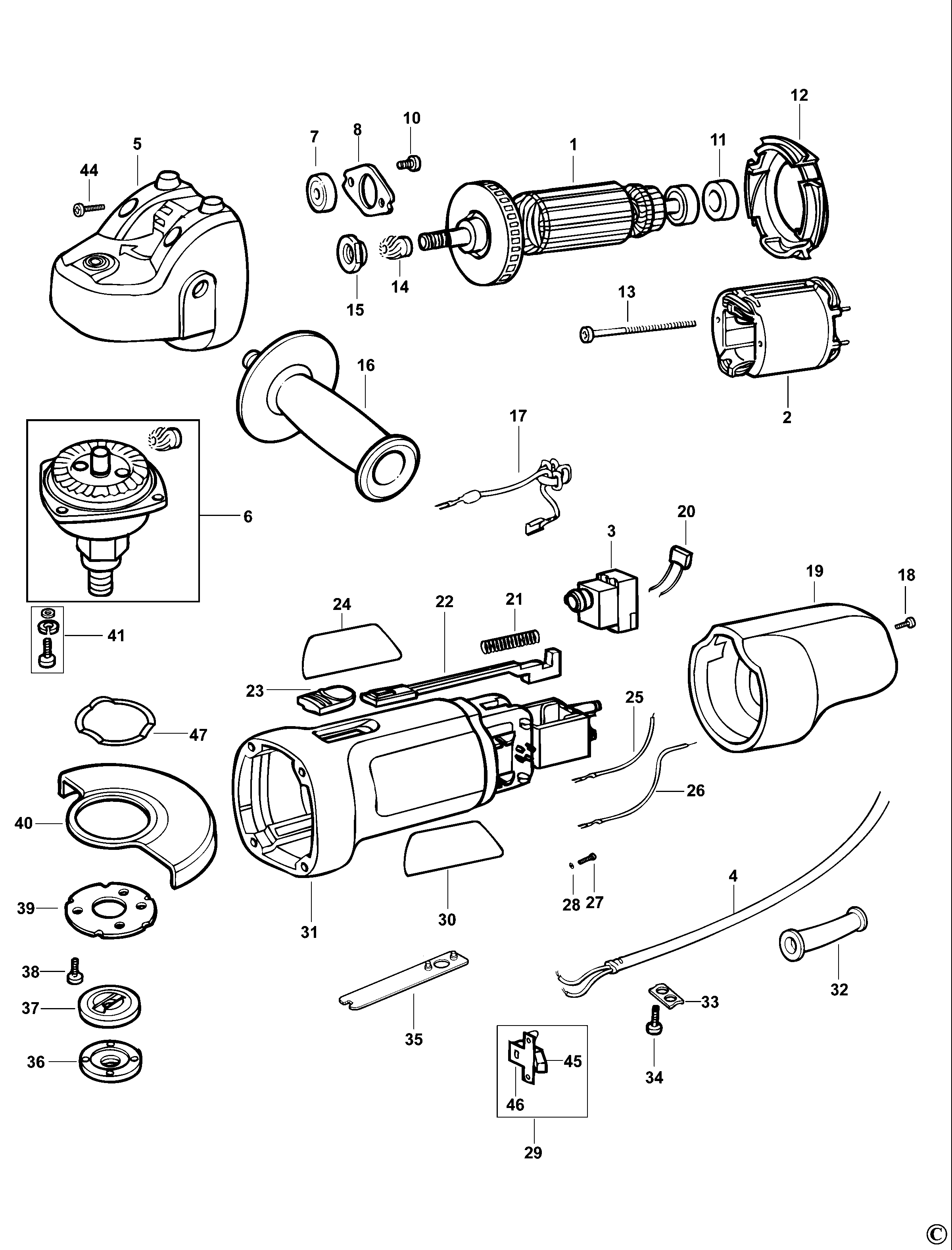
CD110 SMERIGLIATRICE ANGOLARE PICCOLA Type 2 | Disegni
Documenti
Si prega di visualizzare il menu a tendina dal momento che alcuni prodotti potrebbero avere più disegni

Item No. | Product Number | Qty Per | Product Description | INFORMAZIONI | Altre informazioni | Markets | Product Status | Guida ai prezzi |
---|---|---|---|---|---|---|---|---|
1 | 569157-00 | 1 | INDOTTO | QS | ![]() |
16.88 EUR | ||
2 | 569158-00 | 1 | ASS. STATORE | QS | ![]() |
7.18 EUR | ||
3 | 569159-00 | 1 | ASS. INTERRUTTORE | QS | ![]() |
5.54 EUR | ||
4 | 569162-00 | 1 | CORDSET (EURO) | CD110 | QS | ![]() |
3.08 EUR | |
5 | 569164-00 | 1 | SCATOLA INGRANAGGI | QS | ![]() |
8.52 EUR | ||
6 | 569166-00 | 1 | ASS. ALBERO | QS | ![]() |
12.67 EUR | ||
7 | 569167-00 | 1 | CUSCINETTO | QS | ![]() |
2.67 EUR | ||
8 | 569168-00 | 1 | PIASTRA DI COPERTURA | QS | ![]() |
1.10 EUR | ||
10 | 569170-00 | 2 | VITE | QS | ![]() |
1.00 EUR | ||
11 | 569171-00 | 1 | COPERTURA CUSCINETTO | QS | ![]() |
1.10 EUR | ||
12 | 569172-00 | 1 | LINGUETTA DI GUIDA | QS | ![]() |
1.10 EUR | ||
13 | 569173-00 | 2 | VITE | QS | ![]() |
1.00 EUR | ||
14 | 569174-00 | 1 | PIGNONE | QS | ![]() |
2.67 EUR | ||
15 | 569175-00 | 1 | DADO | QS | ![]() |
1.00 EUR | ||
16 | 569176-00 | 1 | ASS. IMPUGNATURA | QS | ![]() |
1.44 EUR | ||
17 | 569177-00 | 2 | ASS. CAVETTO | QS | ![]() |
1.74 EUR | ||
18 | 569178-00 | 1 | VITE | QS | ![]() |
1.00 EUR | ||
19 | 569179-00 | 1 | COPERTURA | QS | ![]() |
2.67 EUR | ||
20 | 569180-00 | 1 | CONDENSATORE | QS | ![]() |
1.54 EUR | ||
21 | 569181-00 | 1 | MOLLA | QS | ![]() |
1.00 EUR | ||
22 | 569182-00 | 1 | ASTA | QS | ![]() |
1.20 EUR | ||
23 | 569183-00 | 1 | MANOPOLA | QS | ![]() |
1.20 EUR | ||
24 | 569185-00 | 1 | ETICHETTA | QS | ![]() |
1.20 EUR | ||
25 | 569186-00 | 1 | LEAD 90MM | QS | ![]() |
1.20 EUR | ||
26 | 569187-00 | 1 | LEAD 120MM BLACK | QS | ![]() |
1.20 EUR | ||
27 | 569188-00 | 4 | VITE | QS | ![]() |
1.00 EUR | ||
28 | 569189-00 | 4 | RONDELLA | QS | ![]() |
1.00 EUR | ||
29 | 569190-00 | 2 | BRUSHBOX | QS | ![]() |
3.80 EUR | ||
30 | 569192-00 | 1 | ETICHETTA | QS | ![]() |
1.20 EUR | ||
31 | 569193-00 | 1 | CORPO MOTORE | QS | ![]() |
4.87 EUR | ||
32 | 569194-00 | 1 | MANICOTTO | QS | ![]() |
1.20 EUR | ||
33 | 569195-00 | 1 | SERRAFILO PER CAVO | QS | ![]() |
1.00 EUR | ||
34 | 569196-00 | 2 | VITE | QS | ![]() |
1.00 EUR | ||
35 | 569197-00 | 1 | CHIAVE | QS | ![]() |
1.74 EUR | ||
36 | 569199-00 | 1 | FLANGIA ESTERNA | QS | ![]() |
1.33 EUR | ||
37 | 569201-00 | 1 | FLANGIA INTERNA | QS | ![]() |
1.33 EUR | ||
38 | 569202-00 | 3 | VITE | QS | ![]() |
1.00 EUR | ||
39 | 569203-00 | 1 | FLANGIA | QS | ![]() |
1.20 EUR | ||
40 | 569205-00 | 1 | PROTEZIONE | 100mm | QS | ![]() |
2.87 EUR | |
41 | 569206-00 | 4 | VITE | QS | ![]() |
1.00 EUR | ||
44 | 569209-00 | 4 | VITE | QS | ![]() |
1.00 EUR | ||
45 | 596071-00 | 2 | BRUSH 230V | QS | ![]() |
1.74 EUR | ||
46 | 596072-00 | 2 | BRUSHBOX | QS | ![]() |
1.20 EUR | ||
47 | 1004515-22 | 1 | RONDELLA DI SPINTA | QS | ![]() |
1.33 EUR |
* I prezzi indicati possono subire variazioni e non sono inclusivi di IVA ed eventuali spese di trasporto. Ci riserviamo la possibilità di variare i prezzi e le condizioni senza preavviso.