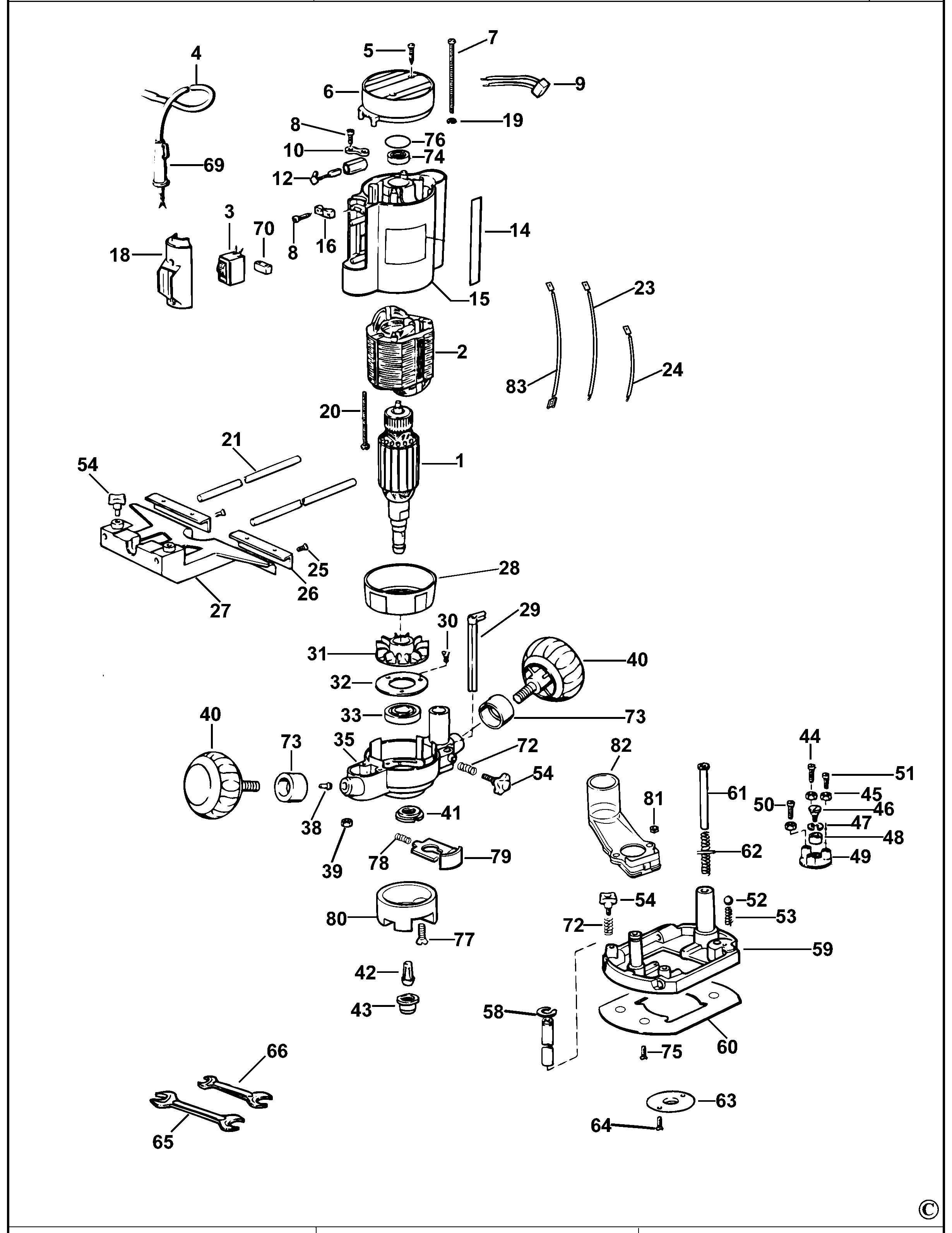
DW613-----C PLUNGE ROUTER Type 1 | Disegni
Documenti
Si prega di visualizzare il menu a tendina dal momento che alcuni prodotti potrebbero avere più disegni

Item No. | Product Number | Qty Per | Product Description | INFORMAZIONI | Altre informazioni | Markets | Product Status | Guida ai prezzi |
---|---|---|---|---|---|---|---|---|
1 | 249717-00 | 1 | INDOTTO | 115V | QS | ![]() |
68.64 EUR | |
1 | 868389-00 | 1 | ARMATURE 230V | 230V | QS | ![]() |
106.50 EUR | |
2 | 868628-01 | 1 | STATORE | 230V | QS | ![]() |
55.40 EUR | |
2 | 868628-03 | 1 | STATORE | 115V | QS | ![]() |
32.42 EUR | |
3 | N566709 | 1 | INTERRUTTORE | QS | ![]() |
36.12 EUR | ||
4 | 868536-00 | 1 | ASS. CAVO | QS | ![]() |
7.18 EUR | ||
4 | 249322-02 | 1 | CAVO CON SPINA | US-CA | QS | |||
5 | 248850-00 | 4 | VITE | QS | ![]() |
1.10 EUR | ||
6 | 179120201 | 1 | COPERTURA | QS | ![]() |
3.80 EUR | ||
7 | 179910344 | 4 | VITE | QS | ![]() |
1.33 EUR | ||
9 | 320842-03 | 1 | CONDENSATORE | NOT "US" | QS | ![]() |
2.00 EUR | |
10 | 868069-00 | 2 | MORSETTO | QS | ![]() |
1.10 EUR | ||
12 | 248447-11 | 2 | ASS.SPAZ.E PORTASP. | 115V | QS | ![]() |
5.54 EUR | |
12 | 247533-11 | 2 | BRUSH & HOLDER 230V | 230V | QS | ![]() |
5.54 EUR | |
14 | 249240-01 | 1 | SCALA | QS | ![]() |
2.00 EUR | ||
15 | 248966-03 | 1 | CORPO | QS | ![]() |
27.91 EUR | ||
16 | 576118-00 | 1 | SERRAFILO | QS | ![]() |
1.10 EUR | ||
18 | 248532-01 | 1 | COPERTURA | Yellow | QS | ![]() |
3.08 EUR | |
19 | 093820600 | 6 | RONDELLA DENTATA | QS | ![]() |
1.00 EUR | ||
20 | 868528-00 | 2 | VITE | QS | ![]() |
1.10 EUR | ||
22 | 868080-00 | 2 | ASTA | QS | ![]() |
2.36 EUR | ||
23 | 248849-00 | 1 | LEAD RED | 115V | QS | ![]() |
1.20 EUR | |
23 | 868530-07 | 1 | LEAD BLUE | 230V | QS | ![]() |
1.10 EUR | |
24 | 179164503 | 1 | LEAD 160MM BLUE | 230V | QS | ![]() |
1.10 EUR | |
24 | 248848-00 | 1 | LEAD 90MM | 115V | QS | ![]() |
1.20 EUR | |
25 | 860205-04 | 1 | VITE | QS | ![]() |
1.00 EUR | ||
26 | 249090-00 | 1 | GUIDA | QS | ![]() |
2.67 EUR | ||
27 | 948651-00 | 1 | ASS. GUIDA | QS | ![]() |
34.06 EUR | ||
28 | 179120600 | 1 | BAFFLE FAN | QS | ![]() |
2.67 EUR | ||
29 | 868523-01 | 1 | ARRESTO PROFONDITA' | QS | ![]() |
4.87 EUR | ||
30 | 249417-00 | 3 | VITE | QS | ![]() |
1.54 EUR | ||
31 | 943054-00 | 1 | VENTOLA | QS | ![]() |
2.87 EUR | ||
32 | 868047-00 | 1 | PIASTRA | QS | ![]() |
2.67 EUR | ||
33 | 868768-16 | 1 | CUSCINETTO | QS | ![]() |
4.21 EUR | ||
35 | 248967-01 | 1 | SCATOLA INGRANAGGI | QS | ![]() |
48.22 EUR | ||
38 | 179123500 | 1 | PERNO DI BLOCCO | QS | ![]() |
1.33 EUR | ||
39 | 249232-00 | 4 | NUT M4 | QS | ![]() |
1.00 EUR | ||
40 | 869284-05 | 2 | ASS. IMPUGNATURA | QS | ![]() |
4.87 EUR | ||
41 | 868052-00 | 1 | DADO | QS | ![]() |
7.18 EUR | ||
43 | 326286-00 | 1 | SG COLLETTO E DADO | 8mm | QS | ![]() |
11.39 EUR | |
43 | 326286-01 | 1 | SG COLLETTO E DADO | 6.35mm 1/4 inch | QS | ![]() |
20.52 EUR | |
44 | 942931-01 | 1 | VITE | QS | ![]() |
1.10 EUR | ||
45 | 860083-02 | 3 | DADO | QS | ![]() |
1.00 EUR | ||
46 | 249432-00 | 1 | VITE | QS | ![]() |
1.74 EUR | ||
47 | 860658-01 | 1 | RONDELLA | QS | ![]() |
1.00 EUR | ||
48 | 868092-00 | 1 | RONDELLA | QS | ![]() |
1.20 EUR | ||
49 | 720674-01 | 1 | TORRETTA | QS | ![]() |
4.87 EUR | ||
50 | 868109-00 | 1 | VITE | QS | ![]() |
1.10 EUR | ||
51 | 942931-02 | 1 | SCREW.TEMP | QS | ![]() |
1.10 EUR | ||
52 | 720664-00 | 1 | SFERA | QS | ![]() |
1.00 EUR | ||
53 | 868082-00 | 1 | MOLLA | QS | ![]() |
1.00 EUR | ||
54 | 025922908 | 5 | MANOPOLA | QS | ![]() |
1.74 EUR | ||
58 | 943032-00 | 1 | ANELLO D'ARRESTO | QS | ![]() |
1.00 EUR | ||
59 | 868613-00 | 1 | ASS. PIASTRA BASE | QS | ![]() |
72.33 EUR | ||
60 | 943042-00 | 1 | BASE | QS | ![]() |
5.54 EUR | ||
61 | 868566-00 | 1 | ASTA | QS | ![]() |
1.00 EUR | ||
62 | 248953-00 | 1 | MOLLA | QS | ![]() |
1.20 EUR | ||
63 | 249014-01 | 1 | GUAINA ISOLANTE | QS | ![]() |
6.05 EUR | ||
64 | 249412-20 | 2 | VITE | QS | ![]() |
1.00 EUR | ||
65 | 941580-00 | 1 | SPANNER 13-17MM | QS | ![]() |
3.80 EUR | ||
66 | 868078-00 | 1 | CHIAVE | QS | ![]() |
3.80 EUR | ||
66 | 868078-00 | 1 | CHIAVE | QS | ![]() |
3.80 EUR | ||
69 | 868520-00 | 1 | CORD PROTECTOR | QS | ![]() |
1.33 EUR | ||
70 | 248851-00 | 2 | SPUGNA | QS | ![]() |
1.10 EUR | ||
72 | 868082-00 | 3 | MOLLA | QS | ![]() |
1.00 EUR | ||
73 | 249108-00 | 2 | GUAINA ISOLANTE | QS | ![]() |
1.20 EUR | ||
74 | N110358 | 1 | CUSCINETTO | QS | ![]() |
2.00 EUR | ||
75 | 248084-10 | 4 | VITE | QS | ![]() |
1.10 EUR | ||
76 | 030971003 | 1 | GUARNIZIONE | QS | ![]() |
1.10 EUR | ||
77 | 249444-02 | 4 | VITE | QS | ![]() |
2.87 EUR | ||
78 | N406641 | 1 | MOLLA DI COMPRESSIONE | QS | ![]() |
1.00 EUR | ||
79 | 943114-00 | 1 | ARRESTO PULSANTE | QS | ![]() |
22.98 EUR | ||
80 | 943057-00 | 1 | COPERTURA | QS | ![]() |
4.87 EUR | ||
81 | 249232-10 | 2 | NUT M5 | NOT "US" | QS | ![]() |
1.00 EUR | |
83 | 096164515 | 2 | LEAD 75MM YELLOW | 120V US-CA | QS | ![]() |
1.20 EUR | |
83 | 157164507 | 1 | LEAD 65MM YELLOW | 115V | QS | ![]() |
1.20 EUR | |
83 | 179164502 | 1 | LEAD 60MM YELLOW | 230V | QS | ![]() |
1.10 EUR | |
84 | 945304-01 | 1 | ESTRATTORE POLVERE | NOT "US" | QS | ![]() |
4.87 EUR |
* I prezzi indicati possono subire variazioni e non sono inclusivi di IVA ed eventuali spese di trasporto. Ci riserviamo la possibilità di variare i prezzi e le condizioni senza preavviso.