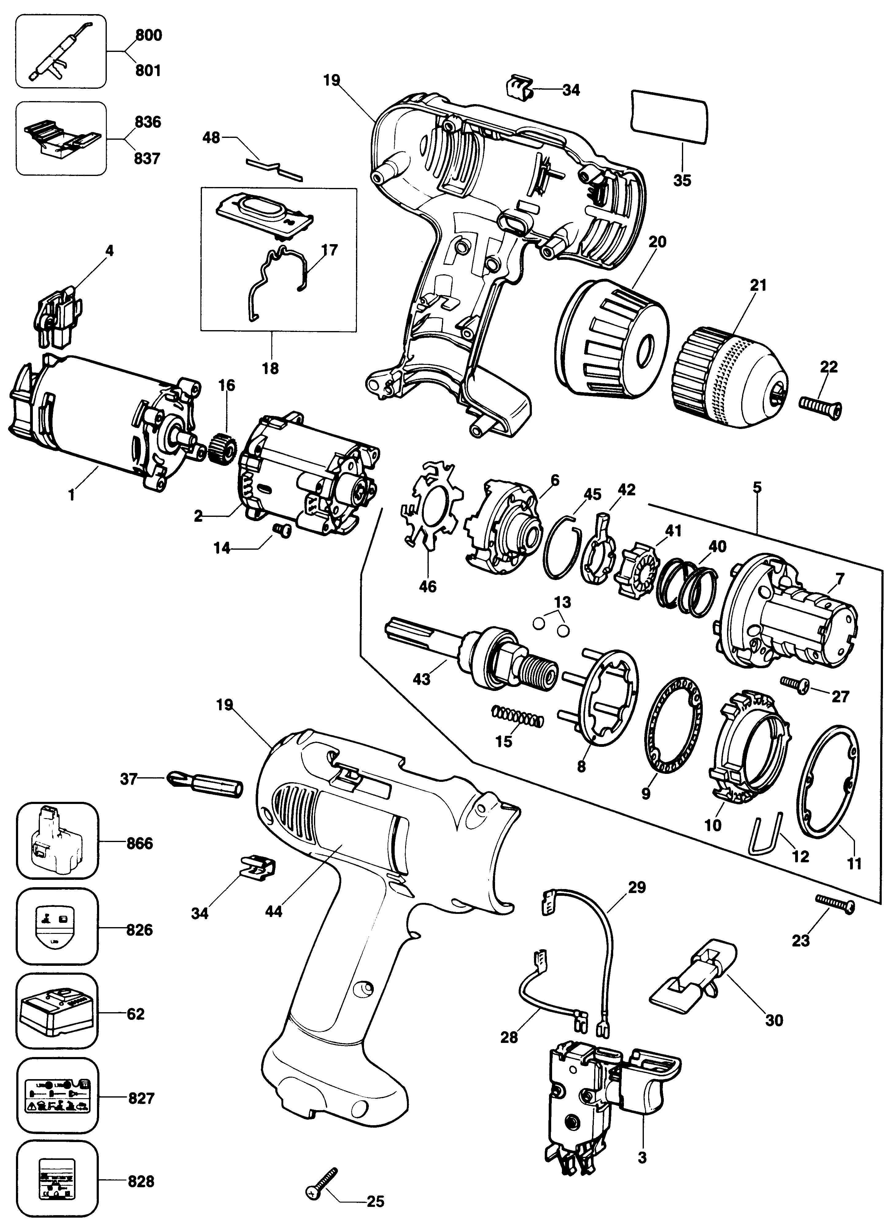
DW909 TRAPANO SENZA CAVO Type 1 | Disegni
Documenti
Si prega di visualizzare il menu a tendina dal momento che alcuni prodotti potrebbero avere più disegni

Item No. | Product Number | Qty Per | Product Description | INFORMAZIONI | Altre informazioni | Markets | Product Status | Guida ai prezzi |
---|---|---|---|---|---|---|---|---|
1 | 580920-05 | 1 | SG MOTORE | IT | ![]() |
52.94 EUR | ||
2 | 805080-44 | 1 | SCATOLA INGRANAGGI | IT | ![]() |
25.24 EUR | ||
3 | 368832-06 | 1 | ASS. INTERRUTTORE | IT | ![]() |
72.33 EUR | ||
4 | 373091-02 | 1 | SPAZZOLE ( X 2 ) SA | IT | ![]() |
9.20 EUR | ||
5 | 373703-02 | 1 | MODULO COMBI | IT | ![]() |
36.12 EUR | ||
6 | 373705-02 | 1 | ASS. COPERCHIO | IT | ![]() |
11.39 EUR | ||
7 | 798966-00 | 1 | ASS CORPO | IT | ![]() |
2.00 EUR | ||
8 | 798963-01 | 1 | SUPPORTO | IT | ![]() |
1.54 EUR | ||
9 | 798708 | 1 | PIASTRA | IT | ![]() |
1.33 EUR | ||
10 | 798709-00 | 1 | DADO | IT | ![]() |
1.10 EUR | ||
11 | 805004-00 | 1 | RONDELLA | IT | ![]() |
1.10 EUR | ||
12 | 798959-00 | 1 | GRAFFA | IT | ![]() |
1.00 EUR | ||
13 | 386690-00 | 13 | SFERA | STEEL, 5MM | IT | ![]() |
1.00 EUR | |
14 | 798486 | 4 | VITE | IT | ![]() |
1.00 EUR | ||
15 | 798707 | 6 | MOLLA | IT | ![]() |
1.00 EUR | ||
16 | 380325-02 | 1 | PIGNONE | IT | ![]() |
1.20 EUR | ||
17 | 799024 | 1 | MOLLA | IT | ![]() |
1.20 EUR | ||
18 | 153281-03 | 1 | ASS. CURSORE | IT | ![]() |
1.74 EUR | ||
19 | 392654-00 | 1 | ASS. CORPO | IT | ![]() |
27.91 EUR | ||
20 | 799013-01 | 1 | ANELLO | IT | ![]() |
4.87 EUR | ||
21 | 330075-46 | 1 | MANDRINO SENZA CHIA. | IT | ![]() |
36.12 EUR | ||
22 | 368409 | 1 | VITE | TYPE 1A-2 | IT | ![]() |
1.33 EUR | |
22 | 810014 | 1 | VITE | TYPE 1 | IT | ![]() |
1.10 EUR | |
23 | 733886 | 4 | VITE | IT | ![]() |
1.00 EUR | ||
25 | 747329 | 7 | VITE | IT | ![]() |
1.00 EUR | ||
27 | 798774 | 2 | VITE | IT | ![]() |
1.00 EUR | ||
28 | 373091-02 | 1 | SPAZZOLE ( X 2 ) SA | IT | ![]() |
9.20 EUR | ||
29 | 373091-02 | 1 | SPAZZOLE ( X 2 ) SA | IT | ![]() |
9.20 EUR | ||
30 | 151296-00 | 1 | CURSORE | IT | ![]() |
1.10 EUR | ||
34 | 148354-03 | 2 | PORTAUTENSILE | IT | ![]() |
1.00 EUR | ||
35 | 149490-00 | 1 | ETICHETTA MARCHIO | IT | ![]() |
1.10 EUR | ||
37 | 297757-02 | 1 | BIT PHILLIPS | IT | ![]() |
1.54 EUR | ||
40 | 799981-00 | 1 | MOLLA | IT | ![]() |
1.00 EUR | ||
41 | 799980 | 1 | DENTE D'ARR. FISSO | IT | ![]() |
2.26 EUR | ||
42 | 799978 | 1 | CAMMA | IT | ![]() |
1.33 EUR | ||
43 | 573146-00 | 1 | ASS. ALBERO | IT | ![]() |
14.00 EUR | ||
44 | 569037-00 | 1 | SCHEDA | TYPE 1 | IT | ![]() |
1.54 EUR | |
44 | 374414-01 | 1 | SCHEDA | TYPE 2 | IT | ![]() |
1.20 EUR | |
44 | 374414-01 | 1 | SCHEDA | TYPE 1A | IT | ![]() |
1.20 EUR | |
45 | 805002 | 1 | MOLLA | IT | ![]() |
1.00 EUR | ||
46 | 805006 | 1 | ANELLO DI TENUTA | TYPE 1 | IT | ![]() |
1.20 EUR | |
48 | 144658-00 | 1 | MOLLA | IT | ![]() |
1.00 EUR | ||
800 | 808386-00 | 1 | GRASSO | MOLYKOTE G68 100GMS | IT | 72.33 EUR | ||
801 | 805639 | 1 | GREASE 3KG | IT | ![]() |
44.63 EUR | ||
826 | 578763-01 | 1 | ETICHETTA IDENTIFIC. | IT | ![]() |
1.44 EUR | ||
827 | 643500-00 | 1 | ETICHETTA DI AVVISO | IT | ![]() |
1.10 EUR | ||
828 | 583471-05 | 1 | TARGHETTA | IT | ![]() |
1.20 EUR | ||
836 | 559500-99 | 1 | SET UP CHIODATRICE | IT | ![]() |
37.96 EUR | ||
837 | 559501-99 | 1 | ATTREZZO DI PRESSA | IT | ![]() |
12.67 EUR |
* I prezzi indicati possono subire variazioni e non sono inclusivi di IVA ed eventuali spese di trasporto. Ci riserviamo la possibilità di variare i prezzi e le condizioni senza preavviso.