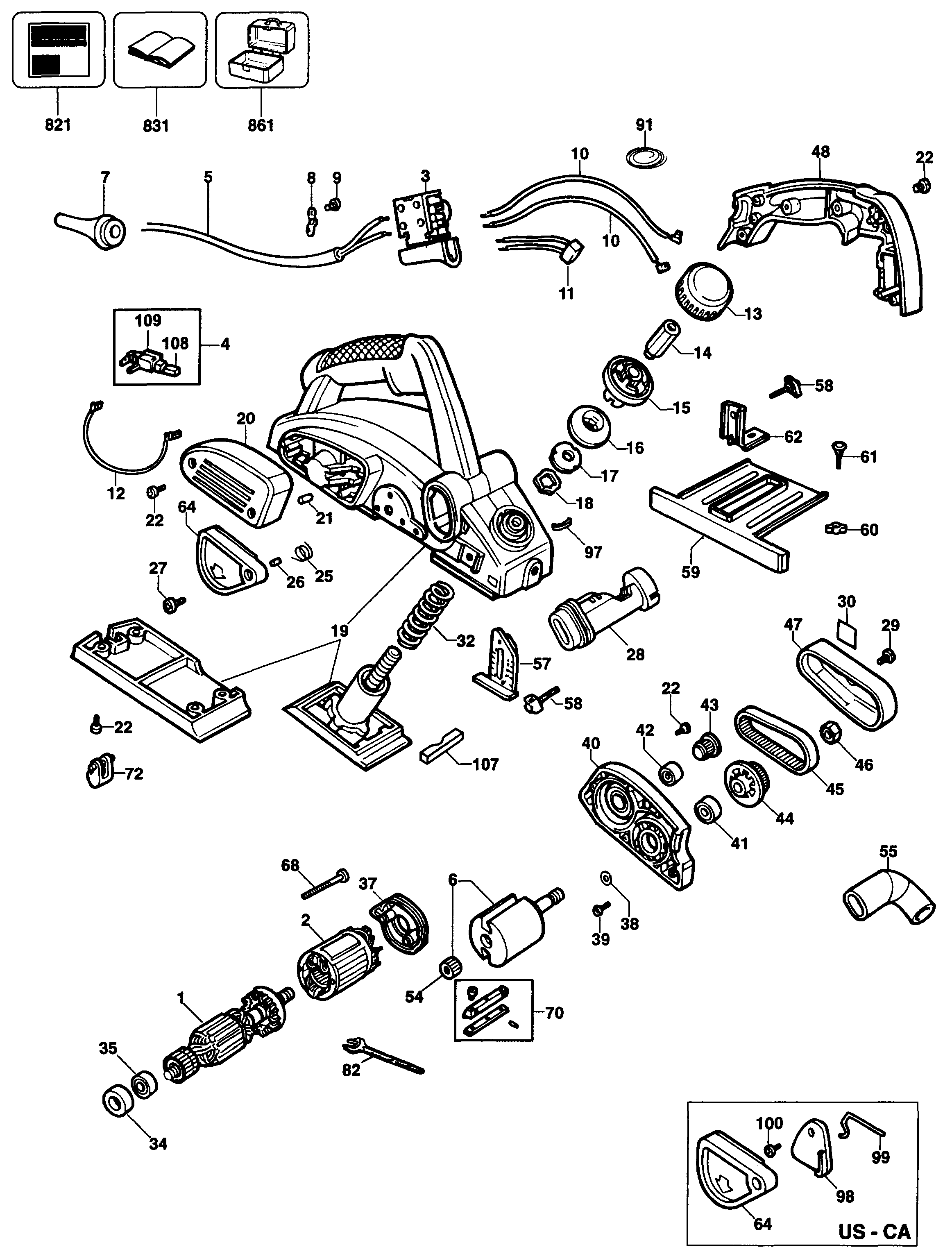
DW678 PIALLA Type 1 | Disegni
Documenti
Si prega di visualizzare il menu a tendina dal momento che alcuni prodotti potrebbero avere più disegni

Item No. | Product Number | Qty Per | Product Description | INFORMAZIONI | Altre informazioni | Markets | Product Status | Guida ai prezzi |
---|---|---|---|---|---|---|---|---|
1 | 327386-02 | 1 | ARMATURE 115V | GB 115V | QS | ![]() |
50.38 EUR | |
1 | 578603-00 | 1 | ARMATURE 230V | GB 230V | QS | ![]() |
72.33 EUR | |
2 | 328548-09 | 1 | FIELD 115V | GB 115V | QS | ![]() |
8.52 EUR | |
2 | 328548-06 | 1 | FIELD 230V | GB 230V | QS | ![]() |
27.91 EUR | |
3 | 327383-03 | 1 | ASS. INTERRUTTORE | GB 230V | QS | ![]() |
6.05 EUR | |
4 | 575963-00 | 1 | BRUSH PAIR 230V | GB 230V | QS | ![]() |
16.88 EUR | |
5 | 330048-12 | 1 | CORDSET (EURO) | QS | ![]() |
8.52 EUR | ||
6 | 574232-01 | 1 | ASS. RULLO PORTALAME | QS | ![]() |
52.94 EUR | ||
7 | 320785 | 1 | CORD PROTECTOR | GB 115V | QS | ![]() |
1.44 EUR | |
7 | 320785 | 1 | CORD PROTECTOR | GB 230V | QS | ![]() |
1.44 EUR | |
7 | 320785 | 1 | CORD PROTECTOR | QS | ![]() |
1.44 EUR | ||
8 | 329301-00 | 1 | SERRAFILO | QS | ![]() |
1.10 EUR | ||
9 | 330065-06 | 2 | VITE | QS | ![]() |
1.00 EUR | ||
10 | 323768-14 | 2 | ASS. CAVETTO | GB 230V | QS | ![]() |
1.33 EUR | |
10 | 323768-14 | 2 | ASS. CAVETTO | GB 115V | QS | ![]() |
1.33 EUR | |
11 | 321384 | 1 | CONDENSATORE | GB 230V | QS | ![]() |
1.44 EUR | |
11 | 940398 | 1 | CONDENSATORE | GB 115V | QS | ![]() |
2.00 EUR | |
12 | 323768-15 | 2 | ASS. CAVETTO | GB 230V | QS | ![]() |
1.33 EUR | |
12 | 323768-15 | 2 | ASS. CAVETTO | GB 115V | QS | ![]() |
1.33 EUR | |
13 | 326592-00 | 1 | CALOTTA | QS | ![]() |
4.21 EUR | ||
14 | 328772-00 | 1 | DADO | QS | ![]() |
1.74 EUR | ||
15 | 326590-01 | 1 | BASE | QS | ![]() |
2.26 EUR | ||
16 | 326589-02 | 1 | SCALA | GB 230V | QS | ![]() |
2.87 EUR | |
16 | 326589-02 | 1 | SCALA | GB 115V | QS | ![]() |
2.87 EUR | |
17 | 326381-00 | 1 | FERMO | QS | ![]() |
1.44 EUR | ||
18 | 327341-00 | 1 | RONDELLA ELASTICA | QS | ![]() |
1.20 EUR | ||
19 | 000000-00 | 1 | NON PIU' FORNIBILE | QS | ||||
20 | 326629-00 | 1 | COPERTURA SPAZZOLE | QS | ![]() |
2.67 EUR | ||
21 | 326636-00 | 2 | PALO | QS | ![]() |
1.00 EUR | ||
22 | 330065-08 | 13 | VITE | M4x18 T20 | QS | ![]() |
1.00 EUR | |
25 | 323722-00 | 1 | MOLLA | QS | ![]() |
1.00 EUR | ||
26 | 326823-01 | 1 | GUAINA ISOLANTE | QS | ![]() |
1.33 EUR | ||
27 | 324006-00 | 1 | VITE | QS | ![]() |
1.00 EUR | ||
28 | 327387-00 | 1 | EIETTORE | QS | ![]() |
4.87 EUR | ||
29 | 324006-11 | 1 | VITE | QS | ![]() |
1.00 EUR | ||
30 | 578758-00 | 1 | ETICHETTA MARCHIO | QS | ![]() |
1.10 EUR | ||
32 | 572255-00 | 1 | MOLLA | QS | ![]() |
1.33 EUR | ||
34 | 323481-00 | 1 | CALOTTA | QS | ![]() |
1.33 EUR | ||
35 | 605040-63 | 1 | CUSCINETTO | QS | ![]() |
2.26 EUR | ||
37 | 326596-00 | 1 | LINGUETTA DI GUIDA | QS | ![]() |
1.54 EUR | ||
38 | 330016-01 | 3 | RONDELLA | QS | ![]() |
1.00 EUR | ||
39 | 324006-06 | 3 | VITE | QS | ![]() |
1.00 EUR | ||
40 | 327381-00 | 1 | HOUSING BEARING | QS | ![]() |
25.24 EUR | ||
41 | 330003-11 | 1 | CUSCINETTO | QS | ![]() |
5.54 EUR | ||
42 | N542566 | 1 | CUSCINETTO | QS | ![]() |
8.52 EUR | ||
42 | N542566 | 1 | CUSCINETTO | QS | ![]() |
8.52 EUR | ||
43 | 324105-00 | 1 | PULEGGIA | QS | ![]() |
4.21 EUR | ||
44 | 327065-00 | 1 | PIGNONE | QS | ![]() |
3.08 EUR | ||
45 | 325106-00 | 1 | CINGHIA DENTATA | QS | ![]() |
6.05 EUR | ||
46 | 761225-02 | 1 | DADO | QS | ![]() |
1.00 EUR | ||
47 | 329269-00 | 1 | COPERTURA | QS | ![]() |
4.87 EUR | ||
48 | 326594-01 | 1 | COPERTURA | QS | ![]() |
8.52 EUR | ||
54 | 330004-07 | 1 | BOCCOLA AD AGHI | QS | 2.87 EUR | |||
55 | 327392-00 | 1 | ADATTATORE | QS | ![]() |
2.87 EUR | ||
57 | 327393-00 | 1 | GUIDA | QS | ![]() |
1.74 EUR | ||
58 | 326573-01 | 2 | SCREW WING | QS | ![]() |
2.36 EUR | ||
59 | 327391-00 | 1 | SCANALATURA DI GUIDA | QS | ![]() |
12.67 EUR | ||
60 | 328834-00 | 1 | NUT WING | QS | ![]() |
1.10 EUR | ||
61 | 911111 | 1 | BULLONE | QS | ![]() |
1.00 EUR | ||
62 | 328175-00 | 1 | STAFFA | QS | ![]() |
1.54 EUR | ||
64 | 326637-00 | 1 | PROTEZIONE | QS | ![]() |
1.44 EUR | ||
68 | 330065-10 | 2 | VITE | QS | ![]() |
1.10 EUR | ||
70 | N542564 | 2 | ASS. MORSETTO | QS | ![]() |
10.05 EUR | ||
70 | N542564 | 2 | ASS. MORSETTO | QS | ![]() |
10.05 EUR | ||
72 | N381124 | 1 | CAVALLETTO | QS | ![]() |
6.05 EUR | ||
82 | 868148-00 | 1 | CHIAVE | QS | ![]() |
2.67 EUR | ||
91 | 941486-00 | 1 | CAVO TIE | QS | ![]() |
1.00 EUR | ||
97 | 329145-00 | 1 | GRAFFA | QS | ![]() |
1.00 EUR | ||
107 | 329829-00 | 1 | GUARNIZIONE | QS | ![]() |
1.10 EUR | ||
108 | 575963-00 | 1 | BRUSH PAIR 230V | 230V | QS | ![]() |
16.88 EUR | |
108 | 329784-49 | 1 | BRUSH PAIR 115V | 115 / 120V | QS | ![]() |
12.67 EUR | |
109 | 329780-49 | 1 | PORTASPAZZOLE | QS | ![]() |
2.36 EUR |
* I prezzi indicati possono subire variazioni e non sono inclusivi di IVA ed eventuali spese di trasporto. Ci riserviamo la possibilità di variare i prezzi e le condizioni senza preavviso.