DW740 SEGA DA TAVOLO Type A2 | Disegni
Documenti
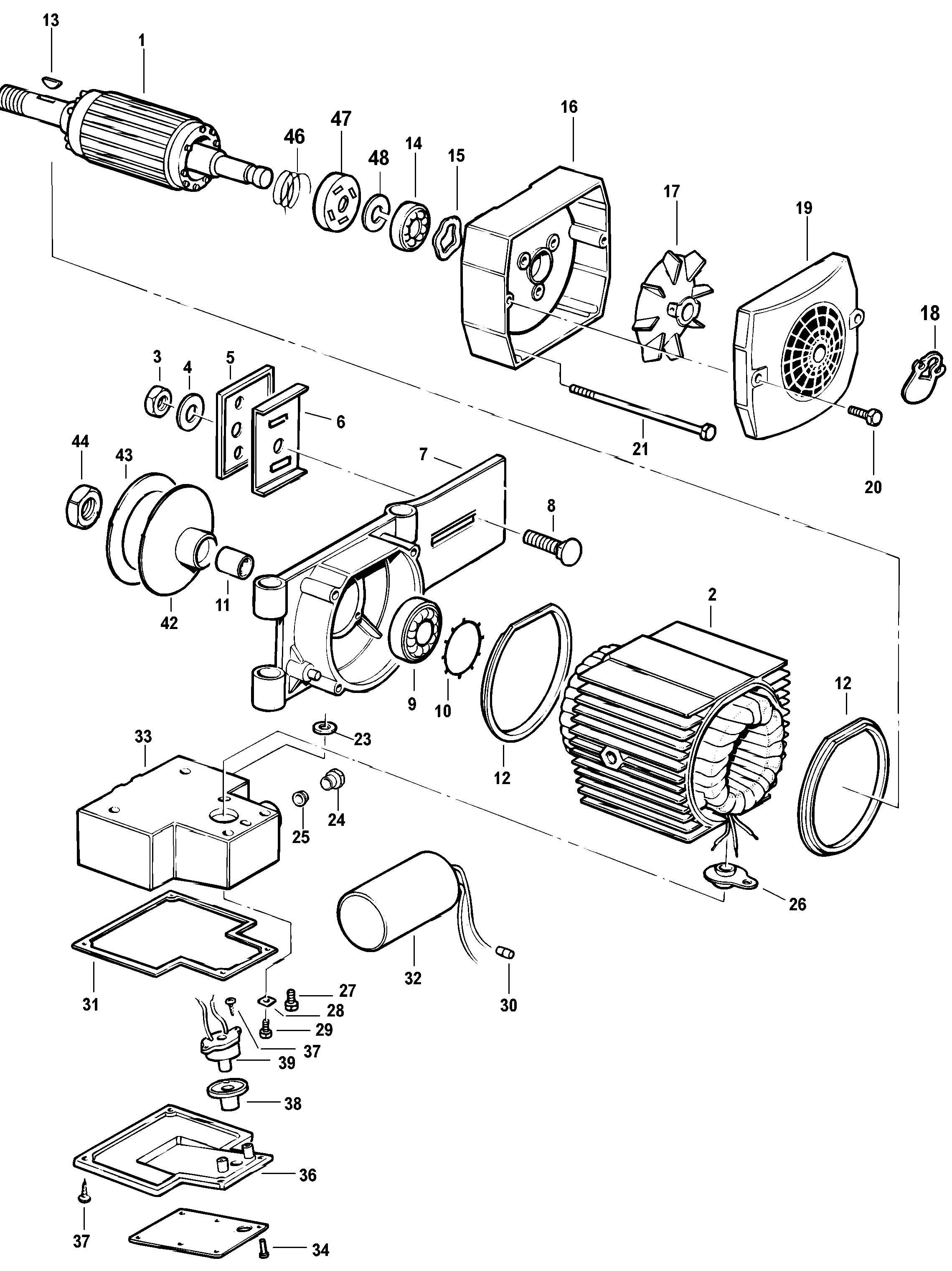
Si prega di visualizzare il menu a tendina dal momento che alcuni prodotti potrebbero avere più disegni

Item No. | Product Number | Qty Per | Product Description | INFORMAZIONI | Altre informazioni | Markets | Product Status | Guida ai prezzi |
---|---|---|---|---|---|---|---|---|
1 | 868496-01 | 1 | ASS. ROTORE | QV | ![]() |
101.57 EUR | ||
2 | 868393-01 | 1 | STATOR SA 230V | QV | ![]() |
91.62 EUR | ||
3 | 860083-05 | 1 | NUT RH | QV | ![]() |
1.10 EUR | ||
4 | 860074-04 | 1 | RONDELLA | QV | ![]() |
1.10 EUR | ||
5 | 944360-00 | 1 | PIASTRA | QV | ![]() |
2.87 EUR | ||
6 | 944359-00 | 1 | PIASTRA | QV | ![]() |
3.80 EUR | ||
7 | 944354-00 | 1 | CORPO | QV | 66.18 EUR | |||
8 | 860301-15 | 1 | VITE | QV | ![]() |
1.33 EUR | ||
9 | 868768-10 | 1 | CUSCINETTO | QV | ![]() |
8.52 EUR | ||
10 | 860806-01 | 1 | ANELLO | QV | ![]() |
2.00 EUR | ||
11 | 942490-00 | 1 | GUAINA ISOLANTE | QV | ![]() |
3.08 EUR | ||
12 | 860718-00 | 2 | GUARNIZIONE | QV | ![]() |
1.44 EUR | ||
13 | 860318-00 | 1 | CHIAVE | QV | ![]() |
1.44 EUR | ||
14 | 605040-27 | 1 | CUSCINETTO | QV | ![]() |
1.10 EUR | ||
15 | 860080-02 | 1 | ANELLO | QV | ![]() |
1.20 EUR | ||
16 | 861863-00 | 1 | ASS. COPERCHIO | QV | ![]() |
16.88 EUR | ||
17 | 945841-00 | 1 | VENTOLA | QV | ![]() |
4.21 EUR | ||
18 | 863112-00 | 1 | CALOTTA | QV | ![]() |
1.20 EUR | ||
19 | 860687-04 | 1 | COPERTURA TERMINALE | QV | ![]() |
3.80 EUR | ||
20 | 860094-01 | 2 | VITE | QV | ![]() |
1.00 EUR | ||
21 | 860446-00 | 4 | ASTA | QV | ![]() |
1.10 EUR | ||
23 | 944653-00 | 1 | ANELLO DI TENUTA | QV | ![]() |
1.20 EUR | ||
24 | 944654-00 | 1 | ANELLO DI TENUTA | QV | ![]() |
2.36 EUR | ||
25 | 944590-00 | 1 | DADO | QV | ![]() |
1.33 EUR | ||
26 | 944652-00 | 1 | ANELLO DI TENUTA | QV | ![]() |
1.33 EUR | ||
27 | 860094-00 | 1 | SCREW.TEMP | QV | ![]() |
1.00 EUR | ||
28 | 944650-00 | 1 | RONDELLA ELASTICA | QV | ![]() |
1.00 EUR | ||
29 | 860094-01 | 1 | VITE | QV | ![]() |
1.00 EUR | ||
30 | 860540-00 | 1 | CONNETTORE | QV | ![]() |
1.10 EUR | ||
31 | 860708-00 | 1 | GUARNIZIONE | QV | ![]() |
1.54 EUR | ||
32 | 944455-00 | 1 | CONDENSATORE | QV | ![]() |
14.00 EUR | ||
33 | 860702-00 | 1 | CORPO | QV | ![]() |
10.05 EUR | ||
34 | 860060-01 | 2 | RIBATTINO | QV | ![]() |
1.00 EUR | ||
35 | N377168 | 1 | COPERCHIO INTERR. | QV | ![]() |
8.52 EUR | ||
36 | 944454-00 | 1 | COPERTURA | QV | ![]() |
4.87 EUR | ||
37 | 860094-03 | 4 | VITE | QV | ![]() |
1.00 EUR | ||
38 | 860133-00 | 1 | CALOTTA | QV | ![]() |
1.74 EUR | ||
39 | 860692-00 | 1 | KLIXON | QV | ![]() |
41.96 EUR | ||
42 | 945842-00 | 1 | FLANGIA | QV | ![]() |
15.54 EUR | ||
43 | 945843-00 | 1 | FLANGIA | QV | ![]() |
3.08 EUR | ||
44 | 944460-00 | 1 | DADO | QV | ![]() |
4.87 EUR | ||
46 | 861338-05 | 1 | MOLLA | QV | ![]() |
1.20 EUR | ||
47 | 861336-05 | 1 | ADATTATORE FRENO | QV | ![]() |
5.54 EUR | ||
48 | 949727-06 | 1 | ANELLO D'ARRESTO | QV | ![]() |
1.00 EUR | ||
49 | 943582-01 | 1 | TUBO D'ASPIRAZIONE | QV | ![]() |
2.67 EUR | ||
50 | 944336-01 | 2 | SUPPORTO | QV | ![]() |
18.73 EUR | ||
51 | 862419-00 | 4 | PIEDI | QV | ![]() |
2.26 EUR | ||
52 | 944335-00 | 1 | GAMBA | QV | ![]() |
15.54 EUR | ||
53 | 860301-16 | 16 | VITE | QV | ![]() |
1.10 EUR | ||
54 | 860074-02 | 16 | RONDELLA | QV | ![]() |
1.00 EUR | ||
55 | 860083-03 | 16 | DADO | QV | ![]() |
1.00 EUR | ||
56 | 944336-00 | 2 | SUPPORTO | QV | ![]() |
18.73 EUR | ||
57 | 944330-00 | 1 | TAVOLO | QV | ![]() |
106.50 EUR | ||
58 | 944373-01 | 1 | INSERTO | QV | ![]() |
20.52 EUR | ||
59 | 945852-00 | 1 | SUPPORTO | QV | ![]() |
36.12 EUR | ||
60 | 860092-00 | 2 | DADO | QV | ![]() |
1.00 EUR | ||
61 | 860093-20 | 1 | VITE | QV | ![]() |
1.10 EUR | ||
62 | 945853-00 | 1 | ASS. PROTEZIONE | QV | ![]() |
41.96 EUR | ||
63 | 944365-00 | 1 | LAMA CON MAN. A SQU. | QV | ![]() |
16.88 EUR | ||
64 | 860085-03 | 2 | BULLONE | QV | ![]() |
1.10 EUR | ||
65 | 944445-00 | 1 | SUPPORTO | QV | ![]() |
14.00 EUR | ||
66 | 860083-04 | 2 | DADO | QV | ![]() |
1.00 EUR | ||
67 | 941602-00 | 4 | RONDELLA | QV | ![]() |
1.00 EUR | ||
68 | 860073-03 | 4 | WASHER M8 | QV | ![]() |
1.00 EUR | ||
69 | 860093-18 | 4 | VITE | QV | ![]() |
1.20 EUR | ||
70 | 944445-01 | 1 | RAIL,SHORT | QV | ![]() |
10.05 EUR | ||
71 | 944341-00 | 1 | STAFFA | QV | ![]() |
4.21 EUR | ||
72 | 861827-00 | 1 | SWITCHBOX SA | QV | ![]() |
135.43 EUR | ||
73 | 861829-00 | 1 | ASS. CAVO | QV | ![]() |
32.42 EUR | ||
74 | 945848-00 | 4 | GRAFFA | QV | ![]() |
1.20 EUR | ||
75 | 860084-21 | 2 | VITE | QV | ![]() |
1.00 EUR | ||
76 | 930076-00 | 4 | VITE | QV | ![]() |
1.00 EUR | ||
77 | 944463-00 | 1 | CHIAVE MULTIPLA | QV | ![]() |
5.54 EUR | ||
78 | 760601-00 | 1 | CHIAVE A STELLA | QV | ![]() |
2.67 EUR | ||
79 | 860074-03 | 2 | RONDELLA | QV | ![]() |
1.00 EUR | ||
80 | 944364-00 | 1 | SUPPORTO | QV | ![]() |
15.54 EUR | ||
81 | 944415-00 | 1 | PIASTRA | QV | ![]() |
10.05 EUR | ||
82 | 944514-01 | 1 | GUIDA | QV | ![]() |
56.94 EUR | ||
84 | 861840-01 | 1 | ASS. LEVA | QV | ![]() |
3.80 EUR | ||
85 | 860661-07 | 1 | PRIGIONIERO | QV | ![]() |
1.74 EUR | ||
86 | 945851-00 | 1 | MANOPOLA | QV | ![]() |
4.21 EUR | ||
87 | 942787-01 | 1 | MANOPOLA | QV | ![]() |
1.33 EUR | ||
88 | 930574-00 | 1 | HEX KEY 5 MM | QV | ![]() |
1.20 EUR | ||
89 | 860098-05 | 1 | HEX KEY 8 MM | QV | ![]() |
2.67 EUR | ||
95 | 860092-00 | 1 | DADO | QV | ![]() |
1.00 EUR | ||
96 | 860075-00 | 5 | RONDELLA | QV | ![]() |
1.00 EUR | ||
99 | 861840-00 | 1 | HANDLE | QV | ![]() |
10.05 EUR | ||
100 | 860367-00 | 1 | HANDLE | QV | ![]() |
1.44 EUR | ||
101 | 944375-00 | 1 | HANDLE | QV | ![]() |
8.52 EUR | ||
103 | 860301-16 | 1 | VITE | QV | ![]() |
1.10 EUR | ||
104 | 860085-10 | 1 | VITE | QV | ![]() |
1.10 EUR | ||
105 | 860083-13 | 3 | DADO | QV | ![]() |
1.00 EUR | ||
106 | 945844-00 | 1 | PERNO | QV | ![]() |
1.33 EUR | ||
107 | 860322-01 | 6 | ANELLO D'ARRESTO | QV | ![]() |
1.00 EUR | ||
108 | 944368-00 | 4 | COLLEGAMENTO BRACCIO | QV | ![]() |
1.44 EUR | ||
109 | 944322-01 | 1 | PIASTRA | QV | ![]() |
11.39 EUR | ||
110 | 944346-01 | 1 | CORPO | QV | ![]() |
48.22 EUR | ||
111 | 860083-04 | 4 | DADO | QV | ![]() |
1.00 EUR | ||
112 | 944338-00 | 2 | DISTANZIALE | QV | ![]() |
1.20 EUR | ||
113 | 941518-00 | 2 | VITE | QV | ![]() |
1.00 EUR | ||
114 | 944333-00 | 2 | STAFFA | QV | ![]() |
4.21 EUR | ||
115 | 944343-00 | 2 | CUNEO | QV | ![]() |
1.20 EUR | ||
116 | 944344-00 | 1 | STAFFA DESTRA | QV | ![]() |
2.67 EUR | ||
117 | 944344-01 | 1 | STAFFA SINISTRA | QV | ![]() |
3.08 EUR | ||
118 | 944353-00 | 2 | REGOLATORE ALTEZZA | QV | ![]() |
4.87 EUR | ||
119 | 860322-05 | 2 | ANELLO D'ARRESTO | QV | ![]() |
1.00 EUR | ||
120 | 944352-00 | 2 | GRAFFA | QV | ![]() |
2.36 EUR | ||
121 | 863535-01 | 1 | COPERTURA | QV | ![]() |
36.12 EUR | ||
122 | 945845-00 | 4 | RIBATTINO | QV | ![]() |
1.00 EUR | ||
124 | 860093-03 | 1 | VITE | QV | ![]() |
1.00 EUR | ||
125 | 944437-00 | 1 | PIASTRA | QV | ![]() |
3.08 EUR | ||
126 | 944366-00 | 1 | GUAINA ISOLANTE | QV | ![]() |
3.80 EUR | ||
127 | 944366-01 | 1 | GUAINA ISOLANTE | QV | ![]() |
4.21 EUR | ||
128 | 945846-00 | 1 | DISTANZIALE | QV | ![]() |
1.44 EUR | ||
129 | 861657-03 | 2 | BLOCCO | QV | ![]() |
6.05 EUR | ||
130 | 944367-01 | 1 | ALBERINO | QV | ![]() |
15.54 EUR | ||
131 | 860085-15 | 5 | VITE | QV | ![]() |
1.10 EUR | ||
132 | 860074-02 | 4 | RONDELLA | QV | ![]() |
1.00 EUR | ||
133 | 860085-04 | 4 | VITE | QV | ![]() |
1.10 EUR | ||
135 | 860073-00 | 2 | RONDELLA | QV | ![]() |
1.00 EUR | ||
136 | 860089-22 | 2 | VITE | QV | ![]() |
1.00 EUR | ||
137 | 860094-03 | 2 | VITE | QV | ![]() |
1.00 EUR | ||
138 | 944374-00 | 1 | ANELLO DI TENUTA | QV | ![]() |
4.21 EUR | ||
142 | 760992-00 | 1 | SCREW.TEMP | QV | ![]() |
1.00 EUR | ||
143 | 933652-00 | 1 | RONDELLA | QV | ![]() |
1.00 EUR | ||
144 | 860083-01 | 1 | DADO | QV | ![]() |
1.00 EUR | ||
146 | 860073-03 | 2 | WASHER M8 | QV | ![]() |
1.00 EUR | ||
147 | 860086-09 | 2 | VITE | QV | ![]() |
1.20 EUR | ||
148 | 933055-00 | 2 | RONDELLA | QV | ![]() |
1.00 EUR | ||
149 | 946474-00 | 1 | ASS. IMPUGNATURA | QV | ![]() |
11.39 EUR | ||
150 | 946115-01 | 1 | PARAPOLVERE | QV | ![]() |
6.05 EUR | ||
152 | 946473-00 | 1 | MANICOTTO | QV | ![]() |
1.54 EUR |
* I prezzi indicati possono subire variazioni e non sono inclusivi di IVA ed eventuali spese di trasporto. Ci riserviamo la possibilità di variare i prezzi e le condizioni senza preavviso.