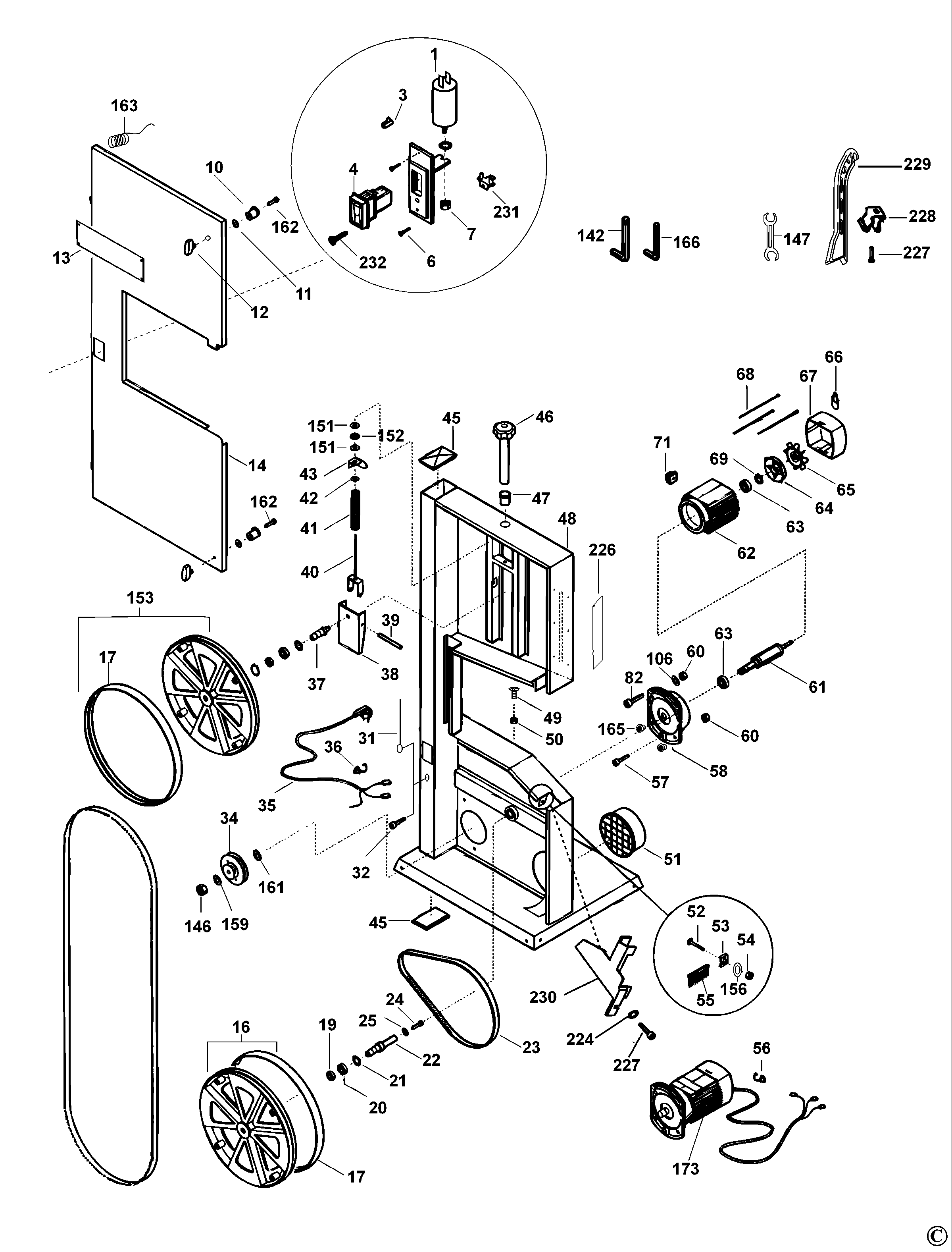
DW876 SEGA A NASTRO Type 2 | Disegni
Documenti
Si prega di visualizzare il menu a tendina dal momento che alcuni prodotti potrebbero avere più disegni

Item No. | Product Number | Qty Per | Product Description | INFORMAZIONI | Altre informazioni | Markets | Product Status | Guida ai prezzi |
---|---|---|---|---|---|---|---|---|
1 | 861429-07 | 1 | CONDENSATORE | QS | ![]() |
5.54 EUR | ||
3 | 861257-00 | 1 | CONNETTORE | QS | ![]() |
1.20 EUR | ||
4 | 869173-00 | 1 | INTERRUTTORE | QS | ![]() |
15.54 EUR | ||
6 | 860428-04 | 1 | VITE | QS | ![]() |
1.00 EUR | ||
7 | 861424-01 | 1 | SOSTEGNO INTERRUTT. | QS | ![]() |
2.87 EUR | ||
10 | 861399-01 | 2 | GUAINA ISOLANTE | QS | ![]() |
2.87 EUR | ||
11 | 860073-08 | 4 | RONDELLA | QS | ![]() |
1.00 EUR | ||
12 | 869174-00 | 2 | VITE | QS | ![]() |
2.67 EUR | ||
13 | 861498-02 | 1 | ETICHETTA MARCHIO | QS | ![]() |
2.87 EUR | ||
14 | 861397-02 | 1 | COPERTURA | QS | ![]() |
61.56 EUR | ||
16 | 861487-90 | 1 | RUOTA | QS | ![]() |
36.12 EUR | ||
17 | 861411-00 | 1 | STRISCIA DI GOMMA | QS | ![]() |
12.67 EUR | ||
19 | 861721-02 | 1 | CUSCINETTO | QS | ![]() |
3.08 EUR | ||
20 | 861721-04 | 1 | CUSCINETTO | QS | ![]() |
3.08 EUR | ||
21 | 861471-00 | 1 | ANELLO | QS | ![]() |
1.33 EUR | ||
22 | 861470-00 | 1 | ALBERO | QS | ![]() |
7.18 EUR | ||
23 | N230397 | 1 | CINGHIA | QS | ![]() |
15.54 EUR | ||
24 | 860085-04 | 1 | VITE | QS | ![]() |
1.10 EUR | ||
25 | 861483-00 | 1 | RONDELLA | QS | ![]() |
1.10 EUR | ||
32 | 868443-00 | 1 | RIBATTINO | QS | ![]() |
1.10 EUR | ||
33 | 860084-07 | 4 | VITE | 3.2 x 32 | QS | ![]() |
1.00 EUR | |
34 | 862185-02 | 1 | PULEGGIA | QS | ![]() |
10.05 EUR | ||
35 | 861432-10 | 1 | ASS. CAVO | QS | ![]() |
11.39 EUR | ||
36 | 861433-01 | 1 | ENTRATA | QS | ![]() |
2.87 EUR | ||
37 | 861469-00 | 1 | ALBERO | QS | ![]() |
5.54 EUR | ||
38 | 861402-00 | 1 | STAFFA | QS | ![]() |
7.18 EUR | ||
39 | 861473-00 | 1 | PERNO | QS | ![]() |
1.44 EUR | ||
40 | 861401-00 | 1 | BLOCCO TENSIONE | QS | ![]() |
8.52 EUR | ||
41 | 861474-00 | 1 | MOLLA | QS | ![]() |
2.87 EUR | ||
42 | 941602-00 | 1 | RONDELLA | QS | ![]() |
1.00 EUR | ||
43 | 861403-00 | 1 | INDICE | QS | ![]() |
4.87 EUR | ||
45 | 861398-00 | 1 | CALOTTA | QS | ![]() |
2.67 EUR | ||
46 | 861400-00 | 1 | ASS. MANOPOLA | QS | ![]() |
10.05 EUR | ||
47 | 861449-00 | 1 | GUAINA ISOLANTE | QS | ![]() |
3.80 EUR | ||
48 | 861395-02 | 1 | SOSTEGNOSACCO | QS | ![]() |
200.17 EUR | ||
49 | 860085-09 | 1 | SCREW.TEMP | QS | ![]() |
1.00 EUR | ||
50 | 860083-12 | 1 | NUT M6 | QS | ![]() |
1.00 EUR | ||
51 | 861428-01 | 1 | ESTRATTORE POLVERE | QS | ![]() |
3.80 EUR | ||
52 | 860301-16 | 1 | VITE | QS | ![]() |
1.10 EUR | ||
53 | 861427-00 | 1 | STAFFA | QS | ![]() |
2.67 EUR | ||
54 | 860083-12 | 1 | NUT M6 | QS | ![]() |
1.00 EUR | ||
55 | 863378-00 | 1 | SPAZZOLE | QS | ![]() |
2.67 EUR | ||
56 | 33821-00 | 1 | BOCCOLA | QS | ![]() |
1.20 EUR | ||
57 | 860086-03 | 1 | VITE | QS | ![]() |
1.10 EUR | ||
58 | 862211-02 | 1 | CORPO ANTERIORE | QS | ![]() |
15.54 EUR | ||
59 | 860073-03 | 1 | WASHER M8 | QS | ![]() |
1.00 EUR | ||
60 | 860092-01 | 2 | DADO | QS | ![]() |
1.00 EUR | ||
61 | 868519-00 | 1 | ROTORE | QS | ![]() |
41.96 EUR | ||
62 | 868556-00 | 1 | STATORE | QS | ![]() |
123.12 EUR | ||
63 | 861721-01 | 2 | CUSCINETTO | QS | ![]() |
10.05 EUR | ||
64 | 860443-00 | 1 | COPERTURA TERMINALE | QS | ![]() |
5.54 EUR | ||
65 | 860444-00 | 1 | VENTOLA | QS | ![]() |
4.21 EUR | ||
66 | 863112-00 | 1 | CALOTTA | QS | ![]() |
1.20 EUR | ||
67 | 860445-00 | 1 | COPERTURA | QS | ![]() |
4.87 EUR | ||
68 | 863015-00 | 1 | TIRANTE | QS | ![]() |
1.10 EUR | ||
69 | 860080-02 | 1 | ANELLO | QS | ![]() |
1.20 EUR | ||
71 | 860447-00 | 1 | BOCCOLA | QS | ![]() |
3.80 EUR | ||
82 | 860301-01 | 1 | VITE | QS | ![]() |
1.10 EUR | ||
84 | 861450-01 | 1 | BLOCCO | QS | ![]() |
2.26 EUR | ||
85 | 860083-10 | 1 | DADO | QS | ![]() |
1.00 EUR | ||
86 | 860093-25 | 4 | VITE | M4 x 8 | QS | ![]() |
1.00 EUR | |
87 | 861721-05 | 1 | CUSCINETTO | QS | ![]() |
2.36 EUR | ||
88 | 863795-00 | 1 | PERNO | QS | ![]() |
2.67 EUR | ||
89 | 861450-00 | 1 | BLOCCO | QS | ![]() |
2.00 EUR | ||
90 | 326573-01 | 1 | SCREW WING | QS | ![]() |
2.36 EUR | ||
91 | 931997-00 | 1 | VITE | QS | ![]() |
1.10 EUR | ||
92 | 861408-00 | 1 | BLOCCO DI GUIDA | QS | ![]() |
8.52 EUR | ||
93 | 861426-03 | 1 | TRAVERSA | QS | ![]() |
11.39 EUR | ||
94 | 861425-01 | 1 | GAMBA | QS | ![]() |
12.67 EUR | ||
95 | 860085-07 | 32 | VITE | QS | ![]() |
1.00 EUR | ||
96 | 860075-00 | 32 | RONDELLA | QS | ![]() |
1.00 EUR | ||
97 | 860083-12 | 32 | NUT M6 | QS | ![]() |
1.00 EUR | ||
98 | 862419-00 | 4 | PIEDI | QS | ![]() |
2.26 EUR | ||
99 | 860301-16 | 1 | VITE | QS | ![]() |
1.10 EUR | ||
100 | 861409-00 | 1 | BLOCCO DI GUIDA | QS | ![]() |
8.52 EUR | ||
101 | 949891-01 | 1 | SCREW.TEMP | QS | ![]() |
1.20 EUR | ||
102 | 861414-00 | 1 | SUPPORTO GUIDA | QS | ![]() |
5.54 EUR | ||
103 | 861484-00 | 1 | VITE | QS | ![]() |
1.33 EUR | ||
104 | 861413-00 | 1 | SOSTEGNO TAVOLO | QS | ![]() |
20.52 EUR | ||
105 | 860085-03 | 1 | BULLONE | QS | ![]() |
1.10 EUR | ||
106 | 860073-03 | 1 | WASHER M8 | QS | ![]() |
1.00 EUR | ||
107 | 863320-00 | 1 | LEVA | QS | ![]() |
1.54 EUR | ||
108 | 863073-00 | 1 | CALOTTA | QS | ![]() |
1.20 EUR | ||
109 | 760483-00 | 1 | MOLLA | QS | ![]() |
1.00 EUR | ||
110 | 860083-14 | 9 | DADO | QS | ![]() |
1.00 EUR | ||
111 | 941959-00 | 1 | BULLONE | QS | ![]() |
1.10 EUR | ||
112 | 860083-12 | 1 | NUT M6 | QS | ![]() |
1.00 EUR | ||
113 | 860760-00 | 1 | CALOTTA | QS | ![]() |
1.33 EUR | ||
114 | 861415-01 | 1 | TAVOLO | QS | ![]() |
178.01 EUR | ||
115 | 861464-00 | 1 | MANOPOLA | QS | ![]() |
2.67 EUR | ||
116 | 861419-00 | 1 | SCALA | QS | ![]() |
2.87 EUR | ||
117 | 861417-00 | 1 | GUIDA | QS | ![]() |
22.98 EUR | ||
119 | 861494-00 | 1 | BULLONE | QS | ![]() |
1.54 EUR | ||
120 | 861420-00 | 1 | STAFFA | QS | ![]() |
2.87 EUR | ||
121 | 861416-00 | 1 | INSERTO TAVOLO | QS | ![]() |
2.36 EUR | ||
122 | 861418-00 | 1 | PIASTRA | QS | ![]() |
4.87 EUR | ||
123 | 861740-00 | 1 | SCALA | QS | ![]() |
2.26 EUR | ||
124 | 861452-00 | 1 | MANOPOLA | QS | ![]() |
4.87 EUR | ||
125 | 861421-01 | 1 | SUPPORTO | QS | ![]() |
8.52 EUR | ||
126 | 861422-00 | 1 | GUIDA | QS | ![]() |
18.73 EUR | ||
127 | 949886-11 | 1 | VITE | QS | ![]() |
1.10 EUR | ||
128 | 861423-00 | 1 | COPERTURA TERMINALE | QS | ![]() |
1.33 EUR | ||
130 | 861477-00 | 1 | RONDELLA | QS | ![]() |
1.74 EUR | ||
131 | 861405-00 | 1 | SUPPORTO GUIDA | QS | ![]() |
8.52 EUR | ||
132 | 861478-00 | 1 | VITE | QS | ![]() |
1.20 EUR | ||
133 | 860094-02 | 2 | VITE | QS | ![]() |
1.00 EUR | ||
134 | 860084-05 | 1 | VITE | QS | ![]() |
1.00 EUR | ||
136 | 861452-01 | 1 | MANOPOLA | QS | ![]() |
2.00 EUR | ||
137 | 861406-00 | 1 | GUIDA | QS | ![]() |
3.80 EUR | ||
138 | 860084-20 | 1 | VITE | QS | ![]() |
1.00 EUR | ||
140 | 860083-13 | 1 | DADO | QS | ![]() |
1.00 EUR | ||
142 | 930574-00 | 1 | HEX KEY 5 MM | QS | ![]() |
1.20 EUR | ||
143 | 860083-13 | 1 | DADO | QS | ![]() |
1.00 EUR | ||
145 | 861453-00 | 1 | DISTANZIALE | QS | ![]() |
1.20 EUR | ||
146 | 860083-04 | 1 | DADO | QS | ![]() |
1.00 EUR | ||
147 | 949751-07 | 1 | SPANNER 10-13MM | QS | ![]() |
7.18 EUR | ||
151 | 941602-00 | 1 | RONDELLA | QS | ![]() |
1.00 EUR | ||
152 | 861475-00 | 1 | CUSCINETTO | QS | ![]() |
3.80 EUR | ||
153 | 861486-90 | 1 | ASS. RUOTA | QS | ![]() |
37.96 EUR | ||
154 | 861479-01 | 1 | ASS. PROTEZIONE | QS | ![]() |
16.88 EUR | ||
156 | 720959-00 | 1 | RONDELLA | QS | ![]() |
1.00 EUR | ||
157 | 860073-07 | 1 | WASHER M6 | QS | ![]() |
1.00 EUR | ||
158 | 860073-14 | 1 | RONDELLA | QS | ![]() |
1.00 EUR | ||
159 | 860074-03 | 1 | RONDELLA | QS | ![]() |
1.00 EUR | ||
160 | 860075-00 | 1 | RONDELLA | QS | ![]() |
1.00 EUR | ||
161 | 860076-03 | 1 | RONDELLA | QS | ![]() |
1.10 EUR | ||
162 | 860092-03 | 2 | NUT M5 | QS | ![]() |
1.00 EUR | ||
163 | 861508-00 | 1 | MOLLA | QS | ![]() |
2.36 EUR | ||
164 | 861426-02 | 1 | TRAVERSA | QS | ![]() |
10.05 EUR | ||
165 | 760298-01 | 1 | INSERTO | QS | ![]() |
1.00 EUR | ||
166 | 938539-00 | 1 | CHIAVE | QS | ![]() |
1.10 EUR | ||
167 | 863844-00 | 1 | SPESSORE | QS | ![]() |
2.00 EUR | ||
168 | 949876-06 | 2 | RONDELLA | QS | ![]() |
1.00 EUR | ||
169 | 863851-00 | 1 | VITE | QS | ![]() |
2.67 EUR | ||
170 | 862007-01 | 1 | PIASTRA | QS | ![]() |
7.18 EUR | ||
171 | 860083-03 | 1 | DADO | QS | ![]() |
1.00 EUR | ||
172 | 863803-00 | 1 | BARRA | QS | ![]() |
10.05 EUR | ||
173 | 868572-00 | 1 | MOTOR SA 1PH | QS | ![]() |
273.94 EUR | ||
224 | 860074-00 | 1 | RONDELLA ELASTICA | QS | ![]() |
1.00 EUR | ||
225 | 625450-00 | 1 | ETICHETTA | QS | ![]() |
1.44 EUR | ||
226 | 861709-02 | 1 | ETICHETTA | QS | ![]() |
2.26 EUR | ||
227 | 860084-20 | 2 | VITE | QS | ![]() |
1.00 EUR | ||
228 | 391358-01 | 1 | PORTAUTENSILE | QS | ![]() |
1.74 EUR | ||
229 | 860610-01 | 1 | ASTA SPINGENTE | QS | ![]() |
2.87 EUR | ||
230 | 869167-00 | 1 | MANICOTTO | QS | ![]() |
3.80 EUR | ||
231 | 326057-00 | 1 | MORSETTIERA | QS | ![]() |
1.44 EUR | ||
232 | 949896-12 | 2 | VITE | QS | ![]() |
1.00 EUR | ||
233 | 869168-00 | 1 | MANICOTTO | QS | ![]() |
2.87 EUR | ||
234 | 860073-01 | 1 | RONDELLA | QS | ![]() |
1.00 EUR | ||
235 | 860092-03 | 1 | NUT M5 | QS | ![]() |
1.00 EUR | ||
236 | 869172-00 | 2 | GUAINA ISOLANTE | QS | ![]() |
2.26 EUR | ||
237 | 860085-20 | 2 | VITE | QS | ![]() |
1.33 EUR | ||
238 | 869170-00 | 1 | LIVELLO | QS | ![]() |
8.52 EUR | ||
239 | 860367-00 | 1 | HANDLE | QS | ![]() |
1.44 EUR | ||
240 | 869171-00 | 1 | PEZZO DI RICAMBIO | QS | ![]() |
16.88 EUR | ||
241 | 868865-01 | 2 | RUOTA | QS | ![]() |
5.54 EUR |
* I prezzi indicati possono subire variazioni e non sono inclusivi di IVA ed eventuali spese di trasporto. Ci riserviamo la possibilità di variare i prezzi e le condizioni senza preavviso.