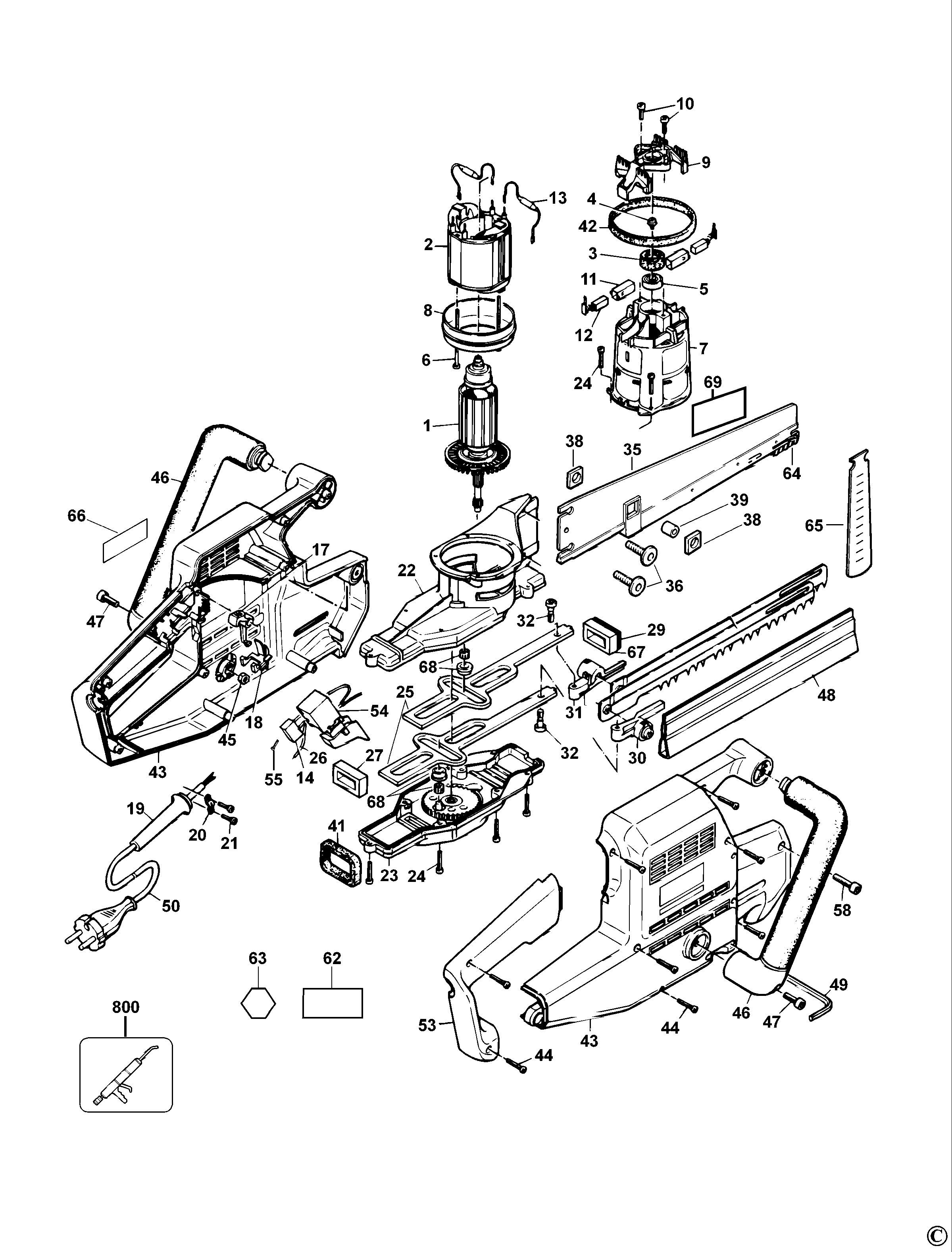
DW394 SEGA UNIVERSALE Type 4 | Disegni
Documenti
Si prega di visualizzare il menu a tendina dal momento che alcuni prodotti potrebbero avere più disegni
 
        
                                        | Item No. | Product Number | Qty Per | Product Description | INFORMAZIONI | Altre informazioni | Markets | Product Status | Guida ai prezzi | 
|---|---|---|---|---|---|---|---|---|
| 1 | 369453-04 | 1 | ARMATURE 230V | QS |  | 61.56 EUR | ||
| 1 | 369453-04 | 1 | ARMATURE 230V | QS |  | 61.56 EUR | ||
| 2 | 373007-15 | 1 | FIELD 230V | QS |  | 15.54 EUR | ||
| 2 | 373007-15 | 1 | FIELD 230V | QS |  | 15.54 EUR | ||
| 3 | 911897 | 1 | PORTAUTENSILE | QS |  | 1.20 EUR | ||
| 4 | 322491 | 1 | VITE | QS |  | 1.00 EUR | ||
| 5 | 330003-19 | 1 | CUSCINETTO | QS |  | 5.54 EUR | ||
| 6 | 916231 | 2 | VITE | QS |  | 1.10 EUR | ||
| 7 | 322330 | 1 | CORPO MOTORE | QS |  | 4.21 EUR | ||
| 8 | 916128 | 1 | BAFFLE FAN | QS |  | 1.33 EUR | ||
| 9 | 322894 | 1 | PONTE | QS |  | 1.44 EUR | ||
| 10 | 911300 | 2 | VITE | QS | 1.00 EUR | |||
| 11 | 323861-00 | 2 | PORTASPAZZOLE | QS |  | 4.21 EUR | ||
| 12 | 322950 | 2 | BRUSH 230V | QS |  | 3.80 EUR | ||
| 13 | 321354 | 2 | LEAD 70MM | QS |  | 1.10 EUR | ||
| 14 | 321384 | 1 | CONDENSATORE | QS |  | 1.44 EUR | ||
| 17 | 322369-00 | 1 | LEVA | QS |  | 1.33 EUR | ||
| 18 | 323136 | 1 | LEVA | QS |  | 1.10 EUR | ||
| 19 | 770235 | 1 | MANICOTTO | QS |  | 1.10 EUR | ||
| 20 | 821070 | 1 | SERRAFILO | QS |  | 1.00 EUR | ||
| 21 | D911324 | 2 | VITE | QS |  | 1.00 EUR | ||
| 22 | 324817-00 | 1 | SCATOLA INGRANAGGI | QS |  | 44.63 EUR | ||
| 23 | 322667 | 1 | SCATOLA INGRANAGGI | QS |  | 34.06 EUR | ||
| 24 | 810091-00 | 11 | SCREW.SPECIAL | QS |  | 1.00 EUR | ||
| 25 | 1008559-01 | 1 | KIT RIPARAZIONE | QS |  | 66.18 EUR | ||
| 26 | 878756 | 2 | LEAD 200MM BLACK | QS |  | 1.10 EUR | ||
| 27 | 322377 | 1 | CUSCINETTO | QS |  | 2.87 EUR | ||
| 29 | 325990-00 | 1 | GUARNIZIONE | QS |  | 1.33 EUR | ||
| 30 | 368469-00 | 1 | ASS. MORSETT.DESTRO | QS |  | 5.54 EUR | ||
| 31 | 368470-00 | 1 | ASS. MORSETT.SINISTR | QS |  | 5.54 EUR | ||
| 32 | 495253-00 | 1 | KIT RIPARAZIONE | QS |  | 8.52 EUR | ||
| 35 | N022429 | 1 | BARRA | QS |  | 63.71 EUR | ||
| 36 | 324776-00 | 2 | VITE | QS |  | 1.20 EUR | ||
| 38 | 322661 | 2 | INSERTO | QS |  | 1.20 EUR | ||
| 39 | 322662 | 1 | DISTANZIALE | QS |  | 1.10 EUR | ||
| 41 | 322659 | 1 | INSERTO | QS |  | 1.33 EUR | ||
| 42 | 322660 | 1 | INSERTO | QS |  | 2.00 EUR | ||
| 43 | 325602-06 | 1 | ASS. CORPO | QS |  | 22.98 EUR | ||
| 44 | 330065-08 | 9 | VITE | M4x18 T20 | QS |  | 1.00 EUR | |
| 45 | 911018 | 2 | DADO | QS |  | 1.00 EUR | ||
| 46 | 323142 | 2 | HANDLE | QS |  | 18.73 EUR | ||
| 47 | 580475-00 | 2 | VITE | QS |  | 1.10 EUR | ||
| 48 | 322763-02 | 1 | PROTEZIONE | QS |  | 4.87 EUR | ||
| 49 | 098000-11 | 1 | CHIAVE ESAGONALE | QS |  | 1.33 EUR | ||
| 50 | N571221 | 1 | CORDSET (EURO) | QS |  | 12.67 EUR | ||
| 53 | 322363-06 | 1 | COPERTURA MANICO | QS |  | 3.80 EUR | ||
| 54 | 325328-03 | 1 | INTERRUTTORE | QS |  | 16.88 EUR | ||
| 55 | 911026 | 4 | VITE | QS |  | 1.00 EUR | ||
| 58 | 322928 | 1 | VITE | QS |  | 1.10 EUR | ||
| 62 | 323504-00 | 1 | ETICHETTA DI AVVISO | QS |  | 1.20 EUR | ||
| 63 | 325393-00 | 1 | ETICHETTA DI AVVISO | QS |  | 1.44 EUR | ||
| 64 | 325824-49 | 1 | KIT RIPARAZIONE | QS |  | 18.73 EUR | ||
| 65 | 325882-00 | 1 | KIT RASCHIETTO | QS |  | 1.74 EUR | ||
| 66 | 578742-00 | 1 | ETICHETTA MARCHIO | QS |  | 2.00 EUR | ||
| 67 | 325881-01 | 1 | CUSCINETTO | QS |  | 3.80 EUR | ||
| 68 | 1008559-01 | 2 | KIT RIPARAZIONE | QS |  | 66.18 EUR | ||
| 69 | 580963-00 | 1 | ETICHETTA DI AVVISO | QS |  | 2.87 EUR | ||
| 800 | 870889-02 | 1 | GRASSO | QS |  | 6.05 EUR | 
* I prezzi indicati possono subire variazioni e non sono inclusivi di IVA ed eventuali spese di trasporto. Ci riserviamo la possibilità di variare i prezzi e le condizioni senza preavviso.
 
                     
                 Elenco Ricambi
Elenco Ricambi
                         Stampabile
Stampabile
                         Visualizza Pagina intera
Visualizza Pagina intera
                         
     
     
     
     
    