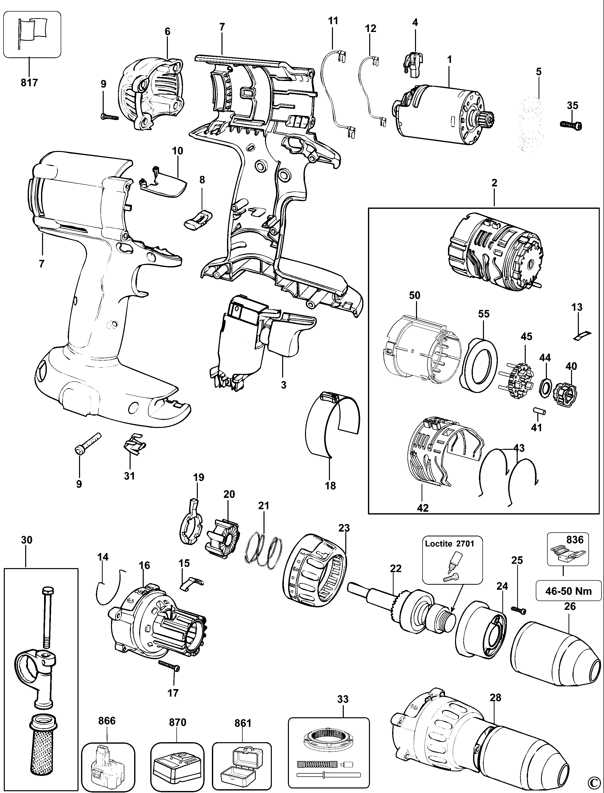
DC945K TRAPANO SENZA CAVO Type 10 | Disegni
Documenti
Si prega di visualizzare il menu a tendina dal momento che alcuni prodotti potrebbero avere più disegni

Item No. | Product Number | Qty Per | Product Description | INFORMAZIONI | Altre informazioni | Markets | Product Status | Guida ai prezzi |
---|---|---|---|---|---|---|---|---|
1 | 493508-00 | 1 | SG MOTORE | 12v | QW | ![]() |
39.81 EUR | |
2 | N021724 | 1 | SCATOLA INGRANAGGI | QW | ![]() |
50.38 EUR | ||
3 | N060484 | 1 | INTERRUTTORE VARIAB. | QW | ![]() |
29.65 EUR | ||
3 | N030556 | 1 | KIT INTERRUTTORE | 12v | QW | ![]() |
55.40 EUR | |
4 | 493511-00 | 1 | SPAZZOLE ( X 2 ) | QW | ![]() |
12.67 EUR | ||
5 | 629172-00 | 1 | ADATTATORE | QW | ![]() |
1.20 EUR | ||
6 | 629823-00 | 1 | COPERTURA TERMINALE | QW | ![]() |
3.80 EUR | ||
7 | 493512-00 | 1 | ASS. CORPO | 12v | QW | ![]() |
16.88 EUR | |
8 | 633327-02 | 1 | ATTUATORE | QW | ![]() |
1.20 EUR | ||
9 | 682211-00 | 9 | VITE | QW | ![]() |
1.00 EUR | ||
10 | 636634-00 | 1 | GUIDA | QW | ![]() |
1.44 EUR | ||
11 | 631282-01 | 1 | LEAD PURPLE | QW | ![]() |
2.00 EUR | ||
12 | 631283-01 | 1 | LEAD BROWN | Neg.14 AWG. Ang.Term | QW | ![]() |
1.74 EUR | |
13 | 608060-00 | 1 | DENTE DI ARRESTO | QW | ![]() |
1.10 EUR | ||
14 | 399059-00 | 1 | MOLLA | QW | ![]() |
1.74 EUR | ||
15 | 395460-00 | 1 | GUIDA MOLLA | QW | ![]() |
1.00 EUR | ||
16 | 493547-00 | 1 | CORPO | QW | ![]() |
11.39 EUR | ||
17 | 330019-62 | 4 | VITE | QW | ![]() |
1.00 EUR | ||
18 | 629918-01 | 1 | TOUPIE | QW | ![]() |
1.20 EUR | ||
19 | 394545-00 | 1 | CAMMA | QW | ![]() |
1.54 EUR | ||
20 | 394542-00 | 1 | DENTE D'ARR. FISSO | QW | ![]() |
2.87 EUR | ||
21 | 394546-00 | 1 | MOLLA | QW | ![]() |
1.00 EUR | ||
22 | 493573-00 | 1 | ASS. ALBERO | QW | ![]() |
18.73 EUR | ||
23 | 1005638-00 | 1 | ASS. COLLARE | QW | ![]() |
7.18 EUR | ||
24 | 609133-00 | 1 | COPERTURA TERMINALE | QW | ![]() |
4.21 EUR | ||
25 | 330019-00 | 4 | VITE | M3x16 T10 PLASTITE | QW | ![]() |
3.80 EUR | |
26 | 330075-90 | 1 | MANDRINO SENZA CHIA. | QW | ![]() |
55.40 EUR | ||
28 | 493575-00 | 1 | KIT RIPARAZIONE | Combi | QW | ![]() |
68.64 EUR | |
30 | 939794-02 | 1 | ASS. IMPUGN. LATERAL | QW | ![]() |
7.18 EUR | ||
31 | 148354-03 | 1 | PORTAUTENSILE | QW | ![]() |
1.00 EUR | ||
33 | N021723 | 1 | KIT MANUTENZ | QW | ![]() |
11.39 EUR | ||
35 | 156179-01 | 2 | VITE | QW | ![]() |
1.10 EUR | ||
40 | 394532-00 | 1 | INCUDINE | QW | ![]() |
2.00 EUR | ||
41 | 330041-43 | 5 | PERNO | QW | ![]() |
1.00 EUR | ||
42 | 629088-01 | 1 | PIASTRA DI COPERTURA | QW | ![]() |
1.44 EUR | ||
43 | 629825-00 | 2 | FILO D'ACCIAIO | QW | ![]() |
1.00 EUR | ||
44 | 603689-00 | 1 | ATTENUATORE | QW | ![]() |
1.20 EUR | ||
45 | 629076-00 | 1 | BRIDA | QW | ![]() |
2.67 EUR | ||
50 | 629073-00 | 1 | SCATOLA INGRANAGGI | QW | ![]() |
2.26 EUR | ||
55 | 629078-00 | 1 | ANELLO DI TENUTA | QW | ![]() |
1.20 EUR | ||
817 | 578037-00 | 1 | ETICHETTA MARCHIO | QW | ![]() |
1.00 EUR | ||
836 | 559662-99 | 1 | S.T. UTENSILE PER RIMOZIONE MANDRINO | QW | ![]() |
37.81 EUR | ||
836 | 559661-99 | 1 | S.T. UTENSILE PER RIMOZIONE MANDRINO | QW | ![]() |
56.94 EUR | ||
836 | 559697-99 | 1 | S.T. INSERTO | QW | ![]() |
41.96 EUR | ||
836 | 559665-99 | 1 | S.T. UTENSILE PER RIMOZIONE MANDRINO | QW | ![]() |
63.71 EUR | ||
861 | 640040-01 | 1 | CASS.PORTA ATTREZZI | QW | ![]() |
20.52 EUR | ||
866 | 1006626-00 | 1 | BATTERY 12V - 2.4AH | NiMH - DE9501 | QW | ![]() |
83.62 EUR | |
870 | 1006634-00 | 1 | CHARGER 220V | DE9130 - 30 mins | QW | ![]() |
83.62 EUR |
* I prezzi indicati possono subire variazioni e non sono inclusivi di IVA ed eventuali spese di trasporto. Ci riserviamo la possibilità di variare i prezzi e le condizioni senza preavviso.