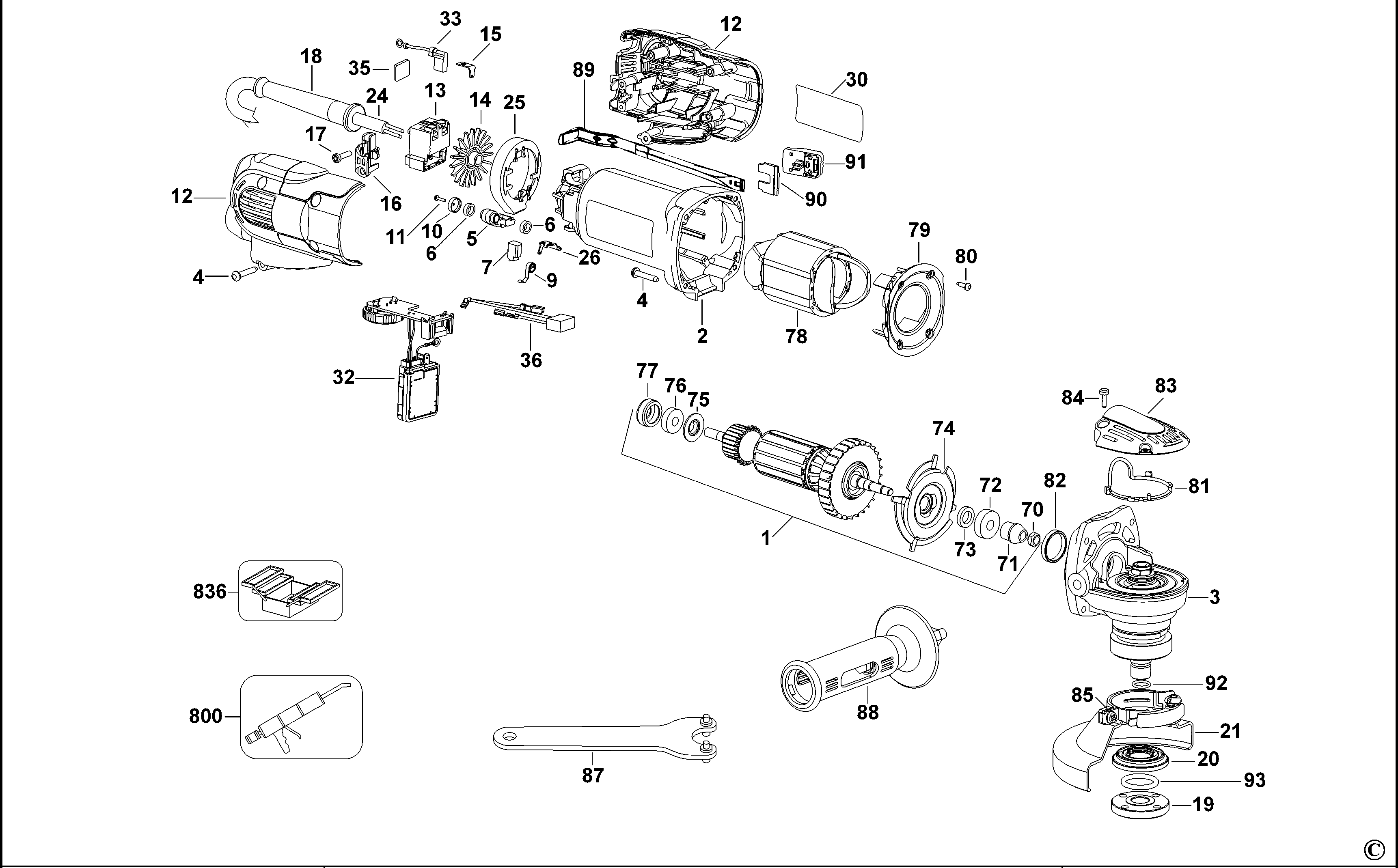
D28117 SMERIGLIATRICE ANGOLARE PICCOLA Type 1 | Disegni
Documenti
Si prega di visualizzare il menu a tendina dal momento che alcuni prodotti potrebbero avere più disegni

Item No. | Product Number | Qty Per | Product Description | INFORMAZIONI | Altre informazioni | Markets | Product Status | Guida ai prezzi |
---|---|---|---|---|---|---|---|---|
1 | 635994-00 | 1 | ARMATURE 230V | 230V | QS | ![]() |
15.52 EUR | |
2 | 623599-03 | 1 | CORPO MOTORE | QS | ![]() |
6.05 EUR | ||
3 | 629447-03 | 1 | SCATOLA INGRANAGGI | M14,CLUTCH,AUTOBAL | QS | ![]() |
20.00 EUR | |
4 | 330065-31 | 9 | MOLLA | QS | ![]() |
1.00 EUR | ||
5 | 648743-00 | 2 | BRACCIO | BRUSH | QS | ![]() |
1.74 EUR | |
6 | 623592-00 | 4 | TENUTA IN FELTRO | QS | ![]() |
1.00 EUR | ||
7 | N183725 | 1 | SPAZZOLE ( X 2 ) | QS | ![]() |
8.52 EUR | ||
9 | 623589-00 | 2 | MOLLA SPAZZOLE | QS | ![]() |
1.10 EUR | ||
10 | 623591-00 | 2 | SPAZZOLA CALOTTA | QS | ![]() |
1.10 EUR | ||
11 | 593685-00 | 2 | VITE | M1.8x8 THD FRMG | QS | ![]() |
1.00 EUR | |
12 | 635996-00 | 1 | ASS. IMPUGNATURA | QS | ![]() |
10.05 EUR | ||
13 | 945614-01 | 1 | INTERRUTTORE | QS | ![]() |
8.52 EUR | ||
14 | 633515-00 | 1 | SEPARATORE | PARTICLE, W/MAGNET | QS | ![]() |
2.67 EUR | |
15 | 634599-00 | 1 | TERMINALE | QS | ![]() |
1.20 EUR | ||
16 | 628398-00 | 1 | SERRAFILO | QS | ![]() |
1.10 EUR | ||
17 | 330019-03 | 1 | VITE | QS | ![]() |
1.00 EUR | ||
18 | N542553 | 1 | CORD PROTECTOR | QS | 2.87 EUR | |||
18 | N542553 | 1 | CORD PROTECTOR | QS | 2.87 EUR | |||
19 | 622613-02 | 1 | FLANGIA ESTERNA | M14 | QS | ![]() |
3.80 EUR | |
20 | 633257-00SV | 1 | FLANGIA INTERNA SA | QS | ![]() |
3.08 EUR | ||
21 | 634600-00 | 1 | ASS. PROTEZIONE | 115MM, AUTOBALANCE | QS | ![]() |
12.67 EUR | |
24 | 562226-61 | 1 | CORDSET (EURO) | QS | QS | ![]() |
11.39 EUR | |
25 | 637616-00 | 1 | LINGUETTA DI GUIDA | QS | ![]() |
1.33 EUR | ||
26 | 623593-00 | 1 | TERMINALE | QS | ![]() |
1.20 EUR | ||
30 | 635892-00 | 1 | ETICHETTA MARCHIO | QS | ![]() |
1.20 EUR | ||
32 | 642969-00 | 1 | S/G MODULO CONTROLLO | SVC KIT SAG 230 VS | QS | ![]() |
66.18 EUR | |
33 | 631028-00 | 1 | ASS. CAVETTO | RED, 80mm, 18GA | QS | ![]() |
1.54 EUR | |
35 | 633391-00 | 1 | GUARNIZIONE | TERMINAL | QS | ![]() |
1.10 EUR | |
36 | 637251-00 | 1 | ASS. CONDENSATRORE | W/CAPACITOR | QS | ![]() |
3.08 EUR | |
70 | 604484-00 | 1 | DADO | QS | ![]() |
1.10 EUR | ||
71 | 627465-00 | 1 | PIGNONE | 9 TOOTH | QS | ![]() |
8.52 EUR | |
72 | 605040-11 | 1 | BEARING,BALL | 608 (8 x 22 x 7) | QS | ![]() |
2.67 EUR | |
73 | 623617-00 | 1 | TENUTA IN FELTRO | QS | ![]() |
1.00 EUR | ||
74 | N422242 | 1 | ANELLO DI TENUTA | QS | ![]() |
1.74 EUR | ||
75 | 623613-00 | 1 | RONDELLA | QS | ![]() |
1.10 EUR | ||
76 | 605040-02 | 1 | CUSCINETTO | QS | ![]() |
2.26 EUR | ||
77 | 641823-00 | 1 | MANICOTTO | QS | ![]() |
1.10 EUR | ||
78 | 621220-03 | 1 | FIELD SA 230V | 230V | QS | ![]() |
25.24 EUR | |
79 | 623572-00 | 1 | BAFFLE FAN | QS | ![]() |
1.20 EUR | ||
80 | 626360-00 | 4 | VITE | M3 x 10 | QS | ![]() |
1.00 EUR | |
81 | 632513-00 | 1 | GUARNIZIONE | QS | ![]() |
1.74 EUR | ||
82 | 611492-00 | 1 | MANICOTTO | QS | ![]() |
1.10 EUR | ||
83 | 627313-00 | 1 | COPERCHIO SCAT.INGR. | QS | ![]() |
4.21 EUR | ||
84 | 385676-01 | 4 | VITE | QS | ![]() |
1.00 EUR | ||
85 | 631609-01 | 1 | VITE | QS | ![]() |
1.10 EUR | ||
87 | 401680-00 | 1 | CHIAVE INGLESE | QS | ![]() |
2.36 EUR | ||
88 | 614796-00 | 1 | MANICO LATERALE | ANTI-VIB. | QS | ![]() |
10.05 EUR | |
89 | 637304-00 | 1 | COLLEGAMENTO | QS | ![]() |
1.74 EUR | ||
90 | 644326-00 | 1 | BLOCCAGGIO BARRA | LOCK | QS | ![]() |
1.33 EUR | |
91 | 623608-00 | 1 | PULSANTE AVVIO | QS | ![]() |
1.20 EUR | ||
92 | 633045-00 | 1 | ANELLO TOROIDALE | 9.19x2.62 | QS | ![]() |
1.10 EUR | |
93 | 633043-00 | 1 | ANELLO TOROIDALE | 20.5x2.4 | QS | ![]() |
1.33 EUR | |
800 | 583534-00 | 1 | GRASSO | 50 GRAMS - NYE RHEOLUB 380G1 | QS | ![]() |
166.73 EUR | |
800 | 583534-00 | 1 | GRASSO | 50 GRAMS - NYE RHEOLUB 380G1 | QS | ![]() |
166.73 EUR | |
836 | 233804-36 | 1 | MENABRIDA | T6 | QS | 16.88 EUR |
* I prezzi indicati possono subire variazioni e non sono inclusivi di IVA ed eventuali spese di trasporto. Ci riserviamo la possibilità di variare i prezzi e le condizioni senza preavviso.