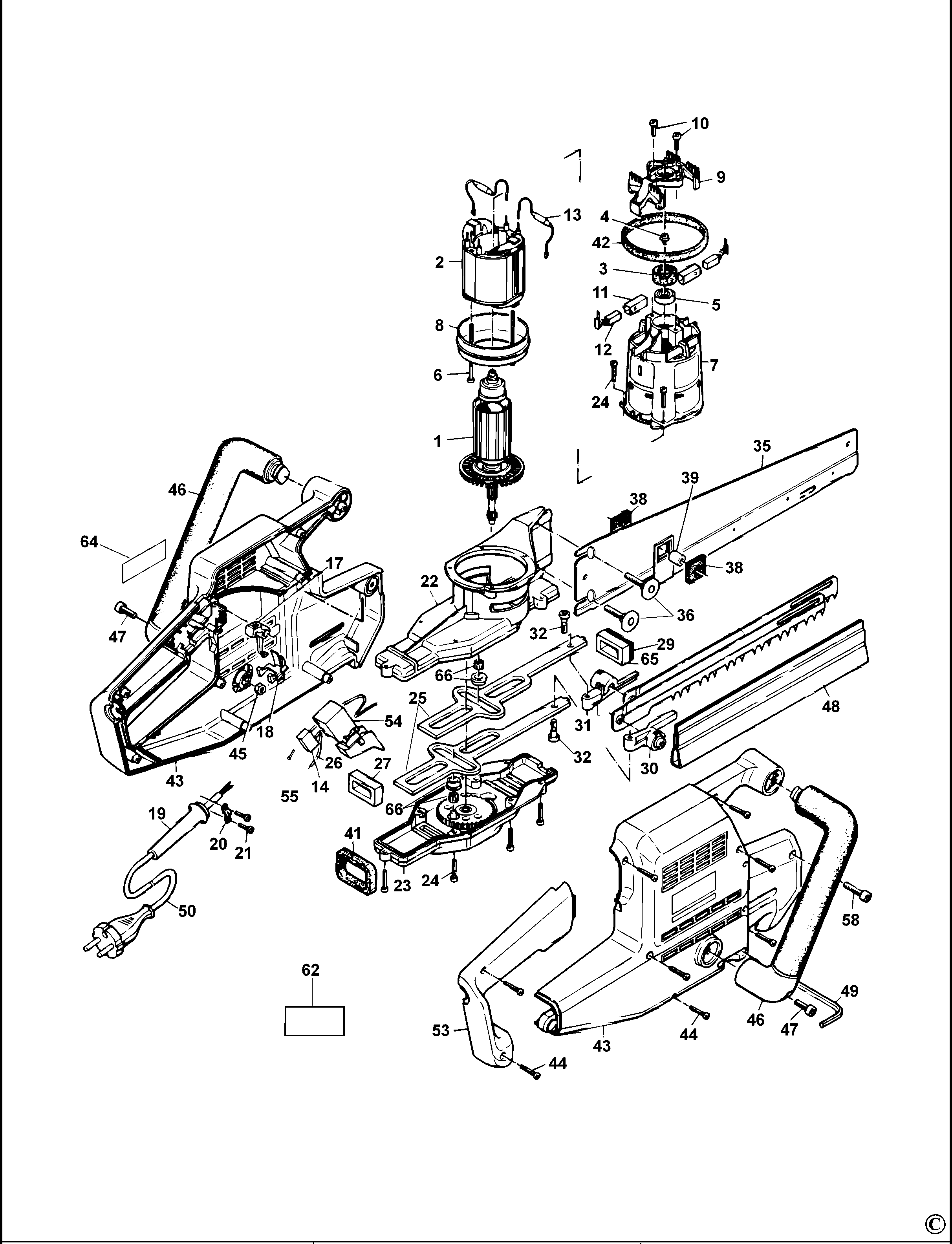
DW390 SEGA UNIVERSALE Type 5 | Disegni
Documenti
Si prega di visualizzare il menu a tendina dal momento che alcuni prodotti potrebbero avere più disegni

Item No. | Product Number | Qty Per | Product Description | INFORMAZIONI | Altre informazioni | Markets | Product Status | Guida ai prezzi |
---|---|---|---|---|---|---|---|---|
1 | 369453-04 | 1 | ARMATURE 230V | QS | ![]() |
61.56 EUR | ||
2 | 373007-15 | 1 | FIELD 230V | QS | ![]() |
15.54 EUR | ||
3 | 911897 | 1 | PORTAUTENSILE | QS | ![]() |
1.20 EUR | ||
4 | 322491 | 1 | VITE | QS | ![]() |
1.00 EUR | ||
5 | 330003-19 | 1 | CUSCINETTO | QS | ![]() |
5.54 EUR | ||
6 | 916231 | 2 | VITE | QS | ![]() |
1.10 EUR | ||
7 | 322330 | 1 | CORPO MOTORE | QS | ![]() |
4.21 EUR | ||
8 | 916128 | 1 | BAFFLE FAN | QS | ![]() |
1.33 EUR | ||
9 | 322894 | 1 | PONTE | QS | ![]() |
1.44 EUR | ||
10 | 911300 | 2 | VITE | QS | 1.00 EUR | |||
11 | 321337 | 2 | PORTASPAZZOLE | QS | ![]() |
1.10 EUR | ||
12 | 322950 | 2 | BRUSH 230V | QS | ![]() |
3.80 EUR | ||
13 | 321354 | 2 | LEAD 70MM | QS | ![]() |
1.10 EUR | ||
14 | 321384 | 1 | CONDENSATORE | QS | ![]() |
1.44 EUR | ||
17 | 322369-00 | 1 | LEVA | QS | ![]() |
1.33 EUR | ||
18 | 323136 | 1 | LEVA | QS | ![]() |
1.10 EUR | ||
19 | 770235 | 1 | MANICOTTO | QS | ![]() |
1.10 EUR | ||
20 | 821070 | 1 | SERRAFILO | QS | ![]() |
1.00 EUR | ||
21 | D911324 | 2 | VITE | QS | ![]() |
1.00 EUR | ||
22 | 324817-00 | 1 | SCATOLA INGRANAGGI | QS | ![]() |
44.63 EUR | ||
23 | 322667 | 1 | SCATOLA INGRANAGGI | QS | ![]() |
34.06 EUR | ||
24 | 810091-00 | 11 | SCREW.SPECIAL | QS | ![]() |
1.00 EUR | ||
25 | 1008559-01 | 1 | KIT RIPARAZIONE | QS | ![]() |
66.18 EUR | ||
26 | 878756 | 2 | LEAD 200MM BLACK | QS | ![]() |
1.10 EUR | ||
27 | 322377 | 1 | CUSCINETTO | QS | ![]() |
2.87 EUR | ||
29 | 325990-00 | 1 | GUARNIZIONE | QS | ![]() |
1.33 EUR | ||
30 | 1007590-00 | 1 | MORSETTO LAMA | QS | ![]() |
7.18 EUR | ||
31 | 1007589-00 | 1 | MORSETTO LAMA | QS | ![]() |
7.18 EUR | ||
32 | 495253-00 | 1 | KIT RIPARAZIONE | QS | ![]() |
8.52 EUR | ||
35 | 325334-00 | 1 | BARRA | QS | ![]() |
34.06 EUR | ||
36 | 324776-00 | 2 | VITE | QS | ![]() |
1.20 EUR | ||
38 | 322661 | 2 | INSERTO | QS | ![]() |
1.20 EUR | ||
39 | 322662 | 1 | DISTANZIALE | QS | ![]() |
1.10 EUR | ||
41 | 322659 | 1 | INSERTO | QS | ![]() |
1.33 EUR | ||
42 | 322660 | 1 | INSERTO | QS | ![]() |
2.00 EUR | ||
43 | 325602-06 | 1 | ASS. CORPO | QS | ![]() |
22.98 EUR | ||
44 | 330065-08 | 9 | VITE | M4x18 T20 | QS | ![]() |
1.00 EUR | |
45 | 911018 | 2 | DADO | QS | ![]() |
1.00 EUR | ||
46 | 323142 | 2 | HANDLE | QS | ![]() |
18.73 EUR | ||
47 | 580475-00 | 2 | VITE | QS | ![]() |
1.10 EUR | ||
48 | 259680 | 1 | PROTEZIONE | QS | ![]() |
1.44 EUR | ||
49 | 098000-11 | 1 | CHIAVE ESAGONALE | QS | ![]() |
1.33 EUR | ||
50 | N571221 | 1 | CORDSET (EURO) | QS | ![]() |
12.67 EUR | ||
53 | 322363-06 | 1 | COPERTURA MANICO | QS | ![]() |
3.80 EUR | ||
54 | 325328-03 | 1 | INTERRUTTORE | QS | ![]() |
16.88 EUR | ||
55 | 911026 | 4 | VITE | QS | ![]() |
1.00 EUR | ||
58 | 322928 | 1 | VITE | QS | ![]() |
1.10 EUR | ||
62 | 323504-00 | 1 | ETICHETTA DI AVVISO | QS | ![]() |
1.20 EUR | ||
64 | 578742-00 | 1 | ETICHETTA MARCHIO | QS | ![]() |
2.00 EUR | ||
65 | 325881-01 | 1 | CUSCINETTO | QS | ![]() |
3.80 EUR | ||
66 | 1008559-01 | 2 | KIT RIPARAZIONE | QS | ![]() |
66.18 EUR |
* I prezzi indicati possono subire variazioni e non sono inclusivi di IVA ed eventuali spese di trasporto. Ci riserviamo la possibilità di variare i prezzi e le condizioni senza preavviso.