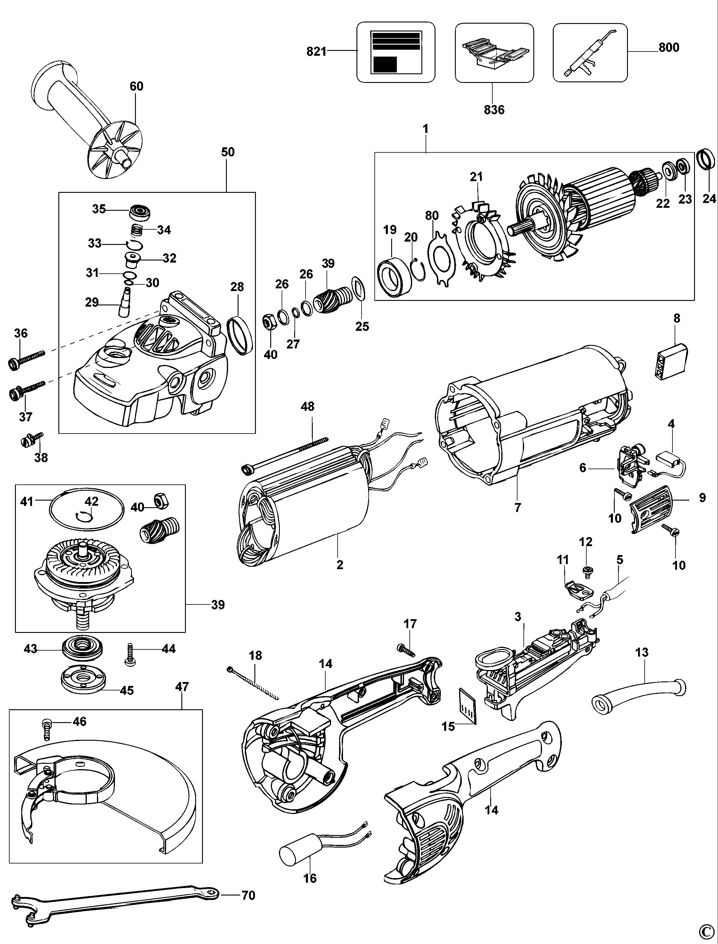
D28422 SMERIGLIATRICE ANGOLARE Type 1 | Disegni
Documenti
Si prega di visualizzare il menu a tendina dal momento che alcuni prodotti potrebbero avere più disegni

Item No. | Product Number | Qty Per | Product Description | INFORMAZIONI | Altre informazioni | Markets | Product Status | Guida ai prezzi |
---|---|---|---|---|---|---|---|---|
1 | N022342 | 1 | ARMATURE 230V | 230V | QS | ![]() |
112.65 EUR | |
2 | 1005544-04 | 1 | FIELD 220V | QS | ![]() |
48.22 EUR | ||
3 | 393438-00 | 1 | ASS. INTERRUTTORE | QS | ![]() |
36.12 EUR | ||
4 | 585041-00 | 1 | BRUSH PAIR 230V | QS | ![]() |
14.00 EUR | ||
5 | 330080-53 | 1 | CAVO | QS | ![]() |
11.39 EUR | ||
6 | 617001-00 | 2 | ASS. PORTASPAZZOLE | QS | ![]() |
5.54 EUR | ||
7 | 399025-01 | 1 | CORPO MOTORE | QS | ![]() |
11.39 EUR | ||
8 | 604389-00 | 1 | CONNETTORE | QS | ![]() |
1.20 EUR | ||
9 | 394387-01 | 2 | GANASCIA | QS | ![]() |
2.36 EUR | ||
10 | 330019-11 | 4 | VITE | M4.55x13 T20 | QS | ![]() |
1.10 EUR | |
11 | 398217-00 | 1 | SERRAFILO | QS | ![]() |
1.10 EUR | ||
12 | 330019-03 | 1 | VITE | QS | ![]() |
1.00 EUR | ||
13 | 947964-01 | 1 | CORD PROTECTOR | QS | ![]() |
2.26 EUR | ||
14 | 395185-00 | 1 | ASS. IMPUGNATURA | QS | ![]() |
8.52 EUR | ||
15 | 398720-00 | 1 | GUARNIZIONE | QS | ![]() |
1.10 EUR | ||
16 | 397257-01 | 1 | CONDENSATORE | QS | ![]() |
6.05 EUR | ||
17 | 330019-32 | 3 | VITE | QS | ![]() |
1.10 EUR | ||
18 | 330019-50 | 2 | VITE | M4.55x50 PLASTIC THD FMG | QS | ![]() |
1.00 EUR | |
19 | 330003-13 | 1 | CUSCINETTO | QS | ![]() |
7.18 EUR | ||
20 | 398605-00 | 1 | ANELLO DI TENUTA | QS | ![]() |
1.10 EUR | ||
21 | 393222-00 | 1 | DISTANZIALE | QS | ![]() |
4.87 EUR | ||
22 | 393238-00 | 1 | SCHERMO | QS | ![]() |
1.20 EUR | ||
23 | 330003-60 | 1 | CUSCINETTO | QS | ![]() |
3.80 EUR | ||
24 | 609970-00 | 1 | TUBO ISOLANTE | QS | ![]() |
1.20 EUR | ||
25 | 608568-00 | 1 | RONDELLA | QS | ![]() |
1.10 EUR | ||
26 | 607502-00 | 1 | RONDELLA | QS | ![]() |
1.10 EUR | ||
27 | 614045-00 | 1 | RONDELLA ELASTICA | QS | ![]() |
1.10 EUR | ||
28 | 609971-00 | 1 | MANICOTTO | QS | ![]() |
1.10 EUR | ||
29 | 496443-00 | 1 | KIT RIPARAZIONE | QS | ![]() |
6.05 EUR | ||
30 | 603608-00 | 1 | ANELLO TOROIDALE | QS | ![]() |
1.10 EUR | ||
31 | 050049-00 | 1 | ANELLO | QS | ![]() |
1.00 EUR | ||
32 | 496443-00 | 1 | KIT RIPARAZIONE | QS | ![]() |
6.05 EUR | ||
33 | 603470-00 | 1 | ANELLO DI TENUTA | QS | ![]() |
1.54 EUR | ||
34 | 395029-00 | 1 | MOLLA | QS | ![]() |
1.00 EUR | ||
35 | 610999-00 | 1 | CALOTTA | QS | ![]() |
1.33 EUR | ||
36 | 330019-26 | 4 | VITE | QS | ![]() |
1.10 EUR | ||
37 | 330045-59 | 1 | VITE | QS | ![]() |
1.10 EUR | ||
38 | 330045-58 | 1 | VITE | QS | ![]() |
1.10 EUR | ||
39 | 583532-01 | 1 | ASS.COP.SCAT.INGR. | M14 THD. | QS | ![]() |
63.71 EUR | |
40 | 609125-00 | 1 | CONTRODADO | QS | ![]() |
1.20 EUR | ||
41 | 397031-00 | 1 | ANELLO TOROIDALE | QS | ![]() |
1.10 EUR | ||
42 | 034109-00 | 1 | ANELLO DI TENUTA | QS | ![]() |
1.10 EUR | ||
43 | 403150-01 | 1 | FLANGIA INTERNA | QS | ![]() |
4.87 EUR | ||
44 | 330045-15 | 4 | VITE | QS | ![]() |
1.10 EUR | ||
45 | 401678-05 | 1 | FLANGIA ESTERNA | QS | ![]() |
3.80 EUR | ||
46 | 606863-00 | 1 | VITE | QS | ![]() |
1.10 EUR | ||
47 | 393141-02 | 1 | ASS. PROTEZIONE | QS | ![]() |
11.39 EUR | ||
48 | 330019-34 | 2 | VITE | QS | ![]() |
1.10 EUR | ||
50 | N075439 | 1 | SCATOLA INGRANAGGI | PKG'D N040648 | QS | ![]() |
32.42 EUR | |
60 | 613777-00 | 1 | MANICO LATERALE | QS | ![]() |
12.67 EUR | ||
70 | 938733 | 1 | CHIAVE | QS | ![]() |
5.54 EUR | ||
80 | 613366-00 | 1 | INSERTO | QS | ![]() |
1.20 EUR | ||
800 | 583534-00 | 1 | GRASSO | 50 GRAMS - NYE RHEOLUB 380G1 | QS | ![]() |
166.73 EUR | |
821 | 608707-05 | 1 | SCHEDA | QS | QS | ![]() |
1.10 EUR | |
836 | 559638-99 | 1 | S.T. ESTRATTORE | QS | ![]() |
30.40 EUR |
* I prezzi indicati possono subire variazioni e non sono inclusivi di IVA ed eventuali spese di trasporto. Ci riserviamo la possibilità di variare i prezzi e le condizioni senza preavviso.