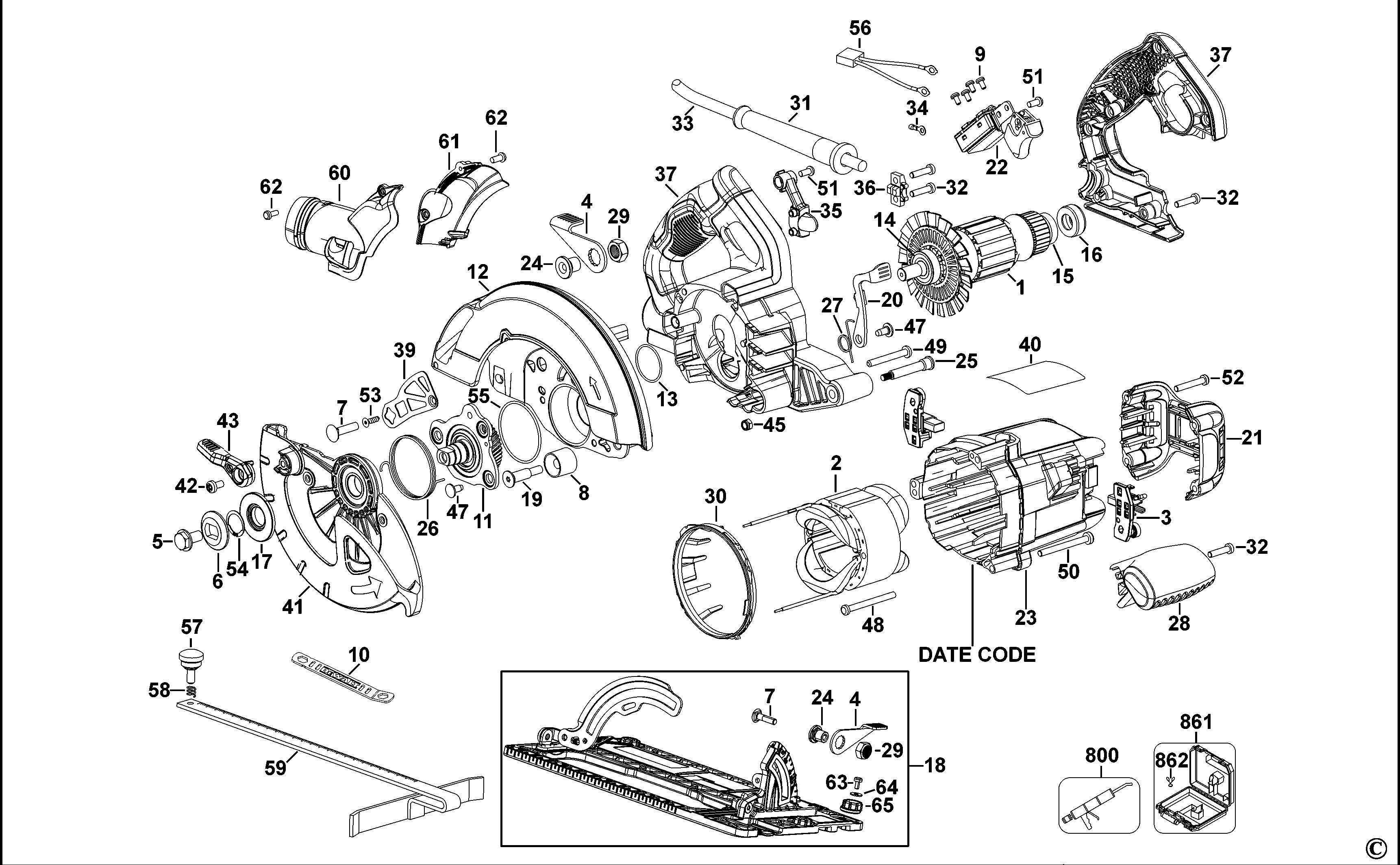
DWE576 SEGA CIRCOLARE Type 1 | Disegni
Documenti
Si prega di visualizzare il menu a tendina dal momento che alcuni prodotti potrebbero avere più disegni
| Item No. | Product Number | Qty Per | Product Description | INFORMAZIONI | Altre informazioni | Markets | Product Status | Guida ai prezzi |
|---|---|---|---|---|---|---|---|---|
| 1 | N420172 | 1 | ARMATURE 230V | 230V | QS | ![]() |
48.22 EUR | |
| 2 | N225796 | 1 | FIELD SA 230V | QS | ![]() |
32.42 EUR | ||
| 3 | N226137 | 1 | PORTASPAZZOLE | QS | ![]() |
11.39 EUR | ||
| 4 | 145347-00 | 1 | LEVA | QS | ![]() |
1.44 EUR | ||
| 5 | 145344-00 | 1 | SCREW.SPECIAL | QS | ![]() |
1.20 EUR | ||
| 6 | N120428 | 1 | FLANGIA ESTERNA | 30MM ID BLADE | QS | ![]() |
2.36 EUR | |
| 7 | 098128-90 | 2 | BULL. A TESTA TONDA | QS | ![]() |
1.20 EUR | ||
| 8 | 381066-00 | 1 | PARACOLPI | QS | ![]() |
1.10 EUR | ||
| 9 | 384127-01 | 4 | VITE | QS | ![]() |
1.00 EUR | ||
| 10 | N165861 | 1 | CHIAVE SPECIALE | QS | ![]() |
2.00 EUR | ||
| 11 | N219393 | 1 | ASS. ALBERO | QS | ![]() |
16.88 EUR | ||
| 12 | N237899 | 1 | SCATOLA INGRANAGGI | INCL 13 | QS | ![]() |
20.52 EUR | |
| 13 | N100358 | 1 | ANELLO TOROIDALE | QS | ![]() |
1.10 EUR | ||
| 14 | 330003-25 | 1 | CUSCINETTO | 12 x 28 x 8 - 6001RS | QS | ![]() |
4.21 EUR | |
| 15 | N110359 | 1 | CUSCINETTO | QS | ![]() |
2.00 EUR | ||
| 16 | N136311 | 1 | PARAPOLVERE DI GOMMA | QS | ![]() |
1.10 EUR | ||
| 17 | N084137 | 1 | RONDEL. FISSAG. INT. | INNER | QS | ![]() |
2.36 EUR | |
| 18 | N257219 | 1 | ASS. PATTINO | QS | ![]() |
50.38 EUR | ||
| 19 | N086135 | 1 | VITE | QS | ![]() |
1.10 EUR | ||
| 20 | N090570 | 1 | MANICOTTO | SPINDLE | QS | ![]() |
2.36 EUR | |
| 21 | N090678 | 1 | COPERTURA TERMINALE | QS | ![]() |
3.08 EUR | ||
| 22 | N120421 | 1 | ASS. INTERRUTTORE | QS | ![]() |
11.39 EUR | ||
| 23 | N168914 | 1 | CORPO MOTORE | QS | ![]() |
11.39 EUR | ||
| 24 | N094731 | 1 | VITE | TOP HAT | QS | ![]() |
2.36 EUR | |
| 25 | N099101 | 1 | BULLONE | QS | ![]() |
1.20 EUR | ||
| 26 | N100006 | 1 | MOLLA | QS | ![]() |
1.44 EUR | ||
| 27 | N100123 | 1 | MOLLA | QS | ![]() |
1.00 EUR | ||
| 28 | N115554 | 1 | HANDLE | QS | ![]() |
2.36 EUR | ||
| 29 | N117921 | 1 | PEZZO DI RICAMBIO | ELASTIC 7/16-20 | QS | ![]() |
1.10 EUR | |
| 30 | N287072 | 1 | BAFFLE FAN | QS | ![]() |
2.00 EUR | ||
| 31 | 330005-02 | 1 | CORD PROTECTOR | QS | ![]() |
3.08 EUR | ||
| 32 | 330019-13 | 9 | VITE | M4X19 T20 | QS | ![]() |
1.00 EUR | |
| 33 | N142457 | 1 | CORDSET (EURO) | QS | QS | ![]() |
12.67 EUR | |
| 34 | 395716-00 | 2 | TERMINALE | QS | ![]() |
1.10 EUR | ||
| 35 | N095539 | 1 | SERRAFILO | QS | ![]() |
1.20 EUR | ||
| 36 | N127730 | 1 | SERRAFILO | QS | ![]() |
1.10 EUR | ||
| 37 | N137320 | 1 | ASS. IMPUGNATURA | QS | ![]() |
16.88 EUR | ||
| 39 | N135988 | 1 | NASTRO | QS | ![]() |
1.20 EUR | ||
| 40 | N770212 | 1 | SCHEDA | QS | QS | 1.44 EUR | ||
| 41 | N378852 | 1 | GUARDIA INFERIORE | QS | ![]() |
16.88 EUR | ||
| 42 | 098094-13 | 1 | VITE | M5 x 13mm, Pan Hd | QS | ![]() |
7.18 EUR | |
| 43 | N086628 | 1 | LEVA | QS | ![]() |
1.54 EUR | ||
| 45 | N123103 | 1 | PEZZO DI RICAMBIO | QS | ![]() |
1.00 EUR | ||
| 47 | 385915-04 | 4 | VITE | QS | ![]() |
2.36 EUR | ||
| 48 | 330019-50 | 2 | VITE | M4.55x50 PLASTIC THD FMG | QS | ![]() |
1.00 EUR | |
| 49 | 330045-19 | 1 | VITE | QS | ![]() |
1.00 EUR | ||
| 50 | 330045-21 | 3 | VITE | QS | ![]() |
1.00 EUR | ||
| 51 | 330019-10 | 2 | VITE | QS | ![]() |
1.00 EUR | ||
| 52 | 330019-45 | 4 | VITE | QS | ![]() |
1.00 EUR | ||
| 53 | 593515-00 | 1 | VITE | M4 X 1.7 | QS | ![]() |
1.00 EUR | |
| 54 | N120426 | 1 | ANELLO DI TENUTA | QS | ![]() |
1.00 EUR | ||
| 55 | N361499 | 1 | ANELLO TOROIDALE | QS | ![]() |
1.20 EUR | ||
| 56 | 632218-00 | 1 | CONDENSATORE | QS | ![]() |
1.00 EUR | ||
| 57 | N287119 | 1 | VITE | QS | ![]() |
1.44 EUR | ||
| 58 | 058287-00 | 1 | MOLLA | QS | ![]() |
1.00 EUR | ||
| 59 | N174703 | 1 | GUIDA | METRIC | QS | ![]() |
6.05 EUR | |
| 60 | N108974 | 1 | SCHIUMA | QS | ![]() |
1.54 EUR | ||
| 61 | N168420 | 1 | SCHIUMA | QS | ![]() |
1.20 EUR | ||
| 62 | 370748 | 2 | VITE | QS | ![]() |
1.00 EUR | ||
| 63 | 330045-44 | 4 | VITE | QS | ![]() |
1.00 EUR | ||
| 64 | N177561 | 4 | RONDELLA | QS | ![]() |
1.00 EUR | ||
| 65 | N144477 | 4 | MANOPOLA | QS | ![]() |
1.20 EUR | ||
| 800 | 583534-00 | 1 | GRASSO | 50 GRAMS - NYE RHEOLUB 380G1 | QS | ![]() |
166.73 EUR | |
| 861 | 621123-00 | 1 | CASS.PORTA ATTREZZI | QS | ![]() |
52.94 EUR | ||
| 862 | 605265-00 | 1 | DADO AD ALETTE | QS | ![]() |
7.18 EUR |
* I prezzi indicati possono subire variazioni e non sono inclusivi di IVA ed eventuali spese di trasporto. Ci riserviamo la possibilità di variare i prezzi e le condizioni senza preavviso.
