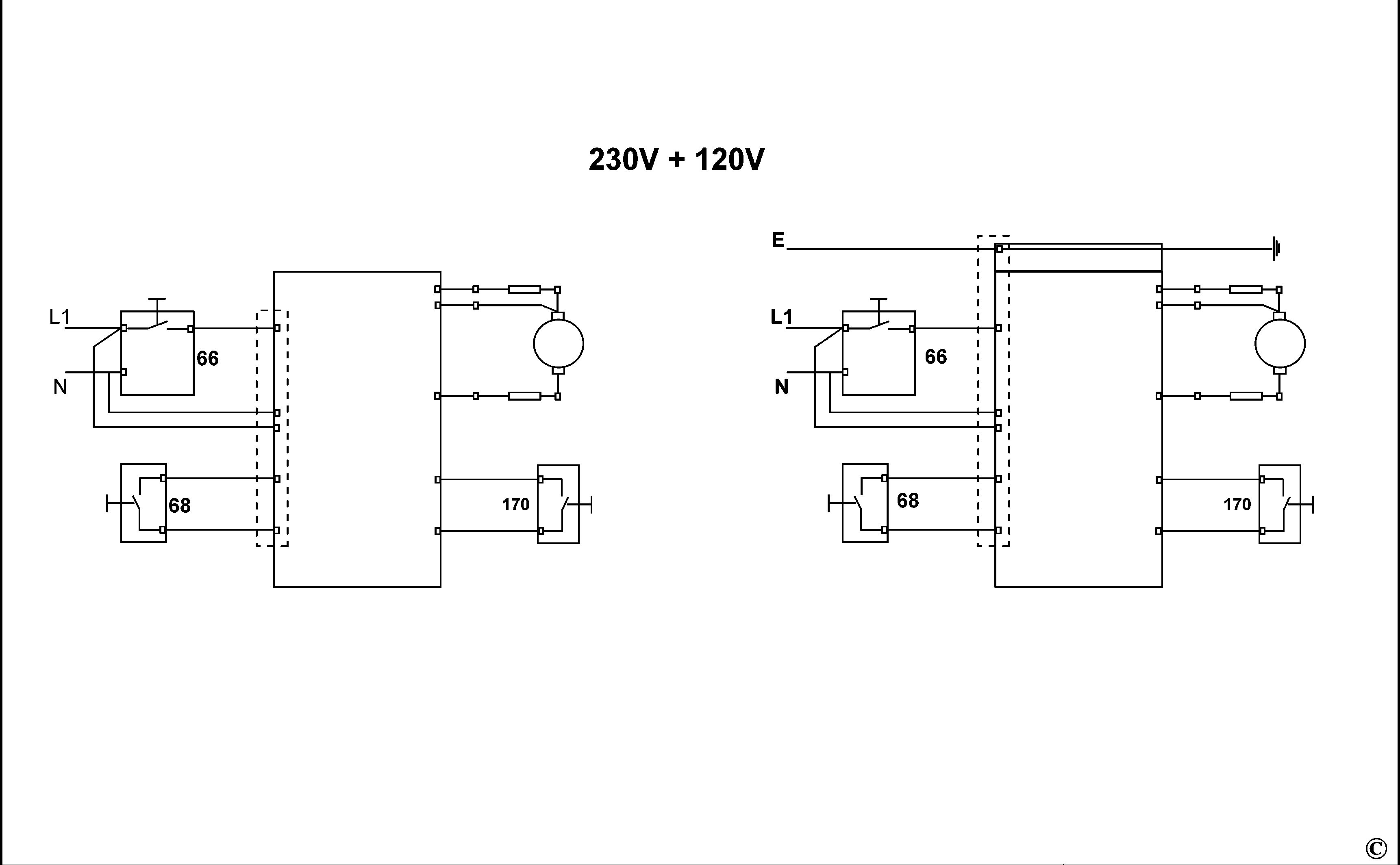
D25601K MARTELLO ROTANTE Type 2 | Disegni

Documenti

Si prega di visualizzare il menu a tendina dal momento che alcuni prodotti potrebbero avere più disegni

Item No. Product Number Qty Per Product Description INFORMAZIONI Altre informazioni Markets Product Status Guida ai prezzi

* I prezzi indicati possono subire variazioni e non sono inclusivi di IVA ed eventuali spese di trasporto. Ci riserviamo la possibilità di variare i prezzi e le condizioni senza preavviso.