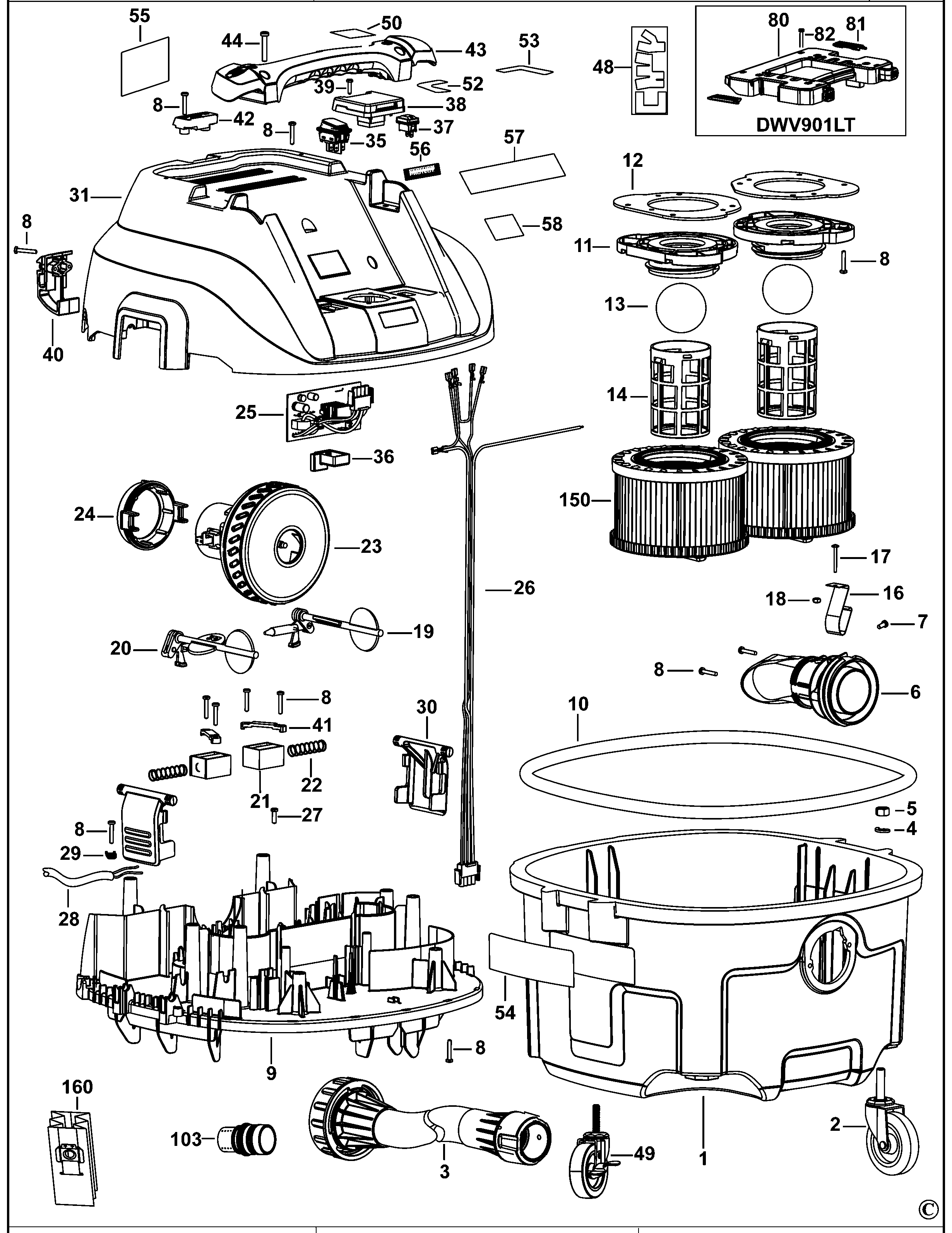
DWV901L ASPIRATORE SOTTOVUOTO Type 1 | Disegni
Documenti
Si prega di visualizzare il menu a tendina dal momento che alcuni prodotti potrebbero avere più disegni
| Item No. | Product Number | Qty Per | Product Description | INFORMAZIONI | Altre informazioni | Markets | Product Status | Guida ai prezzi |
|---|---|---|---|---|---|---|---|---|
| 1 | N291160 | 1 | SERBATOIO | 30LT | QS | ![]() |
48.22 EUR | |
| 2 | N289839 | 3 | RUOTA ORIENTABILE | NON LOCK | QS | ![]() |
11.39 EUR | |
| 3 | N433594 | 1 | ASS. TUBO FLESSIBILE | 4.1M x 32mm dia | QS | 48.22 EUR | ||
| 4 | N371460 | 4 | RONDELLA DENTATA | QS | ![]() |
1.10 EUR | ||
| 5 | N371459 | 4 | DADO | 3/8 X 16 | QS | ![]() |
1.10 EUR | |
| 6 | N294562 | 1 | ENTRATA | QS | ![]() |
8.52 EUR | ||
| 7 | N142827 | 1 | VITE | QS | ![]() |
1.00 EUR | ||
| 8 | 330019-14 | 34 | VITE | QS | ![]() |
1.00 EUR | ||
| 9 | N289899 | 1 | CORPO | QS | ![]() |
32.42 EUR | ||
| 10 | N395128 | 1 | GUARNIZIONE | QS | ![]() |
4.21 EUR | ||
| 11 | N294525 | 2 | INCASTELLATURA | QS | ![]() |
4.21 EUR | ||
| 12 | N146653 | 2 | GUARNIZIONE | QS | ![]() |
1.20 EUR | ||
| 13 | N206771 | 2 | VALVOLA A GALLEGG. | QS | ![]() |
4.21 EUR | ||
| 14 | N265199 | 2 | GABBIA | QS | ![]() |
2.26 EUR | ||
| 16 | N137853 | 1 | PIASTRA | QS | ![]() |
2.26 EUR | ||
| 17 | N142836 | 1 | VITE | QS | ![]() |
1.00 EUR | ||
| 18 | N142838 | 1 | CONTRODADO | QS | ![]() |
1.00 EUR | ||
| 19 | N409097 | 1 | VALVOLA | LH | QS | ![]() |
4.87 EUR | |
| 20 | N409096 | 1 | VALVOLA | RH | QS | ![]() |
4.87 EUR | |
| 21 | N338941 | 2 | AVVOLGIMENTO | 230V | QS | ![]() |
12.67 EUR | |
| 22 | N362634 | 2 | MOLLA | QS | ![]() |
1.00 EUR | ||
| 23 | N483601 | 1 | MOTOR SA 230V | QS | ![]() |
48.22 EUR | ||
| 25 | N365860 | 1 | S/G MODULO CONTROLLO | 230V | QS | ![]() |
61.56 EUR | |
| 26 | N379709 | 1 | ASS. CAVETTO | QS | ![]() |
29.65 EUR | ||
| 27 | 330019-24 | 1 | VITE | QS | ![]() |
1.00 EUR | ||
| 28 | N383944 | 1 | CORDSET (EURO) | QS | QS | ![]() |
16.88 EUR | |
| 29 | 450877-00 | 1 | SERRAFILO | QS | ![]() |
1.10 EUR | ||
| 30 | N294563 | 2 | CHIAVISTELLO | QS | ![]() |
1.54 EUR | ||
| 31 | N291119 | 1 | CORPO SUPERIORE | QS | ![]() |
36.12 EUR | ||
| 35 | N296522 | 1 | INTERRUTTORE | QS | ![]() |
6.05 EUR | ||
| 36 | N373779 | 1 | GUAINA | SWITCH | QS | ![]() |
1.44 EUR | |
| 37 | 656494-00 | 1 | INTERRUTTORE | QS | ![]() |
2.67 EUR | ||
| 38 | N135489 | 1 | USCITA | QS | QS | ![]() |
15.54 EUR | |
| 39 | 330019-03 | 2 | VITE | QS | ![]() |
1.00 EUR | ||
| 40 | N378329 | 1 | GANCIO | QS | ![]() |
1.54 EUR | ||
| 41 | N391183 | 2 | NASTRO | QS | ![]() |
1.10 EUR | ||
| 42 | N378050 | 1 | MORSETTO | QS | ![]() |
1.33 EUR | ||
| 43 | N135179 | 1 | HANDLE | DWV901L | QS | ![]() |
4.21 EUR | |
| 44 | 330019-21 | 4 | SCREW.TEMP | QS | ![]() |
1.00 EUR | ||
| 48 | N409100 | 1 | SPUGNA | QS | ![]() |
80.13 EUR | ||
| 49 | N380031 | 1 | RUOTA ORIENTABILE | LOCKING | QS | ![]() |
11.39 EUR | |
| 50 | N155016 | 1 | ETICHETTA DI AVVISO | QS | ![]() |
1.10 EUR | ||
| 52 | N404196 | 1 | ETICHETTA | MAIN SWITCH | QS | ![]() |
1.10 EUR | |
| 53 | N404197 | 1 | ETICHETTA | SWITCH CONTROL | QS | ![]() |
1.10 EUR | |
| 54 | N405022 | 2 | ETICHETTA MARCHIO | QS | ![]() |
1.33 EUR | ||
| 55 | N383462 | 1 | SCHEDA | QS | QS | ![]() |
1.10 EUR | |
| 56 | N177322 | 1 | ETICHETTA | QS | ![]() |
1.10 EUR | ||
| 57 | N147781 | 1 | ETICHETTA DI AVVISO | QS | ![]() |
1.54 EUR | ||
| 58 | N406852 | 1 | ETICHETTA | AUTO CLEAN | QS | ![]() |
1.10 EUR | |
| 80 | N310159 | 1 | CREMAGLIERA | DWV901LT | QS | ![]() |
34.06 EUR | |
| 81 | N376128 | 2 | CHIAVISTELLO | DWV901LT | QS | ![]() |
1.74 EUR | |
| 82 | 330019-21 | 2 | SCREW.TEMP | DWV901LT | QS | ![]() |
1.00 EUR | |
| 103 | N070902 | 1 | ADATTATORE | QS | ![]() |
4.87 EUR | ||
| 150 | 1004772-04 | 2 | ASS. FILTRO | QS | ![]() |
34.06 EUR | ||
| 160 | 1004772-10 | 1 | SA SACCHETTO POLVERE | QS | ![]() |
11.39 EUR |
* I prezzi indicati possono subire variazioni e non sono inclusivi di IVA ed eventuali spese di trasporto. Ci riserviamo la possibilità di variare i prezzi e le condizioni senza preavviso.
