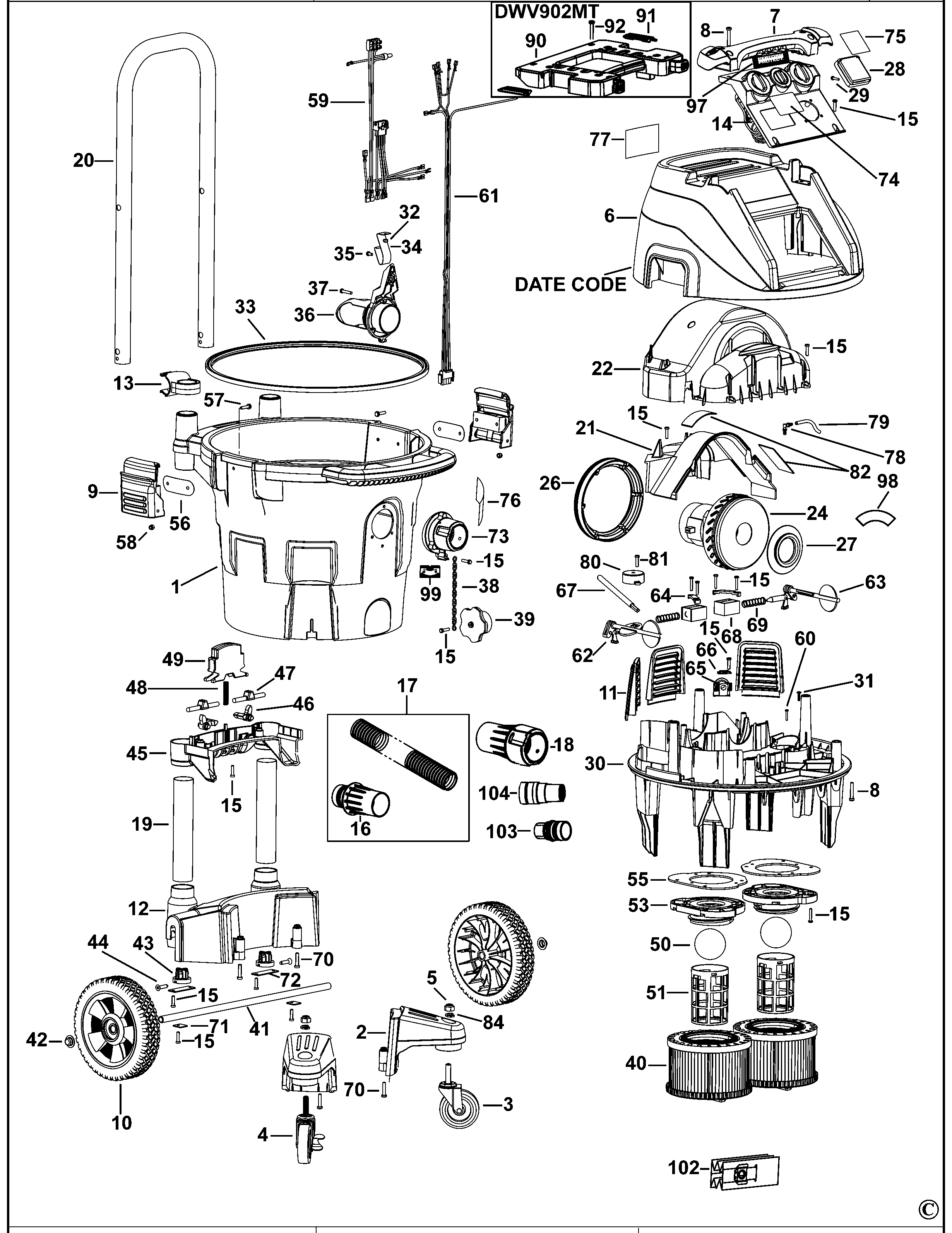
DWV902M ASPIRATORE DELLA POLVERE Type 2 | Disegni
Documenti
Si prega di visualizzare il menu a tendina dal momento che alcuni prodotti potrebbero avere più disegni

Item No. | Product Number | Qty Per | Product Description | INFORMAZIONI | Altre informazioni | Markets | Product Status | Guida ai prezzi |
---|---|---|---|---|---|---|---|---|
1 | N116019 | 1 | SERBATOIO | QS | ![]() |
50.38 EUR | ||
2 | N395145 | 2 | STAFFA DI MONTAGGIO | QS | ![]() |
5.54 EUR | ||
3 | N289839 | 1 | RUOTA ORIENTABILE | NON LOCK | QS | ![]() |
11.39 EUR | |
4 | N380031 | 1 | RUOTA ORIENTABILE | LOCKING | QS | ![]() |
11.39 EUR | |
5 | N371459 | 2 | DADO | 3/8 X 16 | QS | ![]() |
1.10 EUR | |
6 | N316266 | 1 | TESTA | QS | ![]() |
36.12 EUR | ||
7 | N135179 | 1 | HANDLE | DWV902M | QS | ![]() |
4.21 EUR | |
8 | 330019-21 | 9 | SCREW.TEMP | QS | ![]() |
1.00 EUR | ||
9 | 1004771-97 | 2 | CHIAVISTELLO | QS | ![]() |
5.54 EUR | ||
10 | N417079 | 2 | POSTERIORE RUOTA | QS | ![]() |
12.67 EUR | ||
11 | N135170 | 3 | SFIATATOIO | QS | ![]() |
2.00 EUR | ||
12 | N118223 | 1 | STAFFA DI MONTAGGIO | QS | ![]() |
14.00 EUR | ||
13 | N147540 | 1 | MORSETTO | QS | ![]() |
1.44 EUR | ||
14 | N243566 | 1 | QUADRO DI COMANDO | 230V M CLASS | QS | ![]() |
128.66 EUR | |
15 | 330019-13 | 37 | VITE | M4X19 T20 | QS | ![]() |
1.00 EUR | |
16 | N145597 | 1 | TUBO FLESSIBILE | QS | ![]() |
4.87 EUR | ||
17 | N208032 | 1 | ASS. TUBO FLESSIBILE | INCL 16 | QS | ![]() |
36.12 EUR | |
18 | N071898 | 1 | CONNETTORE | QS | ![]() |
11.39 EUR | ||
19 | N139272 | 2 | TUBO | QS | ![]() |
2.87 EUR | ||
20 | N138912 | 1 | MANICO SUPERIORE | QS | ![]() |
12.67 EUR | ||
21 | N395655 | 1 | COPERCHIO MOTORE | QS | ![]() |
4.21 EUR | ||
22 | N162177 | 1 | COPERTURA | QS | ![]() |
14.00 EUR | ||
24 | 1004772-00 | 1 | MOTOR SA 230V | 230V | QS | ![]() |
61.56 EUR | |
26 | N250119 | 1 | RING,GASKET | QS | ![]() |
2.87 EUR | ||
27 | N137847 | 1 | GUARNIZIONE | FRONT | QS | ![]() |
2.87 EUR | |
28 | N135489 | 1 | USCITA | QS | QS | ![]() |
15.54 EUR | |
29 | 330019-03 | 2 | VITE | QS | ![]() |
1.00 EUR | ||
30 | N395183 | 1 | ASS. INCASTELLATURA | QS | ![]() |
37.96 EUR | ||
31 | N142836 | 1 | VITE | QS | ![]() |
1.00 EUR | ||
32 | N142838 | 1 | CONTRODADO | QS | ![]() |
1.00 EUR | ||
33 | N124753 | 1 | GUARNIZIONE | TANK | QS | ![]() |
10.05 EUR | |
34 | N137853 | 1 | PIASTRA | STATIC DISCHARGE ELE | QS | ![]() |
2.26 EUR | |
35 | N142827 | 1 | VITE | QS | ![]() |
1.00 EUR | ||
36 | N468428 | 1 | ENTRATA | QS | ![]() |
8.52 EUR | ||
37 | 330019-14 | 3 | VITE | QS | ![]() |
1.00 EUR | ||
38 | N185285 | 1 | CAVO | QS | ![]() |
1.33 EUR | ||
39 | N143848 | 1 | CALOTTA | QS | ![]() |
1.54 EUR | ||
40 | 1004772-04 | 2 | ASS. FILTRO | QS | ![]() |
34.06 EUR | ||
41 | N118225 | 1 | ASSE | QS | ![]() |
3.80 EUR | ||
42 | N118234 | 2 | ANELLO DI TENUTA | QS | ![]() |
1.20 EUR | ||
43 | N137054 | 2 | TAPPO | QS | ![]() |
1.20 EUR | ||
44 | N147400 | 2 | VITE | QS | ![]() |
1.00 EUR | ||
45 | N133363 | 1 | COPERTURA | QS | ![]() |
4.21 EUR | ||
46 | N139136 | 2 | LEVA | QS | ![]() |
1.10 EUR | ||
47 | N137872 | 2 | MORSETTO | QS | ![]() |
1.10 EUR | ||
48 | N142180 | 1 | MOLLA | QS | ![]() |
1.00 EUR | ||
49 | N137721 | 1 | PULSANTE | QS | ![]() |
2.00 EUR | ||
50 | N206771 | 2 | VALVOLA A GALLEGG. | QS | ![]() |
4.21 EUR | ||
51 | N265199 | 2 | GABBIA | QS | ![]() |
2.26 EUR | ||
53 | N294525 | 2 | INCASTELLATURA | QS | ![]() |
4.21 EUR | ||
55 | N146653 | 2 | GUARNIZIONE | QS | ![]() |
1.20 EUR | ||
56 | N146843 | 2 | PIASTRA | QS | ![]() |
1.10 EUR | ||
57 | 330045-15 | 4 | VITE | QS | ![]() |
1.10 EUR | ||
58 | 148641-00 | 4 | CONTRODADO | QS | ![]() |
1.10 EUR | ||
59 | N166678 | 1 | ASS. CAVETTO | QS | QS | ![]() |
20.52 EUR | |
60 | 330019-24 | 1 | VITE | QS | ![]() |
1.00 EUR | ||
61 | N397036 | 1 | ASS. CAVETTO | QS | ![]() |
14.00 EUR | ||
62 | N409096 | 1 | VALVOLA | RH | QS | ![]() |
4.87 EUR | |
63 | N409097 | 1 | VALVOLA | LH | QS | ![]() |
4.87 EUR | |
64 | N395762 | 2 | NASTRO | QS | ![]() |
1.20 EUR | ||
65 | N135151 | 1 | CORD PROTECTOR | QS | ![]() |
1.20 EUR | ||
66 | 450877-00 | 1 | SERRAFILO | QS | ![]() |
1.10 EUR | ||
67 | N303979 | 1 | CORDSET (EURO) | QS | QS | ![]() |
27.91 EUR | |
68 | N378200 | 2 | AVVOLGIMENTO | 230V | QS | ![]() |
14.00 EUR | |
69 | N362634 | 2 | MOLLA | QS | ![]() |
1.00 EUR | ||
70 | 330019-20 | 4 | VITE | QS | ![]() |
1.00 EUR | ||
71 | N118226 | 2 | PIASTRA | QS | ![]() |
1.10 EUR | ||
72 | N134941 | 2 | PIASTRA | QS | ![]() |
1.10 EUR | ||
73 | N150546 | 1 | ENTRATA | QS | ![]() |
8.52 EUR | ||
74 | N397653 | 1 | SCHEDA | QS | QS | ![]() |
1.10 EUR | |
75 | N408096 | 1 | ETICHETTA DI AVVISO | 1600W | QS | ![]() |
1.10 EUR | |
76 | N405022 | 1 | ETICHETTA MARCHIO | QS | ![]() |
1.33 EUR | ||
77 | N154132 | 1 | ETICHETTA DI AVVISO | M CLASS | QS | ![]() |
1.54 EUR | |
78 | N149299 | 1 | CONNETTORE | ELBOW M CLASS | QS | ![]() |
1.10 EUR | |
79 | N149246 | 1 | TUBO DI PLASTICA | M CLASS | QS | ![]() |
1.74 EUR | |
80 | N139903 | 1 | SIRENA | M CLASS | QS | ![]() |
4.21 EUR | |
81 | 330019-02 | 2 | VITE | QS | ![]() |
1.00 EUR | ||
82 | N177921 | 1 | SPUGNA | QS | ![]() |
2.26 EUR | ||
84 | N371460 | 2 | RONDELLA DENTATA | QS | ![]() |
1.10 EUR | ||
97 | N177322 | 1 | ETICHETTA | QS | ![]() |
1.10 EUR | ||
98 | N183923 | 1 | ETICHETTA | QS | ![]() |
1.00 EUR | ||
99 | N199361 | 1 | ETICHETTA | QS | ![]() |
1.20 EUR | ||
102 | N194931 | 1 | SA SACCHETTO POLVERE | QS | ![]() |
3.80 EUR | ||
103 | N070902 | 1 | ADATTATORE | QS | ![]() |
4.87 EUR | ||
104 | 1004772-11 | 1 | CONNETTORE | QS | ![]() |
8.52 EUR |
* I prezzi indicati possono subire variazioni e non sono inclusivi di IVA ed eventuali spese di trasporto. Ci riserviamo la possibilità di variare i prezzi e le condizioni senza preavviso.