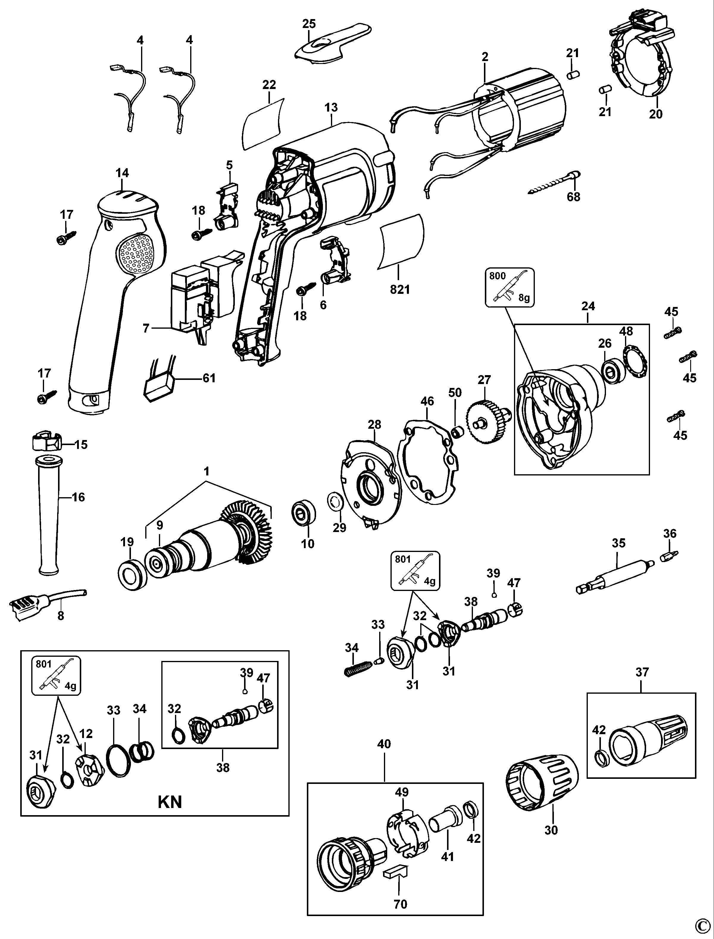
DW275KN CACCIAVITE Type 5 | Disegni
Documenti
Si prega di visualizzare il menu a tendina dal momento che alcuni prodotti potrebbero avere più disegni
| Item No. | Product Number | Qty Per | Product Description | INFORMAZIONI | Altre informazioni | Markets | Product Status | Guida ai prezzi |
|---|---|---|---|---|---|---|---|---|
| 1 | 579598-04 | 1 | INDOTTO | QS | ![]() |
50.38 EUR | ||
| 2 | N023112 | 1 | FIELD 230V | QS | 37.96 EUR | |||
| 4 | 403108-14 | 2 | BRUSH 230V | QS | ![]() |
5.54 EUR | ||
| 5 | 401877-01 | 1 | ASS. PORTASPAZZOLE | QS | ![]() |
2.67 EUR | ||
| 6 | 401878-01 | 1 | ASS. PORTASPAZZOLE | QS | 2.67 EUR | |||
| 7 | N023114 | 1 | INTERRUTTORE VARIAB. | QS | ![]() |
25.24 EUR | ||
| 8 | 330120-86 | 1 | CAVO CON SPINA | QS | ![]() |
10.05 EUR | ||
| 9 | 605040-06 | 1 | BEARING,BALL | QS | ![]() |
2.87 EUR | ||
| 10 | 605040-06 | 1 | BEARING,BALL | QS | ![]() |
2.87 EUR | ||
| 12 | 386303-00 | 1 | FRIZIONE | QS | ![]() |
7.18 EUR | ||
| 13 | N014399 | 1 | CORPO MOTORE | QS | ![]() |
8.52 EUR | ||
| 15 | 402648-00 | 1 | SERRAFILO | QS | ![]() |
1.20 EUR | ||
| 16 | N542553 | 1 | CORD PROTECTOR | QS | 2.87 EUR | |||
| 16 | N542553 | 1 | CORD PROTECTOR | QS | 2.87 EUR | |||
| 17 | 330019-13 | 3 | VITE | M4X19 T20 | QS | ![]() |
1.00 EUR | |
| 18 | 330065-06 | 2 | VITE | QS | ![]() |
1.00 EUR | ||
| 19 | 389824-00 | 1 | GUAINA | QS | ![]() |
1.44 EUR | ||
| 20 | 176811-00 | 1 | LINGUETTA DI GUIDA | QS | ![]() |
1.20 EUR | ||
| 21 | 949638-02 | 3 | ATTENUATORE | QS | ![]() |
1.00 EUR | ||
| 22 | 395047-00 | 1 | ETICHETTA MARCHIO | QS | ![]() |
1.10 EUR | ||
| 24 | 388562-00SV | 1 | SCATOLA INGRANAGGI | QS | ![]() |
16.88 EUR | ||
| 25 | N045425 | 1 | GRAFFA | QS | ![]() |
2.26 EUR | ||
| 26 | 605040-20 | 1 | CUSCINETTO | 12 x 28 x 8mm | QS | ![]() |
3.08 EUR | |
| 27 | 176695-00 | 1 | ALBERINO & INGRANAG. | QS | 16.88 EUR | |||
| 28 | 386622-00 | 1 | COPERCHIO SCAT.INGR. | QS | ![]() |
6.05 EUR | ||
| 29 | 176727-00 | 1 | RONDELLA FIBRA | QS | ![]() |
1.10 EUR | ||
| 30 | 152492-01 | 1 | COLLARE | QS | ![]() |
11.39 EUR | ||
| 31 | 392829-00 | 1 | FRIZIONE | QS | ![]() |
2.00 EUR | ||
| 32 | 089210-00 | 2 | ANELLO DI TENUTA | QS | ![]() |
1.44 EUR | ||
| 33 | 386304-00 | 1 | RONDELLA | QS | ![]() |
1.20 EUR | ||
| 34 | 176842-00 | 1 | MOLLA | QS | ![]() |
1.00 EUR | ||
| 35 | 619773-02 | 1 | PORTAPUNTE | QS | ![]() |
3.08 EUR | ||
| 36 | 607904-22 | 1 | PUNTA A VITE | QS | ![]() |
1.10 EUR | ||
| 37 | 450770-02 | 1 | LOCALIZZATORE | QS | 11.39 EUR | |||
| 38 | 381497-03 | 1 | ASS. ALBERO | QS | ![]() |
18.73 EUR | ||
| 39 | 696631-00 | 1 | SFERA | QS | ![]() |
1.00 EUR | ||
| 40 | N740053 | 1 | ASS. FRIZIONE | PKGD 176632-00 | QS | ![]() |
8.52 EUR | |
| 41 | 450907-00 | 1 | MANICOTTO | QS | ![]() |
1.74 EUR | ||
| 42 | 696534-00 | 1 | GUARNIZIONE | QS | ![]() |
1.74 EUR | ||
| 45 | 330019-14 | 3 | VITE | QS | ![]() |
1.00 EUR | ||
| 46 | 176655-00 | 1 | GUARNIZIONE | QS | ![]() |
7.18 EUR | ||
| 47 | 94518-00 | 1 | ANELLO DI TENUTA | QS | 1.10 EUR | |||
| 48 | 176689-00 | 1 | ANELLO DI TENUTA | QS | ![]() |
1.10 EUR | ||
| 49 | 391436-00 | 1 | MOLLA | QS | ![]() |
1.20 EUR | ||
| 50 | 910560 | 1 | CUSCINETTO | QS | ![]() |
2.26 EUR | ||
| 61 | 949877-01 | 1 | CONDENSATORE | QS | ![]() |
1.54 EUR | ||
| 68 | 90611830 | 2 | VITE | QS | ![]() |
1.00 EUR | ||
| 70 | 390437-01 | 1 | SPINA | QS | ![]() |
5.54 EUR | ||
| 800 | 575762-02 | 1 | GREASE 100 GMS | QS | 11.39 EUR | |||
| 801 | 870889-02 | 1 | GRASSO | QS | ![]() |
6.05 EUR | ||
| 821 | N017141 | 1 | SCHEDA | QS | ![]() |
1.10 EUR |
* I prezzi indicati possono subire variazioni e non sono inclusivi di IVA ed eventuali spese di trasporto. Ci riserviamo la possibilità di variare i prezzi e le condizioni senza preavviso.
