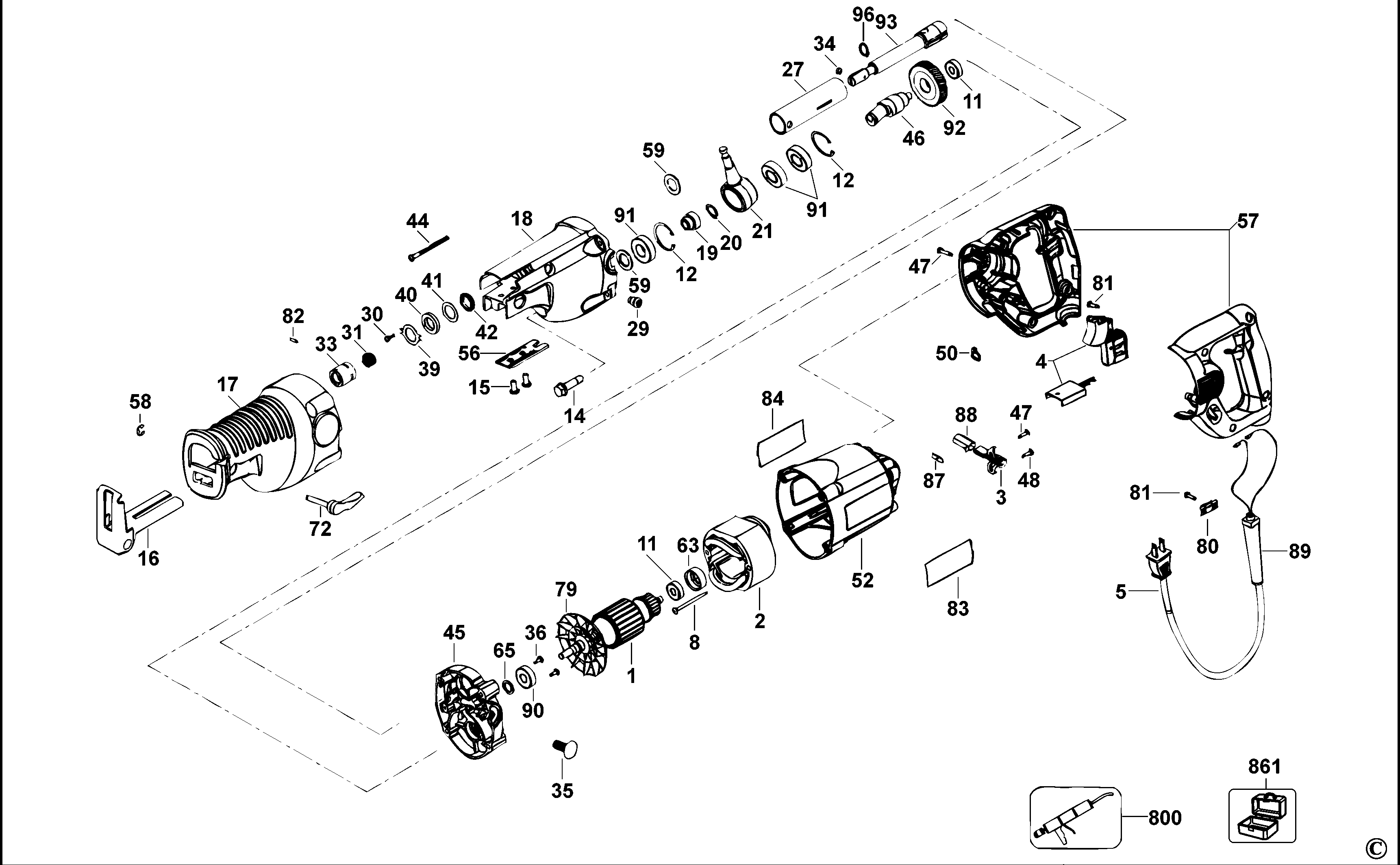
DW310 SEGA TAGLIO Type 2 | Disegni
Documenti
Si prega di visualizzare il menu a tendina dal momento che alcuni prodotti potrebbero avere più disegni

Item No. | Product Number | Qty Per | Product Description | INFORMAZIONI | Altre informazioni | Markets | Product Status | Guida ai prezzi |
---|---|---|---|---|---|---|---|---|
1 | A05447 | 1 | ARMATURE 230V | 230V | INCL 79 | QS | ![]() |
59.00 EUR |
2 | N073671SV | 1 | FIELD SA 230V | QS | ![]() |
36.12 EUR | ||
3 | 874289 | 2 | ASS.SPAZ.E PORTASP. | QS | ![]() |
5.54 EUR | ||
4 | N025442 | 1 | ASS. INTERRUTTORE | QS | ![]() |
27.91 EUR | ||
5 | N060730 | 1 | CORDSET (EURO) | QS | ![]() |
11.39 EUR | ||
8 | 882704 | 2 | VITE | QS | ![]() |
1.10 EUR | ||
11 | N110358 | 2 | CUSCINETTO | QS | ![]() |
2.00 EUR | ||
12 | 802302 | 2 | ANELLO | QS | ![]() |
1.33 EUR | ||
14 | 879421 | 1 | VITE | QS | ![]() |
2.67 EUR | ||
15 | 906952 | 2 | VITE | 1/4-20x1/2SOC BTN HD | QS | ![]() |
1.10 EUR | |
16 | 911450SV | 1 | ASS. PATTINO | QS | ![]() |
20.52 EUR | ||
17 | 906966 | 1 | GUAINA | QS | ![]() |
11.39 EUR | ||
18 | 906701 | 1 | CORPO ANTERIORE | QS | ![]() |
27.91 EUR | ||
19 | 879429 | 1 | DISTANZIALE | QS | ![]() |
1.44 EUR | ||
20 | 853246 | 1 | ANELLO | QS | ![]() |
1.10 EUR | ||
21 | 890819 | 1 | PIASTRA | QS | ![]() |
11.39 EUR | ||
27 | 883213 | 1 | BRIDA SA | QS | ![]() |
14.00 EUR | ||
29 | 892440 | 2 | VITE | 3/8-16x1/2 FLAT PT | QS | ![]() |
7.18 EUR | |
30 | 882255 | 2 | VITE | QS | ![]() |
1.10 EUR | ||
31 | N003376 | 1 | MOLLA | QS | ![]() |
1.33 EUR | ||
33 | N003058 | 1 | COLLARE | QS | ![]() |
8.52 EUR | ||
34 | N003059 | 1 | MORSETTO | QS | ![]() |
2.00 EUR | ||
35 | 879447 | 1 | SPINA | QS | ![]() |
2.87 EUR | ||
36 | 882187 | 2 | VITE | 8-32x3/8 TAPTITE T20 | QS | ![]() |
1.00 EUR | |
39 | 879458 | 1 | PIASTRA | QS | ![]() |
1.20 EUR | ||
40 | 879457 | 1 | TENUTA IN FELTRO | QS | ![]() |
1.33 EUR | ||
41 | 684931 | 1 | RONDELLA | QS | ![]() |
1.20 EUR | ||
42 | 902998 | 1 | GUARNIZIONE | QS | ![]() |
1.20 EUR | ||
44 | 330019-19 | 1 | VITE | QS | ![]() |
1.33 EUR | ||
45 | 906705 | 1 | PIASTRA | QS | ![]() |
11.39 EUR | ||
46 | 883097SV | 1 | ALBERO TRASMISSIONE | QS | ![]() |
44.63 EUR | ||
47 | 330019-13 | 9 | VITE | M4X19 T20 | QS | ![]() |
1.00 EUR | |
48 | 882703 | 4 | VITE | QS | ![]() |
1.00 EUR | ||
50 | 690673 | 1 | CONNESSIONE | 0.1 x 4.0in | QS | ![]() |
1.33 EUR | |
52 | 631342-01 | 1 | CORPO MOTORE | QS | ![]() |
10.05 EUR | ||
56 | 906043 | 1 | PIASTRA | QS | ![]() |
2.67 EUR | ||
57 | N066297 | 1 | ASS. CORPO | QS | ![]() |
10.05 EUR | ||
58 | 697965 | 1 | ANELLO DI TENUTA | QS | ![]() |
1.00 EUR | ||
59 | 882348 | 1 | TENUTA IN FELTRO | QS | ![]() |
1.10 EUR | ||
63 | 694432 | 1 | HOLDER BEARING | QS | ![]() |
1.20 EUR | ||
65 | 801852 | 1 | GUARNIZIONE | QS | ![]() |
1.00 EUR | ||
72 | 651021-00 | 1 | LEVA | QS | ![]() |
4.87 EUR | ||
79 | 878904 | 1 | VENTOLA | QS | 3.08 EUR | |||
80 | 450877-00 | 1 | SERRAFILO | QS | ![]() |
1.10 EUR | ||
81 | 330019-02 | 3 | VITE | QS | ![]() |
1.00 EUR | ||
82 | 638557-00 | 1 | COPPIGLIA | QS | ![]() |
1.00 EUR | ||
83 | 636945-00 | 1 | ETICHETTA IDENTIFIC. | QS | ![]() |
1.33 EUR | ||
84 | N077719 | 1 | SCHEDA | QS | ![]() |
1.44 EUR | ||
87 | 865321 | 2 | ISOLANTE | QS | ![]() |
1.00 EUR | ||
88 | 865323 | 2 | PORTASPAZZOLE | QS | ![]() |
1.10 EUR | ||
89 | N542553 | 1 | CORD PROTECTOR | QS | 2.87 EUR | |||
89 | N542553 | 1 | CORD PROTECTOR | QS | 2.87 EUR | |||
90 | 330003-17 | 1 | CUSCINETTO | QS | ![]() |
8.52 EUR | ||
91 | 879431 | 3 | CUSCINETTO | QS | ![]() |
3.80 EUR | ||
92 | 879401 | 1 | INGRANAGGI | QS | ![]() |
11.39 EUR | ||
93 | N074353 | 1 | ALBERO TRASMISSIONE | inc 31,33,34,82,96 | QS | ![]() |
48.22 EUR | |
96 | 039654-00 | 1 | ANELLO | QS | ![]() |
1.10 EUR | ||
800 | 286445-00 | 1 | GRASSO | SHELL ALVANIA EP 2 | QS | ![]() |
178.01 EUR | |
800 | 875667 | 1 | GREASE 4LBS | Shell Alvania EP2 | QS | ![]() |
18.73 EUR | |
800 | 5140061-28 | 1 | GRASSO | QS | ![]() |
39.81 EUR | ||
861 | 635353-00 | 1 | CASS.PORTA ATTREZZI | QS | ![]() |
32.42 EUR | ||
861 | N009458 | 1 | CASS.PORTA ATTREZZI | QS | ![]() |
* I prezzi indicati possono subire variazioni e non sono inclusivi di IVA ed eventuali spese di trasporto. Ci riserviamo la possibilità di variare i prezzi e le condizioni senza preavviso.