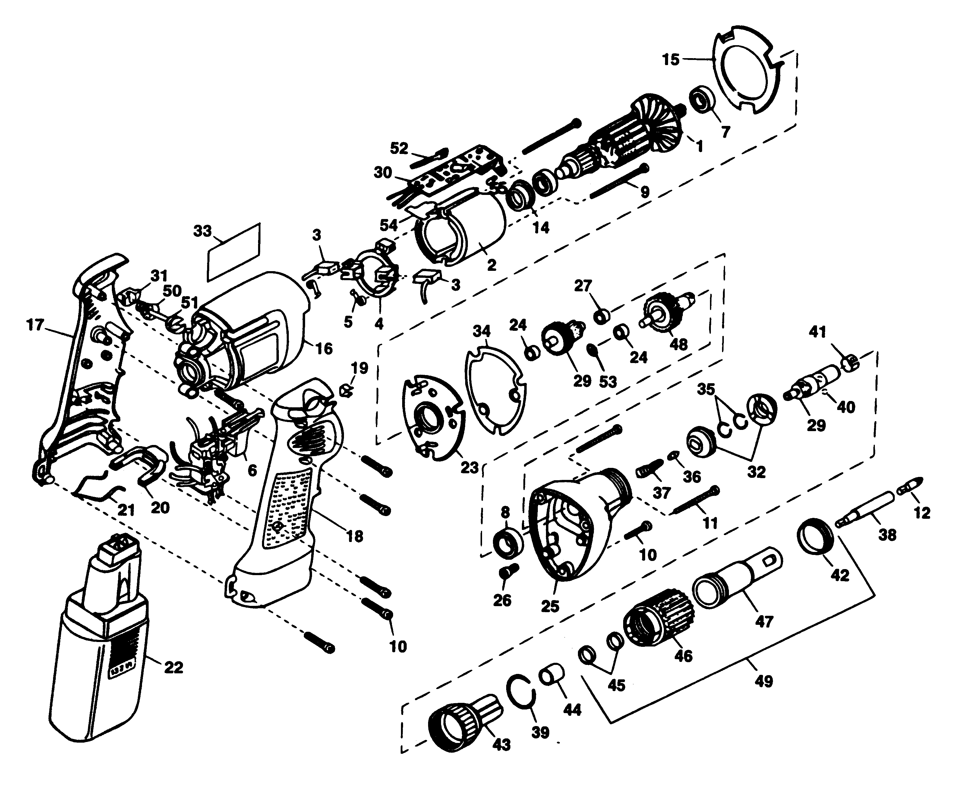
2671 CACCIAVITE Type 100 | Disegni
Documenti
Si prega di visualizzare il menu a tendina dal momento che alcuni prodotti potrebbero avere più disegni

Item No. | Product Number | Qty Per | Product Description | INFORMAZIONI | Altre informazioni | Markets | Product Status | Guida ai prezzi |
---|---|---|---|---|---|---|---|---|
1 | 429906-00 | 1 | SG MOTORE | XJ | ![]() |
39.81 EUR | ||
3 | 144689-01 | 2 | SPAZZOLE | XJ | ![]() |
3.80 EUR | ||
4 | 382178-01 | 2 | TELAIO SPAZZOLA | XJ | ![]() |
1.54 EUR | ||
5 | 445860-00 | 2 | MOLLA SPAZZOLE | XJ | ![]() |
1.00 EUR | ||
7 | 605040-06 | 2 | BEARING,BALL | XJ | ![]() |
2.87 EUR | ||
8 | 605040-20 | 1 | CUSCINETTO | 12 x 28 x 8mm | XJ | ![]() |
3.08 EUR | |
9 | 448269-00 | 2 | VITE | XJ | ![]() |
1.00 EUR | ||
10 | 330019-13 | 7 | VITE | M4X19 T20 | XJ | ![]() |
1.00 EUR | |
11 | 330019-16 | 2 | VITE | XJ | ![]() |
1.00 EUR | ||
12 | 297757-02 | 1 | BIT PHILLIPS | XJ | ![]() |
1.54 EUR | ||
14 | 445217-02 | 1 | MANICOTTO | XJ | ![]() |
1.33 EUR | ||
15 | 447866-00 | 1 | BAFFLE FAN | XJ | ![]() |
1.20 EUR | ||
16 | 144682-01 | 1 | SCATOLA | XJ | ![]() |
10.05 EUR | ||
17 | 149080-00 | 1 | HANDLE | XJ | ![]() |
10.05 EUR | ||
18 | 149081-00 | 1 | HANDLE | XJ | ![]() |
6.05 EUR | ||
19 | 144694-00 | 1 | GRAFFA | XJ | ![]() |
4.21 EUR | ||
20 | 144500-00 | 1 | CHIAVISTELLO | XJ | ![]() |
1.33 EUR | ||
21 | 144501-00 | 1 | MOLLA | XJ | ![]() |
1.10 EUR | ||
23 | 448658-00 | 1 | COPERCHIO SCAT.INGR. | XJ | ![]() |
16.88 EUR | ||
24 | 093128-00 | 2 | BOCCOLA AD AGHI | XJ | ![]() |
1.74 EUR | ||
26 | 052819-00 | 1 | VITE | XJ | ||||
27 | 93129-00 | 1 | BOCCOLA AD AGHI | XJ | 2.00 EUR | |||
28 | N278979 | 1 | ALBERINO | XJ | ![]() |
12.67 EUR | ||
29 | 448667-02 | 1 | INGRANAG. & PIGNONE | XJ | ![]() |
27.91 EUR | ||
30 | 147601-01 | 1 | MODULO ELET | XJ | ![]() |
87.83 EUR | ||
32 | 96558-00 | 2 | FRIZIONE | XJ | ![]() |
4.87 EUR | ||
34 | 450966-00 | 1 | GUARNIZIONE | XJ | ![]() |
1.33 EUR | ||
35 | 089210-00 | 2 | ANELLO DI TENUTA | XJ | ![]() |
1.44 EUR | ||
36 | 021287-00 | 1 | GUIDA | XJ | ![]() |
1.00 EUR | ||
37 | 86211-00 | 1 | MOLLA | XJ | 1.00 EUR | |||
38 | 619773-02 | 1 | PORTAPUNTE | XJ | ![]() |
3.08 EUR | ||
40 | 696631-00 | 1 | SFERA | XJ | ![]() |
1.00 EUR | ||
41 | 094518-00 | 1 | ANELLO DI TENUTA | XJ | ![]() |
1.10 EUR | ||
42 | 449890-00 | 1 | GUARNIZIONE | XJ | ![]() |
1.20 EUR | ||
43 | 448859-05 | 1 | CORPO | XJ | ![]() |
20.52 EUR | ||
44 | 450907-00 | 1 | MANICOTTO | XJ | ![]() |
1.74 EUR | ||
45 | 696534-00 | 2 | GUARNIZIONE | XJ | ![]() |
1.74 EUR | ||
48 | 448842-03 | 1 | ALBERINO & INGRANAG. | XJ | ![]() |
11.39 EUR | ||
49 | 450147-02 | 1 | ASS. PUNTA | XJ | ![]() |
16.88 EUR | ||
52 | 445964-00 | 1 | TERMINALE | XJ | ![]() |
1.00 EUR | ||
53 | 96498-00 | 1 | RONDELLA | XJ | ![]() |
1.33 EUR | ||
54 | 147602-00 | 1 | SCHERMO | XJ | ![]() |
1.20 EUR | ||
55 | 147202-00 | 1 | PERNO | XJ | ![]() |
1.33 EUR |
* I prezzi indicati possono subire variazioni e non sono inclusivi di IVA ed eventuali spese di trasporto. Ci riserviamo la possibilità di variare i prezzi e le condizioni senza preavviso.