DW1153----F PIALLA A SPESSORE Type 1 | Disegni
Documenti
Si prega di visualizzare il menu a tendina dal momento che alcuni prodotti potrebbero avere più disegni

Item No. | Product Number | Qty Per | Product Description | INFORMAZIONI | Altre informazioni | Markets | Product Status | Guida ai prezzi |
---|---|---|---|---|---|---|---|---|
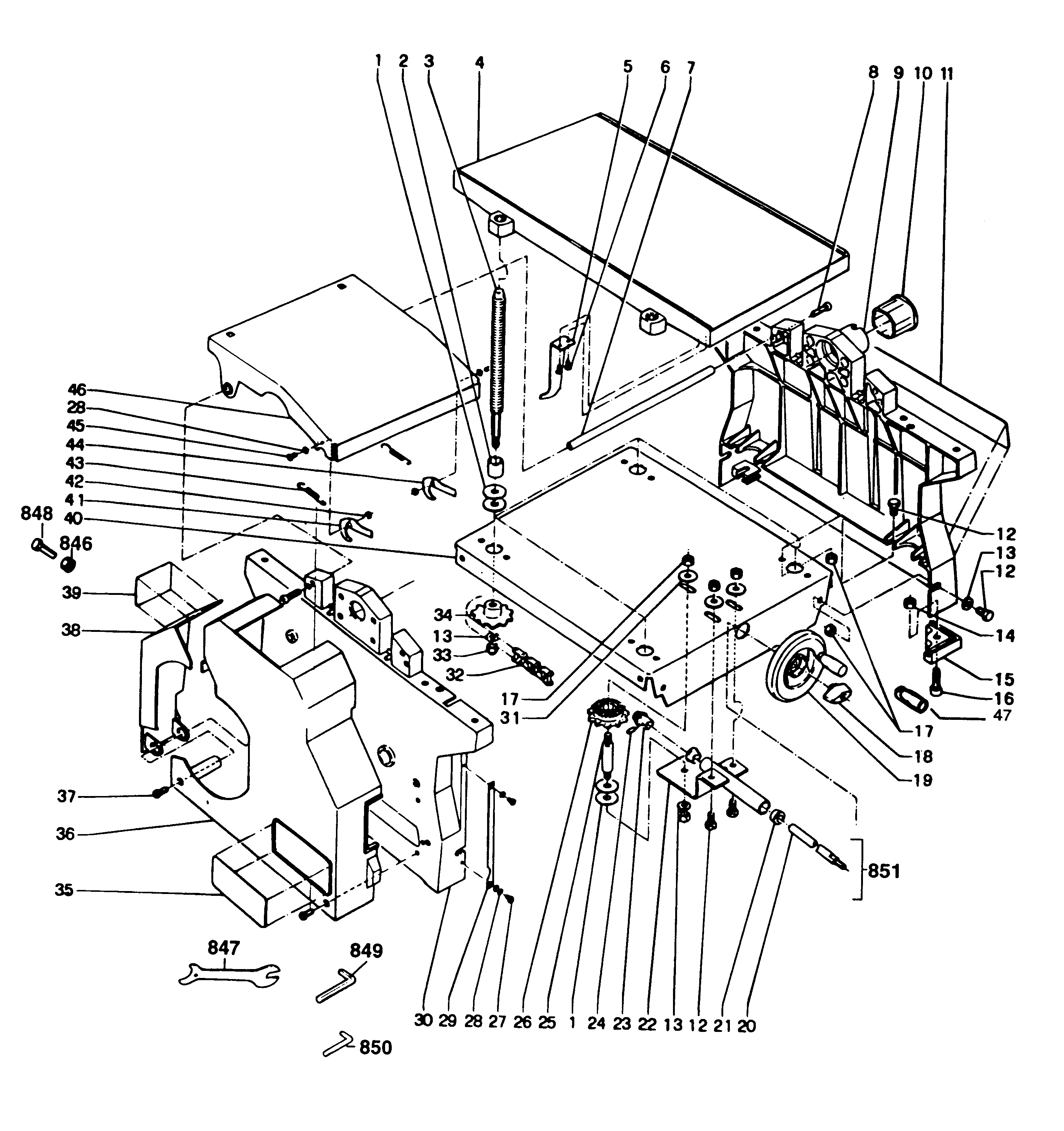
1 | 860226-03 | 10 | DISTANZIALE | XJ | ![]() |
1.20 EUR | ||
2 | 32341 | 4 | GUAINA ISOLANTE | XJ | ![]() |
11.39 EUR | ||
3 | 123288-00 | 4 | ALBERINO | XJ | ![]() |
18.73 EUR | ||
4 | 123317-02 | 1 | TAVOLO | XJ | ![]() |
106.50 EUR | ||
4 | 817658 | 2 | ASS. TAVOLO | XJ | ||||
5 | 132366 | 1 | INDICE | XJ | ![]() |
4.21 EUR | ||
5 | 478631-00 | 1 | VITE | 4.3 X 19 | XJ | 1.00 EUR | ||
6 | 860094-02 | 2 | VITE | XJ | ![]() |
1.00 EUR | ||
6 | 123286-00 | 1 | PIGNONE | XJ | ![]() |
2.36 EUR | ||
7 | 123211-00 | 1 | BARRA | XJ | ![]() |
4.21 EUR | ||
7 | 324595-02 | 1 | CORPO MOTORE | Yellow | XJ | ![]() |
36.12 EUR | |
8 | 860085-10 | 4 | VITE | XJ | ![]() |
1.10 EUR | ||
8 | 249222-00 | 1 | RONDELLA | XJ | ![]() |
1.00 EUR | ||
9 | 325022-00 | 1 | RONDELLA SPECIALE | XJ | ![]() |
5.54 EUR | ||
10 | 863665-00 | 1 | CALOTTA | XJ | ![]() |
2.67 EUR | ||
11 | 31116 | 1 | TARGHETTA | XJ | ![]() |
2.67 EUR | ||
11 | 567790-00 | 1 | MANOPOLA | XJ | ![]() |
4.87 EUR | ||
12 | 860085-04 | 5 | VITE | XJ | ![]() |
1.10 EUR | ||
13 | 860073-03 | 6 | WASHER M8 | XJ | ![]() |
1.00 EUR | ||
14 | 860083-15 | 4 | DADO | XJ | ![]() |
1.00 EUR | ||
14 | 1347401 | 1 | MOLLA | DELTA | XJ | ![]() |
1.33 EUR | |
15 | 32004 | 4 | PIEDE | XJ | ![]() |
1.54 EUR | ||
15 | 603262-00 | 1 | ETICHETTA | XE | XJ | |||
16 | 860093-00 | 4 | VITE | XJ | ![]() |
1.20 EUR | ||
17 | 860083-04 | 8 | DADO | XJ | ![]() |
1.00 EUR | ||
17 | 588720-02 | 1 | KIT MANUTENZ | Major | XJ | ![]() |
135.43 EUR | |
18 | 866962-01 | 1 | MANOPOLA | XJ | ![]() |
1.33 EUR | ||
18 | 326090-00 | 1 | PIASTRA | XJ | ![]() |
4.87 EUR | ||
19 | 31166 | 1 | ASS. IMPUGNATURA | PRE SERIAL No. 105 | XJ | ![]() |
37.96 EUR | |
19 | 946474-00 | 1 | ASS. IMPUGNATURA | From Serial No 105 | XJ | ![]() |
11.39 EUR | |
19 | 249278-00 | 1 | SCALA | XJ | ![]() |
2.26 EUR | ||
20 | 866089-01 | 1 | ALBERINO | From Serial No 105 | XJ | ![]() |
22.98 EUR | |
20 | 31167 | 1 | ALBERINO | PRE SERIAL No. 105 | XJ | ![]() |
5.54 EUR | |
20 | 080238201 | 1 | ANELLO D'ARRESTO | XJ | ![]() |
1.10 EUR | ||
21 | 123244-00 | 1 | GUAINA ISOLANTE | XJ | ![]() |
1.44 EUR | ||
21 | 567866-00 | 1 | INTERRUTTORE | XJ | ![]() |
188.99 EUR | ||
22 | 123283-01 | 1 | SUPPORTO | XJ | ![]() |
18.73 EUR | ||
23 | 866089-01 | 1 | ALBERINO | XJ | ![]() |
22.98 EUR | ||
23 | 725187 | 1 | DADO | M8 | XJ | ![]() |
1.00 EUR | |
24 | 760233-00 | 1 | PERNO | XJ | ![]() |
1.00 EUR | ||
24 | 080814500 | 1 | VITE | XJ | ![]() |
1.44 EUR | ||
25 | 123225-00 | 1 | PERNO | XJ | ![]() |
3.08 EUR | ||
25 | 080238202 | 1 | ANELLO D'ARRESTO | XJ | ![]() |
1.10 EUR | ||
26 | 860585-00 | 1 | INGRANAGGI | XJ | ![]() |
3.08 EUR | ||
26 | 325025-05 | 1 | SUPPORTO | XJ | ![]() |
11.39 EUR | ||
27 | 860094-02 | 2 | VITE | XJ | ![]() |
1.00 EUR | ||
28 | 860073-00 | 2 | RONDELLA | XJ | ![]() |
1.00 EUR | ||
28 | 088222002 | 1 | DISTANZIALE | XJ | ![]() |
1.00 EUR | ||
29 | 863662-00 | 1 | SCALA | XJ | ![]() |
1.44 EUR | ||
30 | 176415 | 1 | LATO DESTRO | XJ | ![]() |
66.18 EUR | ||
30 | 179120201 | 1 | COPERTURA | XJ | ![]() |
3.80 EUR | ||
31 | 949876-05 | 3 | RONDELLA | XJ | ![]() |
1.00 EUR | ||
31 | 080930000 | 1 | MOLLA | XJ | ![]() |
1.00 EUR | ||
32 | 123237-00 | 1 | CATENA | XJ | ![]() |
20.52 EUR | ||
32 | 249417-00 | 1 | VITE | XJ | ![]() |
1.54 EUR | ||
33 | 860092-01 | 1 | DADO | XJ | ![]() |
1.00 EUR | ||
33 | 151148-01 | 1 | PORTASPAZZOLE | XJ | ![]() |
4.21 EUR | ||
34 | 123222-00 | 1 | PIGNONE | XJ | ![]() |
1.54 EUR | ||
35 | 31118 | 1 | TARGHETTA | XJ | ![]() |
4.21 EUR | ||
35 | 096103400 | 1 | ASS. PIASTRA BASE | XJ | 68.64 EUR | |||
36 | 123215-00 | 1 | RIVESTIMENTO | XJ | ![]() |
10.05 EUR | ||
37 | 760998-00 | 2 | VITE | XJ | ![]() |
1.00 EUR | ||
37 | 278114-00 | 1 | RUOTA | XJ | ![]() |
12.67 EUR | ||
38 | 123216-00 | 1 | RIVESTIMENTO | XJ | ![]() |
5.54 EUR | ||
38 | 330003-16 | 1 | CUSCINETTO | XJ | ![]() |
4.21 EUR | ||
39 | 31804 | 1 | TARGHETTA | XJ | ![]() |
2.87 EUR | ||
40 | 132321 | 1 | BASE | XJ | ![]() |
50.38 EUR | ||
40 | 568980-00 | 1 | COLLEGAMENTO | XJ | ![]() |
1.00 EUR | ||
41 | 123263-01 | 1 | GANCIO SINISTRO | XJ | ![]() |
2.00 EUR | ||
41 | 080810209 | 1 | PERNO | XJ | ![]() |
1.33 EUR | ||
42 | 860083-01 | 2 | DADO | XJ | ![]() |
1.00 EUR | ||
42 | 568971-00 | 1 | PIEDE | XJ | ![]() |
1.00 EUR | ||
43 | 123203-00 | 2 | MOLLA | XJ | ![]() |
2.87 EUR | ||
43 | N000596 | 1 | PARACOLPI | XJ | ![]() |
6.05 EUR | ||
44 | 123265-01 | 1 | GANCIO DESTRO | XJ | ![]() |
2.00 EUR | ||
44 | 933547 | 1 | SERRAFILO | XJ | ![]() |
1.00 EUR | ||
45 | 860089-25 | 2 | VITE | XJ | ![]() |
1.00 EUR | ||
45 | 568981-00 | 1 | STAFFA | XJ | ![]() |
2.00 EUR | ||
46 | 123269-02 | 1 | PROTEZIONE | XJ | ![]() |
27.91 EUR | ||
46 | 279870-00 | 1 | STAFFA | XJ | ![]() |
10.05 EUR | ||
47 | 860263-00 | 1 | HANDLE | XJ | ![]() |
1.74 EUR | ||
47 | 329583-00 | 1 | ASS. ALBERO | XJ | ![]() |
5.54 EUR | ||
48 | 299327 | 1 | STAFFA | XJ | ![]() |
32.42 EUR | ||
49 | 949600-04 | 1 | ASS. CAVO | XJ | ![]() |
14.00 EUR | ||
50 | 288664 | 1 | DISTANZIALE | XJ | ![]() |
1.44 EUR | ||
51 | 560133-00 | 1 | ASS. INTERRUTTORE | XJ | ![]() |
148.67 EUR | ||
52 | 326049-00 | 1 | APPOGGIO | XJ | ![]() |
2.00 EUR | ||
53 | 157164516 | 1 | LEAD 165MM YELLOW | XJ | ||||
55 | 32970 | 6 | MOLLA | XJ | ![]() |
1.20 EUR | ||
56 | 352313 | 3 | BLOCCO DI GUIDA | XJ | ![]() |
3.08 EUR | ||
57 | 278906-00 | 2 | MANOPOLA | XJ | ![]() |
8.52 EUR | ||
59 | 568047-00 | 1 | INTERRUTTORE | XJ | ![]() |
83.62 EUR | ||
61 | 080235610 | 1 | BRACCIO | XJ | ![]() |
15.54 EUR | ||
63 | 817302 | 1 | GUIDA DESTRA | XJ | ![]() |
4.87 EUR | ||
64 | 156164800 | 1 | COPERTURA | XJ | ![]() |
2.36 EUR | ||
65 | 321338 | 1 | BRUSH SA 230V | XJ | ![]() |
6.05 EUR | ||
66 | 157164512 | 1 | LEAD 75MM BROWN | XJ | ![]() |
1.20 EUR | ||
67 | 157164510 | 1 | LEAD 270MM BLUE | XJ | ||||
68 | 157164511 | 1 | LEAD 210MM YELLOW | XJ | ![]() |
1.20 EUR | ||
69 | 369694-01 | 1 | SCHEDA | XJ | ||||
70 | 583316-01 | 2 | SG MOTORE | XJ | ![]() |
48.22 EUR | ||
71 | 860094-04 | 4 | VITE | XJ | 1.00 EUR | |||
72 | 826188 | 1 | ETICHETTA MARCHIO | XJ | ||||
73 | 249122-00 | 1 | VITE | XJ | ![]() |
2.67 EUR | ||
74 | 325441-05 | 1 | REGOLATORE VELOCITA' | XJ | ![]() |
2.87 EUR | ||
75 | 933523 | 1 | INTERRUTTORE | XJ | ![]() |
5.54 EUR | ||
76 | 953088 | 1 | INTERRUTTORE | XJ | ![]() |
5.54 EUR | ||
83 | 395699-00 | 2 | SCATOLA INGRANAGGI | XJ | ![]() |
32.42 EUR | ||
84 | 248425-00 | 1 | SUPPORTO | XJ | ![]() |
11.39 EUR | ||
85 | 568979-00 | 1 | PIASTRA | XJ | ![]() |
25.24 EUR | ||
86 | 096920113 | 1 | DADO | XJ | ![]() |
7.18 EUR | ||
87 | 911387 | 1 | SCREW.TEMP | XJ | ![]() |
1.10 EUR | ||
91 | N045265 | 1 | PROTEZIONE | XJ | ![]() |
229.31 EUR | ||
92 | 380584-00 | 1 | SCHEDA | XJ | ||||
93 | 080810201 | 1 | PERNO | XJ | ![]() |
1.00 EUR | ||
94 | 080233501 | 1 | ALBERINO | XJ | ![]() |
5.54 EUR | ||
95 | 147423-00 | 1 | DISCO | XJ | ![]() |
1.74 EUR | ||
97 | 330003-16 | 1 | CUSCINETTO | XJ | ![]() |
4.21 EUR | ||
98 | 1003717-00 | 2 | RONDELLA | XJ | ![]() |
1.10 EUR | ||
831 | 560476-00 | 1 | ATTUATORE | XJ | ![]() |
1.54 EUR | ||
846 | 865410-00 | 1 | CHIUSURA | XJ | ![]() |
2.87 EUR | ||
847 | 949751-07 | 1 | SPANNER 10-13MM | XJ | ![]() |
7.18 EUR | ||
848 | 860084-21 | 1 | VITE | XJ | ![]() |
1.00 EUR | ||
849 | 860098-04 | 1 | WRENCH 6 MM | XJ | ![]() |
1.44 EUR | ||
850 | 943271-00 | 1 | HEX KEY 2.5 MM | XJ | ![]() |
1.10 EUR | ||
851 | 191168 | 1 | ASS. ALBERO | PRE SERIAL No. 105 | XJ | ![]() |
20.52 EUR | |
852 | 866089-01 | 1 | ALBERINO | From Serial No 105 | XJ | ![]() |
22.98 EUR |
* I prezzi indicati possono subire variazioni e non sono inclusivi di IVA ed eventuali spese di trasporto. Ci riserviamo la possibilità di variare i prezzi e le condizioni senza preavviso.