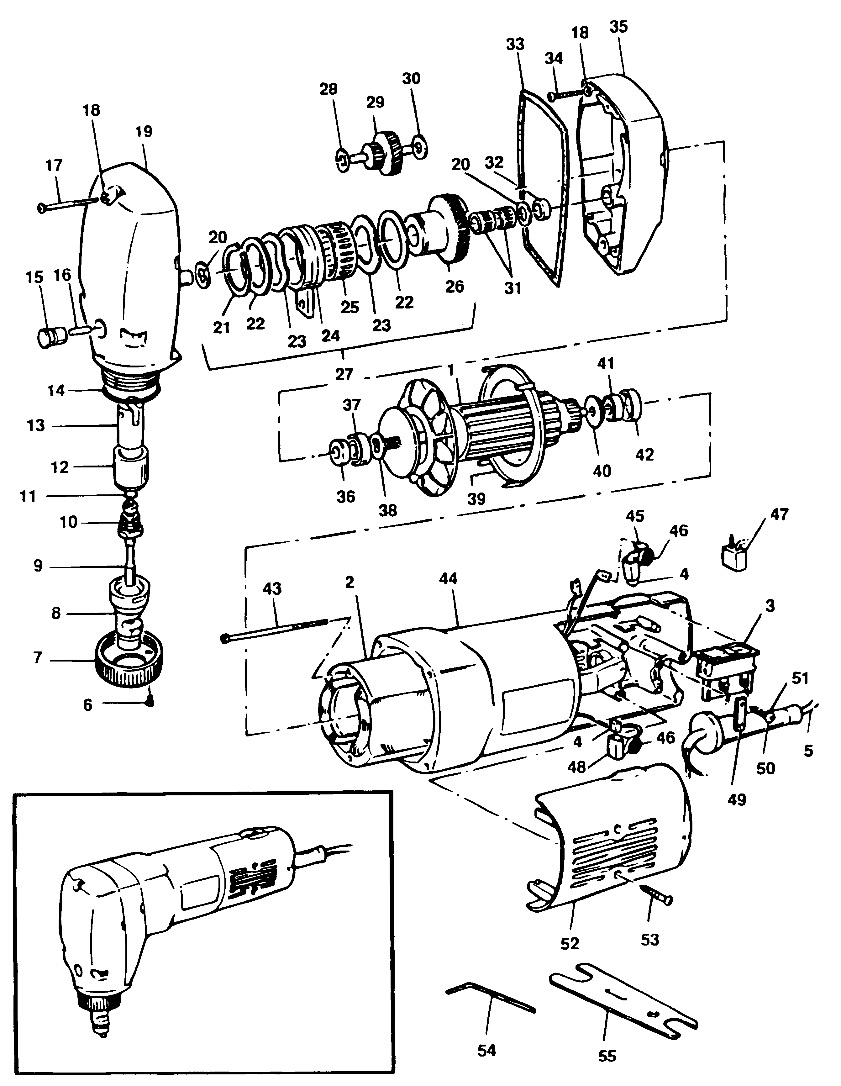
P8301 NIBBLER Type 1 | Disegni
Documenti
Si prega di visualizzare il menu a tendina dal momento che alcuni prodotti potrebbero avere più disegni

Item No. | Product Number | Qty Per | Product Description | INFORMAZIONI | Altre informazioni | Markets | Product Status | Guida ai prezzi |
---|---|---|---|---|---|---|---|---|
1 | 938506 | 1 | INDOTTO | AU-NZ (8301 ONLY) | IT | ![]() |
77.16 EUR | |
1 | 938506 | 1 | INDOTTO | GB 240V | IT | ![]() |
77.16 EUR | |
1 | 938506 | 1 | INDOTTO | IT | ![]() |
77.16 EUR | ||
1 | 938507 | 1 | INDOTTO | SG 115V | IT | ![]() |
101.57 EUR | |
1 | 938507 | 1 | INDOTTO | AE-MX-PA-VE 115V | IT | ![]() |
101.57 EUR | |
1 | 938507 | 1 | INDOTTO | GB 115V | IT | ![]() |
101.57 EUR | |
2 | 938566 | 1 | STATORE | IT | ![]() |
61.56 EUR | ||
2 | 938571 | 1 | STATORE | GB 115V | IT | ![]() |
91.62 EUR | |
2 | 938569 | 1 | STATORE | AU-NZ (8301 ONLY) | IT | ![]() |
80.13 EUR | |
2 | 938569 | 1 | STATORE | GB 240V | IT | ![]() |
80.13 EUR | |
3 | 937689 | 1 | INTERRUTTORE | IT | ![]() |
7.18 EUR | ||
4 | 937690-00 | 2 | SPAZZOLE | AU-NZ (8301 ONLY) | IT | ![]() |
1.33 EUR | |
4 | 937690-00 | 2 | SPAZZOLE | GB 240V | IT | ![]() |
1.33 EUR | |
4 | 937690-00 | 2 | SPAZZOLE | IT | ![]() |
1.33 EUR | ||
4 | 938572 | 2 | SPAZZOLE | SG 115V | IT | ![]() |
2.87 EUR | |
4 | 938572 | 2 | SPAZZOLE | AE-MX-PA-VE 115V | IT | ![]() |
2.87 EUR | |
4 | 938572 | 2 | SPAZZOLE | GB 115V | IT | ![]() |
2.87 EUR | |
5 | 937139 | 1 | CAVO | IT | ![]() |
11.39 EUR | ||
5 | 938518 | 1 | CAVO | SG 115V | IT | ![]() |
12.67 EUR | |
5 | 938518 | 1 | CAVO | AE-MX-PA-VE 115V | IT | ![]() |
12.67 EUR | |
5 | 949770-09 | 1 | CAVO & SPINA | GB 240V | IT | ![]() |
22.98 EUR | |
5 | 330061-11 | 1 | CAVO CON SPINA | GB 115V | IT | ![]() |
59.00 EUR | |
5 | 940611 | 1 | CAVO | AU-NZ (8301 ONLY) | IT | ![]() |
11.39 EUR | |
6 | 945857-00 | 1 | SCREW.TEMP | IT | ![]() |
1.00 EUR | ||
7 | 935852-00 | 1 | COLLARE | IT | ![]() |
10.05 EUR | ||
9 | 935859-00 | 1 | PUNZONE | IT | ![]() |
25.24 EUR | ||
10 | 935856-00 | 1 | CONTRODADO | IT | ![]() |
8.52 EUR | ||
11 | 935857-00 | 1 | ANELLO TOROIDALE | IT | ![]() |
1.00 EUR | ||
12 | 935854-00 | 1 | BRONZINA | IT | ![]() |
1.74 EUR | ||
13 | 935858-00 | 1 | ALBERO | IT | ![]() |
14.00 EUR | ||
14 | 935863-00 | 1 | ANELLO TOROIDALE | IT | ![]() |
1.00 EUR | ||
15 | 935864-00 | 1 | CALOTTA | IT | ![]() |
1.10 EUR | ||
16 | 935855-00 | 1 | PERNO | IT | ![]() |
1.44 EUR | ||
17 | 935371-00 | 3 | VITE | IT | ![]() |
1.10 EUR | ||
18 | 932839-00 | 7 | RONDELLA | IT | ![]() |
1.00 EUR | ||
19 | 935838-00 | 1 | SCATOLA INGRANAGGI | IT | ![]() |
32.42 EUR | ||
20 | 932309-00 | 2 | RONDELLA | IT | ![]() |
1.10 EUR | ||
21 | 935847-00 | 1 | ANELLO D'ARRESTO | IT | ![]() |
1.10 EUR | ||
22 | 869391-00 | 2 | RONDELLA | IT | ![]() |
3.08 EUR | ||
23 | 935846-00 | 2 | RONDELLA | IT | ![]() |
1.10 EUR | ||
24 | 935849-00 | 1 | BIELLA | IT | 36.12 EUR | |||
25 | 935848-00 | 1 | CUSCINETTO | IT | ![]() |
8.52 EUR | ||
26 | 935845-00 | 1 | INGRANAGGI | IT | ![]() |
36.12 EUR | ||
27 | 935840 | 1 | ASS. INGRANAGGI | IT | ![]() |
106.50 EUR | ||
28 | 931892-00 | 1 | RONDELLA | IT | ![]() |
1.00 EUR | ||
29 | 869219-04 | 1 | INGRANAG. & ALBERINO | IT | ![]() |
41.96 EUR | ||
30 | 932892-00 | 1 | DISTANZIALE | IT | ![]() |
1.00 EUR | ||
31 | 935860-00 | 2 | CUSCINETTO | IT | ![]() |
5.54 EUR | ||
32 | 935861-00 | 1 | DISTANZIALE | IT | ![]() |
1.33 EUR | ||
33 | 868970-00 | 1 | GUARNIZIONE | IT | ![]() |
2.67 EUR | ||
34 | 938508 | 4 | VITE | IT | ![]() |
1.00 EUR | ||
35 | 936095-00 | 1 | ASS.COP.SCAT.INGR. | IT | 20.52 EUR | |||
36 | 938503 | 1 | PROTEZIONE | IT | ![]() |
4.21 EUR | ||
37 | 935029 | 1 | CUSCINETTO | IT | ![]() |
4.87 EUR | ||
38 | 932933-00 | 2 | RONDELLA | IT | ![]() |
1.00 EUR | ||
39 | 933516 | 1 | LINGUETTA DI GUIDA | IT | ![]() |
1.10 EUR | ||
40 | 934412 | 1 | DISTANZIALE | IT | ![]() |
1.00 EUR | ||
41 | 330003-02 | 1 | CUSCINETTO | IT | ![]() |
4.21 EUR | ||
42 | 930029-00 | 1 | HOLDER BEARING | IT | ![]() |
1.00 EUR | ||
43 | 934429 | 2 | VITE | IT | ![]() |
4.21 EUR | ||
44 | 948533-00 | 1 | ASS.CORPO MOTORE | IT | ||||
45 | 937694 | 1 | PORTASPAZZOLE | IT | ![]() |
1.20 EUR | ||
46 | 934859 | 2 | MOLLA | IT | ![]() |
1.10 EUR | ||
47 | 949877-01 | 1 | CONDENSATORE | AU-NZ (8301 ONLY) | IT | ![]() |
1.54 EUR | |
47 | 949877-01 | 1 | CONDENSATORE | GB 240V | IT | ![]() |
1.54 EUR | |
47 | 949877-01 | 1 | CONDENSATORE | GB 115V | IT | ![]() |
1.54 EUR | |
47 | 930030 | 1 | CONDENSATORE | IT | ![]() |
1.54 EUR | ||
48 | 937693 | 1 | PIASTRA | IT | ![]() |
1.10 EUR | ||
49 | 930103-00 | 1 | SERRAFILO | IT | ![]() |
1.00 EUR | ||
50 | 930076-00 | 2 | VITE | IT | ![]() |
1.00 EUR | ||
51 | 949835-01 | 1 | MANICOTTO | SG 115V | IT | ![]() |
1.74 EUR | |
51 | 949835-01 | 1 | MANICOTTO | AE-MX-PA-VE 115V | IT | ![]() |
1.74 EUR | |
51 | 933551-00 | 1 | MANICOTTO | IT | ![]() |
1.20 EUR | ||
51 | 933551-00 | 1 | MANICOTTO | AU-NZ (8301 ONLY) | IT | ![]() |
1.20 EUR | |
51 | 933551-00 | 1 | MANICOTTO | GB 240V | IT | ![]() |
1.20 EUR | |
51 | 933551-00 | 1 | MANICOTTO | GB 115V | IT | ![]() |
1.20 EUR | |
52 | 937691 | 1 | COPERTURA | IT | ![]() |
4.21 EUR | ||
53 | 932409 | 3 | VITE | IT | ![]() |
1.00 EUR | ||
54 | 937330-00 | 1 | HEX KEY 2 MM | IT | ![]() |
1.10 EUR | ||
55 | 931637 | 1 | CHIAVE | IT | ![]() |
3.08 EUR |
* I prezzi indicati possono subire variazioni e non sono inclusivi di IVA ed eventuali spese di trasporto. Ci riserviamo la possibilità di variare i prezzi e le condizioni senza preavviso.