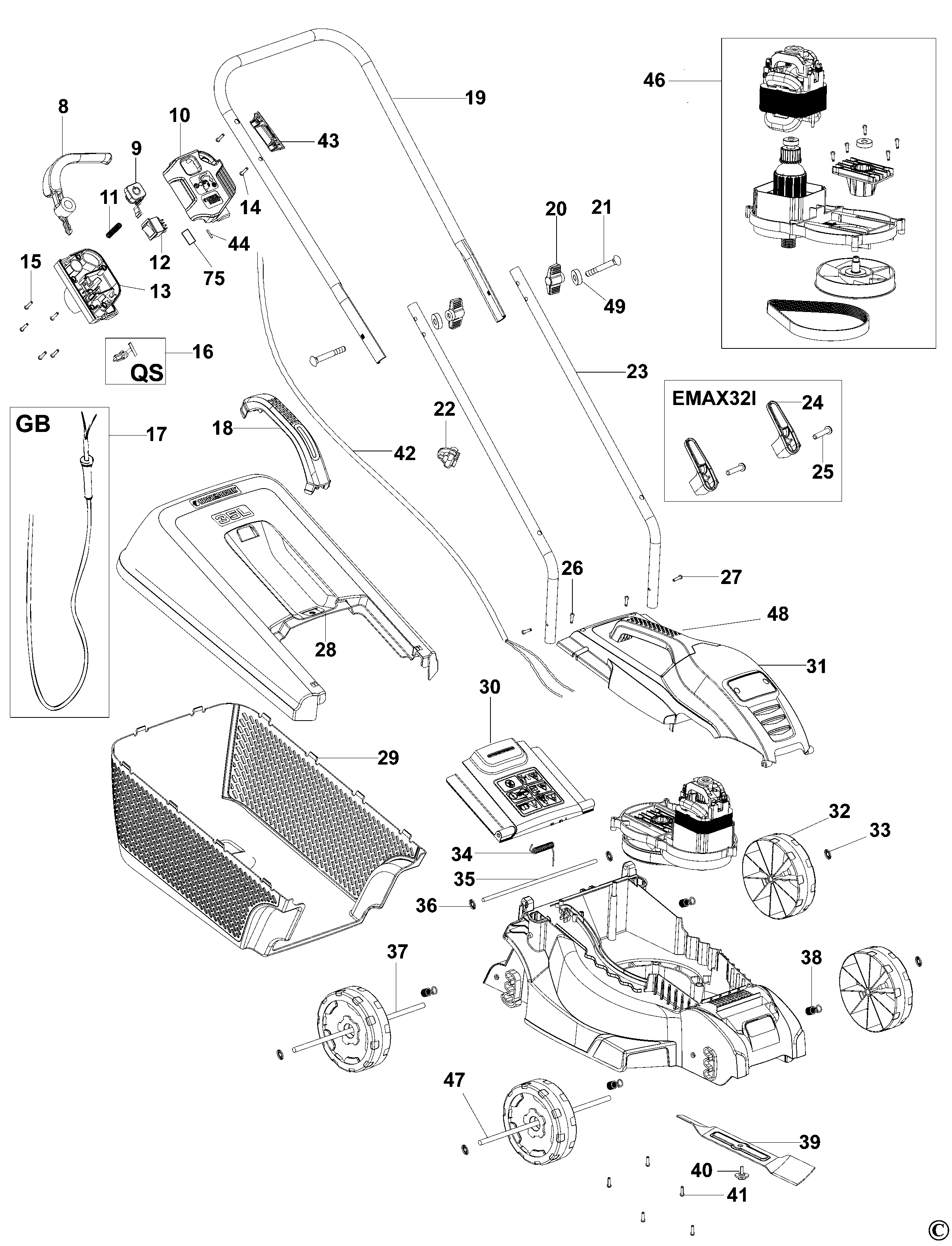
EMAX32 FALCIATRICE ROTANTE Type 1 | Disegni
Documenti
Si prega di visualizzare il menu a tendina dal momento che alcuni prodotti potrebbero avere più disegni

Item No. | Product Number | Qty Per | Product Description | INFORMAZIONI | Altre informazioni | Markets | Product Status | Guida ai prezzi |
---|---|---|---|---|---|---|---|---|
8 | 90562889 | 1 | SCAT. INTERR. & CAVO | QS | ![]() |
12.67 EUR | ||
9 | 90562889 | 1 | SCAT. INTERR. & CAVO | QS | ![]() |
12.67 EUR | ||
10 | 90562889 | 1 | SCAT. INTERR. & CAVO | QS | ![]() |
12.67 EUR | ||
11 | 90570092 | 1 | MOLLA | QS | ![]() |
1.00 EUR | ||
12 | 90562582 | 1 | INTERRUTTORE | QS | ![]() |
2.87 EUR | ||
13 | 90562889 | 1 | SCAT. INTERR. & CAVO | QS | ![]() |
12.67 EUR | ||
14 | 747329 | 2 | VITE | QS | ![]() |
1.00 EUR | ||
15 | 747329 | 5 | VITE | QS | ![]() |
1.00 EUR | ||
16 | 90573701 | 1 | ADATTATORE | QS | ![]() |
2.67 EUR | ||
18 | 90567333 | 1 | HANDLE | QS | ![]() |
2.36 EUR | ||
19 | 90560151 | 1 | MANICO SUPERIORE | QS | ![]() |
12.67 EUR | ||
20 | 90570279-01 | 2 | ASS. PUNTA | QS | ![]() |
1.44 EUR | ||
21 | 90570805 | 2 | BULLONE | QS | ![]() |
1.10 EUR | ||
22 | 90571653 | 2 | MORSETTO | QS | ![]() |
1.20 EUR | ||
23 | 90560152-03 | 2 | HANDLE | EMAX32 | QS | ![]() |
3.80 EUR | |
23 | 90577715-02 | 2 | ASS. IMPUGNATURA | EMAX32S | QS | 4.21 EUR | ||
24 | 90571019 | 2 | GRAFFA PER CAVO | QS | ![]() |
1.20 EUR | ||
25 | 90580712 | 2 | VITE | QS | ![]() |
1.00 EUR | ||
26 | 747329 | 4 | VITE | QS | ![]() |
1.00 EUR | ||
27 | 747329 | 2 | VITE | QS | ![]() |
1.00 EUR | ||
28 | 90561608 | 1 | COPERTURA | QS | ![]() |
10.05 EUR | ||
28 | 90561608-01 | 1 | COPERTURA | Emax32s | QS | ![]() |
11.39 EUR | |
29 | 90561607 | 1 | RACCOGLIERBA | QS | ![]() |
10.05 EUR | ||
30 | 90570432 | 1 | FALDA ERBA | Emax32s | Emax32 | QS | ![]() |
3.80 EUR |
30 | 90561602 | 1 | FALDA ERBA | QS | ![]() |
2.67 EUR | ||
31 | 90561601 | 1 | CORPO MOTORE | QS | ![]() |
8.52 EUR | ||
32 | 90560001 | 4 | RUOTA | QS | ![]() |
2.67 EUR | ||
33 | 90574276 | 4 | RONDELLA DENTATA | QS | ![]() |
1.10 EUR | ||
34 | 90568097 | 1 | MOLLA | QS | ![]() |
1.20 EUR | ||
35 | 90561603 | 1 | ALBERINO | QS | ![]() |
1.74 EUR | ||
36 | 90574275 | 2 | RONDELLA DENTATA | QS | ![]() |
1.10 EUR | ||
37 | 90561688 | 1 | ALBERINO | QS | ![]() |
2.67 EUR | ||
38 | 90570075 | 4 | MOLLA | QS | ![]() |
1.10 EUR | ||
39 | 90629616 | 1 | LAMA | 32cm | QS | ![]() |
6.05 EUR | |
40 | 90516533 | 1 | BULLONE | QS | ![]() |
1.20 EUR | ||
41 | 330019-13 | 5 | VITE | M4X19 T20 | QS | ![]() |
1.00 EUR | |
42 | 90573704 | 1 | CAVO | QS | ![]() |
6.05 EUR | ||
43 | 90563921 | 1 | STAFFA | QS | ![]() |
1.33 EUR | ||
44 | 90565052-01 | 1 | MOLLA | QS | ![]() |
1.00 EUR | ||
46 | 90560207-01 | 1 | TRASMISSIONE SA | QS | ![]() |
37.96 EUR | ||
47 | 90561687 | 1 | PERNO ANTERIORE | QS | ![]() |
2.00 EUR | ||
48 | 90562788 | 1 | HANDLE | QS | ![]() |
1.74 EUR | ||
49 | 490624-00 | 2 | RONDELLA | QS | ![]() |
1.00 EUR | ||
75 | 90585848 | 1 | TAMPONE | QS | ![]() |
1.44 EUR |
* I prezzi indicati possono subire variazioni e non sono inclusivi di IVA ed eventuali spese di trasporto. Ci riserviamo la possibilità di variare i prezzi e le condizioni senza preavviso.