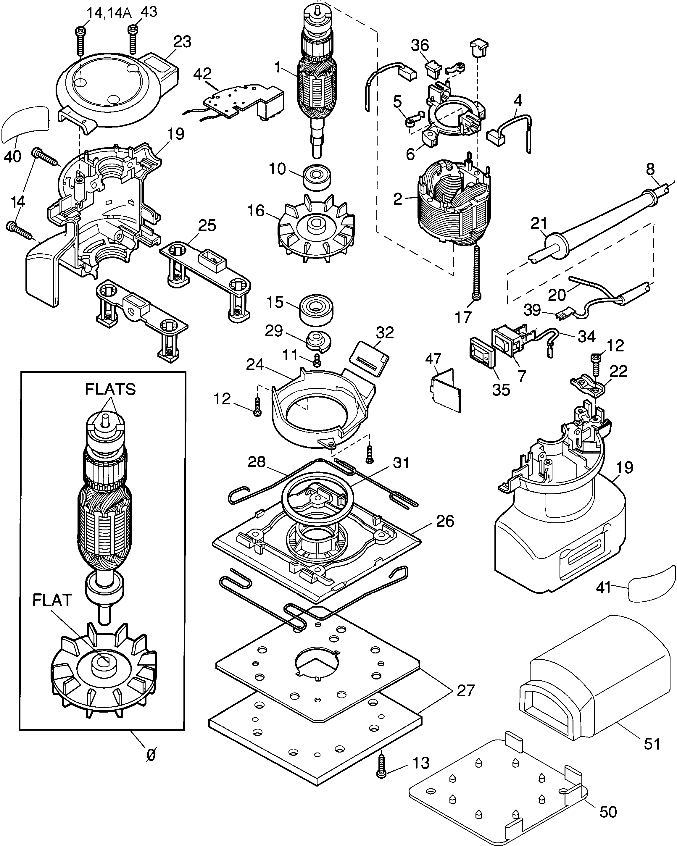
PL52-22 PALM SANDER Type 1 | Disegni
Documenti
Si prega di visualizzare il menu a tendina dal momento che alcuni prodotti potrebbero avere più disegni
| Item No. | Product Number | Qty Per | Product Description | INFORMAZIONI | Altre informazioni | Markets | Product Status | Guida ai prezzi |
|---|---|---|---|---|---|---|---|---|
| 1 | 000000-00 | 1 | NON PIU' FORNIBILE | QS | ||||
| 2 | 807254-09 | 1 | FIELD 230V | QS | ![]() |
18.73 EUR | ||
| 4 | 445861-19 | 2 | SPAZZOLE | QS | 3.08 EUR | |||
| 5 | 445860-00 | 2 | MOLLA SPAZZOLE | QS | ![]() |
1.00 EUR | ||
| 6 | 449899-05 | 1 | ANELLO | QS | ![]() |
2.87 EUR | ||
| 7 | 144960-00 | 1 | INTERRUTTORE | QS | 2.00 EUR | |||
| 8 | 93548-13 | 1 | CAVO CON SPINA | QS | ![]() |
32.42 EUR | ||
| 10 | 330003-17 | 1 | CUSCINETTO | QS | ![]() |
8.52 EUR | ||
| 11 | 098012-11 | 1 | VITE | QS | ![]() |
1.00 EUR | ||
| 12 | 330019-02 | 4 | VITE | QS | ![]() |
1.00 EUR | ||
| 13 | 464285-00 | 4 | VITE | QS | ![]() |
1.00 EUR | ||
| 14 | 330019-13 | 6 | VITE | M4X19 T20 | QS | ![]() |
1.00 EUR | |
| 15 | 330003-64 | 1 | CUSCINETTO | QS | ![]() |
6.05 EUR | ||
| 16 | 144988-01 | 2 | PIEDE | QS | ![]() |
3.08 EUR | ||
| 17 | 330019-08 | 2 | VITE | QS | ![]() |
1.00 EUR | ||
| 18 | 000000-00 | 1 | NON PIU' FORNIBILE | QS | ||||
| 19 | 429562-00 | 1 | ASS CORPO | QS | ![]() |
7.18 EUR | ||
| 20 | 825209-00 | 1 | CONNETTORE | QS | ![]() |
1.00 EUR | ||
| 21 | 330005-01 | 1 | CORD PROTECTOR | QS | 1.74 EUR | |||
| 22 | 86634-00 | 1 | SERRAFILO | QS | 1.00 EUR | |||
| 22 | 380414-00 | 1 | SERRAFILO | QS | ![]() |
1.10 EUR | ||
| 23 | 000000-00 | 1 | NON PIU' FORNIBILE | QS | ||||
| 24 | 144964-00 | 1 | COPERTURA | QS | ![]() |
1.74 EUR | ||
| 25 | 144988-02 | 2 | PIEDE | QS | 4.21 EUR | |||
| 26 | N073798 | 1 | BASE | 1/4 SHEET | QS | ![]() |
5.54 EUR | |
| 27 | 151284-00SV | 1 | TAMPONE | QS | ![]() |
12.67 EUR | ||
| 28 | 151288-00 | 2 | MORSETTO | QS | ![]() |
1.44 EUR | ||
| 29 | 144972-00 | 1 | CONTRAPPESO | QS | ![]() |
1.20 EUR | ||
| 31 | 144974-00 | 1 | GUARNIZIONE | QS | 1.44 EUR | |||
| 32 | 144975-01 | 1 | PORTA | QS | ![]() |
1.20 EUR | ||
| 34 | 144989-00 | 1 | TERMINALE & FILO | BLACK, 20GA | QS | 1.54 EUR | ||
| 35 | 144983-07 | 1 | COPERTURA | QS | ![]() |
1.10 EUR | ||
| 36 | 144956-00 | 2 | DADO | QS | ![]() |
6.66 EUR | ||
| 37 | 145283-03 | 1 | MODULO ELETTRONICO | Tyco | QS | ![]() |
16.88 EUR | |
| 39 | 144957-00 | 1 | TARGHETTA | QS | ||||
| 40 | 000000-00 | 1 | NON PIU' FORNIBILE | QS | ||||
| 41 | 146679-00 | 1 | VITE | QS | ![]() |
1.10 EUR | ||
| 50 | 144954-00 | 1 | PUNZONE | QS | ![]() |
2.26 EUR | ||
| 51 | 608358-00 | 1 | DUSTBAG | QS | ![]() |
3.80 EUR | ||
| 114 | 330019-11 | 3 | VITE | M4.55x13 T20 | QS | ![]() |
1.10 EUR |
* I prezzi indicati possono subire variazioni e non sono inclusivi di IVA ed eventuali spese di trasporto. Ci riserviamo la possibilità di variare i prezzi e le condizioni senza preavviso.

