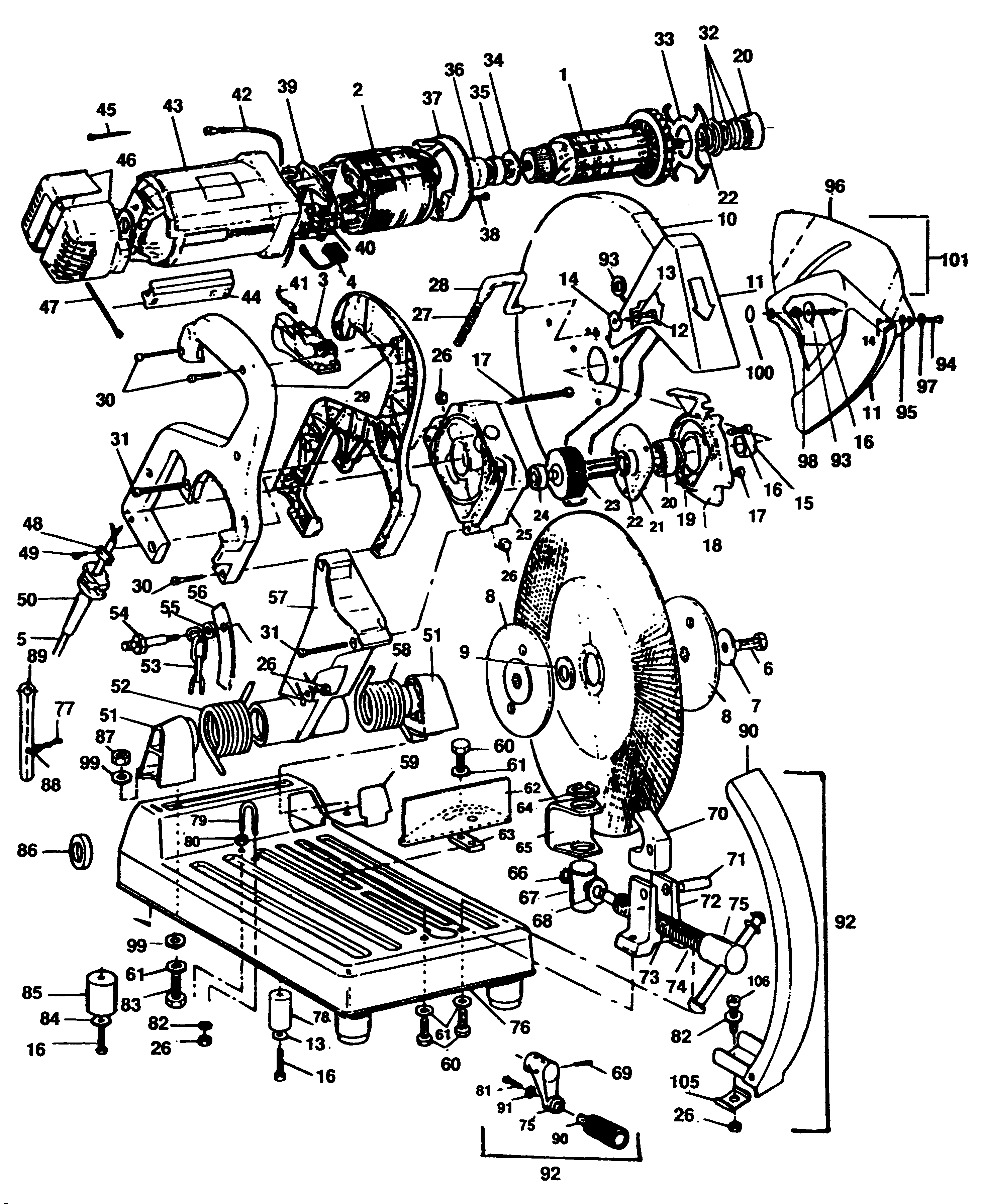
P3202 CHOP SAW Type 1 | Disegni
Documenti
Si prega di visualizzare il menu a tendina dal momento che alcuni prodotti potrebbero avere più disegni

Item No. | Product Number | Qty Per | Product Description | INFORMAZIONI | Altre informazioni | Markets | Product Status | Guida ai prezzi |
---|---|---|---|---|---|---|---|---|
1 | 868415-00 | 1 | INDOTTO | GB 240V | IT | ![]() |
123.12 EUR | |
1 | 868415-00 | 1 | INDOTTO | IT | ![]() |
123.12 EUR | ||
1 | 868415-01 | 1 | INDOTTO | GB 115V | IT | ![]() |
101.57 EUR | |
1 | 868415-01 | 1 | INDOTTO | AE-MX-PA-VE 120V | IT | ![]() |
101.57 EUR | |
2 | 940480-49 | 1 | STATORE | IT | ![]() |
46.07 EUR | ||
2 | 940499-49 | 1 | FIELD 115V | GB 115V | IT | ![]() |
59.00 EUR | |
2 | 940499-49 | 1 | FIELD 115V | AE-MX-PA-VE 120V | IT | ![]() |
59.00 EUR | |
2 | 940481 | 1 | STATORE | GB 240V | IT | ![]() |
39.81 EUR | |
3 | 949411-03 | 1 | INTERRUTTORE | GB 115V | IT | ![]() |
25.24 EUR | |
3 | 949411-03 | 1 | INTERRUTTORE | AE-MX-PA-VE 120V | IT | ![]() |
25.24 EUR | |
3 | 949411-02 | 1 | INTERRUTTORE | GB 240V | IT | ![]() |
29.65 EUR | |
3 | 949411-02 | 1 | INTERRUTTORE | IT | ![]() |
29.65 EUR | ||
4 | 940160-03 | 2 | BRUSH CUT OFF 230V | GB 240V | IT | ![]() |
6.05 EUR | |
4 | 940160-03 | 2 | BRUSH CUT OFF 230V | IT | ![]() |
6.05 EUR | ||
4 | 940160-02 | 2 | BRUSH CUT OFF 115V | GB 115V | IT | ![]() |
7.18 EUR | |
4 | 940160-02 | 2 | BRUSH CUT OFF 115V | AE-MX-PA-VE 120V | IT | ![]() |
7.18 EUR | |
5 | 949770-34 | 1 | CAVO & SPINA | GB 115V | IT | ![]() |
37.96 EUR | |
5 | 949770-12 | 1 | CAVO & SPINA | GB 240V | IT | ![]() |
22.98 EUR | |
5 | 932025 | 1 | CAVO | IT | ![]() |
16.88 EUR | ||
6 | 939938 | 1 | VITE | TYPE A4 | IT | ![]() |
1.10 EUR | |
6 | 931022-00 | 1 | BULLONE | TYPE 1-3 | IT | ![]() |
2.00 EUR | |
7 | 931023-00 | 1 | RONDELLA | TYPE 1-3 | IT | ![]() |
1.10 EUR | |
7 | 931023-01 | 1 | RONDELLA | TYPE A4 | IT | ![]() |
1.20 EUR | |
8 | 931124-00 | 2 | FLANGIA | IT | ![]() |
20.52 EUR | ||
9 | 931038-00 | 1 | DISTANZIALE | IT | ![]() |
2.87 EUR | ||
10 | 939750 | 1 | ASS. PROTEZIONE | IT | ![]() |
44.63 EUR | ||
11 | 937875 | 1 | LINGUETTA DI GUIDA | IT | ![]() |
22.98 EUR | ||
12 | 931011-00 | 5 | VITE | IT | ![]() |
1.00 EUR | ||
13 | 761035-00 | 1 | RONDELLA | IT | ![]() |
1.00 EUR | ||
14 | 931034 | 2 | DADO | IT | ![]() |
1.10 EUR | ||
14 | 931021-00 | 1 | DADO | GB 115V | IT | ![]() |
1.00 EUR | |
14 | 931021-00 | 1 | DADO | AE-MX-PA-VE 120V | IT | ![]() |
1.00 EUR | |
14 | 931021-00 | 1 | DADO | GB 240V | IT | ![]() |
1.00 EUR | |
15 | 931025 | 1 | DISTANZIALE | IT | ![]() |
4.21 EUR | ||
16 | 861116-00 | 4 | VITE | IT | ![]() |
1.00 EUR | ||
17 | 931010-00 | 4 | VITE | IT | ![]() |
1.10 EUR | ||
18 | 931063-00 | 1 | COPERCHIO SCAT.INGR. | IT | ![]() |
22.98 EUR | ||
19 | 931057-00 | 1 | RONDELLA SPECIALE | IT | ![]() |
1.10 EUR | ||
20 | 868768-07 | 2 | CUSCINETTO | IT | ![]() |
5.54 EUR | ||
21 | 931065-00 | 1 | GUARNIZIONE | IT | ![]() |
2.00 EUR | ||
22 | 931062 | 2 | DISTANZIALE | IT | 1.54 EUR | |||
23 | 931059-00 | 1 | INGRANAGGI | TYPE 1-3 | IT | ![]() |
41.96 EUR | |
23 | 939864-00 | 1 | ALBERINO & INGRANAG. | TYPE A4 | IT | ![]() |
32.42 EUR | |
24 | N110358 | 1 | CUSCINETTO | IT | ![]() |
2.00 EUR | ||
25 | 931056-00 | 1 | SCATOLA INGRANAGGI | IT | ![]() |
27.91 EUR | ||
26 | 931035-00 | 8 | DADO | GB 240V | IT | ![]() |
1.00 EUR | |
26 | 931035-00 | 8 | DADO | IT | ![]() |
1.00 EUR | ||
26 | 931035-00 | 9 | DADO | IT | ![]() |
1.00 EUR | ||
27 | 931013-00 | 1 | MOLLA | IT | ![]() |
1.10 EUR | ||
28 | 931012 | 1 | CONTRODADO | IT | ![]() |
4.87 EUR | ||
29 | 932813 | 1 | ASS. IMPUGNATURA | IT | ![]() |
11.39 EUR | ||
30 | 930079-01 | 5 | VITE | IT | ![]() |
1.00 EUR | ||
31 | 931036-00 | 5 | VITE | IT | ![]() |
1.10 EUR | ||
32 | 931067-00 | 1 | ASS. GIARNIZIONE | IT | ![]() |
1.54 EUR | ||
33 | 931066-00 | 1 | FLANGIA | IT | ![]() |
2.67 EUR | ||
34 | N174055 | 1 | DISTANZIALE | IT | ![]() |
1.10 EUR | ||
35 | 577745-00 | 1 | CUSCINETTO | IT | ![]() |
5.54 EUR | ||
36 | 938332-00 | 1 | MANICOTTO | IT | ![]() |
1.00 EUR | ||
37 | 931073-00 | 1 | LINGUETTA DI GUIDA | IT | ![]() |
1.74 EUR | ||
38 | 931072 | 2 | VITE | IT | ![]() |
1.33 EUR | ||
39 | 940501 | 1 | BRUSH HOLDER 115V | GB 115V | IT | ![]() |
15.54 EUR | |
39 | 940501 | 1 | BRUSH HOLDER 115V | AE-MX-PA-VE 120V | IT | ![]() |
15.54 EUR | |
39 | 935747 | 1 | ASS.PORTASPAZZOLE | GB 240V | IT | ![]() |
16.88 EUR | |
39 | 935747 | 1 | ASS.PORTASPAZZOLE | IT | ![]() |
16.88 EUR | ||
40 | 931076-00 | 2 | MOLLA | IT | ![]() |
1.10 EUR | ||
41 | 949801-01 | 1 | CAVETTO | GB 115V | IT | ![]() |
1.44 EUR | |
41 | 949801-01 | 1 | CAVETTO | AE-MX-PA-VE 120V | IT | ![]() |
1.44 EUR | |
41 | 949801-01 | 1 | CAVETTO | GB 240V | IT | ![]() |
1.44 EUR | |
41 | 949801-01 | 1 | CAVETTO | IT | ![]() |
1.44 EUR | ||
42 | 949801-01 | 1 | CAVETTO | GB 115V | IT | ![]() |
1.44 EUR | |
42 | 949801-01 | 1 | CAVETTO | AE-MX-PA-VE 120V | IT | ![]() |
1.44 EUR | |
42 | 931086 | 1 | CAVETTO | GB 240V | IT | ![]() |
1.74 EUR | |
42 | 931086 | 1 | CAVETTO | IT | ![]() |
1.74 EUR | ||
43 | 948162-09 | 1 | ASS.CORPO MOTORE | IT | ![]() |
20.52 EUR | ||
44 | 403207-03 | 1 | COPERTURA | BLACK | IT | ![]() |
1.44 EUR | |
45 | 931297-00 | 2 | VITE | IT | ![]() |
1.54 EUR | ||
46 | 932711-01 | 1 | ASS. COPERCHIO | GREY | IT | ![]() |
5.54 EUR | |
47 | 930752-00 | 2 | VITE | IT | ![]() |
1.74 EUR | ||
48 | 930103-00 | 1 | SERRAFILO | IT | ![]() |
1.00 EUR | ||
49 | 930276 | 2 | VITE | IT | ![]() |
1.00 EUR | ||
50 | 937325-00 | 1 | CORD PROTECTOR | GB 115V | IT | ![]() |
1.33 EUR | |
50 | 937325-00 | 1 | CORD PROTECTOR | AE-MX-PA-VE 120V | IT | ![]() |
1.33 EUR | |
50 | 931113-00 | 1 | CORD PROTECTOR | GB 240V | IT | ![]() |
1.44 EUR | |
50 | 930981-00 | 1 | CORD PROTECTOR | IT | ![]() |
1.44 EUR | ||
52 | 931033 | 1 | MOLLA DESTRA | IT | ![]() |
2.87 EUR | ||
53 | 936348 | 1 | CATENA | IT | ![]() |
3.08 EUR | ||
54 | 936347 | 1 | PERNO | IT | ![]() |
4.87 EUR | ||
55 | 932912 | 1 | RONDELLA | IT | ![]() |
2.36 EUR | ||
56 | 933097 | 1 | ARRESTO PROFONDITA' | IT | ![]() |
1.44 EUR | ||
57 | 933098-00 | 1 | SUPPORTO | IT | ![]() |
32.42 EUR | ||
58 | 931032 | 1 | MOLLA SINISTRA | IT | ![]() |
2.87 EUR | ||
59 | 445454-00 | 1 | SCHERMO | IT | ![]() |
2.87 EUR | ||
60 | 860085-04 | 4 | VITE | IT | ![]() |
1.10 EUR | ||
61 | 931003 | 6 | RONDELLA | IT | ![]() |
1.00 EUR | ||
62 | 444453-00 | 1 | SCALA | IT | ![]() |
8.52 EUR | ||
63 | 931007 | 1 | PIASTRA | IT | ![]() |
2.26 EUR | ||
64 | 931053 | 1 | ANELLO | IT | ![]() |
1.10 EUR | ||
65 | 447661-00 | 1 | PERNO CON TESTA | IT | ![]() |
3.08 EUR | ||
66 | 931052-00 | 1 | ANELLO | IT | ![]() |
1.00 EUR | ||
67 | 931050 | 1 | PERNO | IT | ![]() |
6.05 EUR | ||
68 | 931051 | 1 | RONDELLA | IT | ![]() |
1.10 EUR | ||
69 | 11467 | 1 | PERNO | IT | ![]() |
1.20 EUR | ||
70 | 447665-00 | 1 | GANCIO DI CHIUSURA | IT | ![]() |
16.88 EUR | ||
71 | 931054 | 1 | PERNO | IT | ![]() |
2.67 EUR | ||
72 | 447657-00 | 1 | SUPPORTO | IT | ![]() |
12.67 EUR | ||
73 | 447659-00 | 1 | RIVESTIMENTO INTERNO | IT | ![]() |
2.26 EUR | ||
74 | 447664-00 | 1 | VITE | IT | ![]() |
14.00 EUR | ||
75 | 943147 | 1 | HANDLE | GB 115V | IT | ![]() |
2.00 EUR | |
75 | 943147 | 1 | HANDLE | AE-MX-PA-VE 120V | IT | ![]() |
2.00 EUR | |
75 | 943147 | 1 | HANDLE | GB 240V | IT | ![]() |
2.00 EUR | |
75 | 943147 | 1 | HANDLE | IT | ![]() |
2.00 EUR | ||
76 | 939943-02 | 1 | ASS. BASE | AE-MX-PA-VE 120V | IT | ![]() |
101.57 EUR | |
76 | 933087 | 1 | ASS. BASE | GB 115V | IT | ![]() |
69.77 EUR | |
76 | 933087 | 1 | ASS. BASE | GB 240V | IT | ![]() |
69.77 EUR | |
76 | 933087 | 1 | ASS. BASE | IT | ![]() |
69.77 EUR | ||
77 | 401903-00 | 1 | CATENA | IT | ![]() |
2.67 EUR | ||
78 | 931040 | 1 | PIEDE | IT | ![]() |
4.87 EUR | ||
79 | 930800 | 1 | GANCIO DI CHIUSURA | IT | ![]() |
2.26 EUR | ||
80 | 860083-03 | 2 | DADO | IT | ![]() |
1.00 EUR | ||
81 | 930240 | 1 | VITE | GB 115V | IT | ![]() |
1.00 EUR | |
81 | 930240 | 1 | VITE | AE-MX-PA-VE 120V | IT | ![]() |
1.00 EUR | |
81 | 930240 | 1 | VITE | GB 240V | IT | ![]() |
1.00 EUR | |
81 | 930240 | 1 | VITE | IT | ![]() |
1.00 EUR | ||
82 | 860075-00 | 2 | RONDELLA | GB 115V | IT | ![]() |
1.00 EUR | |
82 | 860075-00 | 2 | RONDELLA | AE-MX-PA-VE 120V | IT | ![]() |
1.00 EUR | |
82 | 860075-00 | 2 | RONDELLA | GB 240V | IT | ![]() |
1.00 EUR | |
82 | 860075-00 | 2 | RONDELLA | IT | ![]() |
1.00 EUR | ||
82 | 860075-00 | 3 | RONDELLA | IT | ![]() |
1.00 EUR | ||
83 | 930775-00 | 2 | VITE | IT | ![]() |
1.10 EUR | ||
84 | 30251-00 | 3 | RONDELLA | IT | ![]() |
1.00 EUR | ||
85 | 444448-00 | 3 | PIEDE | IT | ![]() |
2.87 EUR | ||
86 | 932662 | 1 | DISTANZIALE | IT | ![]() |
3.08 EUR | ||
87 | 860083-04 | 2 | DADO | IT | ![]() |
1.00 EUR | ||
88 | 445699-00 | 2 | GANCIO | IT | ![]() |
1.10 EUR | ||
89 | 447918-00 | 1 | CHIAVE | IT | ![]() |
4.87 EUR | ||
91 | 935422 | 1 | RONDELLA | GB 115V | IT | ![]() |
1.00 EUR | |
91 | 935422 | 1 | RONDELLA | AE-MX-PA-VE 120V | IT | ![]() |
1.00 EUR | |
91 | 935422 | 1 | RONDELLA | GB 240V | IT | ![]() |
1.00 EUR | |
91 | 935422 | 1 | RONDELLA | IT | ![]() |
1.00 EUR | ||
92 | 447666-00 | 1 | MORSA | GB 115V | IT | ![]() |
80.13 EUR | |
92 | 447666-00 | 1 | MORSA | AE-MX-PA-VE 120V | IT | ![]() |
80.13 EUR | |
92 | 447666-00 | 1 | MORSA | GB 240V | IT | ![]() |
80.13 EUR | |
92 | 447666-00 | 1 | MORSA | IT | ![]() |
80.13 EUR | ||
93 | 931407-00 | 1 | RONDELLA | GB 115V | IT | ![]() |
1.00 EUR | |
93 | 931407-00 | 1 | RONDELLA | AE-MX-PA-VE 120V | IT | ![]() |
1.00 EUR | |
93 | 931407-00 | 1 | RONDELLA | GB 240V | IT | ![]() |
1.00 EUR | |
93 | 937865 | 1 | RONDELLA | IT | ![]() |
2.87 EUR | ||
94 | 931787 | 1 | VITE | IT | ![]() |
1.00 EUR | ||
95 | 937883 | 1 | RONDELLA | IT | ![]() |
1.00 EUR | ||
96 | 937862 | 1 | PROTEZIONE | IT | ||||
97 | 937866 | 1 | GUAINA ISOLANTE | IT | ![]() |
1.74 EUR | ||
98 | 937863 | 1 | GUAINA ISOLANTE | IT | ![]() |
2.26 EUR | ||
99 | 931051 | 3 | RONDELLA | IT | ![]() |
1.10 EUR |
* I prezzi indicati possono subire variazioni e non sono inclusivi di IVA ed eventuali spese di trasporto. Ci riserviamo la possibilità di variare i prezzi e le condizioni senza preavviso.