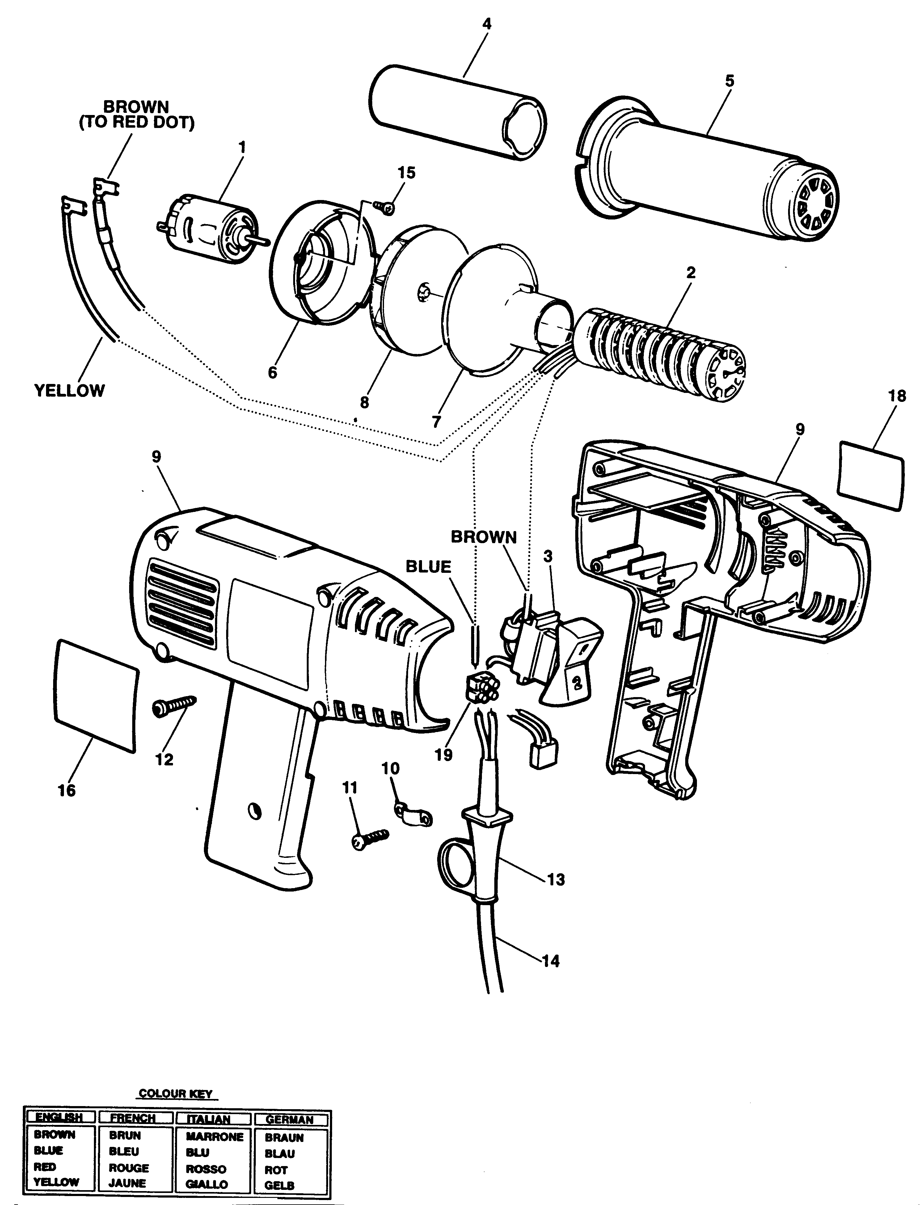
BD1602 PISTOLA TERMICA Type 3 | Disegni

Documenti

Si prega di visualizzare il menu a tendina dal momento che alcuni prodotti potrebbero avere più disegni

Click for part information Click for part information Click for part information Click for part information Click for part information Click for part information Click for part information Click for part information Click for part information Click for part information Click for part information Click for part information Click for part information Click for part information Click for part information Click for part information Click for part information Click for part information
Item No. Product Number Qty Per Product Description INFORMAZIONI Altre informazioni Markets Product Status Guida ai prezzi

* I prezzi indicati possono subire variazioni e non sono inclusivi di IVA ed eventuali spese di trasporto. Ci riserviamo la possibilità di variare i prezzi e le condizioni senza preavviso.