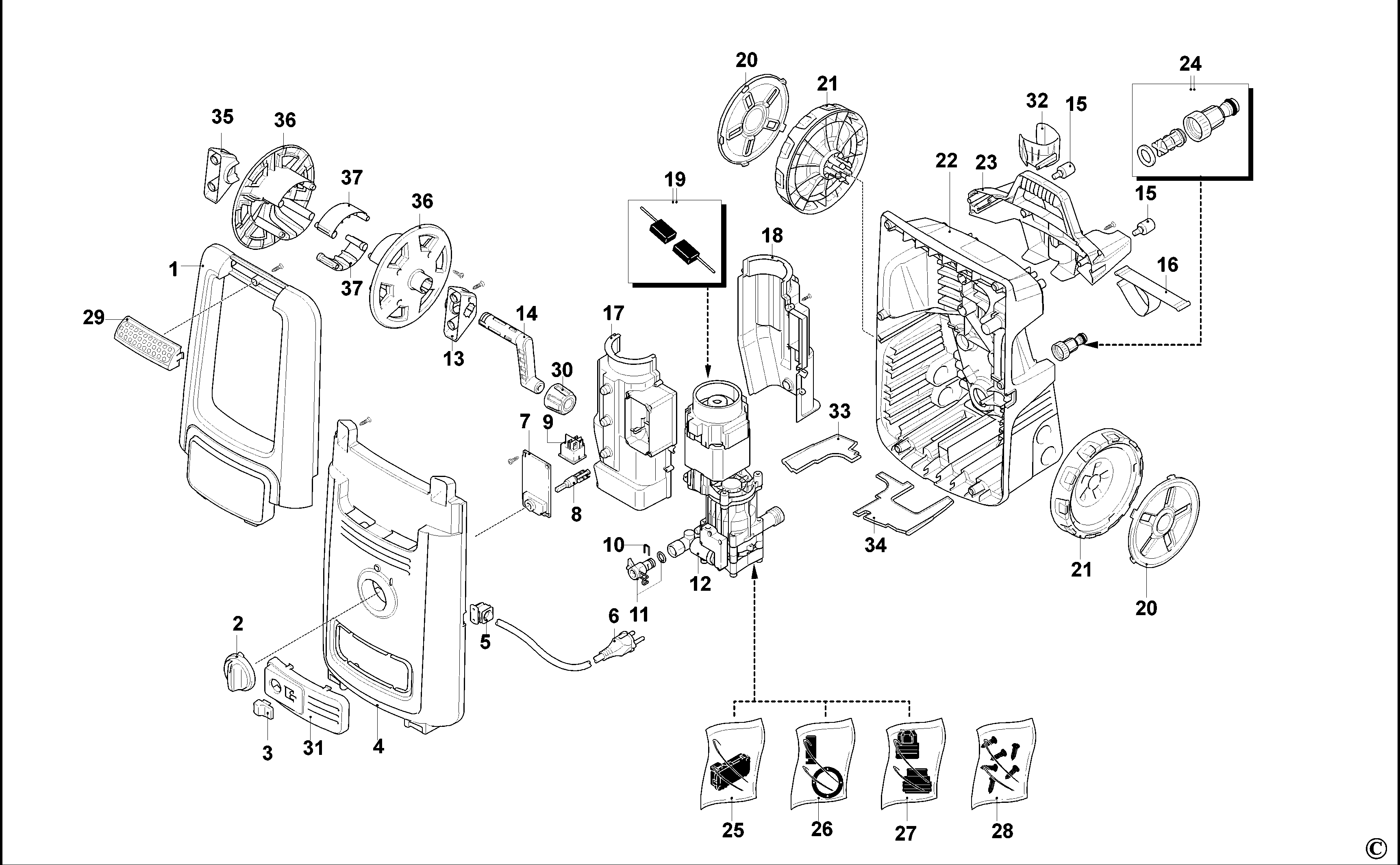
BXPW1800E IDROPULITRICE Type 1 | Disegni
Documenti
Si prega di visualizzare il menu a tendina dal momento che alcuni prodotti potrebbero avere più disegni

Item No. | Product Number | Qty Per | Product Description | INFORMAZIONI | Altre informazioni | Markets | Product Status | Guida ai prezzi |
---|---|---|---|---|---|---|---|---|
1 | 4380510 | 1 | HANDLE | QS | ![]() |
16.88 EUR | ||
2 | 4380250 | 1 | MANOPOLA | QS | ![]() |
1.54 EUR | ||
3 | 4380390 | 1 | LEVA | QS | ![]() |
1.20 EUR | ||
4 | 4380500 | 1 | CORPO | QS | ![]() |
18.73 EUR | ||
5 | 1004455-07 | 1 | ANELLO PREMISTOPPA | QS | ![]() |
1.20 EUR | ||
6 | 1004700-91 | 1 | CAVO CON SPINA | QS | ![]() |
20.52 EUR | ||
7 | 1004700-65 | 1 | COPERTURA | QS | ![]() |
1.74 EUR | ||
8 | 1004700-66 | 1 | PERNO | QS | ![]() |
1.00 EUR | ||
9 | 1004700-67 | 1 | ASS. INTERRUTTORE | QS | ![]() |
8.52 EUR | ||
10 | 1004512-08 | 1 | FORCELLA | QS | ![]() |
1.33 EUR | ||
11 | 4382480 | 1 | GIUNTO | QS | ![]() |
46.07 EUR | ||
12 | 4381460 | 1 | ASS. POMPA | QS | ![]() |
144.36 EUR | ||
13 | 4380460 | 1 | STAFFA | QS | ![]() |
3.08 EUR | ||
14 | 4380560 | 1 | LEVA | QS | ![]() |
3.80 EUR | ||
15 | 1004712-16 | 1 | PIEDE | QS | ![]() |
3.80 EUR | ||
16 | 4380280 | 1 | BRIDA | QS | ![]() |
2.00 EUR | ||
17 | 4380160 | 1 | CONVOGLIATORE | QS | ![]() |
11.39 EUR | ||
18 | 4380170 | 1 | CONVOGLIATORE | QS | ![]() |
10.05 EUR | ||
19 | 3082600 | 1 | SPAZZOLE ( X 2 ) | QS | ![]() |
8.52 EUR | ||
20 | 4380620 | 2 | PROTEZIONE | QS | ![]() |
8.52 EUR | ||
21 | 4380610 | 2 | RUOTA | QS | ![]() |
10.05 EUR | ||
22 | 4380490 | 1 | BASE | QS | ![]() |
25.24 EUR | ||
23 | 4380990 | 1 | BRIDA SA | QS | ![]() |
11.39 EUR | ||
24 | 1004700-77 | 1 | ASS. ATTACCO | QS | ![]() |
2.67 EUR | ||
25 | 3081280 | 1 | KIT | TSS | QS | ![]() |
34.06 EUR | |
26 | 1004455-16 | 1 | KIT MANUTENZ | PISTON AND SEAL KIT | QS | ![]() |
16.88 EUR | |
27 | 1004455-19 | 1 | KIT MANUTENZ | QS | ![]() |
6.05 EUR | ||
28 | 4381470 | 1 | KIT DI VITI | QS | ![]() |
3.80 EUR | ||
29 | 4380520 | 1 | MANOPOLA | QS | ![]() |
2.87 EUR | ||
30 | 4380450 | 1 | MANOPOLA | QS | ![]() |
1.44 EUR | ||
31 | 4380600 | 1 | PROTEZIONE | QS | ![]() |
4.87 EUR | ||
32 | 4381280 | 1 | GRAFFA SA | QS | ![]() |
2.67 EUR | ||
33 | 4380590 | 1 | COPERTURA | QS | ![]() |
2.00 EUR | ||
34 | 4380580 | 1 | COPERTURA | QS | ![]() |
1.33 EUR | ||
35 | 4380470 | 1 | STAFFA | QS | ![]() |
3.08 EUR | ||
36 | 3080200 | 2 | PIASTRA | QS | ![]() |
10.05 EUR | ||
37 | 4380550 | 2 | SPESSORE | QS | ![]() |
2.00 EUR | ||
38 | 4381481 | 1 | ASS. IMPUGNATURA | QS | ![]() |
22.98 EUR | ||
39 | 4381491 | 1 | EXTENSION | QS | ![]() |
18.73 EUR | ||
40 | 4100800 | 1 | ASS. TESTA | QS | ![]() |
16.88 EUR | ||
42 | 4381500 | 1 | SERBATOIO | QS | ![]() |
5.54 EUR | ||
43 | 3500360 | 1 | TUBO FLESSIBILE | QS | ![]() |
22.98 EUR | ||
44 | 3083700 | 2 | ANELLO TOROIDALE | QS | ![]() |
1.00 EUR | ||
45 | 3083370 | 2 | ANELLO TOROIDALE | QS | ![]() |
1.00 EUR | ||
46 | 3083400 | 2 | ANELLO TOROIDALE | QS | ![]() |
1.00 EUR | ||
47 | 1004745-86 | 1 | ASS. TUBO FLESSIBILE | 10m | QS | ![]() |
56.94 EUR | |
48 | 1004745-85 | 1 | GRUPPO D'ASPIRAZIONE | QS | ![]() |
72.33 EUR | ||
49 | 1004745-87 | 1 | TUBO FLESSIBILE | 16m | QS | ![]() |
72.33 EUR | |
50 | 1004745-88 | 1 | EXTENSION | Lance Kit | QS | ![]() |
22.98 EUR | |
51 | 1004745-90 | 1 | KIT | Sand Blasting | QS | ![]() |
101.57 EUR | |
52 | 1004745-94 | 1 | GIUNTO | QS | ![]() |
12.67 EUR | ||
53 | 1004745-95 | 1 | ASS. FILTRO | Water x3 | QS | ![]() |
18.73 EUR | |
54 | 1004745-96 | 1 | FILTRO | water x1 | QS | ![]() |
18.73 EUR | |
55 | 1004745-97 | 1 | ADATTATORE | QS | ![]() |
20.52 EUR | ||
57 | 1004746-01 | 1 | FLUIDO PER LA PULIZIA | Heavy duty | QS | ![]() |
20.52 EUR | |
58 | 1004745-99 | 1 | FLUIDO PER LA PULIZIA | Bike/Motorbike | QS | ![]() |
20.52 EUR | |
59 | 1004746-00 | 1 | FLUIDO PER LA PULIZIA | Boats/Cars | QS | ![]() |
20.52 EUR | |
60 | 1004746-02 | 1 | SPAZZOLE | Mini Patio | QS | ![]() |
74.39 EUR | |
61 | 1004745-92 | 1 | TUBO FLESSIBILE | 8m | QS | 44.63 EUR |
* I prezzi indicati possono subire variazioni e non sono inclusivi di IVA ed eventuali spese di trasporto. Ci riserviamo la possibilità di variare i prezzi e le condizioni senza preavviso.