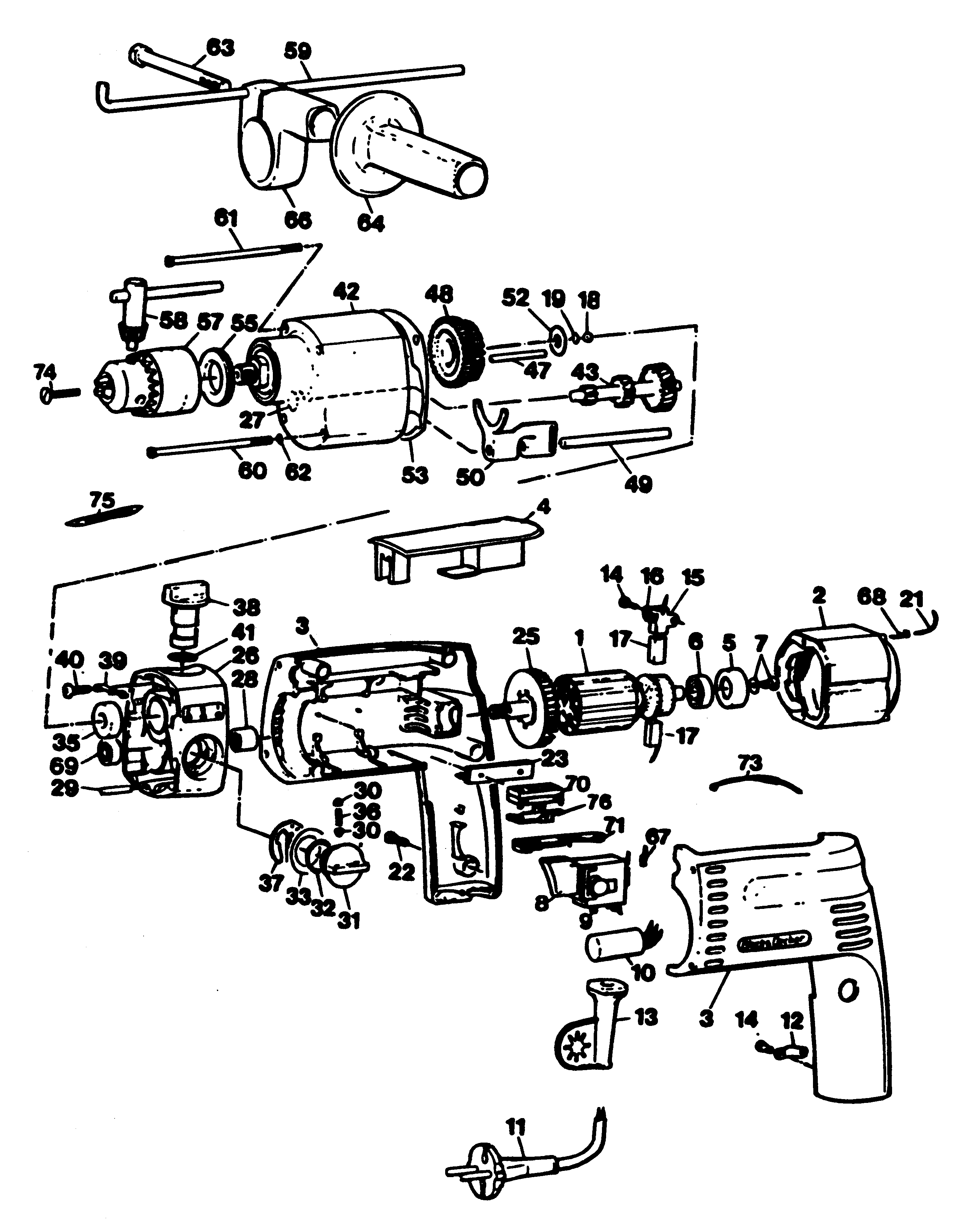
BD309R TRAPANO A PERCUSSIONE Type 1 | Disegni
Documenti
Si prega di visualizzare il menu a tendina dal momento che alcuni prodotti potrebbero avere più disegni

Item No. | Product Number | Qty Per | Product Description | INFORMAZIONI | Altre informazioni | Markets | Product Status | Guida ai prezzi |
---|---|---|---|---|---|---|---|---|
2 | 878878 | 1 | STATORE | XJ | ![]() |
18.73 EUR | ||
3 | 873348 | 1 | CORPO | XJ | ![]() |
16.88 EUR | ||
4 | 322162 | 1 | ELECTRONIC & SWITCH | XJ | ![]() |
22.98 EUR | ||
5 | 911897 | 1 | PORTAUTENSILE | XJ | ![]() |
1.20 EUR | ||
6 | 330003-31 | 1 | CUSCINETTO | XJ | ![]() |
4.87 EUR | ||
7 | 911276 | 1 | VITE | XJ | ![]() |
1.00 EUR | ||
8 | 322162 | 1 | ELECTRONIC & SWITCH | XJ | ![]() |
22.98 EUR | ||
9 | 911026 | 4 | VITE | XJ | ![]() |
1.00 EUR | ||
10 | 876515 | 1 | CONDENSATORE | XJ | ![]() |
7.18 EUR | ||
11 | 4688529 | 1 | CAVO AL METRO | XJ | ![]() |
2.26 EUR | ||
12 | 821070 | 1 | SERRAFILO | XJ | ![]() |
1.00 EUR | ||
13 | 916080 | 1 | CORD PROTECTOR | XJ | ||||
14 | D911324 | 4 | VITE | XJ | ![]() |
1.00 EUR | ||
15 | 917566 | 2 | PORTASPAZZOLE | XJ | ![]() |
1.20 EUR | ||
16 | 916309 | 2 | MOLLA | XJ | ||||
17 | 916368 | 2 | FSO BRUSH CUT OFF | XJ | ![]() |
10.05 EUR | ||
18 | 916698 | 1 | SFERA | XJ | ![]() |
1.00 EUR | ||
19 | 916743 | 1 | RONDELLA | XJ | ![]() |
1.00 EUR | ||
21 | 878277 | 4 | LEAD 280MM | XJ | ![]() |
1.10 EUR | ||
22 | 911325 | 5 | VITE | XJ | ![]() |
1.00 EUR | ||
23 | 916399 | 2 | GOMMA | XJ | ![]() |
1.10 EUR | ||
26 | 878306 | 1 | COPERTURA | XJ | ![]() |
20.52 EUR | ||
27 | 913063 | 1 | CUSCINETTO | XJ | ![]() |
1.20 EUR | ||
28 | 330004-23 | 1 | CUSCINETTO | XJ | ![]() |
4.87 EUR | ||
29 | 916321 | 1 | PERNO | XJ | ![]() |
1.00 EUR | ||
30 | 917149 | 2 | SFERA | XJ | ![]() |
1.00 EUR | ||
31 | 322074 | 1 | PULSANTE | XJ | ![]() |
2.36 EUR | ||
32 | 916851 | 1 | GUARNIZIONE | XJ | ![]() |
1.00 EUR | ||
33 | 916850 | 2 | RONDELLA ELASTICA | XJ | ![]() |
1.10 EUR | ||
35 | 917161 | 1 | CUSCINETTO | XJ | ![]() |
3.08 EUR | ||
36 | 916846 | 1 | MOLLA | XJ | ![]() |
1.10 EUR | ||
37 | 878291 | 1 | ANELLO | XJ | ![]() |
2.67 EUR | ||
38 | 322077 | 1 | PULSANTE | XJ | ![]() |
11.39 EUR | ||
39 | 916275 | 1 | MOLLA | XJ | ![]() |
1.10 EUR | ||
40 | 322121 | 1 | VITE | XJ | ![]() |
1.00 EUR | ||
41 | 916323 | 1 | ANELLO TOROIDALE | XJ | ![]() |
1.10 EUR | ||
42 | 878848 | 1 | SCATOLA INGRANAGGI | XJ | ![]() |
66.18 EUR | ||
43 | 878299 | 1 | INGRANAGGI | XJ | ![]() |
44.63 EUR | ||
47 | 917524 | 2 | PERNO | XJ | ![]() |
1.20 EUR | ||
48 | 878273 | 1 | INGRANAGGI | XJ | ![]() |
37.96 EUR | ||
49 | 916453 | 1 | ASSE | XJ | ![]() |
1.44 EUR | ||
50 | 917277 | 1 | SELETT. A FORCHETTA | XJ | ![]() |
3.80 EUR | ||
53 | 916317 | 1 | GUARNIZIONE | XJ | ![]() |
2.36 EUR | ||
55 | 917404 | 1 | GUARNIZIONE | XJ | ![]() |
2.87 EUR | ||
57 | 5140071-68 | 1 | CHUCK 13MM | TYPE 2 | XJ | ![]() |
10.05 EUR | |
58 | 894688 | 1 | CHUCK KEY 13MM | TYPE 1 | XJ | ![]() |
1.74 EUR | |
58 | 330034-07 | 1 | CHIAVE MANDRINO | TYPE 2 | XJ | ![]() |
2.35 EUR | |
59 | 580787-00 | 1 | ARRESTO PROFONDITA' | XJ | ![]() |
1.44 EUR | ||
60 | 911484 | 2 | VITE | XJ | ![]() |
1.20 EUR | ||
61 | 911481 | 2 | VITE | XJ | ![]() |
1.33 EUR | ||
62 | 916702 | 4 | RONDELLA | XJ | ![]() |
1.00 EUR | ||
63 | 813918 | 1 | VITE | XJ | ![]() |
1.20 EUR | ||
64 | 872712 | 1 | HANDLE | XJ | ![]() |
3.08 EUR | ||
66 | 917176 | 1 | MORSETTO | XJ | ![]() |
4.87 EUR | ||
67 | 930311 | 3 | CONNETTORE FEMMINA | XJ | ![]() |
1.10 EUR | ||
68 | 916594 | 4 | CONNETTORE MASCHIO | XJ | ![]() |
1.00 EUR | ||
69 | 916341 | 1 | CUSCINETTO | XJ | ![]() |
4.21 EUR | ||
70 | 323932-49 | 1 | KIT INTERRUTTORE | XJ | ![]() |
5.54 EUR | ||
74 | 326039-00 | 1 | VITE | TYPE 2 | XJ | ![]() |
1.33 EUR | |
74 | 945013-00 | 1 | VITE | TYPE 1 | XJ | ![]() |
1.10 EUR | |
75 | 297757-02 | 1 | BIT PHILLIPS | XJ | ![]() |
1.54 EUR | ||
76 | 911674 | 1 | PIASTRA | XJ | ![]() |
1.20 EUR |
* I prezzi indicati possono subire variazioni e non sono inclusivi di IVA ed eventuali spese di trasporto. Ci riserviamo la possibilità di variare i prezzi e le condizioni senza preavviso.