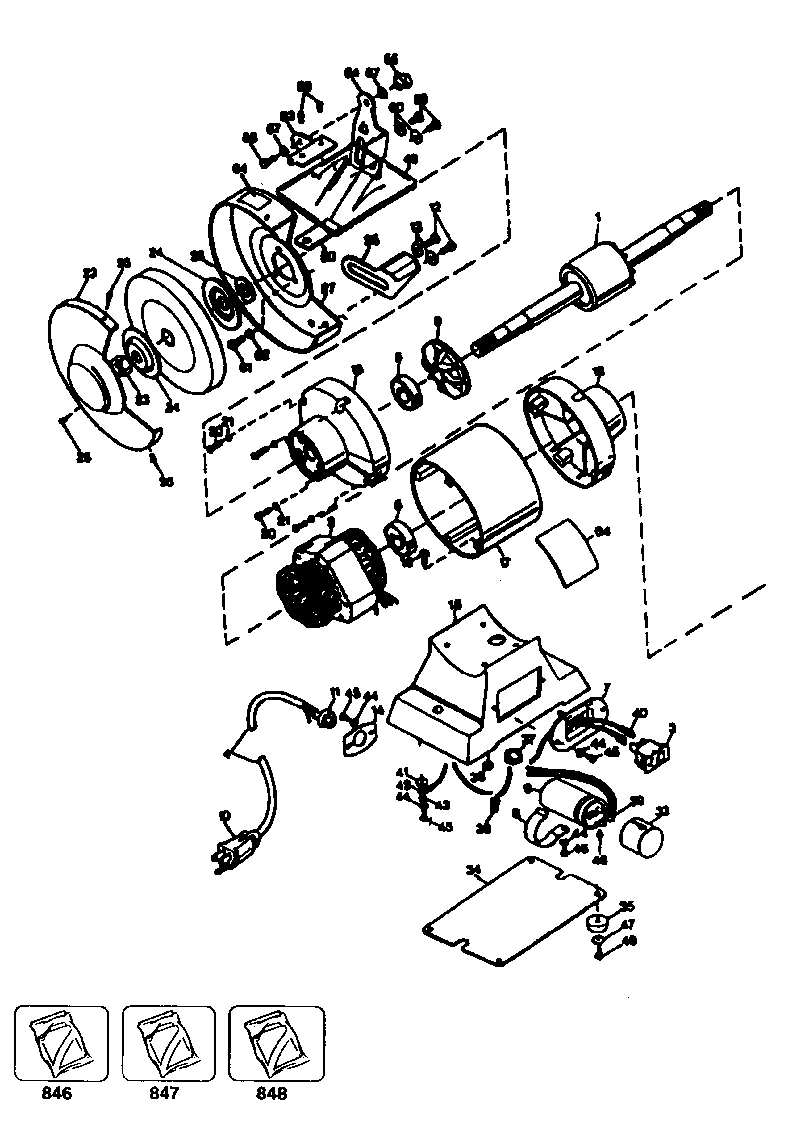
P7518A SMERIGLIATRICE DA BANCO Type 1 | Disegni
Documenti
Si prega di visualizzare il menu a tendina dal momento che alcuni prodotti potrebbero avere più disegni

Item No. | Product Number | Qty Per | Product Description | INFORMAZIONI | Altre informazioni | Markets | Product Status | Guida ai prezzi |
---|---|---|---|---|---|---|---|---|
1 | 761333-00 | 1 | ROTORE | XJ | ||||
2 | 761334-00 | 1 | STATORE | XJ | ||||
4 | 761336-00 | 1 | CAVO CON SPINA | XJ | ||||
5 | 330003-16 | 2 | CUSCINETTO | XJ | ![]() |
4.21 EUR | ||
6 | 761338-00 | 1 | CONDENSATORE | XJ | ||||
7 | 761339-00 | 1 | PIASTRA | XJ | ||||
8 | 761340-00 | 1 | GRAFFA | XJ | ||||
9 | 679643-00 | 1 | VENTOLA | XJ | ||||
10 | 234900-01 | 1 | SPINA | XJ | ![]() |
8.52 EUR | ||
11 | 761341-00 | 1 | GUAINA ISOLANTE | XJ | ||||
12 | 99185-06 | 4 | VITE | XJ | ||||
13 | 761343-00 | 4 | RONDELLA | XJ | ||||
14 | 761344-00 | 1 | GUAINA ISOLANTE | XJ | ||||
15 | 761345-00 | 1 | BASE | XJ | ||||
16 | 679647-00 | 4 | VITE | XJ | ||||
17 | 761346-00 | 1 | CORPO | XJ | ||||
18 | 761347-00 | 1 | CUSCINETTO | XJ | ||||
19 | 761348-00 | 1 | CUSCINETTO | XJ | ||||
20 | 679665-00 | 8 | VITE | XJ | ||||
21 | 761349-00 | 8 | RONDELLA DENTATA | XJ | ||||
22 | 143126-00 | 1 | COPERTURA SINISTRA | XJ | ||||
23 | 2942-00 | 1 | DADO | XJ | ||||
24 | 761351-00 | 4 | RONDELLA DI BLOCC. | XJ | ||||
25 | 761352-00 | 6 | VITE | XJ | ||||
26 | 761353-00 | 2 | DISTANZIALE | XJ | ||||
27 | 143128-00 | 1 | PROTEZIONE SINISTRA | XJ | ||||
28 | 761354-00 | 1 | PORTAUTENSILE SINIS. | XJ | ||||
29 | 143125-00 | 1 | COPERTURA | XJ | ||||
30 | 2941-00 | 1 | DADO | XJ | ||||
31 | 143127-00 | 1 | PROTEZIONE DESTRA | XJ | ||||
32 | 761356-00 | 1 | PORTAUTENSILE DESTRO | XJ | ||||
33 | 761357-00 | 1 | COPERTURA | XJ | ||||
34 | 679650-00 | 1 | PIASTRA DI BASE | XJ | ||||
35 | 679653-00 | 4 | PIEDE | XJ | ||||
36 | 679649-00 | 4 | DADO | XJ | ||||
37 | 761358-00 | 1 | GUAINA ISOLANTE | XJ | ||||
38 | 761359-00 | 3 | DADO | XJ | ||||
39 | 761360-00 | 2 | TERMINALE | XJ | ||||
40 | 761361-00 | 2 | INTERR. TERMINALE | XJ | ||||
41 | 679660-00 | 1 | MORSETTO | XJ | ||||
43 | 761363-00 | 1 | RONDELLA | XJ | ||||
44 | 679641-00 | 6 | RONDELLA DENTATA | XJ | ||||
45 | 679642-00 | 6 | VITE | XJ | ||||
46 | 761364-00 | 2 | SCREW.TEMP | XJ | ||||
47 | 761365-00 | 4 | RONDELLA | XJ | ||||
48 | 679652-00 | 4 | VITE | XJ | ||||
49 | 761366-00 | 2 | VISIERA | XJ | ||||
50 | 761367-00 | 2 | PIASTRA | XJ | ||||
51 | 761368-00 | 1 | STAFFA DESTRA | XJ | ||||
52 | 761369-00 | 1 | STAFFA DESTRA | XJ | ||||
53 | 761370-00 | 1 | STAFFA SINISTRA | XJ | ||||
54 | 761371-00 | 1 | STAFFA SINISTRA | XJ | ||||
55 | 761372-00 | 2 | MANOPOLA | XJ | ||||
56 | 761373-00 | 4 | VITE | XJ | ||||
57 | 761374-00 | 4 | RONDELLA DENTATA | XJ | ||||
58 | 761375-00 | 2 | SCREW.TEMP | XJ | ||||
59 | 761376-00 | 4 | VITE | XJ | ||||
61 | 679667-00 | 6 | SCREW.TEMP | XJ | ||||
62 | 761378-00 | 6 | RONDELLA DENTATA | XJ | ||||
63 | 143331-00 | 2 | ETICHETTA | XJ | ||||
64 | 143558-00 | 1 | TARGHETTA | XJ | ||||
846 | 761379 | 1 | PACCO PEZZI | XJ | ||||
847 | 761384 | 1 | PACCO PEZZI | XJ | ||||
848 | 761385 | 1 | PACCO PEZZI | XJ |
* I prezzi indicati possono subire variazioni e non sono inclusivi di IVA ed eventuali spese di trasporto. Ci riserviamo la possibilità di variare i prezzi e le condizioni senza preavviso.